.
Site categories
1/ Help
:

Crew Evaluation System test online for seamans about Engine department, Management level, Slow Speed

Join Our Telegram (Seaman Community)

Welcome to the website where you can pass online the CES test on the subject «Engine, Management, Slow Speed». Practice like this will help you as a marine specialist improve your knowledge with the help of online studying and appraisal practice. CES based on practical information and marine specialists experience.

CES tests developed for evaluating seaman basic knowledge by Seagull Company (rebranded as «OTG»), is an evaluating online-tool, used for revealing any professional preparation needed in specific fields of knowledge, defined by STCW.

  • Test type: STCW.
  • Version: 6.0.9.
  • Department: Engine.
  • Level: Management.
  • Propulsion: Slow Speed.

CES tests have proven themselves as good tools for the selection and recruitment process, as well as advancing the level of knowledge of the current officers and crew. Ocean Technologies Group use various subjects for question creation, which includes:

  • Crowd and Crisis Management;
  • Integrated Navigation System (INS);
  • Ballast water management;
  • Handling and Stowage;
  • Vessel operation management and safety;
  • Marine engineering;
  • Maintenance and repair, etc.

Current test contains Seagull CES questions on the subject «Engine, Management, Slow Speed». Those questions can be used for competence verification specialist capable of preventing accidental situations related with transporting safety, or also for self-examination.

«Propulsion» subject includes theoretical and practical information about advanced training for work on any type of vessel. Knowledge of this information directly shows employee’s competence who holds a relevant post on any type of vessel. Seamen during slow-speed operations are responsible for monitoring and controlling the ship’s engines and propulsion systems to ensure efficient and safe performance.

They oversee engine parameters, conduct routine maintenance, and collaborate with the ship’s navigation team to optimize fuel consumption and maneuverability during maneuvers such as docking or navigating through narrow channels. Additionally, they must be prepared to troubleshoot and address any technical issues that may arise to maintain the vessel’s operational integrity.

On this site Crew Evaluation System Test on the subject «Engine, Management, Slow Speed» contains 329 questions you need to answer with no possibility to go back to previous question. Therefore, we recommend carefully reading each question and making decision with no hurry. In case you have some difficulty answering, you have also possibility to request a hint.

The test includes three modes. In the Training mode, you go through 60 questions with the option to take a hint, while in the Exam mode, this option is not available. We have also developed another mode – Wild, where you can answer all the questions available in the test at once. Enjoy!

Choose the regime, in which you want to pass CES test:

Training - CES test
Training

Exam - CES test
Exam

Wild Mode
* Some questions may have more than 1 correct answer.

“CES test” finished! Your result:
Correct answers:

Use the search below to find question.

Amount of questions: 406.

Right answers marked with this sign .

Code: GITV What is the main reason for routine testing of the cooling water in a diesel engine cooling system?
To ensure that the correct levels of chemical treatment are maintained at all times.
To measure the pH-value of the water.
To detect dissolved oxygen in the water.
To detect the presence of contaminants in the water.
Code: QYOS What is the correct method to be used to obtain a reduced output from a centrifugal pump?
By throttling of the pump discharge valve.
By opening the pump recirculation line.
By throttling of the pump suction valve.
By adjusting the pump relief valve.
Code: EGOG What information is required to evaluate the condition of a heat exchanger during operation?
Inlet and outlet temperatures and pressure drops across the heat exchanger for both fluids.
Inlet and outlet temperatures for the fluid being cooled.
Pressure drop for both fluids.
Inlet and outlet temperatures of the cooling water.
Code: PLDX Why is it necessary to carry out routine tests of the water in a diesel engine cooling water system?
To check that the correct concentration of corrosion inhibitors are maintained.
To check for the presence of contaminants in the system.
To check that the O-ring seals are in good condition.
To check for leakage in the cooling water system.
Code: AOHG How often should water testing of a diesel engine cooling water system be carried out to check treatment levels and water condition during normal engine operation?
Once a week.
Once a day.
Once a month.
It doesn’t matter as water condition for diesel engine cooling systems is not important.
Code: JCFG With two alternators running in parallel, and one is to be disconnected. The first step is to:
Remove the load from the alternator to be stopped.
Make sure the load is evenly shared.
Increase the frequency on the switchboard.
Trip the main circuit breaker.
Code: LFXF A 450 volt 3 phase brushless alternator will have the following combination of items mounted on the rotor:
3 phase excitation winding/rectifier bank/main field winding.
Excitation field winding/main field winding.
3 phase excitation winding/main field winding.
Excitation field winding/rectifier bank/main field winding.
Code: NXCD In accordance with SOLAS and other international regulations, certain important machinery functions, such as operation and control of the steering gear and propulsion machinery, must be tested at specified times. When should these tests be carried out?
Prior to arrival and departure from port and following maintenance.
Only following drydock.
Only at stand by engines.
Only following maintenance.
Code: JAKS A ship has a medium speed engine and a controllable pitch propeller propulsion system. What would the propeller pitch normally have to be at to allow starting of the engine?
Zero.
25 % ahead.
10 % ahead.
25 % astern.
Code: TWRH According to basic principles regarding fire protection the ship is to be divided in zones by structural and thermal boundaries. (SOLAS II-2/2.2.1).
In main vertical zones.
Main Fire zones in accordance with the ship’s fire-fighting system.
In main zones according to utilization (Accommodation, Machinery, Cargo).
In main horizontal zones.
Code: ENJG How is the activation of any detector or manually operated call point of fixed fire-detection and fire-alarm systems to be indicated? (SOLAS II-2/13.1.4).
By visual and audible signal at the control panel and indicating units.
By all the indication methods listed.
By sounding the ship’s fire alarm signal in crew accommodation and service spaces.
By alarm signals at the bridge and engine room control panels.
Code: LCRT After water-washing the turbocharger exhaust side it starts to vibrate even though it was operating normally prior to the washing procedure. What is the most likely cause of this problem?
The rotor blades are damaged or the blades are not properly cleaned.
Water drain for washing system is clogged.
Inlet filter partly clogged.
Foundation bolts for the blower unit are loose.
Code: DBXA In the event of a severe scavenge fire, which of the following is most likely to be seriously damaged?
Piston rod and stuffing box.
Exhaust valve.
Crosshead bearing.
Piston crown.
Code: PUSR What shall you do if you see a person falling into the sea?
Throw a lifebuoy over board and report to the bridge immediately.
Run aft.
Launch a lifeboat.
Put on a lifejacket.
Code: XIVI After main power is restored (following a blackout), a timed sequential restart of motor-driven auxiliaries is necessary to avoid:
Generator overload due to many motors starting at simultaneously.
Overvoltage due to current surges.
Over-frequency due to overspeed of generator.
Overloading creating earth faults.
Code: NWHD A motor is protected by a thermal overcurrent relay. After tripping on overload it will not be possible to reset the overcurrent relay immediately because the:
Bimetallic strips need time to cool down.
Line contactor spring has to be reset.
Starter isolator automatically applies an interlock.
Oil dash-pot has to be reset.
Code: YQFW A delta connected 3-phase AC induction motor is running normally at its rated current of 150 A when a single phasing fault (open circuit) occurs in one line. The likely outcome will be:
Line currents: 0 A, 180 A, 180 A. Trip condition: trip on overload.
Line currents: 0 A, 150 A, 150 A. Trip condition: fuses blow on short circuit.
Line currents: 75 A, 75 A, 75 A. Trip condition: no trip but speed falls.
Line currents: 0 A, 150 A, 300 A. Trip condition: trip on overload.
Code: DECL Generators work on the principle of electromagnetic induction. The internal EMF generated in the phase windings of an AC generator is controlled by:
The diesel speed and excitation current.
The diesel speed and load current.
The internal volt drop and the residual magnetism.
The internal volt drop and the load current.
Code: HCBO Which of the following would be considered pollution, when discharged overboard, under the US water pollution laws?
All of the mentioned.
Garbage.
Oil.
Hazardous substances.
Code: CUAR Why are crankcase heaters fitted to some refrigeration system compressors?
To prevent refrigerant condensing in the crankcase when the compressor is stopped.
To control the viscosity of the lubricating oil.
To prevent ice from forming on the compressor casing.
To boil off any water from condensation in the crankcase.
Code: SKKP What is the main effect on lubricating oil of operating for long periods at excessively high temperature?
It will cause the oil to oxidise, increasing the viscosity.
It will change the flashpoint of the oil.
It will cause the oil to oxidise, reducing the viscosity.
It will cause the oil to evaporate, increasing consumption.
Code: YYRO During reassembly of a plate type heat exchanger following cleaning, the plate stack is normally compressed to a recommended thickness when tightening the tie bolts. Why is this recommended thickness given?
To prevent serious damages to the plates.
To prevent overstressing the tie bolts.
It is only a recommendation and is not really important.
To prevent distorting the backing plates.
Code: EPXN What is the best method to use to remove heavy scale and fouling from the plates of a heat exchanger?
Soak the plates in a recommended cleaning solution and then use a soft brush or pressure cleaner.
Use high-pressure cleaner with abrasive additives.
Renew the plates.
Use wire-brush, metal scrapers and chipping guns.
Code: YJMJ Is it necessary to cool the samples taken from a diesel engine cooling water system before carrying out tests to determine the concentration of treatment chemicals?
Yes, the samples should be cooled to approximately 25 °C.
Yes, the samples should be cooled to approximately 50 °C.
No, the samples should be heated to approximately 95 °C.
No, the test should be carried out at system temperature.
Code: XIWI Why may wearing sweat rags slung round your neck when working in the machinery spaces be hazardous?
The rags may be caught by running machinery or power tools.
The rags may be soaked with oil and catch fire.
The rags may cause you to get too hot and faint.
The rags may cause sweat rash.
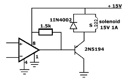
Code: ANNG Which electronic component does this graphical symbol represent?

Scheme: capacitor

Capacitor.
Transformer.
Resistance.
Temperature sensor.
Code: IHUR Which component does this graphical symbol illustrate?

Scheme: pressure indicator

Pressure indicator, installed on panel/console.
PH analyzer.
Pressure indicator, installed locally.
Pressure relief valve, self-contained.
Code: GLKF Which of the following detectors would you choose for measuring the torque of a steel shaft?
Strain gauge.
Ultrasonic gauges.
Pyrometer.
Synchro.
Code: LJBE What is a ZENER BARRIER?
A zener barrier is a unit made to obtain intrinsic safety in installations for instrumentation in hazardous areas.
A zener barrier is a device used for speed regulation on electric motors.
A zener barrier is a device that allows the current to pass only one direction.
A zener barrier is a diode bridge used in rectifiers.
Code: BHSE In terms of instrumentation and measurement, what is a digital signal?
A signal with discrete levels such as 0 = “low” and 1 = “High”.
The reading of a multimeter when indicating voltage current or resistance.
A signal used by multimeters to measure resistance.
A signal indicating revolutions per minute (RPM).
Code: JUES What is the main purpose for taking diesel engine crankshaft deflections?
To check for weardown of the main bearings.
To check for weardown of the bottom end bearings.
To allow calculation of the load on each of the bearings.
To check that the shafting is in a straight line.
Code: XVIM Abdominal Thrust is the name on a technique which involves applying a series of thrusts to the upper abdomen in an attempt to force air out of a choking casualty’s lungs. How to perform this technique?
Stand behind the casualty. Clench your fist with the thumb inwards in the center of upper abdomen. Grasp your fist with your other hand and pull quickly inwards.
Remove the obstruction and restore normal breathing.
Lay casualty on a hard surface, e. g. deck, and press firmly and rapidly on the middle of the lower half of the breast bone.
Let the casualty grab a list and hang up right down for a period of minimum 5 minutes.
Code: HHWS What is the minimum number of portable two way VHF walkie talkies for use in survival craft, that should be carried onboard vessels which comply with GMDSS regulations?
3 sets.
2 sets.
1 set.
There is no requirement to carry them.
Code: MKMI What is recognized as the main hazard when entering a void space?
Lack of oxygen.
Lack of light.
Lack of mobility.
No particular hazards.
Code: OHCB What is the correct method to use for fitting a rolling contact bearing, such as a ball bearing, onto a parallel shaft?
Gently heat the bearing in an oil bath and use a bearing puller to draw it onto the shaft.
Use emery cloth on the inner ring (contact surface) of the bearing.
Use a hammer and a pipe with the same diameter as the inner bearing ring and knock the bearing onto the shaft.
Use emery cloth on the bearing surface on the shaft.
Code: BRUR Every person onboard ship has a responsibility for safety and security. General house-keeping rules should be followed. Which of the listed rules is the most important onboard a tanker?
Never carry lighters or matches on the tank deck.
Always wear safety shoes on deck.
Always use the handrails when going up or down ladders.
Always use gloves when operating portable grinders and chipping machines.
Code: CPDR What precautions should be taken for the deck covering in a steering gear room where hydraulic oil is in use?
Coat the deck with non slip paint and use duck boards provided with drainage.
Cover the deck with sawdust.
Cover the deck with sand.
No special precautions are required.
Code: JBEN What action should be taken by the watchkeeping engineer if the running machinery is operating at slightly high temperature but everything else appears ok?
It should be brought to the attention of the Chief Engineer so that remedial action can be decided upon.
It should be shutdown temporarily, allowed to cool down and then be restarted.
It should be left running until the fault develops further.
It should be stopped and serviced immediately.
Code: XTVH Select the option which best describes the primary duty of a watch-keeping engineer:
The primary duty of a watch-keeping engineer is to maintain constant surveillance of the main engine and auxiliary machinery.
The primary duty of a watch-keeping engineer is to ensure that machinery spaces are properly manned.
The primary duty of a watch-keeping engineer is to maintain constant surveillance of the steering gear.
The primary duty of a watch-keeping engineer is to maintain the ship’s speed.
Code: JYNF Why is it important that a transmitter has been correctly installed at the correct location?
The control system is depending on the best possible process signal.
It is important to have easy access to the transmitter for maintenance.
It must be easy to observe for troubleshooting.
Can be installed anywhere in the piping system.
Code: GOCO OPA-90 notification requirements:
Notify as soon as you have knowledge of any spill, or threat of a spill.
Notify as soon as you have knowledge of a spill exceeding 10 gallons of oil.
Notify only if you mean that own vessel might be tracked and charged.
Notify only if you mean that own vessel might be responsible.
Code: QXGL With reference to diesel engine ancillary system operation, which one of the given statements is true?
The normal jacket water temperature before the jacket water cooler is approximately 80 to 90 °C.
The normal temperature of the lubricating oil before the lub oil cooler is approximately 80 to 90 °C.
The normal scavenge air temperature after the charge air cooler is approximately 80 to 90 °C.
The normal temperature of heavy fuel oil after the fuel oil heater is approximately 80 to 90 °C.
Code: NBQX What is the correct understanding of the term “Bending moments” when applied to ships?
The longitudinal Bending Moment at any section within the ship is the total moments tending to alter the longitudinal shape of the ship.
All of the suggested answers.
The Bending Moments of a ship are the forces acting on the ship causing it to hog and sag.
The longitudinal Bending Moments are the forces between empty and full compartments causing the ship to bend and change shape.
Code: HLXE, SWQC What would the First Engineer require?
The First Engineer would require an inspection of the heating coils.
The First Engineer would require cleaning of the feed water tank.
The First Engineer would require the Chief Officer to keep him advised of bilge soundings.
The First Engineer would require weighing of the carbon dioxide gas bottles.
Code: CKSH, UXEF If Mouth-to-Mouth (M-T-M) ventilation by itself is unsuccessful and the casualty’s heart stops, or has stopped beating, you must perform External Chest Compression (ECC) in conjunction with M-T-M. What is the rythm when performing M-T-M in combination with ECC with one First Aider only?
15 compressions followed by 2 full ventilations.
10 compressions followed by 3 full ventilations.
5 compressions followed by 5 full ventilations.
20 compressions followed by 5 full ventilations.
Code: SGPK A safety valve is sufficient to prevent a BLEVE:
Wrong, if the valve is wrongly set.
Wrong, it depends on the product.
Wrong in all cases.
Right in all cases.
Code: NIDT When a fire breaks out in the accommodation, cargo holds or on deck, who is in charge of the fire fighting operations?
The person who is designated in the muster list.
The First Officer arriving at the scene.
The first person arriving at the scene.
The Chief Officer.
Code: FECM, GJTQ, VCWK For how long and at what speed is a fully loaded lifeboat designed to operate in calm weather?
6 knots for 24 hours.
4 knots for 48 hours.
3 knots for 24 hours.
10 knots for 24 hours.
Code: IXBH Which of the survival craft listed below is equipped with a buoyant line, not less than 50 m in length, of sufficient strength to tow a liferaft?
Rescue boat.
Lifeboat.
Life raft.
None of them.
Code: XLBJ What is the main theme of modern safety practice?
Making use of Risk Assessment as a means to improving safety.
Use the same practice that has been in place for some time.
Health & Safety at Work Act.
Consult the Chief Officer before commencing work.
Code: UNCQ What do you understand by the term “Risk Assessment”, and how would this be carried out on board?
Identify the hazards, quantify the risks, put control measures in place, monitor the work activity and review.
States than when work has a degree of risk that the work is not carried out.
Requires a great deal of preparation and involves recording everything on paper.
Code: BNEO, HYRN What is the minimum number of channels required for the portable two-way VHF’s for survival craft?
Channels 6, 13 & 16.
Channel 16 only.
Channels 16 & 12.
Channels 6, 12 & 16.
Code: PEIT Which of these weapons are widely available and commonly used by criminals and terrorists to further their aims?
Gun.
Liquid explosive.
Vehicle borne device.
Incendiary device.
Code: XGTF Ship Security Plans all look the same:
False.
True.
Code: XEXE Which of the following alternatives summarise the benefits of using high voltage on ships?
Smaller conductors, machines and switchgear.
Smaller conductors, insulators and transformers.
Smaller cables and better power factors.
More efficient transformers and electrical machines.
Code: SSXM Personnel in a high voltage switchroom smell rotten eggs. What may this indicate?
Problems with a gas (SF6) circuit breaker.
Problems with a vacuum circuit breaker.
Arcing at badly coupled bus bars.
Burning of insulation.
Code: VMSD Personnel in a high voltage switchroom smell ozone. This is likely to indicate which of the following?
Arcing at badly connected bus bars.
Vacuum circuit breaker problems.
Transformer overload.
Air circuit breaker problems.
Code: LLPA How is the condenser cooling water flow regulating valve automatically controlled in a vapour compression refrigeration system?
By the compressor discharge pressure.
By the quantity of refrigerant in the system.
By the temperature of the refrigerant after the evaporator.
By the temperature in the refrigerated room.
Code: UJDX What would be considered to be the normal service life for rolling contact bearings fitted to a large turbocharger for a diesel engine?
8 000-12 000 hours.
20 000-25 000 hours.
1 000-3 000 hours.
At least 30 000 hours.
Code: LWLR What is the main reason for keeping engine lubricating oil viscosity within recommended limits?
To ensure the strength of the oil film is sufficient to keep lubricated surfaces apart.
To reduce system pressure losses.
It is not important.
To neutralise any acids that may form.
Code: BUMG A slow speed diesel engine is fitted with a slow turning facility. How would the slow turning normally be set to operate?
It should automatically operate before the normal start sequence following an engine stopped period of more than 20 to 30 minutes when manoeuvring.
It should be manually operated before the normal start sequence following an engine stopped period of more than 10 minutes.
It should automatically operate before every normal start sequence.
It should automatically operate every 20 minutes when the engine is stopped during manoeuvring.
Code: AVPP An air compressor is being refitted in the engine room. The compressor and motor are coupled using a flexible coupling and are mounted on a common “skid” which fixed to the deck with resilient mountings. Which of the statements, from the options given, relating to the alignment of the motor and compressor is true?
Shims should be fitted between the motor and compressor feet and the skid to ensure correct vertical, horizontal and parallel alignment of the coupling halves before it is bolted up.
As long as the two coupling halves are at the same height the flexible coupling will accommodate any horizontal misalignment or difference in the gap between the coupling faces.
The compressor and motor can just be placed directly on the common skid as they will probably be closely aligned anyway.
Machines using flexible couplings and resilient mountings do not need to be aligned. That is why they have flexible and resilient elements fitted.
Code: GXQS While alongside at a repair berth a new section of seawater pipe has been fabricated in a shoreside workshop from drawings supplied by the vessel. During fitting of the pipe by ship’s engineers it is noted that the pipe is too short leaving a gap of about 8mm between the flange faces. What action should be taken to remedy this problem?
The pipe should be returned to the shoreside workshop for modification or to be remade to the correct dimensions.
The ships engineer’s should use extra long bolts and pull the flanges together.
The ship’s engineers should fit extra thick joints between the flanges to fill the gap.
The ship’s engineers should manufacture a spacer piece to fit the gap.
Code: EYFC Modern slow speed, two stroke diesel engines often have locating pins or pegs to keep the piston rings in a fixed position. Why is this arrangement used?
It avoids the risk of the ends of the piston rings being forced out by the gas pressure and catching on the scavenge ports.
It ensures the rings cannot be mixed up and that they are fitted in the correct order on the piston.
The piston ring gaps can be kept in line to control the gas pressure on each of the rings.
The piston rings are more difficult to lubricate because of the slow operating speeds and will wear more quickly if they are allowed to rotate.
Code: WLXS Large slow speed diesel engines are usually of the crosshead type and have various arrangements to deliver lubricating oil directly to the crosshead bearings and guides to ensure adequate lubrication. Why are the crosshead bearings considered differently to the other bearing in this type of engine in respect of lubrication requirements?
The running surfaces oscillate relative to each other during operation rather than rotate and therefore full film hydrodynamic lubrication is not possible.
The crosshead bearing is closer to the engine cylinder and therefore runs hotter.
The crosshead bearing is more heavily loaded than other bearings in the engine so requires more oil to keep it cool.
The lubricating oil has further to travel to the crosshead bearing and so a separate arrangement is necessary.
Code: VFTT A seawater pump requires overhaul but there are no spare wear rings for the casing and impeller. It is decided that new wear rings will be fabricated onboard using the ship’s lathe. What would be the most suitable material to use to fabricate the rings onboard?
Aluminium brass.
Zinc.
Mild steel.
Aluminium.
Code: SNWM A new cylindrical brass bearing sleeve for a pump shaft is found to be a few millimetres too long for the housing and needs to be adjusted to the correct length. Which will be the best method to use to reduce the length of the sleeve to the correct dimension?
Remove the excess length using the ship’s lathe.
Grind off the excess on a pedestal grinder for quickness.
Cut off the excess with a mechanical hacksaw.
Manually hacksaw off the excess and dress the end with a file.
Code: YADQ What is the anticipated rolling period of a ship with a large initial Transverse Metacentric Height (GM) and would there be any associated dangers to consider?
Short sharp period of roll associated with breaking lashings and shifting cargo.
Long slow roll and no particular hazards.
Short period of roll, but a very stable ship and no associated dangers.
Long period of roll with free surface effects at a maximum.
Code: JLHM During maintenance of a piston rod stuffing box on a large, slow speed diesel engine it is usual to measure the butt gaps between the sealing ring and scraper ring segments. What would be the effect of these gaps being too small?
If the gaps are too small they could close due to the radial wear of the rings before the next scheduled overhaul preventing the rings from contacting the piston rod and sealing it.
If the gaps were too small then no oil could pass up the piston rod to lubricate the sealing rings.
If the gaps are too small the rings could score the piston rod.
If the gaps are too small then the flow of scavenge air through the gland would be reduced and the gland would overheat.
Code: YMJJ With the set point at the actual desired value, a temperature control system is giving an unacceptably large offset (difference between set point and measured value) on high load resulting in a low system temperature. Which of the actions given in the options should be taken to reduce this effect and therefore achieve closer control of the temperature?
Reduce the width of the proportional band for the controller.
Increase the width of the proportional band for the controller.
Crack open the manual bypass valve for the control valve.
Increase the set point to a value above the actual desired value.
Code: PYLL A vapour compression refrigeration system is usually fitted with a number of devices to give protection and control of the system. Which of the methods given in the options should be used to test the high pressure cut out during routine maintenance and checking of the system?
Gradually shut in the condenser cooling water valve or the condenser refrigerant inlet valve while closely monitoring the compressor discharge pressure.
Manually close each of the evaporator coils by switching off the electrical supply to the liquid line solenoid shut off valves and monitor the condenser pressure.
Close the condenser outlet valve and closely monitor the condenser pressure.
Charge the system with refrigerant until the high pressure cut out operates.
Code: MRSN Some large slow speed diesel engines have jack bolt arrangements for retaining the main bearing top keep in place rather than the more conventional stud bolts. How does this arrangement affect the maintenance and checking procedures for the tie rods on the engine?
The tie rods should be fully tensioned before the jacking bolts are loaded to avoid overload of the bearing caps and frame structure.
It has no effect since the tie rods and jacking bolts have completely separate functions.
The tie rods and jacking bolts must be tightened simultaneously to avoid excess load on either component.
The jacking bolts should be fully loaded before the tie rods are tensioned to avoid excess loads on the tie rods.
Code: JYTJ When checking the closed butt gap clearance of new piston rings prior to fitting onto the piston it is normal to try the rings in the liner so that the gap can be measured. From the options given select the best part of the liner to use to carry out these checks.
Near the bottom of the liner.
Near mid-height of the liner.
Near the top of the liner.
Just above the scavenge ports.
Code: IKGN With reference to the installation of pressure gauges for steam systems. Complete the following statement from the options given. To protect a bourdon tube type pressure gauge which is to be fitted to a steam line it should:
Be fitted with a siphon loop between it and the steam pipe.
Have its casing filled with water.
Be fitted to the steam pipe using a flexible hose.
Be fitted directly to the steam pipe.
Code: FXNN During maintenance of a pneumatically operated, diaphragm actuated control valve the diaphragm is found to be split. Select, from the options given, a suitable material to use to make a temporary replacement if there is no spare diaphragm available.
Natural rubber sheet of approximately the same thickness and elasticity as the original diaphragm material.
Natural rubber sheet of greater thickness and lower elasticity as the original diaphragm material.
Cotton reinforced rubber insertion sheet of smaller thickness but similar strength as the original diaphragm material.
Cotton reinforced rubber insertion sheet of approximately the same thickness but less elasticity than the original diaphragm material.
Code: TNPQ A standard outside micrometer requires regular maintenance, including calibration, in order to ensure accuracy of measurement. How is the accuracy of this type of instrument normally checked? Select the answer from the options given.
By measuring a standard gauge block or rod at a common temperature.
By checking the distance between the micrometer anvil and spindle with an inside micrometer.
By checking the distance between micrometer anvil and spindle with an inside vernier gauge.
By trying a go/no go gauge between the micrometer anvil and spindle at maximum opening at a common temperature.
Code: UNUM What would be the correct form of response to the question: “What is the visibility in your position?”
Visibility in my position is two hundred meters.
Visibility is poor.
Visibility is okay.
Visibility is medium.
Code: UKSI What would be understood by the message “A yacht has capsized in heavy seas”?
The message means the yacht has been overturned in heavy seas.
The message means the vessel is taking in water.
The message means the yacht has lost its Captain in heavy seas.
The message means the vessel is experiencing heavy seas and may need assistance.
Code: WTTL Why are accommodation spaces separated from the remainder of the ship by thermal and structural boundaries?
To provide means of escape for the passenger and crew.
To increase effectiveness of the air-conditioning in the accommodation.
So that passengers can stay in the accommodation in case of fire in the engine room.
Code: Pipy8flZ A portable oxygen analyser for use onboard ship is of ther paramagnetic sensing element type. It is being used to test the atmosphere of a space onboard ship but starts to give erratic readings. There is no obvious indication as to why this is happening. Select from the options given the most likely cause of this problem.
The sampling filter is partially blocked giving rise to wide pressure variations in the sampling chamber.
Nitrogen gas is present in the atmosphere.
The sampling filter is blocked preventing gas from entering the sampling camber.
The battery power is low.
Code: u14aXjS8 In relation to OPA-90, which of the following statements is correct?
COTP-zones may have additional rules and regulations.
After implementation of OPA-90 there are no area specific rules and regulations.
OPA-90 specify all oil cargo related rules and regulations.
OPA-90 specify rules and regulations for all COTP-zones.
Code: #fDBaLBe Which of the following conditions could result in the exhaust from a diesel engine being dark coloured?
Some or all of the cylinders overloaded.
Water in the fuel.
Fuel injection pump timing too advanced.
Low charge air temperature.
Code: qmnHOBsh Consider a vessel with a 6 cylinder main diesel engine operating with one cylinder out of operation. What would you expect to be the approximate maximum reduced engine load to allow safe emergency operation in this condition?
Approximately 70 % of MCR.
Approximately 90 % of MCR.
Approximately 50 % of MCR.
Approximately 30 % of MCR.
Code: #G$MMSZ$ Why is it important to have good a relationship between the crew on board a vessel?
It leads to better work performance and positive atmosphere among the crew.
It encourages crew to extend their contract.
Crew comes to know each others problems.
It will prevent accidents from happening.
Code: ZW4gNt2a With respect to the ISM, what training in addition to lifeboat and fire drills must be carried out?
Familiarization, and other drills identified as necessary by the ship.
Bridge Team Management.
The boat drill and fire drill should be adequate to meet your needs.
Mooring operations.
Code: 6Sj0oih2 Occasionally the tie rods on a large slow speed diesel engine may fail in service. The mode of failure is usually a complete fracture of the tie rod due to excessive fatigue stress. Select, from the options given, the features of the surface of the fracture that would confirm a fatigue failure.
Part of the fracture surface would be uneven but smooth (burnished) with the remainder crystalline with part “cup and cone” shape.
The surface of the fracture would be serrated in appearance and at right angles to the axis of the tie rod.
The surface at the fracture would be crystalline in appearance with a full “cup and cone” shape.
The surface of the fracture would be crystalline in appearance and at an angle of approximately 45 degree to the axis of the tie rod.
Code: LytHUgKO When reasonable and practicable, how often shall rescue boats be launched with their assigned crew aboard and manoeuvred in the water?
Every month.
Every week.
Every two weeks.
Every six months.
Code: B7Nkne#s What are the main elements for Process Control?
Process, Sensor, Final control element and Controller.
Resistor, Capacitor, Battery, Load.
Sensor, Modulation, Controller, Process.
Sensor, Controller, Noise, Final Control Element.
Code: iweAX50Y One cylinder of a diesel engine is operating with a high exhaust gas temperature. From the options given, select the one most likely to cause this condition.
Fuel injection valve opening pressure is too low.
The charge air is delivered to the engine at too high a temperature.
Water leakage into the cylinder.
Cylinder lubricating oil supply rate to the engine is excessive.
Code: wHgAZT5j How often are “abandon ship” drills required to be held on cargo vessels according to SOLAS?
Once every month.
Once every week.
Once every year.
Once every 6 months.
Code: Lv4qlAk8 The main propulsion diesel engine is normally started by direct admission of compressed air. Which one of the following statements is correct?
A heavily leaking starting air valve may cause an explosion in the starting air pipe system.
If the starting air pressure is too low a pressurized oxygen bottle from the welding equipment can be used for an emergency start of the engine.
If the engine does not turn when the starting air is applied the turning gear can be used together with the starting air to start the engine.
The starting air admission should continue until the engine has fired.
Code: ERktB39u What would be a typical value for the set point for shut down of a large 2-stroke diesel engine due to thurst bearing high temperature?
85 °C.
105 °C.
65 °C.
125 °C.
Code: 5lc7cVji As per SOLAS regulations, the general emergency alarm system must be tested:
Every week.
Every 2 weeks.
Every 3 weeks.
Every month.
Code: Al9pfxv# Part of the outer surface of a refrigeration compressor crankcase and the refrigerant return line near the compressor ice up heavily during normal operation. Which of the options given is the most likely cause of this problem?
The superheat control setting for the thermostatic expansion valve is set too low.
The seawater flow control valve for the condenser is faulty allowing insufficient cooling water flow.
The filter drier unit in the liquid line is partly blocked.
The oil separator is not functioning correctly and is allowing lubricating oil to pass into the system.
Code: IOh0SH$1 An indicator card from a cylinder of a slow speed diesel engine shows a high maximum pressure occuring earlier in the cycle than normal with a normal compression pressure. From the options given, which action is most likely to identify the cause of the problem?
Check if the fuel injection pump timing is correct.
Check if the fuel viscosity and temperature are correct.
Check if the fuel injection valve is partly blocked.
Check if the fuel filters are blocked.
Code: QQiP4tS0 What is SOPEP?
A Shipboard Oil Pollution Emergency Plan.
A Ship-Owners Permitted Entry Plan.
A Shipboard Oil Pollution Exemption Procedure.
A Seafarer’s Offical Pension and Employment Payment scheme.
Code: RJKc7DjV How often should the lifeboat wire falls be turned and renewed?
Turned at intervals of not more than 30 months and renewed every 5 years.
Turned every 2 years and renewed every 4 years.
Turned every 30 months and needs only to be renewed if the wire is in poor condition.
Renewed every three years.
Code: FWVvMpch Which personnel must undergo familiarization training on board?
Everyone.
Only the ratings.
Only the deck officers.
Only catering staff.
Code: mW$XSMiT How long after starting a refrigeration compressor should the oil separator return valve be opened?
It should be opened once the oil separator unit has warmed up.
It should be opened before start up.
It should be opened one minute after start up.
It should be opened only when the crankcase oil level is low.
Code: TS$TiJWe Shipboard Emergency Drills must be carried out at least (OPA-90):
Once a month.
Once every six months.
Once a year.
Once a week.
Code: uVrQjw0y Most fuel oil separators working on the centrifuge principle have an automatic start up and sludging facility. Which of the following actions would you expect to occur first during the start up sequence?
Operating water supplied to bowl to close it.
Operating water drained from bowl to open it.
Sealing water supplied to bowl to prevent carry over.
Fuel oil supplied to bowl to fill it.
Code: 0k5CvzQz To avoid overbunkering and oil spill, it is very important that we closely monitor the progress of the bunkering operation. What is the safest method to use to minimise the risk of overflow and spillage?
Continuously monitor remote guage readings and confirm with regular sounding of the fuel tanks.
Use the predicted loading rate to calculate how much oil is being received.
The remote gauge system will provide us with the necessary information.
Open all the bunker tank lids to manually watch them filling.
Code: cjhOeTwY What does the term “stoichiometric mixture” mean when used in relation to combustion of hydrocarbon fuels?
An ideal mixture of fuel and air in which all of the fuel and oxygen in the mixture are consumed during combustion.
A ideal mixture of fuel and air in which all of the fuel in the mixture is consumed during combustion.
A ideal mixture of fuel and air in which all of the oxygen in the air in the mixture is consumed during combustion.
An ideal mixture of fuel and air in which all of the fuel in the mixture is consumed during combustion with a minimum of excess air.
Code: TS$eO9nC To maintain good relationship among the crew on board a vessel, one must be:
Understanding, Co-operative, and have respect from both sides.
Give authority to others.
Polite and diplomatic while talking to crew members.
Strict and authoritative while giving orders.
Code: #J$AQF3E Which of the following is a cause of loss of electrolyte in a battery cell?
Over voltage, over charge or faulty charger.
Decompression of cell.
High temperature during charging.
All of the above.
Code: dA2VP#ek In large 2 stroke diesel engines with oil cooled pistons it is normal practice to maintain circulation of the cooling oil for a period after the engine has stopped. Why is this done?
To remove residual heat from the pistons and avoid any coking of the trapped oil.
To allow the piston cooling oil pump and motor to cool down gradually.
To allow the piston cooling oil to cool down.
To help keep the engine warm.
Code: yP3Zy1$5 Power is available at a three-phase motor starter but nothing happens (at starter or motor) when the start button is operated. Which of the following is a likely cause?
Faulty contactor coil.
Faulty overcurrent relay.
Motor cable undersized.
Open circuit in one of motor cables.
Code: Oy0ZLTun Which one of the options given is the most likely cause of a diesel engine failing to turn on air when the start signal is initiated?
An interlock or blocking device in the remote starting system is operating.
Slight leakage at the indicator cocks.
Start air compressor has cut out due to sufficient pressure in system.
Auxiliary blower is operating.
Code: 4wNWbBOy In what language/languages must the fire control plans or booklets (or copies of these) be written?
In the Flag State official language with copies in English or French.
In the English language.
In a national language where company head office is located.
In the Flag State official language.
Code: ykGLKv81 When work must be done on High Voltage equipment, it is vital that the equipment is earthed (grounded) after isolation procedures have been carried out. Why is this so?
To ensure that no energy remains in the system and that it cannot be recharged by external influences.
To provide a reference point, and so ensure accuracy of any test results.
To ensure that the equipment does not overheat due to currents circulating through earth (ground).
To ensure that it is dead, even if there was a flaw in the isolation procedure.
Code: SW6z7Yjh A vessel is scheduled to enter a SECA during a forthcoming voyage? What additional considerations must a Chief Engineer take into account when planning for this voyage?
The availability of low sulphur fuel and the change over time required to ensure the system is clear of normal fuel prior to entry into the SECA.
That the incinerator is shut down for the duration of the time the vessel is in the SECA.
That there is sufficient room in the bilge holding tank to ensure no discharges of machinery space bilges takes place while the vessel is in the SECA.
That all garbage is fully disposed of prior to entry into the SECA and suitable arrangements are made for retention while in the SECA.
Code: RtfbR3UB How should the spare oxygen and acetylene gas welding bottles be stored onboard the ship?
In two separate rooms outside the engine room space.
In a refrigerated room.
In the steering flat.
In the workshop in the engine room as close as possible to welding equipment.
Code: #F5tqPCi Which of the following symptoms would indicate that the filter drier in a refrigeration circuit has become blocked?
A large temperature drop across the drier.
A pressure rise before the drier.
A hammering noise from the compressors.
A hammering noise from the drier.
Code: AmpDMESh When performing electrical testing of a three phase motor, insulation resistance measurements may be influenced by which of the following?
Temperature, humidity and surface contamination.
Temperature, pressure and dampness.
Humidity, pressure and surface contamination.
Humidity, frequency and dampness.
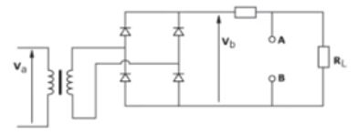
Code: pAeUht2W The circuit shows a full-wave bridge rectifier. Which electronic component should connected between “a” and “b” in order to obtain reduced ripple voltage to the load RL.

Full-wave bridge rectifier

Capacitor.
Inductive reactor.
Resistance.
Zener diode.
Code: P0pmEf1E The operation of a diesel engine is controlled by a mechanical-hydraulic, compensated speed sensing governor. How will the governor control be affected if the compensation needle valve is closed in and the engine load changes?
Engine speed control will be sluggish.
A change in load will not affect a speed sensing governor.
Altering the compensation needle valve has no effect on speed control.
The governor will hunt resulting in erratic engine speed control.
Code: hbydSJDu Worn piston rings are allowing a small amount of piston blow-by on a 2-stroke main diesel engine cylinder, but due to the circumstances, it is not possible to stop and do a piston overhaul. What is the correct, temporary action to take?
Increase cylinder oil feed rate slightly and monitor the scavenge space drains.
Reduce speed.
Continue to operate the engine as normal.
Increase cylinder oil feed rate to the maximum.
Code: JMK9mNid When carrying out repair or maintenance tasks involving hot work a hot work permit must be issued. Select the correct option from those given which completes the following statement. “The permit for hot work”:
Should only cover specific hot work tasks and be valid for a specified time period.
Should only cover specific hot work tasks, be valid for a specified time period and be issued by the person carrying out the work.
Can cover any additional hot work that arises during the completion of the task during the specified time period.
Is valid for completion of the specific hot work tasks irrespective of the time taken.
Code: 0UFWRiUR A power card from a slow speed diesel engine cylinder is abnormal with a low height and the body of the diagram thicker than normal. What is the most likely cause of this?
Fuel timing is retarded.
Scavenge pressure is too high.
Fuel timing is advanced.
Partially blocked fuel injection valve.
Code: GI5Ppg4g What type of generation and distribution system is used for high voltage system?
3 phase, 3-wire neutral earthed.
3 phase, 4-wire insulated.
Single phase, 2-wire neutral earthed.
3 phase, 3-wire insulated.
Code: ftZRwXUd Which cell voltage is required to trickle charge a lead acid battery?
2,15 V.
2,5 V.
2,0 V.
1,2 V.
Code: K92DQ4G3 The figure shows a silicon controlled rectifier with a RC circuit connected in parallel. What is the purpose of the RC circuit?

Silicon Controlled Rectifier

Protect the SCR against damage caused by fast high voltage spikes.
Measuring the current through the SCR.
Obtain current resonance.
Provide a controlled time delay for the SCR trigger pulse.
Code: yjFiN5Jn What is meant by Ingress protection “IP56”?
Dust protected, protection against heavy seas.
Dust tight, protected against water jets from all direction.
Non protected against any solid objects or dust, protected against heavy seas.
Dust tight, protected against submersion.
Code: mRLRiV20 A water heating system with automatic temperature control uses steam as the heating medium and the temperature is controlled by a pneumatically operated valve. What would be an acceptable start up procedure of the system from cold state?
Start the system up in manual mode and gradually increase the controller output signal until the temperature reaches the required value before changing over to automatic control.
Start the system up in automatic mode with normal set point but with the steam supply to the control valve manually throttled in.
Start with the control valve in manual and use the hand jack to gradually increase the temperature by throttling the steam flow before changing to pneumatic control.
Start the system up in automatic mode with normal set point so that the required temperature is achieved as quickly as possible.
Code: 5mmo5K8L What should be the status of the suction and discharge valves when starting a centrifugal pump?
Suction valve open and discharge valve closed.
Suction valve closed and discharge valve open.
Both valves open.
Both valves closed.
Code: l$8#3u$r Telephones are being used to communicate between personnel onboard and ashore during a bunkering operation. What instruction would you give to ship personnel regarding action to take in the event of failure of the telephone communication during the operation?
Stop the bunkering until alternative reliable communications are established.
Call the electrician, and get hig to repair the telephone while the bunkering operation continues.
Slow down the bunkering rate until alternative reliable communications are established.
Use a crewmember as a messenger between personnel involved in the operation.
Code: KI515tpJ Which two persons check the Declaration of Security? Select the correct pairing.
The Company Security Officer and the Port Facility Security Officer.
The Port Facility Security Officer and the Ship Security Officer.
The Company Security Officer and the Ship Security Officer.
The Local Coast Guard Officer and the Port Facility Security Officer.
Code: 5775sVgb What percentage of the ship’s stores are required to be inspected at Security Level 3?
25-50 % of the ship’s stores are required to be inspected at Security Level 3.
50-80 % of the ship’s stores are required to be inspected at Security Level 3.
100 % of the ship’s stores are required to be inspected at Security Level 3.
5-20 % of the ship’s stores are required to be inspected at Security Level 3.
Code: tYI0nbNu A draw card obtained from a cylinder of a large 2 stroke diesel engine shows that bothe cylinder compression and maximum pressures are low. Cards from other cylinders indicate normal operation. What is the likely cause of this problem?
Faulty cylinder component (piston, rings, liner, etc.).
Excessive cooling of the charge air.
Faulty high pressure fuel pump.
Faulty turbocharger.
Code: N8zFzHfi During inspection of a cylinder liner for a large, slow speed diesel engine it is found to be worn in a cloverleaf pattern. The greatest points of wear are found to be in way of the cylinder lubricator holes. From the options given, what is the most likely cause of this type of wear pattern?
Cylinder lubricant has too high an alkalinity for the sulphur content of the fuel.
Excessive cooling of the cylinder liner at low load operation.
Fuel impingement on the liner due to faulty fuel injector nozzle.
Insufficient cylinder lubricating oil being supplied.
Code: a3fdtxox A transformer, rated at 22 kVa, 440/220 Volts, 60 Hz, is used to step down the voltage for a lighting system. The low tension voltage is to be kept constant at 220 Volts. What load impedance connected to the low-tension side will cause the transformer to be fully loaded?
22 Ohms.
0,22 Ohms.
2,2 Ohms.
220 Ohms.
Code: c#1vHLR A viscosity controller for the main diesel engine fuel oil supply is giving poor control resulting in the viscosity of the fuel oil being too low at the engine. Which of the defects given in the options is likely to be the cause of this problem?
Capillary tube in the viscometer is blocked giving high differential pressure at the DP cell.
The air supply pressure to the controller for controlling the steam valve for steam to the fuel heater is too low.
The bellows in the DP cell is ruptured giving no differential pressure signal.
The drive for the internal sample pump for the viscometer has sheared.
Code: QC#ltmS The pressure delivered by a gear type fuel oil transfer pump suddenly reduces from 5 bar to 4 bar during transfer. From the options given, select the most likely cause of this occurrence.
The oil tank from which the oil is being transferred is empty.
The pump gears and casing have become worn.
The pump drive has sheared.
Part of the pump relief/recirculation valve spring has broken off allowing the valve to open further.
Code: U65aAECn Some ships generate electrical power at 440 Volts, but then step up this voltage to supply specific electrical equipment. One common example, may be to feed a large bow thruster. Why is this done?
A large bow thruster will draw very large currents at low voltage. Being typically remote from the generator, significant voltage drops would occur at low voltage.
The overall ship’s electrical load does not justify High Voltage generating plant. This method allows more power to be delivered to the bow thruster a low running cost.
The shipyard could not purchase High Voltage generating plant at the time of manufacture, so they used what was available at the time.
Manufacturers can supply High Voltage bow thrusters at less cost, and the power factor is improved.
Code: VfjRKaHr For a large 2-stroke diesel engine, what would be a typical set point for the low pressure shut down for the lubricating oil inlet to the main bearings?
0,1 bar.
10,0 bar.
5,0 bar.
1,0 bar.
Code: 5#EeeT1M Prior to the lunch break, the Engineer on Duty observes that the operating generator set has an output of 90 %. With regard to operation of the generator, what is the – most important – assumption(s) for him to check before switching to UMS-mode?
That a secondary auxiliary set is switched to automatic standby mode.
All parameters as listed under the other alternatives.
That all operating parameters of the generator set in operation are normal (eg exhaust temp, lubeoil pressure, cooling water temperature etc.).
Visually checking the auxiliary engine that there are no leaks or other obvious operating failures.
Code: tU9avD3k What should the expansion valve superheat setting be in order to get the best possible efficiency from a refrigerator evaporator?
-18 °C.
5-10 °C.
40-50 °C.
25-30 °C.
Code: VzJRQNp1 How can a lead-acid type battery be checked to confirm if it is fully charged or not?
Measure the relative density (specific gravity) of the electrolyte.
Measure the level of the electrolyte.
Measure the temperature of the electrolyte.
Measure the battery voltage.
Code: j1cSP7rr What should be the healthy continuity resistance of a 220 V, 2,2 kW, 10 A heating element, when checked near to it’s rated operating temperature?
220 Ohms.
22 Ohms.
0,1 Ohms.
10 Ohms.
Code: 1TUWDQGp The muster list shall show the duties assigned to the different members of the crew. Which of the given duties necessarily have to be included in the muster list?
Preparation and launching of survival crafts.
Type of fires that can be encountered on board.
Preparation and starting of emergency generator.
Clearing escape routes.
Code: 9M5mQ2EN The mandatory color of a hand flare is:
Yellow.
Green.
Red.
White.
Code: dSXqtVus A diesel engine is operating with retarded fuel timing resulting in increased exhaust gas temperatures. How would you expect this to affect the turbocharger?
Increased turbocharger revolutions.
The turbocharger would operate normally.
Decreased turbocharger revolutions.
Reduced air and gas temperature after turbocharger.
Code: zwWjM7PC Which alternative is correct for measuring current through the load L?

Electric scheme

Figure 1.
Figure 3.
Figure 2.
Figure 4.
Code: eos836sM A tachometer for a diesel engine is reading erratically. The tachometer is of the non-contact type using magnetic proximity switches to generate the signal. What is the most likely cause of this problem?
The proximity switch is loose on its mounting.
The shaft magnet has fallen off.
The shaft magnet has become demagnetised.
The proximity switch has dirt on the outside casing.
Code: #n8HrTYY In many cases the ship’s Chief Engineer can carry out survey of machinery on behalf of a Classification Society under arrangements covering Continuous Surveys. As part of this arrangements a Surveyor from the Classification Society must carry out a periodic audit of the documentation for the approved planned maintenance system and undertake a confirmatory survey of the items surveyed. What is the normal frequency for this audit?
Annual.
Bi-annual.
Every 4 years.
Every 5 years.
Code: y91QROvX An Oil Record Book, Part 1, shall be provided to every ship of 400 tons gross tonnage and above to record machinery space operations. Out of below mentioned operations, it is compulsory to record:
Discharge of water from Aft, Peak Tank.
Transfer of oil from settling – to daytank.
Bunkering of bulk lubricating oil.
Purification of HFO.
Code: Zd7ecWJZ The instrument air system is suffering from excess water carry over to the instrument air lines. The air intake to the compressor has very high humidity. Which of the actions given in the options will most likely result in reducing this problem?
Reduce the superheat setting on the instrument air refrigeration/dryer unit.
Shorten the time between automatic receiver drain blow downs.
Use an additional coalescer filter in the inlet to the instrument air filter system.
Increase the cooling water flow through the compressor intercooler and aftercooler.
Code: Ocmu1psV What is the result of an “unusually large metacentric height”?
The vessel will roll violently.
The vessel will roll slowly or be unstable.
The vessel will have a great bending moment.
The vessel’s tweendeck heights is too high.
Code: p9XBG4de The pressure in the fresh water cooling system for a diesel engine is fluctuating while the engine is running. When the engine is stopped the pressure is steady. What is the likely cause of this problem?
The engine has a cracked cylinder liner or cylinder cover.
The fresh water circulating pump is damaged.
The temperature in the fresh water cooling system is too low.
The fresh water expansion tank is empty.
Code: mTH11RbE When trying to reverse a large slow speed diesel engine in the astern direction it cannot be turned on air even though it will start in the ahead direction. What is the likely cause of this problem?
The start is blocked because the air distributor has not moved to the astern position.
One of the cylinder air start valves has stuck open.
The automatic valve for the air start system has jammed shut.
The reversing servo for the fuel pumps has stuck in the ahead position.
Code: SL#ZLcmx A vessel which normally operates with the engine room in UMS mode is unable to do so because of defects to some of the critical alarm functions. What are the main considerations that the Chief Engineer must take into account when planning alternative arrangements to cover the engine room requirements until the defects are cleared?
A work rota is established to ensure full coverage of engine room watchkeeping duties and adequate rest periods for the engineering staff.
A work rota is established to ensure that normal routine maintenance is carried out on time in accordance with the planned maintenance schedule.
A work rota is established to ensure at least one person is in the engine room at all times while the defects exist.
A work rota is established to ensure that the necessary repairs can be carried out as soon as possible.
Code: DaF4pY1i A two step controller (open/close) has failed and the only available spare controller is a P+I controller. Select, from the options given, how the P+I controller could be set up to achieve approximate two step control.
Set the proportional band to minimum width and the integral action to maximum (repeats per minute).
Set the proportional band to maximum width and the integral action to maximum (repeats per minute).
Set the proportional band to minimum width and the integral action to minimum (repeats per minute).
Set the proportional band to maximum width and the integral action to minimum (repeats per minute).
Code: lvJ6KQPW In a closed loop control system the error signal is derived from which of the following?
The demand and the feedback signal.
The process and the demand.
The tolerance of the feedback sensor.
The process and the feedback sensor.
What is the main reason for routine testing of the cooling water in a diesel engine cooling system?
To ensure that the correct levels of chemical treatment are maintained at all times.
To check for the presence of oil contamination in the cooling system.
To ensure the water temperature remains within operating limits.
To detect leaks in the cooling system before they become critical.
What is the correct method to be used to obtain a reduced output from a centrifugal pump?
By throttling of the pump discharge valve.
By reducing the speed of the pump motor manually.
By closing the suction valve partially.
By increasing the back pressure in the discharge line.
What information is required to evaluate the condition of a heat exchanger during operation?
Inlet and outlet temperatures and pressure drops across the heat exchanger for both fluids.
The flow rate of only one of the fluids and its inlet temperature.
The type of fluid used and the ambient temperature of the room.
The operating pressure of the system and the material of the heat exchanger plates.
Why is it necessary to carry out routine tests of the water in a diesel engine cooling water system?
To check that the correct concentration of corrosion inhibitors are maintained.
To ensure the cooling water is free from any oil contamination.
To verify that the water level remains constant during operation.
To check the water color and appearance for unusual signs.
How often should water testing of a diesel engine cooling water system be carried out to check treatment levels and water condition during normal engine operation?
Once a week.
Once a month.
Every three days.
Every time the engine is started.
With two alternators running in parallel, and one is to be disconnected. The first step is to:
Remove the load from the alternator to be stopped.
Open the circuit breaker for the alternator to be stopped.
Adjust the voltage of the alternator to match the running alternator.
Shut down the engine driving the alternator immediately.
A 450 volt 3 phase brushless alternator will have the following combination of items mounted on the rotor:
Main armature winding/rectifier bank/field winding.
3 phase excitation winding/rectifier bank/main field winding.
Stator winding/brush assembly/rectifier bank.
Excitation winding/commutator/main field winding.
In accordance with SOLAS and other international regulations, certain important machinery functions, such as operation and control of the steering gear and propulsion machinery, must be tested at specified times. When should these tests be carried out?
Prior to arrival and departure from port and following maintenance.
Only during scheduled dry-dock inspections.
At the start of each voyage, regardless of port calls.
Once a month as part of routine checks.
A ship has a medium speed engine and a controllable pitch propeller propulsion system. What would the propeller pitch normally have to be at to allow starting of the engine?
Zero.
Full ahead.
Full astern.
At a preset intermediate value.
According to basic principles regarding fire protection, the ship is to be divided in zones by structural and thermal boundaries. (SOLAS II-2/2.2.1)
In main vertical zones.
In horizontal decks only.
Around the machinery spaces only.
In watertight compartments only.
How is the activation of any detector or manually operated call point of fixed fire detection and fire-alarm systems to be indicated? (SOLAS II-2/13.1.4)
By visual and audible signal at the control panel and indicating units.
By a flashing light at the alarm location only.
By a continuous audible alarm in the affected zone.
By an automatic fire suppression system activation alert.
After water-washing the turbocharger exhaust side it starts to vibrate even though it was operating normally prior to the washing procedure. What is the most likely cause of this problem?
The rotor blades are damaged or the blades are not properly cleaned.
The bearings are not properly lubricated after the cleaning procedure.
There is insufficient exhaust gas pressure due to a leak in the exhaust system.
The turbocharger is over-speeding due to a clogged intake filter.
In the event of a severe scavenge fire, which of the following is most likely to be seriously damaged?
Turbocharger bearings and seals.
Piston rod and stuffing box.
Exhaust valves and valve seats.
Crankshaft and connecting rods.
What shall you do if you see a person falling into the sea?
Throw a lifebuoy overboard and report to the bridge immediately.
Shout «Man overboard» and continue your work.
Use the emergency radio to call for help and wait for instructions.
Attempt to rescue the person yourself without informing anyone.
After main power is restored (following a blackout), a timed sequential restart of motor-driven auxiliaries is necessary to avoid:
Generator overload due to many motors starting simultaneously.
Excessive fuel consumption due to high simultaneous load.
Damage to electrical components from high inrush currents.
Insufficient cooling of the electrical system during restart.
A motor is protected by a thermal overcurrent relay. After tripping on overload it will not be possible to reset the overcurrent relay immediately because the:
Bimetallic strips need time to cool down.
Relay contacts require time to reset themselves.
Motor windings need time to cool before reactivation.
Fuse must be replaced before the relay can reset.
A delta connected 3-phase AC induction motor is running normally at its rated current of 150 A when a single phasing fault (open circuit) occurs in one line. The likely outcome will be:
Line currents: 0 A, 180 A, 180 A. Trip condition: trip on overload.
Line currents: 150 A, 150 A, 150 A. Trip condition: trip on earth fault.
Line currents: 150 A, 150 A, 0 A. Trip condition: trip on earth fault.
Line currents: 0 A, 0 A, 150 A. Trip condition: trip on short circuit.
Generators work on the principle of electromagnetic induction. The internal e. m. f. generated in the phase windings of an a. c. generator is controlled by:
The diesel speed and excitation current.
The load on the generator and the frequency of the supply voltage.
The temperature of the generator windings and the engine cooling system.
The phase angle of the generator and the voltage regulator settings.
Which of the following would be considered pollution, when discharged overboard, under the US water pollution laws?
Oil and oily mixtures.
Sewage and garbage.
Chemicals and ballast water.
All of the mentioned.
Why are crankcase heaters fitted to some refrigeration system compressors?
To prevent refrigerant condensing in the crankcase when the compressor is stopped.
To maintain a stable temperature in the compressor during operation.
To increase the efficiency of the compressor during startup.
To reduce wear and tear on the compressor seals.
What is the main effect on lubricating oil of operating for long periods at excessively high temperature?
It will cause the oil to oxidise, increasing the viscosity.
It will cause the oil to lose viscosity, reducing lubrication efficiency.
It will result in the formation of foam, which may damage engine components.
It will cause the oil to become excessively thin, leading to increased engine wear.
During reassembly of a plate type heat exchanger following cleaning, the plate stack is normally compressed to a recommended thickness when tightening the tie bolts. Why is this recommended thickness given?
To prevent serious damages to the plates.
To ensure a correct and uniform seal between the plates.
To increase the efficiency of heat transfer between the plates.
To allow for thermal expansion during operation.
What is the best method to use to remove heavy scale and fouling from the plates of a heat exchanger?
Soak the plates in a recommended cleaning solution and then use a soft brush or pressure cleaner.
Use a metal scraper to remove the scale manually.
Blast the plates with sand or abrasive materials.
Use a high-temperature steam jet to dissolve the fouling.
Is it necessary to cool the samples taken from a diesel engine cooling water system before carrying out tests to determine the concentration of treatment chemicals?
No, the samples can be tested at any temperature.
Yes, the samples should be cooled to approximately 25 °C.
Yes, but they should be cooled to 50 °C to ensure accuracy.
No, only the sample volume matters, not the temperature.
Why may wearing sweat rags slung round your neck when working in the machinery spaces be hazardous?
The rags may be caught by running machinery or power tools.
The rags may absorb hazardous chemicals and cause skin irritation.
The rags may block your vision and hinder your ability to work safely.
The rags may increase the risk of heat exhaustion due to poor ventilation.
Which electronic component does this graphical symbol represent?

Capacitor.
Resistor.
Inductor.
Diode.
Which component does this graphical symbol illustrate?

Temperature gauge, mounted on equipment.
Pressure indicator, installed on panel/console.
Flow meter, inline installation.
Which of the following detectors would you choose for measuring the torque of a steel shaft?
Strain gauge.
Pressure transducer.
Thermocouple.
What is a ZENER BARRIER?
A zener barrier is a unit made to obtain intrinsic safety in installations for instrumentation in hazardous areas.
A zener barrier is a device used to increase voltage levels in high-power circuits.
A zener barrier is an electrical filter designed to eliminate noise in communication systems.
In terms of instrumentation and measurement, what is a digital signal?
A signal with discrete levels such as 0 = «low» and 1 = «High».
A continuously varying signal that represents analog data.
A signal that combines analog and digital characteristics simultaneously.
What is the main purpose for taking diesel engine crankshaft deflections?
To measure the temperature of the crankshaft.
To check for weardown of the main bearings.
To verify the alignment of the connecting rods.
Abdominal Thrust is the name of a technique which involves applying a series of thrusts to the upper abdomen in an attempt to force air out of a choking casualty’s lungs. How to perform this technique?
Stand behind the casualty. Clench your fist with the thumb inwards in the center of the upper abdomen. Grasp your fist with your other hand and pull quickly inwards.
Stand in front of the casualty. Place both hands on the shoulders and push backwards firmly.
Kneel beside the casualty and press firmly on the chest to expel air from the lungs.
What is the minimum number of portable two way VHF walkie talkies for use in survival craft, that should be carried onboard vessels which comply with GMDSS regulations?
5 sets.
3 sets.
2 sets.
What is recognized as the main hazard when entering a void space?
Lack of oxygen.
Exposure to toxic chemicals.
High temperature and humidity.
What is the correct method to use for fitting a rolling contact bearing, such as a ball bearing, onto a parallel shaft?
Gently heat the bearing in an oil bath and use a bearing puller to draw it onto the shaft.
Hammer the bearing onto the shaft with a rubber mallet.
Press the bearing onto the shaft using hand force only.
Every person onboard ship has a responsibility for safety and security. General housekeeping rules should be followed. Which of the listed rules is the most important onboard a tanker?
Never carry lighters or matches on the tank deck.
Always wear brightly colored clothing while on deck.
Ensure all doors are kept open for ventilation at all times.
What precautions should be taken for the deck covering in a steering gear room where hydraulic oil is in use?
Coat the deck with non slip paint and use duck boards provided with drainage.
Cover the deck with a waterproof plastic sheeting.
Install rubber mats throughout the room.
What action should be taken by the watchkeeping engineer if the running machinery is operating at slightly high temperature but everything else appears ok?
It should be brought to the attention of the Chief Engineer so that remedial action can be decided upon.
Increase the cooling system output to lower the temperature.
Continue monitoring the machinery without taking further action.
Select the option which best describes the primary duty of a watch-keeping engineer.
The primary duty of a watch-keeping engineer is to supervise the crew working in the engine room.
The primary duty of a watch-keeping engineer is to maintain constant surveillance of the main engine and auxiliary machinery.
The primary duty of a watch-keeping engineer is to ensure the fuel consumption is minimized.
Why is it important that a transmitter has been correctly installed at the correct location?
The control system is depending on the best possible process signal.
To ensure the transmitter is protected from physical damage.
To allow for easier maintenance and troubleshooting.
OPA-90 notification requirements:
Notify as soon as you have knowledge of any spill, or threat of a spill.
Notify after a complete investigation of the spill source has been conducted.
Notify only after the spill has been completely contained.
With reference to diesel engine ancillary system operation, which one of the given statements is true?
The normal jacket water temperature before the jacket water cooler is approximately 80 to 90 °C.
The normal jacket water temperature is maintained at 50 to 60 °C at all times.
The jacket water temperature is typically higher than 100 °C to improve engine efficiency.
What is the correct understanding of the term «Bending moments» when applied to ships?
The longitudinal Bending Moment at any section within the ship is the total moments tending to alter the longitudinal shape of the ship.
Bending moments refer to the forces acting horizontally to break the ship in half.
The bending moment is the total weight of the ship distributed evenly across the length of the ship.
What would the First Engineer require?
The First Engineer would require a complete overhaul of the main engine.
The First Engineer would require an inspection of the heating coils.
The First Engineer would require an assessment of the ship’s fuel supply system.
If Mouth-to-Mouth (M-T-M) ventilation by itself is unsuccessful and the casualty’s heart stops, or has stopped beating, you must perform External Chest Compression (ECC) in conjunction with M-T-M. What is the rhythm when performing M-T-M in combination with ECC with one First Aider only?
15 compressions followed by 2 full ventilations.
30 compressions followed by 5 full ventilations.
10 compressions followed by 1 full ventilation.
A safety valve is sufficient to prevent a BLEVE.

Wrong, if the valve is wrongly set.
Correct, the safety valve will always function properly if maintained.
Wrong, the safety valve only works for small-scale issues and does not prevent BLEVE.
When a fire breaks out in the accommodation, cargo holds or on deck, who is in charge of the fire fighting operations?
The person who is designated in the muster list.
The Captain, regardless of the situation.
The officer on duty in the engine room.
For how long and at what speed is a fully loaded lifeboat designed to operate in calm weather?
6 knots for 24 hours.
4 knots for 12 hours.
8 knots for 18 hours.
Which of the survival craft listed below is equipped with a buoyant line, not less than 50 m in length, of sufficient strength to tow a liferaft?
Rescue boat.
Lifeboat.
Liferaft.
What is the main theme of modern safety practice?
Making use of Risk Assessment as a means to improving safety.
Relying on personal protective equipment (PPE) to prevent accidents.
Focusing solely on emergency drills to improve preparedness.
What do you understand by the term “Risk Assessment”, and how would this be carried out on board?
Identify the hazards, quantify the risks, put control measures in place, monitor the work activity and review.
Identify the hazards and proceed with the work activity without further action.
Focus on the most obvious risks and perform work without any further monitoring or review.
What is the minimum number of channels required for the portable two-way VHF’s for survival craft?
Channels 16, 22 & 23.
Channels 6, 13 & 16.
Channels 7, 12 & 15.
Which of these weapons are widely available and commonly used by criminals and terrorists to further their aims?
Gun.
Sword.
Bow and arrow.
Ship Security Plans all look the same.
FALSE.
TRUE.
It depends on the size of the ship.
Which of the following alternatives summarise the benefits of using high voltage on ships?
Smaller conductors, machines and switchgear.
Lower maintenance costs and fewer power losses.
Easier to install and operate equipment on the ship.
Personnel in a high voltage switchroom smell rotten eggs. What may this indicate?
Problems with a gas (SF6) circuit breaker.
A malfunction in the fire suppression system.
A refrigerant leak from the cooling system.
Personnel in a high voltage switchroom smell ozone. This is likely to indicate which of the following?
Arcing at badly connected bus bars.
A gas leak from the SF6 circuit breaker.
A malfunction in the cooling system causing overheating.
How is the condenser cooling water flow regulating valve automatically controlled in a vapour compression refrigeration system?
By the compressor discharge pressure.
By the temperature of the refrigerant in the condenser.
By the water temperature in the condenser outlet.
What would be considered to be the normal service life for rolling contact bearings fitted to a large turbocharger for a diesel engine?
8 000-12 000 hours.
2 000-3 000 hours.
15 000-20 000 hours.
What is the main reason for keeping engine lubricating oil viscosity within recommended limits?
To ensure the strength of the oil film is sufficient to keep lubricated surfaces apart.
To reduce the friction between moving parts in the engine.
To prevent oil from overheating and breaking down.
A slow speed diesel engine is fitted with a slow turning facility. How would the slow turning normally be set to operate?
It should automatically operate before the normal start sequence following an engine stopped period of more than 20 to 30 minutes when manoeuvring.
It should be manually activated when the engine is stopped for more than 60 minutes.
It should operate automatically when the engine reaches a certain temperature.
An air compressor is being refitted in the engine room. The compressor and motor are coupled using a flexible coupling and are mounted on a common «skid» which is fixed to the deck with resilient mountings. Which of the statements, from the options given, relating to the alignment of the motor and compressor is true?
Shims should be fitted between the motor and compressor feet and the skid to ensure correct vertical, horizontal and parallel alignment of the coupling halves before it is bolted up.
The alignment can be disregarded as long as the compressor and motor are mounted securely.
Only horizontal alignment is necessary, vertical and parallel alignment are not critical.
While alongside at a repair berth a new section of seawater pipe has been fabricated in a shoreside workshop from drawings supplied by the vessel. During fitting of the pipe by ship’s engineers it is noted that the pipe is too short leaving a gap of about 8 mm between the flange faces. What action should be taken to remedy this problem?
The gap should be filled with a sealant to ensure the connection is secure.
The pipe should be returned to the shoreside workshop for modification or to be remade to the correct dimensions.
The pipe can be bent slightly to make up the gap between the flange faces.
Modern slow speed, two stroke diesel engines often have locating pins or pegs to keep the piston rings in a fixed position. Why is this arrangement used?
It avoids the risk of the ends of the piston rings being forced out by the gas pressure and catching on the scavenge ports.
It improves the engine’s fuel efficiency by reducing friction between the rings and cylinder wall.
It helps to distribute the combustion pressure more evenly across the piston.
Large slow speed diesel engines are usually of the crosshead type and have various arrangements to deliver lubricating oil directly to the crosshead bearings and guides to ensure adequate lubrication. Why are the crosshead bearings considered differently to the other bearing in this type of engine in respect of lubrication requirements?
The running surfaces oscillate relative to each other during operation rather than rotate and therefore full film hydrodynamic lubrication is not possible.
Crosshead bearings are exposed to higher pressures and require a thicker oil film for protection.
The crosshead bearings operate at higher temperatures, requiring a different type of lubrication than the other bearings.
A seawater pump requires overhaul but there are no spare wear rings for the casing and impeller. It is decided that new wear rings will be fabricated onboard using the ship’s lathe. What would be the most suitable material to use to fabricate the rings onboard?
Aluminium brass.
Stainless steel.
Bronze.
A new cylindrical brass bearing sleeve for a pump shaft is found to be a few millimetres too long for the housing and needs to be adjusted to the correct length. Which will be the best method to use to reduce the length of the sleeve to the correct dimension?
Remove the excess length using the ship’s lathe.
Use a hacksaw to cut the sleeve to the correct length.
Grind the excess length off using a hand grinder.
What is the likely cause of a decrease in the pH-value and an increase of the sulphate content of a diesel engine’s cooling water system?
Contamination from lubricating oil leakage into the cooling system.
Exhaust gas leakage into the cooling water system.
Excessive evaporation of cooling water during operation.
Incorrect mixing of fresh water and seawater in the system.
One of the Main Engine cooling pumps is down for maintenance. The rest of the cooling pumps are operating near full capacity with minimum margins on the maximum temperature limit. What should be the correct action to take with regard to UMS operation?
Continue operating in UMS mode without any changes as long as alarms are active.
Operate the engine room on manual mode until the maintenance is completed and the cooling pump is operational and switched to stand-by mode.
Shut down the main engine immediately and wait for external assistance.
Reduce crew presence in the engine room to avoid unnecessary workload.
What is the purpose of the relief valves fitted to the doors and casing of 2 stroke diesel engine crankcases?
To maintain constant lubrication pressure inside the crankcase.
To relieve excess pressure in the crankcase resulting from a crankcase explosion.
To improve air circulation for better combustion efficiency.
To prevent oil leakage from the crankshaft seals.
What would be a typical value for the set point for shut down of a large 2-stroke diesel engine due to thrust bearing high temperature?
65° C.
85° C.
105° C.
45° C.
Which of the following options would be a typical differential pressure setting for a main engine slow down in the event of jacket cooling water system low flow?
0,05 to 0,1 bar.
0,2 to 0,5 bar.
1,0 to 1,5 bar.
2,0 to 3,0 bar.
Consider a vessel with a 6 cylinder main diesel engine operating with one cylinder out of operation. What would you expect to be the approximate maximum reduced engine load to allow safe emergency operation in this condition?
Approximately 50 % of MCR.
Approximately 90 % of MCR.
Approximately 70 % of MCR.
Approximately 30 % of MCR.
Spray painting has been carried out in the engine room while the engine was running, and the turbocharger intake filter was not protected. Which one of the options given is most likely to result from this?
Increase in exhaust gas temperature beyond normal limits.
Excessive vibration in the turbocharger assembly.
Scavenge air pressure lower than normal.
Higher than normal lubricating oil pressure.
During inspection of the crank bearing for one of the units in the main engine, the bearing shell was found as follows: Surface of the white metal was black and very hard. Patches of black incrustations have worn grooves in the journal. What is the likely cause of this condition?
Insufficient lubrication due to low oil pressure.
Normal wear and tear of the bearing over time.
Water present in the lubricating oil during service.
Contamination of the bearing with soot particles from exhaust gases.
Worn piston rings are allowing a small amount of piston blow-by on a 2-stroke main diesel engine cylinder, but due to the circumstances, it is not possible to stop and do a piston overhaul. What is the correct, temporary action to take?
Reduce engine load to minimum and continue operation.
Increase cylinder oil feed rate slightly and monitor the scavenge space drains.
Shut down the engine immediately to prevent further damage.
Ignore the blow-by as it is within normal limits.
«Protective discrimination» means the progressive grading of sizes or tripping times of:
Circuit breakers and isolators.
Line fuses and overcurrent relays.
Switchboards and transformers.
Protective earth connections.
Most minor oilspills are caused by:
Equipment failure.
Human error.
Natural wear and tear of machinery.
Extreme weather conditions.
What should you do with the ashes from your vessel’s incinerator which had burned garbage containing plastics?
Discharge the ashes directly into the sea in deep water.
Discharge to a shore facility only.
Store the ashes in the engine room until next port.
Mix the ashes with general waste and dispose overboard.
Prior to bunkering operations it is necessary to check the quantity of fuel remaining onboard and that there is sufficient room for the fuel that is to be loaded. What is the best method to use to establish this?
Estimate remaining fuel based on previous consumption records.
Do a complete sounding of all fuel bunker tanks.
Use only the fuel gauge readings without cross-checking.
Assume tanks are half full unless measured otherwise.
Telephones are being used to communicate between personnel onboard and ashore during a bunkering operation. What instruction would you give to ship personnel regarding action to take in the event of failure of the telephone communication during the operation?
Continue the bunkering using hand signals only.
Stop the bunkering until alternative reliable communications are established.
Reduce the rate of fuel transfer but continue operation.
Use radios without notifying the shore personnel.
What is the alcohol content in the blood permissible under US legislation before it is defined as intoxication?
0,08 %.
0,02 %.
0,04 %.
0,10 %.
How long after starting a refrigeration compressor should the oil separator return valve be opened?
Immediately after starting the compressor.
It should be opened once the oil separator unit has warmed up.
Only after 24 hours of operation.
When the system pressure reaches its maximum operating value.
What type of lubricating oil is generally used for cylinder lubrication on a large, 2-stroke diesel, main propulsion engine operating on heavy fuel oil?
Synthetic oil with low alkalinity.
Mineral based oil with high alkalinity and other additives.
Water-miscible lubricant oil.
Vegetable-based lubricating oil.
Oil analysis results for a sample of diesel engine lubricating oil show a high level of tin. What could be the possible cause?
Contamination of the oil with sea water.
Debris from damage to a white metal bearing.
Excessive cylinder lubrication.
Wear of piston rings.
The figures show a graphical symbol for a particular electronic component and a typical working characteristic for the same component. Which component?

Silicon controlled rectifier

Diode
Transistor
Silicon controlled rectifier (SCR).
Capacitor
Diodes are widely used in rectification, or the conversion of alternating current to direct current. The sinusoidal input voltage V(in) is applied to the circuit shown. Which of the output voltages is correct?

Sinusoidal input voltage

Figure 2.
Figure 3.
Figure 1.
Figure 4.
This figure shows a transformer, with two windings, N(1) = 2 000 and N(2) = 1 000 turns, on a common magnetic circuit. Assume that there is no energy loss in the transformer itself. Calculate the current I(2) when the current I(1) = 2 A.
1 A.
2 A.
4 A.
8 A.
A transformer, rated at 22 kVA, 440/220 Volts, 60 Hz, is used to step down the voltage for a lighting system. The low tension voltage is to be kept constant at 220 Volts. What load impedance connected to the low-tension side will cause the transformer to be fully loaded?
1,1 Ohms.
2,2 Ohms.
4,4 Ohms.
0,5 Ohms.
You have to choose one of the following instruments for measuring pressure in an air bottle in measuring range 0-35 BAR. Which instrument would you install?

Photos of the devices

U-tube manometer.
Bourdon Tube manometer.
Differential manometer.
Diaphragm gauge.
In a PID controller it is possible to change the setting of the Proportional band (P), the Reset time (I) and the Rate time (D). Please indicate which curve shows the typical response to a step input, if the variables are well adjusted.

Settings in the PID controller

Figure 1.
Figure 3.
Figure 2.
Figure 4.
On all UMS operated vessels and also on most other vessels the engine room is equipped with fire detectors. What requirements of testing and checking of the detectors are to be observed?
Test only when an alarm occurs.
Test weekly using a simulated fire signal.
Perform visual inspection monthly.
All the mentioned alternatives.
When starting air is applied to a diesel engine the engine fails to turn over but is seen to oscillate back and forth. What is the most likely cause of this problem?
Low starting air pressure.
One or more cylinder air start valves are stuck open.
Fuel injector timing incorrect.
Crankshaft or bearings seized.
What is the result of a «high metacentric height»?

Ship's list

The vessel will be slow to return to upright.
The vessel will roll violently.
The vessel will capsize easily.
The vessel will have poor directional stability.
Which of the following terms is used to describe a thermodynamic process in which no heat transfer into or out of the system occurs?
Isothermal.
Adiabatic.
Isochoric.
Isobaric.
Which of the following requirements regarding on board stability data corresponds to present regulations?
A calculation example showing the use of «GM» limitation curves.
A calculation example showing the use of «KG» limitation curves.
A calculation example showing the use of «Draft» limitation curves.
A calculation example showing the use of «Displacement» limitation curves.
When considering instrumentation systems, what is a typical symptom of a fault with the span of an instrument?
Zero-point is not correct, but full-scale output is accurate.
Zero-point is accurate, but 100 % input is not giving 100 % output.
The instrument output fluctuates randomly.
Instrument fails to respond to any input.
A draw card obtained from a cylinder of a large 2 stroke diesel engine shows that both cylinder compression and maximum pressures are low. Cards from other cylinders indicate normal operation. What is the likely cause of this problem?
Low fuel injection pressure.
Faulty cylinder component (piston rings, liner, etc.).
Air start valve malfunction.
Turbocharger failure.
Where is OPA-90 applicable?
Worldwide, in all international waters.
Within 200 nm of US waters including Guam, Hawaii, Alaska and San Juan.
Only within 12 nm of the US coast.
In US inland waters only.
Which of the following prevention actions offers the guarantee of an efficient intervention in an emergency?
Proper training of the crew.
Regular maintenance of emergency equipment.
Clear emergency procedures posted and known to all personnel.
All the listed answers.
Which of the following information shall be specified by the muster list?
The ship’s trading area and routes.
Action to be taken by crew and passengers.
Engine room operating procedures.
Maintenance schedule for safety equipment.
How many Radar Transponders (SART) are required to be carried onboard a ship for use in survival crafts?
Two in total, regardless of ship size.
One on each side of the ship.
One for every lifeboat onboard.
Three units distributed across the vessel.
The pyrotechnics used to transmit visual signals to other vessels, boats or aircrafts are of the following type:
Hand flares only.
Rocket parachute flares only.
Buoyant smoke signals only.
All of the below mentioned.
Where do you find minimum drill requirements?
In the STCW Convention.
In the company safety management manual only.
In the SOLAS convention and its annex.
In the MARPOL Convention.
What does ISM stand for?
International Safety Management System.
Integrated Shipping Management.
International Maritime Standard.
The International Management Code for the Safe Operation of Ships and for Pollution Prevention.
Which personnel must undergo familiarization training on board?
Only officers.
Only new crew members.
Everyone.
Only engineering staff.
Referring to the SOLAS convention, how often should a crew member on a cargo ship participate in one abandon ship drill and one fire drill?
Weekly.
Every three months.
Monthly.
Twice a year.
During test and/or maintenance work of the CO2 system affecting the release system, precautions to ensure that the gas is not released into the engine room due to a mistake are to be ensured. What precautions should be taken?
Shut down all engine room machinery before starting work.
Post warning signs only.
The main supply line to be blanked off prior to the work.
Increase ventilation in the engine room.
Eavesdropping and phone taps are examples of which threat to information security?
Sabotage.
Espionage.
Data corruption.
Phishing attacks.
If drugs are discovered onboard your ship…
Dispose of them immediately overboard.
Ignore the situation and continue operations.
Ensure the witness to the discovery signs your incident report.
Keep the discovery confidential and do not report it.
Which of the following symptoms would indicate that the filter drier in a refrigeration circuit has become blocked?
High pressure on both the suction and discharge sides.
A large temperature drop across the drier.
No change in temperature across the drier.
Low pressure on both the suction and discharge sides.
What does the term «stoichiometric mixture» mean when used in relation to combustion of hydrocarbon fuels?
A mixture with excess fuel to ensure complete combustion.
A mixture with excess air to prevent smoke.
An ideal mixture of fuel and air in which all of the fuel and oxygen in the mixture are consumed during combustion.
A mixture that only partially combusts to reduce emissions.
What is the minimum furnace temperature that must be reached during start up before waste material can be introduced into an incinerator?
750 °C.
850 °C.
950 °C.
650 °C.
Which of the following functions does the diode shown here perform?

Diode function diagram

Blocks current from flowing in the correct direction.
Allows AC current to pass only.
Return inductive current to supply at switch off.
Converts DC to AC.
When starting three phase induction motors there is sometimes a need to use a star-delta starter. Which of the following characteristics does a star-delta starter exhibit while connected in star?
Full current and full torque.
Reduced current and reduced torque.
Increased current and increased torque.
Reduced current and full torque.
What should be the healthy continuity resistance of a 220 V, 2,2 kW,10 A heating element, when checked near to its rated operating temperature?
18 Ohms.
22 Ohms.
25 Ohms.
30 Ohms.
Most fuel oil separators working on the centrifuge principle have an automatic start up and sludging facility. Which of the following actions would you expect to occur first during the start up sequence?
Bowl reaches full speed.
Operating water supplied to bowl to close it.
Fuel oil feed started.
Sludge discharge initiated.
The continuity resistance of a 100 m long × 25 sq. mm cable (rated at 100 A) is to be checked. Which of the following results would you anticipate?
Less than 0,05 Ohm.
Between 0,1 and 1,0 Ohm.
Between 1,5 and 2,0 Ohm.
More than 2,5 Ohm.
A power card from a slow speed diesel engine cylinder is abnormal with a low height and the body of the diagram thicker than normal. What is the most likely cause of this?
Fuel timing is retarded.
Fuel timing is advanced.
Cylinder leakage.
Injector nozzle partially blocked.
Which of the following is the minimum acceptable value of insulation resistance for High Voltage equipment?
100 M Ohms.
10 M Ohms.
50 M Ohms.
200 M Ohms.
The operation of a diesel engine is controlled by a mechanical-hydraulic, compensated speed sensing governor. How will the governor control be affected if the compensation needle valve is closed in and the engine load changes?
Engine will overspeed.
Engine will stall under load.
Engine speed control will be sluggish.
Engine speed will fluctuate rapidly.
When trying to reverse a large slow speed diesel engine in the astern direction it cannot be turned on air even though it will start in the ahead direction. What is the likely cause of this problem?
The start is blocked because the air distributor has not moved to the astern position.
Engine pistons are seized.
Air supply pressure is too low.
Fuel injectors are blocked.
A large 2 stroke engine is normally controlled from the bridge during manoeuvring. In this type of automated control for the starting system what would normally cause the «Engine Failed to Start» alarm to be activated and to lockout starting from the bridge?
Low fuel pressure.
Air supply failure.
Electrical starter motor fault.
3 failed start attempts.
What is the purpose of the air distributor in a diesel engine air start system?
To increase the air pressure for starting.
To supply air to the governor.
To ensure the cylinder air start valves operate in the correct sequence and for the correct period.
To lubricate the air start system.
A vessel which normally operates with the engine room in UMS mode is unable to do so because of defects to some of the critical alarm functions. What are the main considerations that the Chief Engineer must take into account when planning alternative arrangements to cover the engine room requirements until the defects are cleared?
A work rota is established to ensure full coverage of engine room watchkeeping duties and adequate rest periods for the engineering staff.
Reduce engine power to limit system stress.
Delay all non-essential maintenance until defects are cleared.
Switch the vessel to manual steering mode.
A heat exchanger of the tube and shell type is used for cooling lubricating oil with seawater as the secondary fluid. Which of the options would indicate that the tube stack was becoming fouled (scaled or coked) rather than blocked?
A reduced seawater flow rate only.
A sudden increase in oil pressure drop across the exchanger.
A reduced temperature difference between the seawater inlet and outlet and also between the lubricating oil inlet and outlet.
A sudden rise in seawater inlet temperature.
The pressure delivered by a gear type fuel oil transfer pump suddenly reduces from 5 bar to 4 bar during transfer. From the options given, select the most likely cause of this occurrence.
Part of the pump relief/recirculation valve spring has broken off allowing the valve to open further.
Pump suction line partially blocked.
Pump bearings are worn.
Fuel oil viscosity increased unexpectedly.
A 2 term controller is used to control the fuel oil temperature for a thermal oil system used for heating services. The control is very unstable with the measured value hunting constantly. Select the most probable cause of this problem from the options given.
Sensor malfunction causing incorrect temperature readings.
Heater output is insufficient for the load.
Integral action reset time is set too fast.
Control valve is sticking intermittently.
The temperature control for a hot water system is very erratic with the temperature gradually rising and then suddenly falling and vice versa even though system demand is fairly constant. Which of the options given is the most likely cause of this problem?
Control valve gland is over tightened.
Sensor placement too far from the load.
Pump flow rate too high.
Air trapped in the system.
A viscosity controller for the main diesel engine fuel oil supply is giving poor control resulting in the viscosity of the fuel oil being too low at the engine. Which of the defects given in the options is likely to be the cause of this problem?
DP cell sensor failure.
Fuel temperature too high at the viscometer inlet.
Capillary tube in the viscometer is blocked giving high differential pressure at the DP cell.
Fuel pump delivering insufficient flow.
Occasionally the tie rods on a large slow speed diesel engine may fail in service. The mode of failure is usually a complete fracture of the tie rod due to excessive fatigue stress. Select, from the options given, the features of the surface of the fracture that would confirm a fatigue failure.
Part of the fracture surface would be uneven but smooth (burnished) with the remainder crystalline with part «cup and cone» shape.
Entire fracture surface appears rough and jagged.
Fracture surface shows only crystalline appearance without burnished areas.
Fracture surface exhibits uniform ductile stretching along the rod.
The piston rod of a large two stroke diesel engine has been damaged and is heavily scored in way of the piston rod gland (stuffing box). It has been decided that it is economically viable to recondition the rod at a shoreside facility. Select, from the options given, the most suitable repair method that should be used?
Replace the piston rod entirely with a new one.
Recondition the rod by surface grinding and build up using plasma spraying with metal similar to the original.
Weld the scored areas and polish manually.
Apply a high-temperature coating without grinding the surface.
A combustible gas indicator of the catalytic filament type is used to check the atmosphere in an enclosed space onboard ship. When taking readings in a fuel tank which has been emptied for cleaning the meter reading initially rises and then falls back to zero. What is the likely defect, if any, in the instrument when this type of behaviour is displayed?
The filament is contaminated due to too high a concentration of hydrocarbons.
Sensor wiring is broken or loose.
Battery of the instrument is low.
Instrument calibration is out of date.
A U tube manometer is used to measure the pressure delivered by a ventilation fan. Following replacement of the fan by a larger unit with a higher delivery rate and pressure the liquid is blown out of the open end of the manometer. Which of the options given will allow the manometer to be used to measure the delivery pressure of the larger fan?
Reduce the fan speed to lower the pressure.
Install a pressure relief valve in the manometer line.
Refill the manometer with liquid with a higher density.
Increase the diameter of the manometer tube.
When carrying out repair or maintenance tasks involving hot work a hot work permit must be issued. Select the correct option from those given which completes the following statement. The permit for hot work…
The permit can cover multiple unrelated hot work tasks for convenience.
should only cover specific hot work tasks and be valid for a specified time period.
The permit is valid indefinitely until the work is completed.
The permit is optional for experienced personnel.
In many cases the ship’s Chief Engineer can carry out survey of machinery on behalf of a Classification Society under arrangements covering Continuous Surveys. As part of this arrangement a Surveyor from the Classification Society must carry out a periodic audit of the documentation for the approved planned maintenance system and undertake a confirmatory survey of the items surveyed. What is the normal frequency for this audit?
Every six months.
Every two years.
Annual.
Every three years.
It is noticed that some of the items that were to be used to lift some machinery components during a maintenance routine had not been tested for over 5 years. Which of the options given is the correct action to be taken in a situation like this?
Mark the items as not to be used and store them securely until they can be tested by a competent person.
Use the items carefully under supervision.
Test the items yourself before use.
Replace the items immediately with new ones without testing.
For some time the remote reading temperature gauge for the meat room has been reading a higher temperature than the local liquid in glass thermometer. When removed and tested the remote gauge is found to be reading accurately. Which of the options given is the most likely cause of this discrepancy?
The remote gauge is faulty.
The liquid in glass thermometer is malfunctioning.
The sensing bulb for the remote gauge is placed in a relative «local hot spot» inside the meat room.
Electrical interference is affecting the remote gauge reading.
When work must be done on High Voltage equipment, it is vital that the equipment is earthed (grounded) after isolation procedures have been carried out. Why is this so?
To ensure that no energy remains in the system and that it cannot be recharged by external influences.
To allow the equipment to discharge slowly over time.
To prevent corrosion on the equipment.
To reduce the need for insulation testing later.
The majority of conventions adopted under the auspices of IMO fall into which of the three main categories?
Ship design, crew training, port regulations.
Cargo handling, navigation, communication.
Maritime Safety, Prevention of Marine pollution, Liability and compensation.
Insurance, trade, environmental monitoring.
Onboard training should be organised in such a way that:
It is an integral part of the overall training plan.
It is carried out only when there is spare time.
It focuses solely on emergency drills.
It is optional for experienced crew members.
What type of Ex equipment is suitable for installation in Zone 0 hazardous area?
Ex d.
Ex e.
Ex i.
Ex n.
What is the minimum test voltage of a 690 V switchboard for insulation resistance?
250 V.
1 000 V.
500 V.
750 V.
A vessel is installed with Power Management System (PMS). If there is an increase overload or fault in a running generator, what will the PMS do?
It will sound an alarm only.
It will shut down all generators immediately.
It will automatically start the next generator in the start sequence.
It will reduce the load on the affected generator manually.
What is the anticipated rolling period of a ship with a large initial Transverse Metacentric Height (GM) and would there be any associated dangers to consider?
Long, slow rolling period with reduced risk of cargo shifting.
Short sharp period of roll associated with breaking lashings and shifting cargo.
Moderate rolling period with no significant risk to cargo stability.
During maintenance of a piston rod stuffing box on a large, slow speed diesel engine it is usual to measure the butt gaps between the sealing ring and scraper ring segments. What would be the effect of these gaps being too small?
If the gaps are too small they could close due to the radial wear of the rings before the next scheduled overhaul preventing the rings from contacting the piston rod and sealing it.
If the gaps are too small it will improve the sealing efficiency, preventing oil leakage.
If the gaps are too small, the rings could expand too much, causing excessive friction and wear on the piston rod.
A power card taken from a diesel engine cylinder using a mechanical indicator has a flat top. Which of the possible actions given in the options is most likely to correct this irregularity on the power card?
Change the indicator spring for one with a higher rating.
Increase the engine speed to create a higher pressure in the cylinder.
Decrease the fuel delivery to the cylinder to reduce the load.
With the set point at the actual desired value, a temperature control system is giving an unacceptably large offset (difference between set point and measured value) on high load resulting in a low system temperature. Which of the actions given in the options should be taken to reduce this effect and therefore achieve closer control of the temperature?
Reduce the width of the proportional band for the controller.
Increase the set point to compensate for the low temperature.
Switch to an on/off control mode instead of proportional control.
A vapour compression refrigeration system is usually fitted with a number of devices to give protection and control of the system. Which of the methods given in the options should be used to test the high pressure cut out during routine maintenance and checking of the system?
Gradually shut in the condenser cooling water valve or the condenser refrigerant inlet valve while closely monitoring the compressor discharge pressure.
Reduce the system refrigerant charge and observe if the cut out activates.
Increase the load on the evaporator and monitor the cut out activation time.
Some large slow speed diesel engines have jack bolt arrangements for retaining the main bearing top keep in place rather than the more conventional stud bolts. How does this arrangement affect the maintenance and checking procedures for the tie rods on the engine?
The tie rods should be adjusted only after the jacking bolts are fully loaded to ensure proper tensioning.
The tie rods do not require tensioning, as the jack bolts replace them in this arrangement.
The tie rods should be fully tensioned before the jacking bolts are loaded to avoid overload of the bearing caps and frame structure.
When checking the closed butt gap clearance of new piston rings prior to fitting onto the piston it is normal to try the rings in the liner so that the gap can be measured. From the options given select the best part of the liner to use to carry out these checks:
Near the bottom of the liner.
Near the top of the liner.
In the middle of the liner.
With reference to the installation of pressure gauges for steam systems. Complete the following statement from the options given. To protect a bourdon tube type pressure gauge which is to be fitted to a steam line it should…
…be fitted with a siphon loop between it and the steam pipe.
…be fitted with a heat shield to prevent the steam from overheating the gauge.
…be fitted with a drain valve to allow for any condensate to be removed.
During maintenance of a pneumatically operated, diaphragm actuated control valve the diaphragm is found to be split. Select, from the options given, a suitable material to use to make a temporary replacement if there is no spare diaphragm available:
Natural rubber sheet of approximately the same thickness and elasticity as the original diaphragm material.
Thin plastic sheet with low elasticity.
Metal foil with high rigidity.
Paper sheet coated with adhesive on one side.
A standard outside micrometer requires regular maintenance, including calibration, in order to ensure accuracy of measurement. How is the accuracy of this type of instrument normally checked? Select the answer from the options given.
By measuring a standard gauge block or rod at a common temperature.
By comparing it with a ruler or measuring tape.
By using it to measure an arbitrary object and comparing results with another micrometer.
By observing the micrometer’s markings under a magnifying glass.
What would be the correct form of response to the question: What is the visibility in your position?
The correct form of response would be: Visibility in my position is two hundred meters.
The correct form of response would be: The visibility here is fine.
The correct form of response would be: I can see quite far from here.
The correct form of response would be: There is nothing affecting visibility in my position.
What would be understood by the message «A yacht has capsized in heavy seas»?
The message means the yacht has been overturned in heavy seas.
The message means the yacht is experiencing engine failure in heavy seas.
The message means the yacht has been stranded on a reef in heavy seas.
The message means the yacht is anchored and unable to move in heavy seas.
Why are accommodation spaces separated from the remainder of the ship by thermal and structural boundaries?
To provide means of escape for the passenger and crew.
To ensure the ship remains stable during rough seas.
To enhance the ship’s structural rigidity and fuel efficiency.
To prevent unauthorized access to the cargo hold and engine room.
When someone is working at height, who is at risk? Select the best option.
There are risks to people at height and anyone below them.
Only the person working at height is at risk.
Only people below the person working at height are at risk.
There are no significant risks when proper equipment is used.
What is the main reason for routine testing of the cooling water in a diesel engine cooling system?
To ensure that the correct levels of chemical treatment are maintained at all times.
To confirm that the water level remains consistent during operation.
To verify that the cooling water temperature stays within acceptable limits.
To detect leaks in the cooling system that could reduce performance.
What action should be taken if the heat transfer capacity of a heat exchanger operating as a lubricating oil cooler is reducing?
The heat transfer surfaces should be cleaned.
The lubricating oil flow rate should be increased.
Additional coolant should be added to the system.
The operating pressure of the heat exchanger should be reduced.
Choose the option which is most likely to result in erosion of the tubes in a heat exchanger.
Cooling water velocity too high.
Low pressure of the cooling water in the system.
Inadequate water treatment leading to scaling on the tubes.
Use of water with excessive temperature in the cooling system.
What is the recommended range for the pH-value for the water in a diesel engine cooling system engine cooling water be maintained?
Between 7 and 10.
Between 4 and 6.
Between 10 and 12.
Between 6 and 8.
Consider a 450 volt, 859 kW rated generator that has not been in operation for several weeks. Prior to starting, insulation resistance readings are taken. The minimum acceptable insulation resistance reading on the main stator winding to allow you to proceed with running the generator is:
1 000 000 Ohms.
500 000 Ohms.
100 000 Ohms.
2 000 000 Ohms.
During regular inspection of alternator windings it is found that windings are always covered with a heavy oil film coming from the atmosphere surrounding the auxiliary engine. After cleaning with an approved solvent, what should be done?
Improve material of intake air filters.
Increase the frequency of winding inspections.
Install additional ventilation to the auxiliary engine room.
Change the oil used in the auxiliary engine to a higher quality grade.
In accordance with SOLAS and other international regulations, certain important machinery functions, such as operation and control of the steering gear and propulsion machinery, must be tested at specified times. When should these tests be carried out?
Prior to arrival and departure from port and following maintenance.
Only after any malfunction or failure of the machinery.
Once a year during the dry-docking of the ship.
Every time the ship enters a new operational area.
Watch keeping engineers shall have a minimum of knowledge of the vessel’s engine room and operation of its functions prior to being accepted as Engineer on Duty, and shall acknowledge his familiarization with the equipment by signing a check list listing all units he shall be able to operate. Minimum knowledge is:
He shall be able to operate the emergency fire pump, steering gear and main engine.
He shall have all the knowledge as listed in the other alternatives.
He shall be familiar with the operation of auxiliary systems only.
He shall know how to operate the engine monitoring system and communicate with the shore team.
When you join a new ship, how are you informed about safety rules, alarm instructions and your own duties in case of an emergency?
By muster lists exhibited in conspicuous places.
By verbal instructions from the senior officer on duty.
By an emergency response video played during the initial briefing.
By an onboard emergency manual handed out to all crew members.
What does the term «Dead Ship» mean?
«Dead Ship» means that the machinery and boilers are inoperational due to lack of electrical power.
«Dead Ship» refers to a ship that has been abandoned at sea.
«Dead Ship» describes a ship that is no longer in service and has been decommissioned.
«Dead Ship» means the ship’s crew has been relieved of duty for a certain period.
After water-washing the turbocharger exhaust side it starts to vibrate even though it was operating normally prior to the washing procedure. What is the most likely cause of this problem?
The rotor blades are damaged or the blades are not properly cleaned.
The exhaust temperature is too high, causing thermal expansion.
The lubrication oil pressure is insufficient, causing the bearings to malfunction.
The exhaust valve timing is incorrectly adjusted after the washing process.
Why shall a duly qualified officer supervise any potential polluting operation?
To ensure that the operation is completed in the shortest time possible.
To maintain the efficiency of the operation and reduce costs.
To avoid pollution.
To guarantee that all crew members follow the same procedure.
An electrical power emergency source in a ship is required because:
It satisfies the SOLAS (and other) requirements for ship safety.
It ensures the continuous operation of non-essential systems during normal operation.
It provides backup power only for the navigation equipment in case of failure.
It is necessary to maintain the ship’s lighting and air conditioning systems during maintenance.
An earth fault exists on the blue line of a 100 A bilge pump circuit. A second earth fault occurs on the yellow line of a 10 A ventilation fan circuit. Both systems are supplied from the ship’s 440 V supply. The likely outcome is that:
A short circuit occurs between earth faults and the ventilation fan fuse blows.
The bilge pump circuit continues to operate normally while the ventilation fan circuit is disconnected.
Both fuses blow simultaneously, cutting off power to both circuits.
The earth faults cause the ventilation fan to stop, but the bilge pump operates without issue.
The insulation resistance (IR) to earth of a new galley hot-plate is measured to be 30 Mohm. When three identical hot-plates on the same supply are tested together their combined IR will be:
10 Mohm.
90 Mohm.
15 Mohm.
30 Mohm.
Generators must be synchronised before they can operate in parallel. During synchronising, the incoming generator should be running slightly «fast» compared to the bus bar frequency. This is to ensure that the:
Incoming machine picks up as a generator.
Incoming machine matches the load requirements of the system.
Bus bar frequency increases to match the incoming generator.
Generator does not cause a short circuit when synchronised.
The Base Number of a lubricating oil is an indication of which of the following?
The alkalinity of the oil.
The viscosity of the oil.
The specific gravity of the oil.
The thermal conductivity of the oil.
Why are duplex filters usually employed in the lubricating oil system of an auxiliary diesel engine?
Changing of the filter element can be carried out without interrupting engine operation.
Duplex filters are more effective in removing larger particles than single filters.
Duplex filters have a higher flow rate, allowing for better lubrication.
Duplex filters are easier to maintain and require less frequent servicing.
The bilge holding tank level is being reduced by discharging through the OWS. What action should be taken when the oil/water interface in the holding tank is reached?
Continue pumping until the bilge holding tank is completely empty.
Switch to another holding tank and continue discharging.
Stop the OWS and pump the oil to the incinerator tank.
Open the overboard valve to discharge the remaining contents directly into the sea.
What is an effective means of measuring the total dissolved solids in boiler water?
Conductivity test.
pH level test.
Oil content test.
Temperature measurement.
What will you serve seafarers who has been exposed to cold?
Warm nutritious drinks.
Cold beverages to help lower their body temperature.
High-sugar snacks to quickly restore energy.
Alcoholic beverages to help them relax and warm up.
Why should engine and boiler rooms be kept clean and any oil spillage cleaned up immediately?
To reduce risk of fire and the risk of slipping.
To improve the aesthetic appearance of the engine room.
To ensure smooth operation of machinery and increase efficiency.
To prevent the buildup of rust and corrosion on machinery.
Under what circumstances would you remove guards and safety devices from machinery?
During overhaul and maintenance procedures.
When machinery is not in use for an extended period of time.
When the machinery is being inspected for cosmetic purposes.
To increase the efficiency of the machinery during normal operation.
Which electronic component does this graphical symbol represent?

Potentiometer, 10 kilo-ohms.
Resistor, 10 kilo-ohms.
Capacitor, 10 microfarads.
Inductor, 10 microhenries.
Which electronic component is this graphical symbol illustrating?

Zener diode.
Light-emitting diode (LED).
Light-dependent resistor (LDR).
Schottky diode.
What is the minimum number of portable fire extinguishers that must be carried on ships of 1 000 GRT and above?
5.
3.
10.
7.
What are class «C» bulkheads?
Bulkheads constructed of approved non-combustible materials but do not meet any of the requirements relative to smoke and flame nor limitations relative to temperature rise.
Bulkheads made of fire-resistant materials and tested for both smoke and flame resistance.
Bulkheads that are constructed with non-combustible materials and can withstand high heat for extended periods.
Bulkheads that are designed to prevent the spread of fire for a specified duration of time.
Which diagram is the symbol for a THYRISTOR?

Figure 1.
Figure 2.
Figure 3.
Figure 4.
A faint is a brief loss of consciousness of no more than momentary duration caused by a temporary reduction in the flow of blood to the brain. How to prevent anyone from fainting?
Tell the person to sit down and lean forward with the head between the knees taking deep breaths.
Have the person lie down and elevate their legs to improve circulation.
Ask the person to drink a cold beverage to increase blood flow to the brain.
Encourage the person to stay upright and move around to avoid dizziness.
Feed check valves for the main and auxiliary boilers are normally of the double shut off type with one screw lift valve and one screw down non-return valve. What is the main function of the non-return valve?
To prevent the steam and water in the boiler from discharging out through the feed line if the feed line fractures or a joint in the line blows.
To allow steam to flow freely into the boiler when needed.
To maintain a constant pressure in the feed line regardless of fluctuations.
To regulate the flow of water from the feed pump to the boiler.
What is the correct range for the pH-value for the water in an oil fired steam boiler?
7-9.
5-7.
9-11.
11-13.
The packed gland on a centrifugal pump is leaking even though the gland has been «nipped up». What is the correct action to take to stop the leakage?
Re-pack the stuffing box loosely with the correct size packing at the earliest opportunity.
Tighten the gland further to reduce leakage.
Apply a sealant to the packing material to prevent leakage.
Replace the entire pump with a new one.
What is meant by the term «two stage air compressor»?
A compressor in which the compressed air from the first stage is further compressed in the second stage before being delivered to the air receiver.
A compressor with two independent compressors working in parallel.
A compressor with two outlets delivering compressed air at different pressures.
A compressor that compresses air in two steps, but the air is not stored in the air receiver.
When using portable ladders during work activities onboard a ship what precautions should be taken?
Secure the ladder top and bottom and have a shipmate standing by while you are working on the ladder.
Only use the ladder if it is secured at the bottom, no need for a shipmate to stand by.
Ensure the ladder is placed on a flat surface but no other precautions are necessary.
Place the ladder at an angle of 90 degrees to the surface and use it without additional support.
What would be the most likely cause of a smell of «rotten eggs» in the upper casing of the engine room?
A leak of exhaust gas from a boiler or diesel engine exhaust.
A malfunctioning bilge pump causing a build-up of organic material.
A spillage of sulfur-based chemicals in the engine room.
A leak of fuel oil in the engine room causing a chemical reaction.
Which of the options given is one of the main responsibilities of a watch-keeping engineer?
To inform the Chief Engineer of any situations that cannot be controlled during the watch.
To take over from the Chief Engineer at the start of the watch and manage all machinery.
To monitor the engine room without reporting any issues unless requested by the Chief Engineer.
To carry out repairs to any machinery without reporting the issue to higher authority.
Which of the following instruments is normally part of a control-loop?
Pressure gauge.
Flow meter.
Transducer.
Thermometer.
Measuring instruments must be routinely calibrated. What is meant by instrument calibration?
Comparing input and output values against a documented standard.
Adjusting the instrument to match any value given by the manufacturer.
Ensuring the instrument is in working condition by testing its response.
Replacing worn-out components to improve accuracy.
How do we recognize a leaking fuel injection valve during testing?
The pressure falls off on the pressure gauge when trying to hold the pressure in the injector below normal opening set pressure.
The injector emits a visible spray when no pressure is applied.
The injector makes a louder than usual noise during operation.
The fuel temperature rises significantly during injection testing.
When having a fire alarm during normal working hours, what immediate actions should be taken?
Act according to instructions given in the fire plan.
Leave the area immediately without waiting for instructions.
Wait for confirmation from the Chief Engineer before taking any action.
Begin evacuating the crew without following any planned procedure.
From the statements given in the answer options, choose the one which is most accurate in relation to the operation of water-tube boiler and fire-tube boilers?
Water-tube boilers are more efficient and generally contain less water than fire tube boilers. They are prone to major damage when run dry during operation.
Fire-tube boilers are more efficient than water-tube boilers and contain less water.
Water-tube boilers are more compact and require less maintenance than fire-tube boilers.
Fire-tube boilers are more prone to damage when run dry compared to water-tube boilers.
With reference to using centrifuges for cleaning fuel and lubricating oil, what is the difference between a purifier and a clarifier?
In a clarifier only solids are removed from the oil, whereas in a purifier both solids and water are removed from the oil.
A clarifier removes both solids and water from the oil, whereas a purifier only removes solids.
A clarifier removes more water than a purifier, but both remove solids.
A purifier works only with fuel oil, while a clarifier works with both fuel and lubricating oils.
When operating two centrifuges in series, in a purifier and clarifier arrangement, what is the purpose of the clarifier?
To improve the efficiency of solids removal.
To remove water from the oil before it enters the purifier.
To filter out any remaining impurities from the oil after purification.
To remove any air bubbles from the oil before it enters the purifier.
Are there any restrictions about how much sludge we can pump overboard on the sea voyage?
Maximum is 30 litres per nautical mile and total is 1/30 000 part of full cargo on the ballast voyage.
Sludge may only be discharged when the ship is in port and not underway.
Sludge discharge is unrestricted as long as it is properly filtered before discharge.
Sludge can only be pumped overboard in international waters, but no specific limits are set.
What would the First Engineer require?
The First Engineer would require an inspection of the heating coils.
The First Engineer would require a review of the safety protocols.
The First Engineer would require a new set of tools.
The First Engineer would require a team meeting.
How many buoyant smoke signals are carried in each lifeboat?
4.
1.
2.
3.
What is the minimum working pressure of the international shore connection?
1 N/mm2.
0.5 N/mm2.
2 N/mm2.
1.5 N/mm2.
B Class divisions in ships are constructed so that they are capable of preventing the passage of flame to the end of a standard fire test held for:

30 minutes.
60 minutes.
15 minutes.
45 minutes.
Which of the survival craft listed below is equipped with a buoyant line, not less than 50 m in length, of sufficient strength to tow a liferaft?
Rescue boat.
Lifeboat.
Survival capsule.
Inflatable raft.
Give the meaning of the following symbol:

EPIRB.
Emergency Position Indicating Radio Beacon.
Emergency Personal Identification Rescue Beacon.
Emergency Protocol Information Relay Beacon.
A hand flare must have a burning period of at least:
1 Min.
30 Sec.
2 Min.
5 Min.
Which ships does the ISM code apply to:
Only cargo ships of 1 000 GRT or above.
All passenger ships, all cargo ships of 500 GRT or above.
All fishing vessels.
Only passenger ships over 300 GRT.
When is a machine «securely guarded
When it is fitted with a guard or similar device which prevents foreseeable contact between a person, his clothing or items held in his hands, whilst it is in operation.
When it is turned off and unplugged.
When it is monitored by a safety officer.
When it is enclosed in a locked room.
Which of these weapons are widely available and commonly used by criminals and terrorists to further their aims?
Gun.
Nuclear bomb.
Chemical weapon.
Biological agent.
When handling drugs…
Only wear gloves.
Wear skin protection and a facemask.
No special precautions are needed.
Wear a lab coat only.
Why do some diesel engine manufacturers recommend machining the valve spindle sealing surface with a half degree difference to the valve seat angle?
To improve valve sealing by compensating for pressure and temperature effects on the valve during engine operation.
To reduce manufacturing costs.
To increase the engine’s power output.
To simplify the assembly process.
Thermistors are temperature sensitive devices. A positive temperature coefficient thermistor will typically have:

Relatively non linear characteristic.
A linear characteristic.
A constant resistance across all temperatures.
A negative temperature coefficient.
On finding a person apparently unconscious in a High Voltage switch room, which of the following should be done?
Raise alarm, identify means of isolation and apply before approaching victim.
Immediately approach the victim to check for responsiveness.
Call for medical assistance without taking any further action.
Attempt to revive the victim using CPR.
A mechanical seal, consisting of carbon and ceramic seal rings, is to be fitted to a centrifugal pump shaft. What is the most likely result of not being extremely careful when fitting this type of seal?
The seal rings are brittle and can be easily chipped or damaged.
The seal will wear out faster than expected.
The pump will operate at a lower efficiency.
The installation will be easier and quicker.
During maintenance work on a main diesel engine the fuel injection valve is found to be jammed in the pocket in the cylinder cover. Which of the procedures given in the options should be followed in order to complete the work?
Replace the complete cylinder cover with a spare unit and land the cover with the jammed valve ashore for repair in a specialist workshop.
Attempt to free the jammed valve using a hammer.
Remove the valve and continue operating the engine without it.
Use a welding torch to cut the valve out of the cover.
A large electric motor is being removed from a main seawater pump with the aid of the engine room crane. Which is the best method of starting the lift from the options given?
Use a suitable chain block suspended from the crane hook to «break» the motor free after slackening all of the retaining bolts.
Pull the motor straight up using the crane without any additional equipment.
Use a forklift to lift the motor while the crane is in position.
Start lifting the motor immediately after removing the bolts.
An air compressor is being refitted in the engine room. The compressor and motor are coupled using a flexible coupling and are mounted on a common «skid» which is fixed to the deck with resilient mountings. Which of the statements, from the options given, relating to the alignment of the motor and compressor is true?
Shims should be fitted between the motor and compressor feet and the skid to ensure correct vertical, horizontal and parallel alignment of the coupling halves before it is bolted up.
The motor and compressor should be aligned by adjusting the resilient mountings only.
No shims are needed if the skid is level.
The alignment can be checked after the coupling is bolted up.
The ring expander for removal and refitting of an air compressor’s piston rings is found to be broken and unusable. The work cannot be delayed until a replacement is obtained. Which of the methods given in the options should the ship’s engineers use to complete the work?
Fabricate a conical guide from tin plate or similar with the large diameter just bigger than the compressor piston so the rings can be eased open for fitting.
Use a screwdriver to pry the rings open during installation.
Attempt to fit the rings without any tool.
Wait for the replacement tool to arrive before proceeding.
The end covers for a heat exchanger are held in place by a number of brass studs and nuts. Which of the tools given in the options is best suited for removal and tightening of the nuts?
Adjustable wrench.
Ring spanner or socket.
Pliers.
Flathead screwdriver.
When a ship’s derrick or crane lifts a weight off the deck of a ship, from which position can the centre of gravity of the weight be considered to act?
From the head of the derrick or crane.
From the deck of the ship.
From the midpoint of the weight.
From the base of the derrick or crane.
What is the anticipated rolling period of a ship with a large initial Transverse Metacentric Height (GM) and would there be any associated dangers to consider?
Short sharp period of roll associated with breaking lashings and shifting cargo.
Long slow rolling period with no significant dangers.
Moderate rolling period with increased stability.
No rolling period as the ship remains stable.
The Ziegler-Nichols method is used in control engineering when setting up the system. Which of the system components given in the options would this method be applied to during initial set up?
PID controller for tuning.
Actuator for calibration.
Sensor for adjustment.
Feedback loop for optimization.
With the set point at the actual desired value, a temperature control system is giving an unacceptably large offset (difference between set point and measured value) on high load resulting in a low system temperature. Which of the actions given in the options should be taken to reduce this effect and therefore achieve closer control of the temperature?
Reduce the width of the proportional band for the controller.
Increase the integral time of the controller.
Decrease the gain of the controller.
Add a delay to the control response.
The refrigeration system for the ship’s provisions consists of a number of cold rooms served by a central refrigeration system. The evaporator coils for the vegetable room are found to be frosting up even though the room is down to temperature and the liquid line valve has closed. Select, from the options given, the automatic control component which is likely to be malfunctioning and so cause this condition.
Back pressure control valve.
Expansion valve.
Thermostat.
Liquid line solenoid valve.
As part of a survey of a main steam boiler it is necessary to check the condition of the steam drum. What would be the preferred method for checking drum shell thickness in such a situation?
Use ultrasound equipment.
Visual inspection with a boroscope.
Magnetic particle testing.
Hammer testing for soundness.
An accumulation test may be necessary for a steam boiler following repairs or modifications. Which of the given options does the accumulation test check?
The capacity of the safety valve to relieve pressure.
The efficiency of the boiler’s heat exchange.
The integrity of the boiler’s structure.
The performance of the feedwater system.
During «dry lay up» of a main water tube boiler it is necessary to maintain a dry, low humidity environment in the water spaces. Which of the chemicals given in the options would best achieve this condition?
Silica gel.
Sodium hydroxide.
Calcium carbonate.
Ammonium sulfate.
Chemical boiling out is one method that is used for cleaning the waterside of a steam boiler. Select from the given options the likely circumstances under which this procedure would be considered necessary?
Contamination of the boiler water by oil.
Regular maintenance after a specified period.
Scaling due to hard water deposits.
Routine cleaning before a survey.
A deadweight tester is used to check and calibrate a pressure gauge. The tester consists of a hydraulic pump and a hydraulic chamber and balance weight system. After completing the calibration of the pressure gauge, the hydraulic pressure should be relieved before removing the weights. Select, from the options given, the main reason for this requirement.
To protect the piston in the hydraulic system from possible impact damage as it may reach the end of its stroke.
To ensure accurate readings on the pressure gauge.
To prevent leakage of hydraulic fluid.
To allow the system to cool down before disassembly.
Vibration analysis is often used as a conditioning monitoring tool onboard ship as part of the approved planned maintenance system. Many vibration measuring instruments are fitted with a harmonic filter/analyser. How would these filters normally be used during vibration measurement on a centrifugal pump?
To isolate a single frequency of vibration associated with one of the pump’s components.
To measure the overall vibration level of the pump.
To eliminate all vibrations above a certain threshold.
To average the vibration readings over time.
Compressed air for instrument and control purposes needs to be of high quality. In order to condition the air, filter modules are usually fitted to remove the contaminants. If there is evidence of oil carry over to the final elements in the instrumentation air system, what is the most likely cause?
The coalescer module is saturated and requires renewal.
The air compressor is malfunctioning.
The final filter is clogged.
The system pressure is too low.
The recognised definition of High Voltage equipment is anything that operates at over which of the following levels?
1 000 Volts ac or 1 500 Volts dc.
500 Volts ac or 750 Volts dc.
1 200 Volts ac or 1 800 Volts dc.
600 Volts ac or 900 Volts dc.
High Voltage (HV) cables are smaller than low voltage cables for a given power rating. Why is this?
The HV cable carries a smaller current and therefore requires less copper.
The insulation required for HV cables is thinner.
HV cables are made from lighter materials.
HV cables operate at a higher temperature.
How would you report containers with dangerous goods lost overboard?
«My vessel has lost containers with dangerous goods of IMDG Class….in position…»
«We have misplaced some cargo, please advise.»
«Containers have fallen overboard, no further details available.»
«Lost some containers, but they are not hazardous.»
What do you understand by the initials: EPIRB?
This means: Emergency Position Indicating Radio Beacon.
This means: Emergency Personal Identification Rescue Beacon.
This means: Emergency Protocol Information Relay Beacon.
This means: Emergency Power Indication Radio Beacon.
Select the one option which correctly completes the following statement: A portable ladder…
Should be secured before working from it.
Can be used without any safety measures.
Should only be used in dry conditions.
Must be at least 10 feet long.
During inspection of a cylinder liner for a large, slow speed diesel engine it is found to be worn in a cloverleaf pattern. The greatest points of wear are found to be in way of the cylinder lubricator holes. From the options given, what is the most likely cause of this type of wear pattern?
Cylinder lubricant has too high an alkalinity for the sulphur content of the fuel.
Excessive cooling of the cylinder liner at low load operation.
Fuel impingement on the liner due to faulty fuel injector nozzle.
Insufficient cylinder lubricating oil being supplied.
Some new maintenance routines are being planned and a risk assessment is necessary so that the required procedures can be entered into the ship’s Safety Management manual. Which of the following should be the first step in this risk assessment process?
Identify the hazards that may exist which may affect personnel involved with the maintenance routines.
Identify the safety precautions that may be necessary to prevent injury or harm to personnel carrying out the routines.
Identify who may be harmed or injured in carrying out the maintenance routines.
Identify how much it will cost to implement the necessary precautions to prevent injury to personnel.
How often must the Emergency Steering Gear be tested, and how is this information recorded in the OLB?
Every three months. Details of test with signatures of Master and witness.
Monthly, with signature of Chief Engineer and witness.
Monthly, with signature of person carrying out test.
Fortnightly, with signature of Chief Engineer and witness.
During a scavenge port inspection of a diesel engine the piston rings on all units were seen to display the signs of the early stages of microseizue. What action should be taken to ensure that the progress of the microseizure is stopped and the rings recover?
Increse cylinder oil feed to all units. Check the fuel quality and operation of fuel oil purifiers and filter.
Decrease cylinder oil feed to all units.
Run the engine at reduced load.
Replace all of the piston rings.
What should the expansion valve superheat setting be in order to get the best possible efficiency from a refrigerator evaporator?
5-10 degrees Celsius.
25-30 degrees Celsius.
40-50 degrees Celsius.
Minus 18 degrees Celsius.
A heat exchanger of the tube and shell type is used for cooling lubricating oil with seawater as the secondary fluid. Which of the options would indicate that the tube stack was becoming fouled (scaled or coked) rather than blocked?
A reduced temperature difference between the seawater inlet and outlet and also between the lubricating oil inlet and outlet.
An increase in the temperature difference between the seawater inlet and outlet and a reduced temperature difference between the lubricating oil inlet and outlet.
An increased temperature difference between the seawater inlet and outlet and also between the lubricating oil inlet and outlet.
A reduced temperature difference between the seawater inlet and outlet and an increase in the temperature difference between the lubricating oil inlet and outlet.
Who is responsible for maintaining the vessel’s structural strength?
The master.
The classification society.
The management company.
The flag state administration.
In the context of an automated control system, which controller must be tuned first in a cascade control system?
The secondary controller.
Both at the same time.
Any one of them.
The primary controller.
Which of the following requirements regarding on board stability data corresponds to present regulations? (NSCL 4/12.1).
A calculation example showing the use of “KG” limitation curves.
Stability data produced by stability caluclation instruments.
A calculation example showing use of “GM” limitation curves.
Drawings and calculations documenting the stability of the ship, both in intact and all possible damage condition.
A positive displacement, rotary type, volumetric flow meter reads low with an error reading of 1 % when used to measure flow of heavy oil and 2,5 % when used to measure the flow of diesel oil. From the options given select the most likely cause of this difference in error?
The meter is worn internally.
The low lubricity of the diesel oil is increasing the friction in the rotating element and slowing the rotor down.
The higher viscosity of the heavy oil is slowing down the rotary element in the meter.
The lower mass of diesel oil results in a lower reading.
The fuel consumption for the main engine is calculated using the readings from the supply and return flow meters which are of the positive displacement type. When compared to the quantities calculated from tank soundings and calibration tables and indicated on the contents gauges the consumption appears consistently high. Which of the options given is the most likely cause of this discrepancy?
The return flow meter is giving a low reading due to internal wear.
The supply flow meter is giving too high a reading due to internal wear.
The tank contents gauges are calibrated for the wrong fuel type.
The tank calibration tables are incorrect.
What principle of measurement are viscosity controllers usually based on?
Measurement of differential pressure.
Measurement of two different temperatures.
Measurement of flow.
Measurement of temperature.
In which of the following automated control processes will the time constant be of minor importance?
Level control.
Pressure control.
Flow control.
Temperature control.
Once the Safety Management System is verified and working effectively, what document is issued to the ship?
The Document of Compliance.
The ISM Certificate.
The Document of Conformance.
The Safety Management Certificate.

🤝 Support Our Work

To continue the project, we need your help!
700
110
🚀 Boosty ❤️ Patreon
⭐ Buy Premium 📄 Buy PDF-files with tests
👥 We are supported:
Vitaliy, Gennadiy, Reggae Denz, Elvin Cmi, Paul Jack, Pana
and 26 others
There are also transfers to the card • Thanks to everyone!

Did you find mistake? Highlight and press CTRL+Enter

Verified by
Vladimir Filatov
Chief Officer
About

Senior Mate with 12+ years of experience in the international merchant marine.

  • Development and implementation of navigation and on-board safety plans.
  • Supervising the work of the crew and assisting the captain in managing the vessel.
  • Participation in training of junior crew, ensuring compliance with safety standards.

All materials have been checked by our marine expert.

Personal data is not disclosed for security and contract confidentiality purposes.

January, 04, 2024 10913 1
5/5 - (4 votes)
Social Telegram Vk Facebook OK Instagram
Comments
  1. Michael P. Somblingo
    05.12.2025 в 15:44

    Very Satisfactory, it help a lot. Thank you so much..

Add a comment