.
Site categories
1/ Help
:

Crew Evaluation System test online for seamans about EE, Management Level

Join Our Telegram (Seaman Community)

Welcome to the website where you can pass online the CES test version 6.0 on the subject «Electrical, electronic and control engineering». Practice like this will help you as a marine specialist improve your knowledge with the help of online studying and appraisal practice. CES based on practical information and marine specialists experience.

CES tests developed for evaluating seaman basic knowledge by Seagull Company (rebranded as «OTG»), is an evaluating online-tool, used for revealing any professional preparation needed in specific fields of knowledge, defined by STCW.

  • Version: 6.0, 6.0.9.
  • Test type: STCW.
  • Department: Electrical, electronic and control engineering.
  • Level: Management.
  • Vessel type: any.

CES tests have proven themselves as good tools for the selection and recruitment process, as well as advancing the level of knowledge of the current officers and crew. Ocean Technologies Group use various subjects for question creation, which includes:

  • Crowd and Crisis Management;
  • Integrated Navigation System (INS);
  • Ballast water management;
  • Handling and Stowage;
  • Vessel operation management and safety;
  • Marine engineering;
  • Maintenance and repair, etc.

Current test contains Seagull CES questions on the subject «Electrical, electronic and control engineering». Those questions can be used for competence verification specialist capable of preventing accidental situations related with transporting safety, or also for self-examination.

«EE – Management level» subject includes theoretical and practical information about advanced training for work on any type of vessel. Individuals specializing in Electrical, Electronic, and Control Engineering on a ship are responsible for maintaining and troubleshooting electrical, electronic, and control systems critical for the vessel’s operation. Their duties include conducting regular inspections, repairs, and upgrades to ensure the reliability and efficiency of equipment such as generators, navigation systems, and communication systems. Additionally, they play a crucial role in implementing safety protocols, conducting risk assessments, and providing technical support to ensure seamless operations and compliance with maritime regulations.

On this site Crew Evaluation System Test on the subject «Electrical, electronic and control engineering» contains 152 questions you need to answer with no possibility to go back to previous question. Therefore, we recommend carefully reading each question and making decision with no hurry. In case you have some difficulty answering, you have also possibility to request a hint.

The test includes three modes. In the Training mode, you go through 60 questions with the option to take a hint, while in the Exam mode, this option is not available. We have also developed another mode – Wild, where you can answer all the questions available in the test at once. Enjoy!

Choose the regime, in which you want to pass CES test:

Training - CES test
Training

Exam - CES test
Exam

Wild Mode
* Some questions may have more than 1 correct answer.

“CES test” finished! Your result:
Correct answers:

Use the search below to find question.

Amount of questions: 152.

Right answers marked with this sign .

Code: #dxvue8n “Protective discrimination” means the progressive grading of sizes or tripping times of:

Electrical Scheme 1

Line fuses and overcurrent relays.
Magnetic and thermal current transformers.
Generators and motors.
440 V and 220 V transformers.
Code: fsvILljW The figures show a graphical symbol for a particular electronic component and a typical working characteristic for the same component. Which component?

Silicon controlled rectifier

Silicon controlled rectifier (SCR).
Tunnel diode.
Zener diode.
Field effect transistor.
Code: OY2ZxO1i Ordinary thyristors (SCR) must often be protected against reverse overvoltage transients. This is because they can be damaged by over-voltage, even if it is of extremely short duration. These SCRs have been given such over-voltage protection, but only one of them is correct. Which one is it?

Scheme: SCR

Figure 1.
Figure 2.
Figure 3.
Figure 4.
Code: OY2ZxO1i Diodes are widely used in rectification, or the conversion of alternating current to direct current. The sinusoidal input voltage V(in) is applied to the circuit shown. Which of the output voltages is correct?

Electrical Scheme 3

Figure 1.
Figure 2.
Figure 3.
Figure 4.
Code: XptmDdf$ What could the wheelman be asked to do, to help in the preparations to leave the berth and go to sea?
Test the steering by putting the wheel hard over both ways.
Help the after team let go the ropes.
Standby in the mess room until called to the bridge.
Help the forward team let go the ropes.

Code: qB3AgYse Where is the “FORECASTLE” in the figure?

Vessel - scheme

The Forecastle is indicated by B.
The Forecastle is indicated by C.
The Forecastle is indicated by A.
The Forecastle is indicated by D.

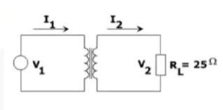
Code: 9jMo4yaN This circuit shows a transformer with two windings, N (1) = 2 000 and N (2) = 1 000 turns, on a common magnetic circuit. Assume that there are no energy losses in the transformer itself. Calculate the output voltage V (2) when the input voltage is V (1) = 100 Volt.

Electrical Scheme 6

V (2) = 50 V.
V (2) = 400 V.
V (2) = 10 V.
V (2) = 200 V.
Code: tMU9IW6N Which cell voltage is required to trickle charge a lead acid battery?
2,15 V.
2,0 V.
2,5 V.
1,2 V.
Code: SMF$93EN During an anchoring operation, what does the bridge team mean when they ask “How is the chain leading”?
The bridge would like to know the direction of the anchor cable from the hawse pipe.
The Master is asking the Chief Officer whether the ship needs to be moved forward and take the weight off the anchor cable.
The Master is asking the Chief Officer whether the vessel is dragging anchor.
I don’t know.

Code: rZt#A4Hz What do you call the wide rung on a pilot ladder that prevents the ladder from twisting?
The wide rung on a pilot ladder that prevents it from twisting is called a “Spreader”.
The wide rung on a pilot ladder that prevents it from twisting is called a “Wide step”
The wide rung on a pilot ladder that prevents it from twisting is called a “Long rung”
The wide rung on a pilot ladder that prevents it from twisting is called a “Ani-twist rung”

Code: R$aCbaXJ On the diagram, what is the area at the forward end of the vessel shown by the letter “A”? It is normally raised by one deck above the main deck.

Diagram of the ship

Fo’csle or Forecastle.
Poop.
Crows nest.
Forward bridge.

Code: oROnIRtU Where is the “PORT QUARTER”, in the figure?

Port quarter on diagram

The Port quarter is D in the figure.
The Port quarter is A in the figure.
The Port quarter is B in the figure.
The Port quarter is A in the figure.

Code: ZJ3jNAcU Which is the “CAPSTAN” in the figure?

Location of capstan onboard

The Capstan is indicated by A in the figure.
The Capstan is indicated by B in the figure.
The Capstan is indicated by C in the figure.
The Capstan is indicated by D in the figure.

Code: zYZXJC#g The pressure inlet to a pressure gauge is varied from zero to full scale and back to zero again. The output (indicating pressure) versus true pressure is shown in the diagram.The non-coincidence (mismatch) of loading and unloading curve is due to internal friction in the instrument. What do we call this phenomenon?

Diagram - output versus true pressure

Hysteresis.
Threshold.
Dead band.
Resolution.
Code: A$zNJfhj In a PID controller it is possible to change the setting of the Proportional band (P), the Reset time (I) and the Rate time (D). Please indicate which curve shows the typical response to a step change in input, if the setting of the reset time is too small.

Different curves of response (PID)

Figure 3.
Figure 1.
Figure 2.
Figure 4.
Code: 7UjcYq2Z What is name of the machine shown, used to heave on the ropes during mooring and unmooring?

Winch machine

Winch.
Crane.
Windlass.
Capstan.

Code: 7sESeW#T In fresh water tank we are using a pressure transmitter with a range of 0-0,5 bar/4-20 mA for level measurement. The transmitter is installed 30 centimetres from the bottom of the tank, and the tank is 5 meters high. What will the output from the transmitter be when the tank is empty?
4 mA.
5,2 mA.
2,8 mA.
2 mA.
Code: dQV7S08Q Can a ZENER BARRIER be installed in a hazardous area?
No, as only the output from the barrier is intrinsically safe this is not allowed.
Yes, that’s what the zener barrier is made for.
Only if properly marked for such installation.
Only in equipment operating on very low voltage.
Code: y0x5qVd2 The inductance which will induce an EMF of 1 Volt in a conductor when the current is changing at a rate of 1 Amp per second, is defined as:
One Henry.
One milliHenry.
One Farad.
One Reactance Unit.
Code: iyDqZY3D Which of the following methods may a diode may be tested by?
Use a Digital Multi-Meter set to check forward voltage and reverse current blocking.
Connect to low ohms resistance tester.
Use an insulation resistance tester (Megger).
Use a Digital Multi-Meter set to measure ohms in forward and reverse directions.
Code: z2$uAFLF When starting three phase induction motors which of the following starting methods will immediately apply rated voltage to the machine?
Direct on Line.
Auto-transformer.
Star Delta.
Soft starter.
Code: #On667J9 The picture shows the component parts of a fluorescent light (items 10 to 14) above a circuit diagram (items 1 to 9). Between which terminals of the circuit should the ballast (or choke) be connected?

Scheme of fluorescent light

1 and 9.
3 and 4.
1 and 2.
5 and 6.
Code: Xk7NSEqd A cable has a resistance of 100 milli-ohms. It supplies a 300 A load over a distance of 100 metres. What is the voltage drop along it’s length?
30 Volts.
3,0 Volts.
300 milli-Volts.
300 Volts.
Code: 6OEWyRhG In a closed loop control system the error signal is derived from which of the following?
The demand and the feedback signal.
The process and the demand.
The process and the feedback sensor.
The tolerance of the feedback sensor.
Code: p7Bog$MC A thermistor which provides feedback for a thermal control system is suspected to have failed. Assuming there is no available direct/identical replacement for thermistor, which of the following methods may be used to prove it has failed?
Disconnect the thermistor lead from the controller and replace with a mV source.
Disconnect the thermocouple lead from the controller and replace with a mA source.
Connect a mA source in parallel with the thermocouple connections.
Connect a mV source in parallel with the thermocouple connections.
Code: DoKfnI7Y A galley hot plate uses a Nichrome / Magnesium Oxide heating element and is to be tested before being put into service for the first time. An insulation resistance test yields a reading of 0,3 M Ohm. Which action should be taken?
Apply reduced voltage to the element for a few minutes. Then retest and if ok put into service.
Discard the element.
Wash the element in a degreasing agent. Then retest and if ok put it into service.
Put the element into service.
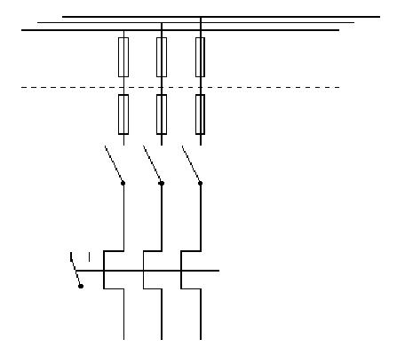
Code: GrK8TOVR A High Breaking Capacity fuse found in a Main High Voltage Switchboard will typically have fault level rating of?

Electrical Scheme 7

40 kA.
40 A.
400 A.
4 000 A.
Code: l1Pqc0cv When there is a need to interrupt current flow in a high voltage system it may be very difficult to quench the electrical arc which is generated at the circuit breaker contacts. Which of the following arcing media is commonly found in high voltage marine switchgear?

Electrical Scheme 8

Vacuum.
Air.
Water.
Oil.
Code: h$apjKg9 Three earth lamps indicate (under no test mode) – bright – bright – dark. Which of the following is indicated by this condition?
No faults on the system but a failed lamp.
Two phases have a partial fault to earth and one is good.
Two phases are good and one has a hard fault to earth.
Two phases are good and one has a partial fault to earth.
Code: 7QT5JDhb Continuity testing of a delta connected three phase induction motor yields the following results; U – V = 3 ohms, V – W = 3 ohms, W – U = 6 ohms. Which of the following is the likely condition?
Open circuit winding between W and U.
Short circuit winding between W and U.
Short circuit between V and Earth.
Partial fault between W and U.
Code: uz$A3#Gj The continuity resistance of a 100 m long × 25 sq. mm cable (rated at 100 A) is to be checked. Which of the following results would you anticipate?
Between 0,1 and 1,0 Ohm.
Greater than 1 M Ohms.
Between 0,1 and 1,0 Micro Ohm.
Between 0,1 and 1,0 M Ohm.
Code: p621C5Pc A 250 V contactor has been fitted to a 220 V supply. Which of the following symptoms might be observed?
Contactor chattering (vibrating).
Contactor overheating.
Contactor wont operate.
Contactor constantly on.
Code: Dy7ujBdk Which of the following is the minimum acceptable value of insulation resistance for High Voltage equipment?
100 M Ohms.
1 G Ohms.
1 M Ohms.
100 k Ohms.
Code: b34ZX1NC When selecting switchgear to work with High Voltage it is important to use an appropriate arc quenching medium. What is meant by arc quenching medium?
The gas, liquid or vapour which will minimise creation of an electric arc as contacts open.
A material which assists a welding process.
Equipment which communicates information about the arcing.
The way in which the contacts separate as the switchgear operates.
Code: k1$X#GZc High Voltage systems rely on the installed protective equipment being able to interrupt any fault in the system. Throughout the system, the fault level has been calculated, and under no circumstances must the system be modified to exceed this fault level. What is meant by fault level?
The amount of apparent power that could flow into any fault at any point in the electrical network.
The current level flowing into a symmetrical short circuit fault between all three phases.
The current level flowing into a dead short to earth at any point on the ship, directly from the High Voltage System.
Code: hDAX59Gp What type of Ex equipment is suitable for installation in Zone 0 hazardous area?
Ex i.
Ex ii.
Ex a.
Code: WTUD When we are measuring salinity with a salinometer, the type of sensing device is:
Electrodes.
Inductor capsule.
Capacitance probe.
Strain gauge.
Code: BFGX In an automatic temperature control system, operating with a PID controller which of the following settings or parameter adjustments may result in system oscillation?
Gain too high.
Gain too low.
Temperature change.
Too short D-time.

What are the main elements for Process Control?
Process, Sensor, Final control element and Controller.
Sensor, Modulation, Controller, Process.
Sensor, Controller, Noise, Final Control Element.
Resistor, Capacitor, Battery, Load.

Following shows circuitry of a peak detector. What is the output voltage curve, Vo if Vi is a sinusoidal input curve?

Scheme - peak detector

Vo will be the same sinusoidal curve but at a lesser amplitude.
Vo will peak when Vi is at the maximum, remain constant and fall to zero when Vi becomes negative.
Vo will spike when Vi is at the maximum/minimum point of the sinusoidal curve; zero everywhere else.
Vo will peak at a level less than Vi maximum voltage and remain constant throughout.

Code: THJL When selecting switchgear to work with High Voltage it is important to use an appropriate arc quenching medium. What is meant by arc quenching medium?
The gas, liquid or vapour which will minimise creation of an electric arc as contacts open.
Equipment which communicates information about the arcing.
The way in which the contacts separate as the switchgear operates.
A material which assists a welding process.

Code: PEBH A 250 V contactor has been fitted to a 220 V supply. Which of the following symptoms might be observed?
Contactor chattering (vibrating).
Contactor overheating.
Contactor wont operate.
Contactor constantly on.

Code: AOML Which cell voltage is required to trickle charge a lead acid battery?
2,15 V.
1,2 V.
2,5 V.
2,0 V.

An important quantity which is useful in circuit analysis is known as conductance G (Siemens). Which of the formulas express the conductance for this circuit?
Conductance G Siemens
G = 1/R.
G = R*I.
G = 2R.
G = I/R.
I don’t know.

A 5 V DC source has an internal impedance of 0,2 ohms. When a load of 2,3 ohms is applied what voltage will be measured at the source terminals?
Scheme of sources
4,6 V.
4,8 V.
5,2 V.
5,0 V.
I don’t know.

What principle of measurement are viscosity controllers usually based upon?
Measurement of flow.
Measurement of two different temperatures.
Measurement of temperature.
Measurement of differential pressure.
I don’t know.

What is the maximum current that a 15 V, 3 Watt Zener diode can handle without damage?
0,2 A.
0,45 A.
0,5 A.
20 A.
I don’t know.

The inductance, which will induce an EMF of 1 Volt in a conductor, when the current is changing at a rate of 1 Amp per second, is defined as:
One Henry.
One Reactance Unit.
One milliHenry.
One Farad.
I don’t know.

The typical current gain for a common emitter transistor is:
10-200.
1-5.
500-5 000.
1-100 000.
I don’t know.

The instrument most widely used for testing of semiconductor diodes is:
Multi-meter.
Voltmeter.
Ammeter.
Oscilloscope.
I don’t know.

A 6-Volt DC relay is to be used with a 12-Volt power supply. The relay requires a current of 0,1 Amp. What is the series resistance required?
60 Ohm.
80 Ohm.
480 Ohm.
120 Ohm.
I don’t know.

Code: 0Bis6aMg In the diagram, which letter is pointing to the area of the ship known as the “STERN”?

Vessel - position of the stern

The Stern area is indicated by C.
The Stern area is indicated by B.
The Stern area is indicated by A.
The Stern area is indicated by D.

Some ships generate electrical power at 440 V, but then step up this voltage to supply specific electrical equipment. One common example, may be to feed a large bow thruster. Why is this done?
The overall ship’s electrical load does not justify a High Voltage generating plant. This method allows more power to be delivered to the bow thruster at low running cost.
Manufacturers can supply High Voltage bow thrusters at less cost, and the power factor is improved.
A large bow thruster will draw very large currents at low voltage. Being typically remote from the generator, significant voltage drops would occur at low voltage.
The shipyard could not purchase a High Voltage generating plant at the time of manufacture, so they used what was available at the time.
I don’t know.

When work must be done on High Voltage equipment, it is vital that the equipment is earthed (grounded) after isolation procedures have been carried out. Why is this?
To provide a reference point, and so ensure accuracy of any test results.
To ensure that it is dead, even if there was a flaw in the isolation procedure.
To ensure that no energy remains in the system, and that it cannot be recharged by external influences.
To ensure that the equipment does not overheat due to currents circulating through earth (ground).
I don’t know.

When selecting switchgear to work with High Voltage it is important to use an appropriate arcing medium. What is meant by arcing medium?
The gas, liquid or vapor, which will minimize creation of an electric arc as contacts open.
Equipment, which communicates information about the arcing.
A material, which assists a welding process.
I don’t know.

Sometimes an early warning of failure in High Voltage switchboards may be an unpleasant smell. If the switchboard uses gas circuit breakers, which of the following may indicate a potential problem?
Rotten eggs.
Rotten fish.
Chlorine.
Gas oil.
I don’t know.

Code: kS1kAfST Why could dirty and oily areas of the deck be dangerous?
They may cause people to slip over and hurt themselves.
They show the ship is not efficient.
They are areas which should be cleaned up.
They do not look good to the customers.

Code: LMBqQISK What do you understand by “Bitter end”?
Bitter end means: the end link of an anchor cable that is secured within the chain locker.
Bitter end means: a foul taste at the end of a meal.
Bitter end means: the toggled end of a lifeboat painter.
Bitter end means: to the very last moment.

Code: hRpnAXNP In the diagram, which letter is indicating the position “MIDSHIPS”?

Position of midship onboard

Midships is indicated by B in the figure.
Midships is indicated by D in the figure.
Midships is indicated by C in the figure.
Midships is indicated by A in the figure.

Code: xWaGrnSFR When keeping a lookout, what would be the correct understanding of the question “What is the aspect of the other ship”?
The question is requesting some indication of what lights or part of the vessel is seen.
The question is requesting where on the horizon the other ship was sighted.
The question wants to know what type of ship has been sighted.
The question is requesting some idea of how far away the other ship is from your own ship.

Code: m9lvxTiq What is understood by the term “take the helm”?
Take over the steering of the ship.
Take over heaving of a rope.
Change the place where the lookout is standing.
Take a message to another officer.

Code: eOGcnaCR Would there ever be the need for two lookouts on the Bridge watch?
Yes, possibly whne there is dense fog and heavy traffic.
Every night there should be two lookouts, one on each bridge wing.
Never necessary.
No, one lookout is sufficient even in fog.

Code: rReo85CC If the order is given to a mooring deck to “make fast”, what would happen?
Make fast means to apply a lashing to a coiled mooring rope.
Mooring ropes are transferred from a winch drum to the bitts.
Make fast means to set very quickly.
Mooring ropes are transferred from a storage drum to a winch to start heaving.

Code: SBbgPS9Q What is a ship’s “Gangway”?
A Gangway is a portable means of access between the ship and the shore.
A Gangway is an interval of time between a change of working gangs, on board.
A Gangway is the means of access into the cargo holds.
I don’t know.

Code: 3j#1#KDJ What is meant by the term “bunkers”?
It means the number of available bunk spaces available on the vessel.
It means fuel oil used in the ship’s engine(s).
It refers to the storing of lubricating oil.
It is a measure of the quantity of oil; cargo loaded.

Code: bkFK1Qtx What type of component does this graphical symbol illustrate?

Special symbol

Pressure-reducing regulator.
Flow controller.
Pressure relief valve.
Pressure switch.
Code: JNycZubG The power requirements for the excitation winding/circuit for a 3-phase alternator operating at rated output power are supplied by:
The alternators output itself via the automatic voltage regulator and the prime mover.
Independent power supply and rectifier unit.
Independent battery supply with the AVR.
The main switchboard via a three phase rectifier.
Code: LAmiWEvV Ship’s generators must be synchronised before they can be connected to the same supply network. Prior to synchronising, the generator voltage and frequency are respectively adjusted by:
AVR and speed governor.
Voltmeter and frequency meter.
Speed governor and load power factor controller.
Synchroscope and speed governor.
Code: yr3fhk9R A motor is protected by a thermal overcurrent relay. After tripping on overload it will not be possible to reset the overcurrent relay immediately because the:

Electrical scheme

Bimetallic strips need time to cool down.
Line contactor spring has to be reset.
Oil dash-pot has to be reset.
Starter isolator automatically applies an interlock.
Code: tMPE1iAh What does a generic data frame consist of with reference to data transmission?
Flag pattern, address field, control field, text, block check.
Flag pattern, address field, control field, text, block check, modulation check.
Flag pattern, address field, text, block check.
Flag pattern, address field, control field, text, modulation check.
Code: kPqjj4k4 Bright dots are scattered at random extending from the centre to the edge of the Radar display. What could be the possible cause?
Interference from another radar of same frequency within the vicinity.
Indirect echo from a passing ship.
Dirt on the radar.
Obstruction e. g. mast located in the path of the radar.
Code: GIRmjxUn A diode is used to convert AC to DC. What term is it is usually referred to as?
Rectifier.
Regulator.
Controller.
Alternator.
Code: ET#DC4CH A 450 volt 3 phase brushless alternator will have the following combination of items mounted on the rotor:
3 phase excitation winding/rectifier bank/main field winding.
3 phase excitation winding/main field winding.
Excitation field winding/main field winding.
1 phase excitation field winding/rectifier bank/main field winding.
Code: C9WcN3z2 The correct time to synchronise is usually taken to be when the synchroscope reaches the “5 to 12” position and is rotating slowly clockwise. This to allow for:
Circuit breaker operating time.
Synchroscope error.
Generator phase difference error.
Synchroscope pointer time lag.
Code: SJfvPWkN Personnel in a high voltage switchroom smell ozone. Which of the following is the likely cause?
Arcing at badly connected bus bars.
Vacuum circuit breaker problems.
Transformer overload.
Air circuit breaker problems.
Code: DE2rldEa The physical size of a resistor is an indicator of a particular specification. What is it?
Power dissipation capability.
Resistivity.
Tolerance.
Total resistance.
Code: WObb2J53 What is the main difference between a THERMOSTAT and a TEMPERATURE TRANSMITTER, if any?

Thermostat vs Temperature Transmitter

The thermostat has one or more contacts (open or closed) depending on the temperature/setting. The temperature transmitter converts a temperature signal to an electric signal.
There is no difference.
The thermostat gives out an analogue signal depending on the switch setting. The temperature transmitter gives out a binary signal depending on the temperature.
The temperature transmitter is a digital component while the thermostat is an analogue component.
Code: M11WAJTJ Which of the following systems will include a D/P transmitter in the control-loop?
Pressure.
Smoke indication.
Temperature.
Oil mist.
Code: wDHRi6Eo This circuit consists of two resistances, R1 = 6 ohm and R2 = 12 ohms, connected in series. Calculate the equivalent resistance R(S).

Resistors

R(S) = 18 ohm.
R(S) = 4 ohm.
R(S) = 1,5 ohm.
R(S) = 72 ohm.
Code: 1#tKwtjn What is the resistance value of this resistor?

Resistor

1 M ohm.
2,3 k ohm.
230 k ohm.
68 k ohm.
Code: lCrUg7gj Generators work on the principle of electromagnetic induction. The internal e. m. f. generated in the phase windings of an a. c. generator is controlled by:
The diesel speed and excitation current.
The internal volt drop and the residual magnetism.
The diesel speed, magnetising force and load current.
The internal volt drop and the load current.
Code: MEfNrThV Regular (at least weekly) testing of the emergency generator must be performed to check:
Its readiness to perform as specified.
Its environmental noise factor during emergency fire-drills.
Its compliance with the shipbuilder’s recommendations.
Its voltage/current and prime mover characteristics.
Code: IGCZq92P The function of the fuses in a motor starter circuit is to provide:

Electrical schematic

Short circuit protection.
Under voltage protection.
Overload protection.
Over voltage protection.
Code: nmh#iRfZ Electrical equipment has to operate over a certain voltage level in order to be defined as High Voltage. What are these voltage levels?
1 000 Volts AC or 1 500 Volts DC.
33 000 Volts AC or DC.
440 000 Volts AC or DC.
1 000 Volts AC or 750 Volts DC.
Code: acwpg#MR When calibrating an instrument what is the most common first step in the procedure?
Adjustment of Zero-point.
Adjustment of linearity.
Adjustment of range.
Adjustment of span.
Code: ihcKxD1y Consider generator 1 and 2 to be initially working in parallel. If prime-mover 2 suffers a total fuel loss what is the likely outcome?
No. 2 generator trips on reverse power.
No. 1 machine overloads and trips out on overspeed.
No. 1 machine overspeeds and trips out on overload.
Generator set 2 trips on reverse speed.
Code: CpnOE1uQ What is the difference between a PRESSURE SWITCH and a PRESSURE TRANSMITTER, if any?

Pressure switch and pressure transmitter

The pressure switch has contact(s) that will change between open and closed position. The pressure transmitter converts a pressure signal into an electric signal.
The pressure switch gives out an analogue signal depending on the switch setting. The pressure transmitter gives out a binary signal depending on the pressure.
The pressure switch gives out a digital signal dependent on pressure and temperature. The pressure transmitter converts a pressure signal to a digital signal.
There is no difference.
Code: xfze0YXn Which of the following is not a colour transmission standard for TV?
ANSI.
SECAM.
PAL.
NTSC.
Code: vaiieeCc With reference to OSI or Open Systems Interconnection model, what are the software layers?
Session, Presentation, Application.
Session, Application, Network.
Session, Transport, Presentation.
Session, Transport, Network.
Code: zQdcPxp9 When paralleling two alternators they must have:
Same voltage, phase sequence, phase angle and frequency.
Same frequency, voltage and power factor.
Same phase rotation and voltage rating.
Same number of phases, phase rotation and power rating.
Code: QG6wAy#X Which component does this graphical symbol illustrate?

Pressure indicator

Pressure indicator, installed on panel/console.
Pressure relief valve, self-contained.
Pressure instument, installed locally.
PH analyzer.
Code: WMhQWC1y A digital transmission line is suffering from attenuation and is badly distorted. What is the corrective measure to be taken?
Install repeaters.
Replace the transmission line with a new one.
Replace the controller with a new one.
Install a new coder.
Code: B8cMN22l A ship has an electrical system rated at 690 Volts. Which voltage level is this?
Low voltage.
Intermediate voltage.
Medium voltage.
High voltage.
Code: gG1uPFM6 In terms of electrical units, what does the abbreviation Hz stand for?
Frequency in Cycles per second.
Measure for Resistance.
Frequency in Direct Current (DC).
Revolution per minute.
Code: Jlm8FdLK A 450 volt, 859 kW rated generator has not been in operation for several weeks. Prior to starting, insulation resistance readings are taken. The minimum acceptable insulation resistance reading on the main stator winding to allow you to proceed with running the generator is:
1 000 000 ohms.
1 000 ohms.
10 000 ohms.
10 ohms.
Code: Sh5hKS4M Which of the following voltage levels would be regarded as high voltage on board a ship?
6,6 kV.
440 V.
690 V.
220 V.
Code: wu#F8z0d What determines the power factor of an alternator when it is connected singularly to the switchboard?
The load connected to the switchboard.
The excitation voltage.
Number of pairs of pole coils in the excitation winding.
The generated voltage and AVR setting.
Code: UYCZHU8a A thermistor may be used to measure temperature. Which of the following description most accurately describes this device?
Temperature sensitive semi-conductor.
Junction of two dissimilar metals.
Platinium wire resostor.
Capacitance probe.
Code: dyoGg2JP This circuit consists of two resistances, R(1) = 12 ohm and R(2) = 6 ohm, connected in parallel. Calculate the equivalent value R(S) of the two resistances.

Electrical Circuits

R(S) = 4 ohm.
R(S) = 2 ohm.
R(S) = 18 ohm.
R(S) = 1,5 ohm.
Code: OlgUCG7D Use Kirchoff’s voltage law and Ohm’s law to calculate the voltage V2 across the resistance R2.

Electrical scheme

4,5 V.
0,75 V.
6 V.
2 V.
Code: Oxfdqlc7 Which of the following options may be used as a brief summary of how to safely make high voltage equipment accessible?
Disconnect, isolate, earth (ground).
Shed load, Earth (ground), disconnect, isolate.
Disconnect, earth (ground), isolate.
Shed load, isolate, Earth (ground).
Code: BoRL7evt In terms of instrumentation and measurement, what is an I/P Transducer?
A transducer that converts a known electric current to a pressure proportional to the current.
A transducer that is inverting a pressure signal.
A transducer that converts a pressure to a proportional electric signal.
A transducer that increases a pressure signal which is too low to give the desired effect.
Code: eVNt$AxB Which electronic component does this graphical symbol represent?

Transistor

Transistor.
Diode.
Tunnel diode.
Silicon controlled rectifier.
Code: dhxiFD3M After main power is restored (following a blackout), a timed sequential restart of motor-driven auxiliaries is necessary to avoid:
Generator overload due to many motors starting at simultaneously.
Overloading creating earth faults.
Over-frequency due to overspeed of generator.
Overvoltage due to current surges.
This circuit consists of a current source I, a change-over switch S, a resistor R and a capacitor C. The current/time figures 1 to 4 show possible changes in the current I when the switch S is suddenly shifted from position 1 to 2 at time t = 0. Which diagram is correct?

Electrical scheme 1

Figure A.
Figure B.
Figure C.
Figure D.
This circuit consists of a voltage source V, a change-over switch S, a resistor R and a capacitor C. The voltage/time figures 1 to 4 show changes in the voltage V(C) when the switch S is suddenly shifted from position 1 to 2 at time t = 0. Only one of the diagrams is correct. Which?

Electrical scheme 2

Figure 2.
Figure 3.
Figure 4.
Figure 1.
Code: xHjqO6y7 Two alternators are operating in parallel at 75 % load capacity, but one of them trips without any warning. What is the first action that should be taken?
Trip/stop all nonessential loads that are connected to the switchboard.
Check the circuit breaker of the tripped alternator.
Increase the load on the remaining alternator.
Restart the tripped alternator immediately.
Code: 0Ro8NHv2 For two generators running in parallel, their share of additional load (kW) will be determined by the:
Governor droop settings on each prime mover.
Voltage droop setting on each AVR.
Frequency settings of the generators.
Load sharing controllers installed on each generator.
Code: ZFcvBn83 Which electronic component or system of components does this graphical symbol illustrate?
Inverter.
Low pass filter.
Capacitor.
Resistor.
Code: E2LXwpjE Thermocouples are often used for measuring temperatures. Which of the following descriptions explains the principle of operation of a thermocouple?
A junction between two dissimilar metals that generates a small voltage with temperature.
A resistance device that exhibits a positive coefficient of resistance with temperature.
A liquid-filled sensor that expands with temperature.
A bimetallic strip that bends with temperature changes.
Code: iCZWL$Kz Measurement and transmission of electronic values may be in the form of digital or analogue signals. What is an analogue signal?
A continually variable electric signal.
A measure of voltage using an oscilloscope.
A discrete value representing a specific measurement.
A signal that can only be processed by digital devices.
Code: ZV0IZ0JB A digital transmission line is suffering from attenuation and is badly distorted. What is the corrective measure to be taken?
Install repeaters.
Replace the transmission line with a new one.
Increase the bandwidth of the transmission line.
Use a different modulation technique.
Code: gvUbGUVY Which of the following is not a form of multiple access to a communication satellite?
Carrier-sense multiple access.
Frequency-division multiple access.
Time-division multiple access.
Code-division multiple access.
What should be the healthy continuity resistance of a 220 V, 2,2 kW, 10 A heating element, when checked near to it’s rated operating temperature?
22 Ohms.
220 Ohms.
0,1 Ohms.
10 Ohms.
Which of the following tripping methods does not provide overcurrent protection?
Preferential trip.
Electromagnetic trip.
Electronic trip.
Thermal trip.
Use Kirchoff’s current law and Ohm’s law to calculate the value of the current I for this circuit.

Kirchoff's current law

22 A.
72 A.
48 A.
2 A.
When starting three phase induction motors which of the following starting methods will immediately apply rated voltage to the machine?
Direct on Line.
Star Delta.
Auto – transformer.
Soft starter.
Continuity testing of a delta connected three phase induction motor yields the following results; U-V = 3 ohms, V-W = 3 ohms, W-U = 6 ohms. Which of the following is the likely condition?
Open circuit winding between W and U.
Partial fault between W and U.
Short circuit winding between W and U.
Short circuit between V and Earth.
This figure shows a transformer, with two windings, N(1) = 2 000 and N(2) = 1 000 turns, on a common magnetic circuit. Assume that there is no energy loss in the transformer itself. Calculate the current I(2) when the current I(1) = 2 A.

Scheme - transformer

I(2) = 8 A.
I(2) = 4 A.
I(2) = 2 A.
I(2) = 1 A.
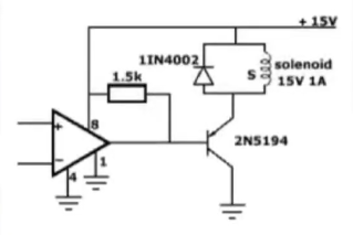
Which of the following functions does the diode shown here perform?

Scheme - diode

Return inductive current to supply at switch off.
Allow Op Amp to top up +15 V rail.
Provide an overload route for transistor current.
Reference the transistor to +15 V.
When selecting switchgear to work with High Voltage it is important to use an appropriate arc quenching medium. What is meant by arc quenching medium?
The gas, liquid or vapour which will minimise creation of an electric arc as contacts open.
The way in which the contacts separate as the switchgear operates.
Equipment which communicates information about the arcing.
A material which assists a welding process.
Flow irregularities in pipes are not caused by:
Staight pipe.
Elbow pipe.
Throttling valve.
Restrictive valve.
In the type of fluorescent lamp system shown in the illustration, which of the following indicates the purpose of the starter?

Fluorescent lamp

To pass current through the lamp heaters, and then interrupt the inductive striking current.
To create a high starting current.
To charge the ballast to a high inductive current, and then divert this current through the lamp.
To switch on current through the lamp, and to disconnect the ballast once the lamp has started.
In the circuit diagram shown the starter connects between which terminals?

Fluorescent lamp

5 and 6.
1 and 2.
3 and 4.
7 and 8.
Low voltage ships tend to have insulated neutral systems. What is the reason for this?
In the event of an earth fault vital equipment will not trip.
It is easier to detect faults.
If the neutral is not insulated then it may short to other conductors.
It is more effective than insulating the live conductor.
The circuit diagrams illustrate four different methods of wiring between a Pt 100 temperature sensor and its signal processing electronics. Which of the wiring methods gives the best measuring accuracy?

Electric circuit

Figure 1.
Figure 2.
Figure 3.
Figure 4.
The figure shows a silicon controlled rectifier with a RC circuit connected in parallel. What is the purpose of the RC circuit?

Silicon controlled rectifier

Protect the SCR against damage caused by fast high voltage spikes.
Measuring the current through the SCR.
Obtain current resonance.
Provide a controlled time delay for the SCR trigger pulse.
Sometimes an early warning of failure in High Voltage switchboards may produce an unpleasant smell. If the switchboard uses gas circuit breakers, which type of unpleasant smell may indicate a potential problem?
Rotten eggs.
Rotten fish.
Gas oil.
Chlorine.
Which device does this graphical symbol illustrate?

Scheme - pressure to current converter

Pressure to current converter.
Differential pressure transmitter.
Inverter.
Rectifier.
When performing electrical testing of a three phase motor, insulation resistance measurements may be influenced by which of the following?
Temperature, pressure and dampness.
Humidity, frequency and dampness.
Humidity, pressure and surface contamination.
Temperature, humidity and surface contamination.
The coil of a 12 V, 120 mA dc relay must be connected across a 24 V supply. What action should be taken?
Install a 100 ohm resistor in series with the coil.
Install a 100 k ohm resistor in parallel with the coil.
Install a 100 k ohm resistor in series with the coil.
This graphical symbol is a logic gate. Which type of logic function does the gate provide?

Logic gate

AND.
NOR.
NAND.
OR.
When temperature of a liquid is higher than normal temperature, what happens to the viscosity?
Viscosity decreases.
No change in viscosity.
Initial decrease before returning to original viscosity.
Viscosity increases.
When carrying out routine insulation testing of a three – phase induction motor, which of the measurement should be covered?
U-E, V-E, W-E, U-V, V-W, W-U.
AA-E, ZZ-E.
U-V-W-E.
U1-U2, V1-V2, W1-W2, U-E, V-E, W-E.
A High Breaking Capacity fuse found in a Main High Voltage Switchboard will typically have fault level rating of?
40 kA.
40 A.
400 A.
4 000 A.
Continuity testing of a delta connected three phase induction motor yields the following results; U1-V1 = 4 ohms, V1-W1 = 4 ohms, W1-U1 = 4 ohms. What is the value of continuity resistance for each winding i. e. U1-U2?
6 ohms.
4 ohms.
2 ohms.
12 ohms.
Which of the following is an application of a thermoelectric sensor?
Thermocouple.
Proximity sensor.
Barometer.
Piezoelectric sensor.
In an automatic temperature control system, operating with a PID controller, which of the following settings or parameter adjustments may result in system oscillation?
Gain too high.
Gain too low.
Too short D-time.
Temperature change.
In the context of an automated process control system, what is understood by the term Master Controller?
The primary controller in a cascade control system.
The best possible control system.
State of the art controller.
The Captain’s controller.
The pressure inlet to a pressure gauge is varied from zero to full scale and back to zero again. The output (indicating pressure) versus true pressure is shown in the diagram.The non – coincidence(mis – match) of loading and unloading curve is due to internal friction in the instrument. What do we call this phenomenon?

Graphic - hysteresis

Hysteresis.
Threshold.
Dead band.
Resolution.
The circuit consists of two inductors, L(1) = 6 H and L(2) = 12 H, in series. Calculate the equivalent total inductance.

Electrical circuit

L(S) = 18 H.
L(S) = 4 H.
L(S) = 1,5 H.
L(S) = 0,5 H.
What are the main elements for Process Control?
Sensor, Controller, Noise, Final Control Element.
Process, Sensor, Final control element and Controller.
Resistor, Capacitor, Battery, Load.
Sensor, Modulation, Controller, Process.
The figures show a graphical symbol for a particular electronic component and a typical working characteristic for the same component. Which component?

Silicon controlled rectifier

Silicon controlled rectifier (SCR).
Tunnel diode.
Field effect transistor.
Zener diode.
Which of the following measures is to be taken when working with batteries?
Recharge batteries immediately after discharge.
Keep the batteries in discharged state.
Add new acid electrolyte to batteries that are in use.
Install alkaline and lead-acid batteries in the same compartment.
Some ships generate electrical power at 440 Volts, but then step up this voltage to supply specific electrical equipment. One common example may be to feed a large bow thruster. Why is this done?
The overall ship’s electrical load does not justify High Voltage generating plant. This method allows more power to be delivered to the bow thruster at low running cost.
The shipyard could not purchase High Voltage generating plant at the time of manufacture, so they used what was available at the time.
A large bow thruster will draw very large currents at low voltage. Being typically remote from the generator, significant voltage drops would occur at low voltage.
Manufacturers can supply High Voltage bow thrusters at less cost, and the power factor is improved.
Which of the following is not a methods of checking running motors for condition monitoring?
Measurement of short circuit current.
Temperature of motor.
Measurement of insulation resistance.
Monitoring vibration due to defective bearings.
A transformer overheats while taking a shore supply. Which is the likely cause?
Incorrect frequency.
Incorrect voltage.
Incorrect earthing.
Incorrect current.
A triac is used to provide temperature control of an oven. The galley complain that the oven only reaches approximately 50 % of demanded temperature. Which of the following is a likely cause?
One of the main switching elements in the triac has failed.
Connection between the demand knob and the triac gate terminal has gone open circuit.
The voltage supply to the oven controller is reduced by about 50 %.
The triac has completely failed.
High Voltage systems rely on the installed protective equipment being able to interrupt any fault in the system. Throughout the system, the fault level has been calculated, and under no circumstances must the system be modified to exceed this fault level. What is meant by fault level?
The amount of apparent power that could flow into any fault at any point in the electrical network.
The current level flowing into a symmetrical short circuit fault between all three phase.
Why should the coil of an ac solenoid valve not be energised when it has demounted from the valve body?
The coil will overheat.
The coil will fail due to vibration.
The coil will jump around.
The coil will lose it’s residual magnetism.
On the basis of their conductivity, materials can be classified as isolators, semiconductors or conductors. Which of the following is considered a conductor?
Copper.
Silicon.
Germanium.
Phosphor.
With reference to piping and instrumentation diagram (P&ID), what does below symbol symbolize?

Scheme - orifice

Orifice.
Capacitor.
Flow element.
Battery.

🤝 Support Our Work

To continue the project, we need your help!
700
130
🚀 Boosty ❤️ Patreon
⭐ Buy Premium 📄 Buy PDF-files with tests
👥 We are supported:
Vitaliy, Gennadiy, Reggae Denz, Elvin Cmi, Paul Jack, Pana
and 26 others
There are also transfers to the card • Thanks to everyone!

Did you find mistake? Highlight and press CTRL+Enter

Verified by
Vladimir Filatov
Chief Officer
About

Senior Mate with 12+ years of experience in the international merchant marine.

  • Development and implementation of navigation and on-board safety plans.
  • Supervising the work of the crew and assisting the captain in managing the vessel.
  • Participation in training of junior crew, ensuring compliance with safety standards.

All materials have been checked by our marine expert.

Personal data is not disclosed for security and contract confidentiality purposes.

March, 22, 2024 8267 1
5/5 - (3 votes)
Social Telegram Vk Facebook OK Instagram
Comments
  1. akaki tsilosani
    07.10.2024 в 12:59

    is it full version of this tets

Add a comment