.
Site categories
1/ Help
:

Crew Evaluation System Test Online and Answers for Marine Engineering and Navigation

Join Our Telegram (Seaman Community)

Welcome to the website where you can pass online the CES test version 6.0 on the subject «Engineering and Navigation». Practice like this will help you as a marine specialist improve your knowledge with the help of online studying and appraisal practice. CES based on practical information and marine specialists experience.

CES tests developed for evaluating seaman basic knowledge by Seagull Company (rebranded as «OTG»), is an evaluating online-tool, used for revealing any professional preparation needed in specific fields of knowledge, defined by STCW.

  • Version: 6.0.
  • Test type: Detailed Test.
  • Function area: Engine.
  • Detailed subject: Emergency Equipment and Procedures (Engineering and Navigation), Auxillary Machinery (Engineering), Trim, Stability and Stress ( Navigation), Survival Craft, Rescue Craft (Engineering and Navigation), Main Propulsion, Turbine, Boilers (Engineering), Ship Manoeuvring, Handling (Navigation).

CES tests have proven themselves as good tools for the selection and recruitment process, as well as advancing the level of knowledge of the current officers and crew. Ocean Technologies Group use various subjects for question creation, which includes:

  • Crowd and Crisis Management;
  • Integrated Navigation System (INS);
  • Ballast water management;
  • Handling and Stowage;
  • Vessel operation management and safety;
  • Marine engineering;
  • Maintenance and repair, etc.

Current test contains Seagull CES questions on the subject «Engineering and Navigation». Those questions can be used for competence verification specialist capable of preventing accidental situations related with transporting safety, or also for self-examination.

On this site Crew Evaluation System Test on the subject «Engineering and Navigation» contains 135 questions you need to answer with no possibility to go back to previous question. Therefore, we recommend carefully reading each question and making decision with no hurry. In case you have some difficulty answering, you have also possibility to request a hint.

The test includes three modes. In the Training mode, you go through 60 questions with the option to take a hint, while in the Exam mode, this option is not available. We have also developed another mode – Wild, where you can answer all the questions available in the test at once. Enjoy!

Choose the regime, in which you want to pass CES test:

Training - CES test
Training

Exam - CES test
Exam

Wild Mode
* Some questions may have more than 1 correct answer.

“CES test” finished! Your result:
Correct answers:

Use the search below to find question.

Amount of questions: 135.

Right answers marked with this sign .

A burn may occur when electricity of high current and voltage passes through the body. Most damage occurs at the points of entry and exit of electricity. What is the treatment for electrical burns?
Place sterile dressing over the burn and secure with a bandage.
Break blisters and secure with bandages.
Apply lotion and ointment to injured area and secure with a bandage.
Remove loose skin and apply oinment. Don’t secure with bandage.
What activity will have the greatest fire fighting effect in case of a fire?
Extinguishing attempt is started immediately.
Call the Chief Officer.
All fire fighting teams are organized as soon as possible.
All possible fire fighting equipment is brought to the scene.
What is hypothermia and how is it cured?
Body temperature below 35 °C/Heat the body.
Body temperature below 23 °C/Heat the body.
Body temperature below 39 °C/Heat the body.
Heavy coughing/medication.
The passage of electrical current through the body may result in severe and sometimes fatal injuries. You are witness to a man getting electric current through his body and is stuck to the dangerous area. It is impossible to switch off the current by any main switch. How can you break the current safely?
Stand on dry insulating material and pull the person away with insulating material.
Call the electrician immediately.
Just take the casualty in your arms and pull the person away.
Apply oil on your hands and cut the cords by the uyse of any metallic pliers.
Who is the leader of the lifeboat drill (abandon ship drill)?
The appointed lifeboat commander.
Senior deck officer.
Senior engine officer.
The first member of the crew arriving at the survival craft.
Which position is the best to stop bleeding from the nose?
Sitting on a chair, leaning forward with two fingers pressing the nose together.
Laying on the back, holding a wet cold towel on top of the nose.
Sitting with your head down, holding the nose tightly.
Laying on the back, leaning the head as much as possible.
Anyone of the crew who is assigned to watch duties in ports has a number of important tasks to carry out. Which one of the listed tasks has to be included in the watchman’s duties?
Checking the moorings for tightness/slack.
Checking the safe and secure handling of cargo.
Checking the number of persons entering/leaving the vessel.
Checking the trim of the vessel.
Unconscious casualties who are breathing and whose hearts are beating should be placed in the recovery position. Why is this position so important?
The position ensures that an open airway is maintained.
Because it keeps the heart beating.
The recovery position makes it easy to maintain any kind of bleeding.
The position prevents the patient from falling asleep.
How many rocket parachute flares are carried in each lifeboat?
4.
6.
12.
Nil.
If mouth-to-mouth (M-T-M) ventilation by itself is unsuccessful and the casualty’s heart stops or has stopped beating, you must perform external chest compression (ECC) in conjunction with M-T-M. What is the complete rate when performing ECC?
Complete 15 compressions at the rate of 80 compressions per minute.
Complete 10 compressions at the rate of 40 compressions per minute.
Complete 20 compressions at the rate of 60 compressions per minute.
Complete 25 compressions at the rate of 75 compressions per minute.
What is the general emergency alarm signal to be sounded by the ship’s whistle and alarm bells in case of an emergency situation?
Seven short blasts followed by one prolonged blast.
Series of long blasts.
Series of short blasts.
Only one long blast.
When you join a new ship, how are you informed about safety rules, alarm instructions and your own duties in case of an emergency?
By muster lists exhibited in conspicuous places.
By oral instructions by the captain.
By folder distributed to each crew member.
By alarm instructions in all crew cabins.
What is the absolutely main purpose of fighting a fire onboard?
Rescuing of life.
To limit the fire.
Try to put out the fire.
To put out the fire.
What shall you do if you see a person falling into the sea?
Throw a lifebuoy overboard and report to the bridge immediately.
Put on a lifejacket.
Run aft.
Launch a lifeboat.
In a distress situation, how many times or for how long should the emergency alarm signal be sounded?
Until all crew members and passengers have reported to their respect muster stations.
3 minutes.
3 times.
Until the signal “risk is over” or the order abandon ship is given.
How often shall each member of the crew participate in an abandon ship drill?
Once every month.
Once every week.
Once a year.
Once every 6 months.
The muster list shall show the duties assigned to the different members of the crew. Which of the given duties do not necessarily have to be included in the muster list?
Clearing escape routes.
Preparation and launching of survival crafts.
Muster of passengers.
Manning of fire parties assigned to deal with fires.
Which of the equipment listed is not included in the fireman’s personal equipment? (SOLAS II-2/17.1.1).
Leather safety boots and gloves.
An axe.
An electric safety lamp.
Protective clothing.
In which way make intake of poisonous material occur?
All mentioned.
By inhalation.
Swallowing.
Skin penetration and skin absorption.
If you have to carry out hot work close to a smoke detector in the engine room, what precautions should be taken?
Notify master, deck officer and engineers in charge. The loop for this special senseor to be switched off and take normal precautions for hot work.
Disconnect the smoke detector.
No special precautions except for having a watchman and a fire extinguisher available.
Notify Deck officer in charge that a fire alarm may occur.
In case of a fire inside the acetylene-line in the AC/OX gas welding equipment, what action is deemed necessary?
Close the valves on both acetylene and the oxygen bottles.
Close acetylene valve in the workshop.
Close oxygen valve.
Close valves on acetylene bottle(s).
Which one of the listed fire extinguishing medium is most effective against an open oil fire?
Foam.
Powder.
Water.
Gas.
Having a CO2 alarm during normal working hours, what immediate action should be taken?
Get out of the engine room as soon as possible.
Get into the control room.
Awaiting further order.
Ignore the alarm.
What kind of safety protection is to be weared during a mooring operation?
Helmet, safety shoes, gloves and protecting cloths.
No particular protection necessary.
Safety shoes and boiler suit.
Gloves and helmet.
In the event of a fire situation, which of the following actions is the first to be taken?
Raise fire alarm.
Try to kill the fire immediately by use of fire extinguishers or other adequate appliances.
Call the officer on duty.
Check all nearby compartments for survivors.
An alarm signal consisting of seven short blasts followed by one prolonged blast is sounded by the ship’s whistle and alarm bells. What are you to do?
Go to your lifeboat station.
Go to the fire station.
Go to (or remain in) your cabin and await further orders.
Report on the bridge (Deck crew) or engine room (Engine crew) for further orders.
Where can you find out if you belong to the forward mooring gang or the aft mooring gang?
Posted on the notice board onboard.
Deck crew forward and engine crew aft.
Being distributed for each port.
Alarm instruction onboard.
To get the best possible efficiency from refrigerator evaporators, the superheat should be regulated to:
5-10 °C.
40-50 °C.
25-30 °C.
0-1 °C.
In a two stage compressor, you will find pistons with different diameters (one is bigger than the other). Which one of the following statement is correct?
The smallest diameter piston is the stage two piston.
A big piston will deliver dryer air into stage one.
A big piston will give less oil content in the air.
The biggest diameter piston is the stage two piston.
Why is the maximum pressure in a plate heat exchanger usually limited to about 10 bar?
Difficult to seal plates above this pressure.
Possibility of rupturing the plates.
Pump capacity.
All the above alternatives.
Does liquid turbulence improve the efficiency of a plate heat exchanger?
Yes.
No.
Turbulence is not possible in a plate heat exchanger.
Makes no difference.
What is the purpose of the corrugations on a plate heat exchanger?
All of the above.
Stiffening on the thin metal sheet.
To increase turbulence in the liquid.
To increase the surface area.
What is the reason for too rising cooling water temperature at outlet of individual cylinders?
Cooling water spaces insufficiently vented.
Compression pressure too low.
Overload of the engine.
Fuel pressure of fuel booster pump too high.
Which of the following is true when comparing plate type with shell and tube type heat exchangers?
All of the above.
The capacity can easily be changed.
Physically smaller for the same capacity.
Better sealing between liquids in shell and tube.
Water hammer is a short lasting pressure peak traveling along the pipe. How can it be avoided in a cooling water system?
Operate valves gradually.
Start the system with open valves and empty pipes.
Start pump with closed valves.
Operate valves quickly.
After obtaining permission from the duty deck officer, under what conditions would the process of soot blowing the boiler tubes be most beneficial?
When the boiler is firing on high rate.
When the boiler is firing on medium rate.
When the boiler is firing on low rate.
When the boiler is standing idle.
A water content greater than 2 % is detected in a lubricating oil system. What is the best action to do?
Segregate the oil in a separate tank for continuous purifying.
Boil out the water by increasing the temperature.
Continuous purifying the system with the oil pumps running.
It is no danger, until the water level reach 6-8 %.
What is the purpose of hunting hear when referring to a hydraulic steering system?
Provides feedback to the pump control.
Limits the speed of the rudder movement.
To transmit hydraulic pressure.
To control hydraulic motor swash plate movement.
The two main types of refrigeration system evaporators are called?
Finned and tube.
Wet and dry.
Dry and flooded.
Short and extended.
The indications of a faulty refrigeration compressor valve are:
Any of the alternatives.
Gradual or sudden decrease in capacity.
Continuous running.
Low head pressure, high suction pressure.
What is the main advantage of plate heat exchangers?
More efficient and take up less space.
Easier to clean.
Cheaper to install.
Requires less maintenance.
The Disc type oil separator can usually separate water from oil when processing oils between which density ranges?
0,78 to 0,98.
0,84 to 0,945.
0,87 to 0,95.
0,845 to 0,965.
How is temperature controlled in a steam oil heater?
Steam outlet valve throttled.
Oil flow increased.
Steam supply pressure reduced.
Steam inlet valve throttled.
In a refrigeration system, a fluid that serves only as a heat carrier is called the:
Secondary refrigerant.
Vaporizing refrigerant.
Primary refrigerant.
Condensing refrigerant.
What liquid is present in the collecting point at the bottom of the evaporator?
Brine.
Freshwater.
Ejector water.
Sea water.
A receiver in a refrigeration system is used to:
Store the refrigerant.
Separate oil from the refrigerant.
Cool the hot gases.
Condense the refrigerant.
What is the required salinity of the fresh water produced as drinking water onboard?
Below 7 ppm.
Below 20 ppm.
Below 50 ppm.
Below 2 ppm.
What is the source of energy used to convert salt water into fresh water in the fresh water generator?
The waste heat from the main engine.
The ejector pump and sea water pump combined.
The vacuum and ejector pump.
The sea water pump supplying the evaporating water.
If the fresh water generator is producing water with salinity of 5 ppm and is changed to produce water of 2 ppm, this is mainly achieved by:
Slowing down production by opening the vacuum breaker valve.
Throttling sea water feed supply to the evaporator.
Decreasing production by lowering fresh water supply from main engine.
Decreasing sea water cooling to the condenser.
How is a vacuum created in the fresh water generator?
By the vapour eductor driven by the ejector pump.
By the condensing effect in the condenser.
By pumping or educting out the brine.
By the differential temperature of fresh and sea water.
What is the purpose of the sea water pump item No 13?
To drive the air ejector of the evaporator.
To cool the evaporator.
To supply water to be evaporated.
To supply sea water to the condenser.
On the air compressor crankcase, there is a small valve that let’s off pressure. What should be done if oil is present with air?
Overhaul the compressor unit.
Check the clearance in the bearing.
Block off the valve.
Lower the sump oil level.
How far from the coast is it permitted to use low-pressure evaporation to produce drinking water?
20 miles.
5 miles.
30 miles.
12 miles.
Which of the following is a rotary compressor?
Diesel engine charge air compressor.
Emergency air compressor.
Starting air compressor.
Control air compressor.
What is the BM for a box-shaped vessel in terms of breadth and draught?
Breadth squared / 12 × draught.
Breadth cubed / 12 × draught.
Breadth × draught / 10.
Breadth squared / 6.
What is the centre of pressure?
It is the pressure in the centre of a specific tank.
It is the pressure at the centre of flotation.
It is the part that is least likely to give way to external pressure.
It is the point where the total thrust of pressure could be considered to act.
What effects does freeboard have on a vessel’s dynamical stability?
As freeboard increases, the range of stability also increases, and this in turn leads to a greater dynamical stability.
Freeboard and dynamical stability are not related in any way.
It does not have any effect on dynamical stability.
If freeboard is greater, then dynamical stability is correspondingly reduced.
What does permeability mean?
The relationship between the volume of a compartment and the volume available for water if bilged.
To make a compartment water tight.
The process of making a compartment non-porus.
The flooding of the engine room compartment.
How would you increase the KG of a ship, loaded with a timber cargo, that has become unstable?
By filing the small divided double bottom tanks on the lower side, while jettisoning the deck cargo from the higher side.
By filling all wing ballast tanks.
By completely emptying all partly filled double bottom tanks.
By jettisoning the entire deck cargo of timber.
What are “cross curves” of stability used for onboard a ship?
Obtaining statical stability curves at known displacements.
Giving the capacity of various holds or tanks.
Similar to a set of Bonjean curves.
Showing tank calibration values.
What is the minimum allowable value for GZ?
0,2 m.
0,15 m.
0,42 m.
0,35 m.
What is prismatic co-efficient?
Volume of displacement / (midship area × LBP). Also = cb / cm.
cm / cb.
The same as block co-efficient.
A co-efficient for a box shaped vessel only.
What are “hydrostatic curves” used for in ship calculations?
Mainly for trim calculations for predicting end draughts.
For hydrostatic pressures on bulkheads.
Obtaining the shape of the body sections.
For pressure at various depths in oil fuel bunkers.
What is the “wave period”?
It is the time in seconds between successive wave crests or troughs, passing a fixed point.
It is the comparison of the height of successive waves.
It is the time in minutes between successive wave crests, passing a fixed point.
It is the time interval between the highest waves in a sequence of waves.
What is meant by “synchronism or resonance”?
This is a dangerous condition that occurs when the ship’s still water period and the apparent wave period are equal.
This is a situation used to describe gentle rolling.
This is stern used to describe pitching and rolling.
This is a term used to describe violent rolling.
What is statical stability?
It is the ability of a vessel to return to her initial or upright position, after having been forcibly inclined.
It is the basic stability information a vessel is required to carry by law.
It is the relationship between the moment of a couple and the righting lever.
It is another name for metacentric height.
What is the formula to calculate the volume of displacement?
B by Km by d by cb.
L by B by d by cb.
L by Gm by KG.
L by 1/2B by draft by freeboard.
What is initial stability?
It is the stability of the vessel in her initial position, and is expressed by metacentric height.
It is the stability status of the ship, when first delivered to owners from the shipyard.
It is the vessel’s GM, after completion of loading.
It is the vessel’s GM, before commencement of loading.
How is a “turning couple” formed?
Couple is formed when two equal parallel forces in a vertical position are acting in opposite direction.
A couple is formed when two unequal forces in a vertical position are acting in the same direction.
A couple is formed when two unequal parallel forces are acting in the same direction.
A couple is formed by joining two vertical posts together.
What is the purpose of performing an inclining experiment or stability test?
It is done to find out the GM of a vessel, place the ship’s lightweight and VCG and LCG at this lightweight.
To test the safe working load of a derrick or crane.
There is no need for such an experiment, because the information it gives may be obtained in various other easy ways.
To determine the maximum angle of heel, before a ship will capsize.
What is a pro-metacenter?
This expresses KM as moving away off the centreline at large angles of heel.
It is the term used to indicate a vessel has a more than adequate GM.
It is just another name for metacentric height.
It is the ability of a vessel to return to an upright position.
What formula do you use to determine the GM from an inclining experiment?
GM = w by distance by length of plumbline divided by W by deflection of the plumbline.
There is no formula. You simply measure the deflection of the plumbline with a tape measure.
GM = KM by d by 1/2 length of plumbline divided by W by length of plumbline.
GM = w by length of plumbline divided by W by deflection of the plumbline.
What is the critical time in a dry docking operation?
Just before the ship takes the blocks at the stern.
As the ship enters the dock gates, to ensure she is not moving too fast.
After the ship has taken to the blocks, and shores are being put in place.
When they start to empty the dry dock.
What is the effect on draft caused by a vessel heeling or listing?
The draft is increased by the difference in the heeled draft measured by a straight line in tangent with the keel, and the draft before heeling.
The draft is increased by the difference between the high side draft and the low side draft.
There is no change in draft regardless of the extent of the list.
The draft is reduced by the amount the high side rises above the upright position.
What measures regarding ship stability should be taken in order to make a passenger ship’s able to withstand critical damage?
Maintain sufficient intact stability.
Damaged stability to be increased by weight redistribution.
Damaged stability to be increased by use of water ballast.
Avoid overloading the ship.
How do you ensure reliable results from an inclining experiment?
Perform test in calm conditions, with slack moorings, with minimum number of personnel and minimise free surface effects of liquids.
No specific preparations are necessary and it can be done even in very windy conditions.
If your vessel is tending to “synchronise”, what should you do to alter this condition?
You should try to alter the wave period by altering course and by reducing speed.
You should put your ship’s beam on to the sea and increase speed.
You should increase your speed to full, whilst maintaining the same course.
You stop your ship and wait for the synchronizing to stop.
What is the result of a high metacentric height?
The vessel will roll violently.
The vessel will have a great bending moment.
The vessel will roll slowly or be unstable.
The vessel’s tween deck height is too high.
When cross-flooding arrangements to correct unsymmetrical flooding and excessive heel angles in damaged condition are installed in passenger ship’s, what is the maximum time allowed for equalization?
15 minutes.
20 minutes.
10 minutes.
30 minutes.
The watertight integrity of a vessel must be intact, when:
When manoeuvring.
In open waters only.
Can be relaxed in inshore waters.
Can be relaxed during spells of fine weather.
What is the minimum allowable value for GM?
0,15 m.
0,35 m.
0,25 m.
0,45 m.
The ship’s training manual must contain instructions and information on the life-saving appliances carried onboard. Which of these duties must also be included?
Correct method of release of survival craft from launching appliances.
Correct use of oars in survival craft.
Correct method for use of the on-board communication system.
Correct donning of fire protective clothing.
Which of these requirements regarding lifebuoys corresponds to the SOLAS regulations?
It must be constructed of inherently buoyant material.
It must have sufficient air.
If fitted with light or smoke signal, it must have a mass less than 4 kgs.
It must have a mass greater than 2,5 kgs.
What is the purpose of the control position on an enclosed lifeboat?
It’s the position from which the boat is steered and the safety systems are operated.
It’s a place reserved for injured persons.
It is for sending out distress messages giving the ship’s last known position.
It facilitates entering the names of all persons on-board. This is essential record keeping requirements.
What is a “Rescue Sub-Centre” (RSC)?
A unit subordinate to a rescue co-ordinating centre.
A centre established to assist the main national rescue centre.
A centre for underwater search and rescue operation.
A national search and rescue centre subordinate to an international search and rescue co-ordinating centre.
What is a “Rescue Unit” (RU)?
A unit composed of trained personnel suitability equipped for expeditious search and rescue.
A unit ready for search and rescue operations at sea any time of the day.
A permanently manned rescue vessel.
A unit specializing in search and rescue operations at sea.
Self-igniting lights on lifebuoys must either burn continuously or flash at a specified rate for a period of at least:
2 hours.
90 minutes.
1 hour.
30 minutes.
The ship’s training manual must contain instructions and information on the life-saving appliances carried onboard. Which of these duties must be included?
Correct donning of life jackets.
Correct use of oars and sails for survival craft.
Correct use of communication equipment.
Correct donning of protective clothing.
Which of these requirements regarding the launching and recovery arrangements for rescue boats corresponds to the SOLAS regulations?
Rapid recovery shall be possible with the boat’s full complement of persons and equipment.
Launching shall be possible with a headway speed of up to 5 knots in heavy weather.
The release mechanism shall be of an automatic type approved by the flag state administration.
The ship’s training manual must contain instructions and information on the life saving appliances carried onboard. Which of these duties must be included?
Correct launching, boarding and clearing of survival craft and rescue craft.
Correct method of revival of casualties.
Correct donning of protective clothing.
Correct use of oars and sails for survival craft.
How many hand flares should each lifeboat normally carry?
6.
10.
4.
2.
On a steamship at sea, electricity is supplied by:
Turbo alternators.
The main engine.
Gas turbines.
Diesel engines.
What part in this diagram is the low pressure turbine?

Main propulsion turbine

1.
2.
3.
4.
In a modern steam turbine steam is prevented from leaking along the shaft by:
A labyrinth seal.
High temperature packing.
The inlet nozzle.
The blading.
Boiler feed water is water:
Taken from the condenser and fed back to the boiler.
Used to cool steam back into water.
Used to cool steam turbines.
Mixed with fuel oil and burnt as waste oil.
Regarding feed water, which of the following statements is NOT true?
Feed water in HP boilers is normally pumped with a single stage centrifugal pump.
Steam turns to feed water in the condenser.
It is fresh water.
It is turned into steam in the boiler.
Which alarm and shut-down device is fitted on the thrust bearing assembly?
The axial clearance alarm.
The cooling water alarm.
The steam pressure reducing alarm.
The low lub oil flow alarm.
The condenser in a steam plant is where:
Steam is turned back into water.
Electricity is supplied.
Water is turned into steam.
Low pressure steam is produced.
What kind of steam is feeding the astern turbine fitted on the same rotor as the LP turbine?
Steam from the main steam manifold via manoeuvring stand.
Regenerated steam via resuperheater.
Reduced superheated steam via a pressure reducer.
Exhaust steam from the high pressure turbine.
What kind of shaft seals are used on this high pressure turbine?

High pressure turbine

Labyrinth seals.
Counterbalancing seals.
Vacuum seals.
Mechanical seals.
High pressure steam turbines are:
Smaller than low pressure turbines.
Larger than low pressure turbines.
Directly coupled to the propeller shaft.
Powered by feed water.
Which of the following statements regarding steam turbines is NOT true?
From the HP turbine, the steam then goes to the condenser.
The HP turbine is a faster rotating machine than a diesel engine.
The HP turbine receives the steam before the LP turbine.
The HP turbine is smaller than the LP turbine.
Serious tube leakage in the air ejector condenser assembly will cause:
Loss of vacuum.
Faulty steam pressure.
Clogged steam strainers.
Fouled nozzles.
What is part No. 3?

Turbine drive gear train

Turbine drive gear train.
Turbine coupling.
Turbine bearing.
Turbine electromagnetic clutch.
Modern high pressure boilers produce which of the following?
Superheated steam.
Fresh water for drinking.
Feed water.
Saturated steam.
Superheated steam is steam:
That has been heated until it is “dry”.
That has been condensed.
That is mixed with water vapour.
That can be used for heating the accommodation.
Which way does the steam pass through in the system?
From the high pressure turbine to the low pressure turbine.
From the condenser to the low pressure turbine.
From the supply valve to the high pressure turbine.
From the low pressure turbine to the high pressure turbine.
Name the two (2) different lubrication oil circuits of a steam turbine:
The bearing and gear oil circuit/the governor oil circuit.
The reduction gear oil/the turbine shaft bearing oil.
The front bearing circuit/the rear bearing circuit.
The thrust bearing and shaft circuit/the front and governor circuit.
Which of the following statements regarding main boilers is NOT true?
The feed water need not be very pure.
The superheated steam pressure could be as much as 60 bar.
The burners could be at the top firing down.
At least two safety valves will be fitted.
Turbo alternators perform which of the following tasks?
Supplying electricity on steamships when the main boiler is operating.
Supplying electricity from diesel engines.
Supplying electricity on steamships when the main boiler is shut down.
Supplying electricity on a motorship.
Which part in this diagram is the high pressure turbine?

Scheme: main propulsion turbine

2.
4.
1.
6.
Your vessel is to turn in a narrow canal by use of one tug (turn to port with the bow). In which position and how would you use the tug? Vessels engine will be used as well.
Make the tug fast on port shoulder to pull.
Make the tug fast on starboard shoulder to push.
Make the tug fast aft for pulling.
Make the tug fast in centre now fairlead for pulling.
Your vessel is to unmoor. Two tugs will assist at the unmooring. Which position and how do you want to use the tugs?
Fast FWD and AFT in centre lead to pull the vessel out from the jetty and make it in position for voyage.
Make fast on ship’s.
Make the tug fast aft for pulling.
Make the tug fast in centre now fairlead for pulling.
What is the most dangerous overtaking situation shown on the sketches?

Overtaking situations

A large vessel overtaking a small vessel with a little difference in speed between the two vessels.
A small vessel overtaking a large vessel with a little difference in speed between the two vessels.
A large vessel overtaking a small vessel with big difference in speed between the two vessels.
A small vessel overtaking a large vessel with big difference in speed between the two vessels.
Your ship is going astern right-handed propeller as sketched below. How is the ship most likely to react?

Ship going astern

The stern will back into the wind.
The bow will go to port.
The ship will go straight astern.
The stern will fall off to starboard.
The vessel will anchor with pilot onboard. You are the duty officer on the bridge. What is your main duty?
Check the position only.
Follow the master’s order.
No duty when pilot is onboard.
Follow pilots order.
How is bank effect felt in a vessel?
The vessel’s bow is pushed away from the nearest bank.
The vessel’s stern is pushed away from the nearest bank.
The whole vessel is pushed away parallel to the nearest bank.
The whole vessel is drawn in parallel to the nearest bank.
You want to turn your vessel in a narrow canal by use of two tugs with same power. The wind varies in the range moderate/strong. Where/how will the tugs be used?
Pushing, made fast in the vessel.
One tug pushing, one tug pulling.
Pulling, made fast in the vessel.
How will the ship behave if you have a black out in the situation sketched below?

Blackout situation

She will turn to port and the speed will drop gradually.
The wind will not affect your ship whatsoever.
She will turn to starboard and the speed will slowly drop.
She will continue on course and the speed will slowly drop.
How is shallow water effect felt in a vessel?
The vessel becomes sluggish in responding to the rudder.
The vessel has a tendency to turn to port (right turning propeller).
The vessel responds very quickly to the rudder.
The vessel has a tendency to turn to starboard (left turning propeller).
Your ship is operating with a right handed propeller. Before coming astern, how should you apply the rudder?

Berthing situation

As with No. 2.
As with No. 1.
As with No. 3.
I think the speed is too slow.
You are berthed with a steady offshore beam wind of 30 knots. This wind suddenly increases to 60 knots. When this happens, the force driving the vessel off-berth will be:
Quadrupled.
Tripled.
Doubled.
Quintupled.
What is the reason for the effect we call squat?
Increased velocity and decreased water pressure around the ship’s hull.
Decreased velocity and increased water pressure around the ship’s hull.
Increased effect of gravity due to closeness of the sea bed.
The bow and stern wave make the ship sink lower in the water.
You are about to pass another ship in a close situation. What can happen in this situation?

Ships close situation

Due to suction, the two ships will be sucked together.
Your ship will not be affected in this situation.
The two ships will be pushed toward the banks.
The bow of your ship will be sucked towards the stern of the other ship.
How do you consider the indicated speed for berthing?

Berthing speed

Too fast.
It is up to the pilot to decide.
To be sufficient.
Too slow.
You are to release the towing wire with forerunner. You have 3 men with you to do the work. How do you do it in a safe way?
Use the winch. Forerunner and wire stopper to pick up the slack and stop the wire. One man operating each. Make the forerunner fast on the bit, releasing the eye of wire and the stopper, lower the wire easy by forerunner.
After heaving on the wire by a forerunner, cut the forerunner and so let the wire free.
With manpower. Two men picking up slack and one man lifts off the eye and let go simultaneously.
How can you minimize the squat effect?
Decrease the speed as much as practicable.
Maintain your course and speed.
Do a zig-zag manoeuvre to reduce speed.
Increase speed if the ship is not already on full ahead.
What can be used to reduce the effect of the state of sea-waves?
Vegetable/fish oil.
Foam.
Fuel oil.
Crude oil.
In the shown situation, the bow of your ship is pushed away from the bank. How can you handle this?

Situation in channel

Give starboard rudder in order to balance the force of the bank effect and rudder effect.
Put your engine full astern to stop your ship.
Give hard port rudder to get the ship back in the middle of the channel.
Do nothing as the ship will handle itself.
You are underway on a power driven vessel in open water, when you see another power driven vessel approximately five miles straight ahead on an opposite course. What action do you take?

Situation on the sea

Make a bold alternation to starboard and pass on his port side.
Make a bold alteration to port and pass on his starboard side.
Stand on with caution as he will alter course.
Try and call him on the VHF to decide on what action to take.
What is part number 1 called?

Fuel Oil System

The service tank.
The expansion tank.
The setting tank.
The drainage tank.
What is item No. 9 shown in the diagram, fitted between evaporator and condenser of the fresh water generator?

Fresh water generator

A water deflector.
A water filter assembly.
A heating cap.
A desalinator unit.
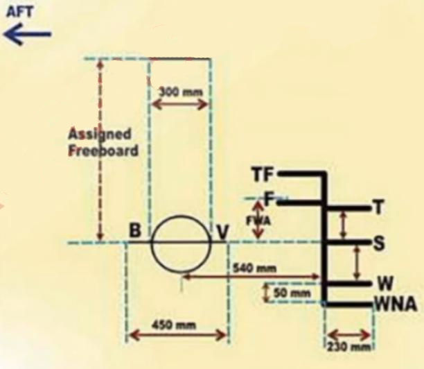
The diagram shows loadline marks. How is the distance between S and T calculated?

Loadline marks

One forty eighth of the summer draft.
One sixtieth of the summer draft.
Nine tenths of the FWA.
Four fifths of the FWA.
What do the intersecting horizontal lines signify in the diagram?

Ship scheme

They show the actual angle of trim.
The change of draft after trimming.
The change in the centre of floatation, after trimming.
They only serve as a base for the two vertical lines.
Unconscious casualties who are brething and whose hearts are beating should be placed in the recovery position. What is the recovery position?

First aid

As shown in figure 1.
As shown in figure 2.
As shown in figure 3.
As shown in figure 4.

🤝 Support Our Work

To continue the project, we need your help!
700
20
🚀 Boosty ❤️ Patreon
⭐ Buy Premium 📄 Buy PDF-files with tests
👥 We are supported:
Vitaliy, Gennadiy, Reggae Denz, Elvin Cmi, Paul Jack, Pana
and 26 others
There are also transfers to the card • Thanks to everyone!

Did you find mistake? Highlight and press CTRL+Enter

Verified by
Vladimir Filatov
Chief Officer
About

Senior Mate with 12+ years of experience in the international merchant marine.

  • Development and implementation of navigation and on-board safety plans.
  • Supervising the work of the crew and assisting the captain in managing the vessel.
  • Participation in training of junior crew, ensuring compliance with safety standards.

All materials have been checked by our marine expert.

Personal data is not disclosed for security and contract confidentiality purposes.

Август, 03, 2024 3775 0
5/5 - (1 голос)
Social Telegram Vk Facebook OK Instagram

Add a comment