.
Site categories
1/ Help
:

SETS 6000 (Seafarer Evaluation Training System) Test Online for Seamen on EO1: Use Hand and Power Tools for Fabrication and Repair

Join Our Telegram (Seaman Community)

Welcome to the website where you can pass online the Seafarer Evaluation Training System (SETS) test on «EO1: Use Hand and Power Tools for Fabrication and Repair». Practice like this will help you as a marine specialist improve your knowledge with the help of online studying and appraisal practice. SETS based on practical information and marine specialists experience.

SETS tests developed for evaluating seaman basic knowledge by company “Naval Education Services” is an evaluating online-tool, used for revealing any professional preparation needed in specific fields of knowledge, defined by STCW Section A-V/1-2.

SETS tests have proven themselves as good tools for the selection and recruitment process, as well as advancing the level of knowledge of the current officers and crew.

Current test contains SETS questions in area «EO1: Use Hand and Power Tools for Fabrication and Repair». Those questions can be used for competence verification specialist capable of preventing accidental situations related with transporting safety, or also for self-examination.

«EO1: Use Hand and Power Tools for Fabrication and Repair» subject includes theoretical and practical information about advanced training for work on any type of vessel. This test assesses a candidate’s proficiency in selecting, operating and maintaining a wide array of hand and power tools common in a shipboard environment. Participants must demonstrate a thorough understanding of safety protocols, including the correct use of Personal Protective Equipment (PPE) and hazard mitigation for specific tools like angle grinders and welding equipment. A key component of the evaluation involves performing precise fabrication tasks, such as measuring, cutting and joining metal pieces to create or repair a shipboard component. Candidates will be evaluated on their ability to conduct pre-use inspections on power tools to identify potential defects, wear or safety hazards before operation. The exam includes scenarios requiring the proper selection of tools for specific maintenance jobs, such as disassembling a pump using correct wrenches and pullers or threading a pipe. Practical skills in using cutting tools (e. g., plasma cutters, oxy-acetylene torches) and shaping tools (e. g., hydraulic presses, drills) for steel repair are rigorously tested. Knowledge of post-operation procedures, including proper tool cleaning, storage and the reporting of any malfunctions, is a critical part of the assessment. Successful completion validates the advanced competency required to perform safe, effective and efficient fabrication and repair work on any type of vessel using both hand and power tools.

On this site SETS on the subject «EO1: Use Hand and Power Tools for Fabrication and Repair» contains 172 questions you need to answer with no possibility to go back to previous question. Therefore, we recommend carefully reading each question and making decision with no hurry. In case you have some difficulty answering, you have also possibility to request a hint.

Choose the regime, in which you want to pass SETS test:

Training - SETS test
Training

Exam - SETS test
Exam

Wild Mode
* Some questions may have more than 1 correct answer.

“SETS test” finished! Your result:
Correct answers:

Use the search below to find question.

Amount of questions: 172.

Right answers marked with this sign .

What is the fastening device shown at the left side of the drawing?

A beam clamp

A beam clamp.
An angle iron fastener.
A frame clamp.
A support fastener.
What is the measuring instrument shown on the left top?

Measuring instruments

An outside calliper.
An outside pipe calliper.
A Dornier calliper.
A Vernier calliper.
What is the accuracy of the measuring instrument shown on the top left?

Measuring instruments

1/10th to 1/20th millimetre.
1/20th to 1/25th millimetre.
0,1 to 0,5 millimetre.
0,1 to 0,25 millimetre.
Suppose you need to draw a circle of 186 mm diameter on metal or on a packing sheet. How would you do this using the compass shown top centre?

Measuring instruments

Measure 186 mm on packing, draw 2 lines through the centre.
Set opening of compass legs to 93 mm using a steel ruler.
Indicate straight line with points 0 mm, 93 mm and 186 mm on packing.
Project first a hexagon on packing or steel plate.
What is the accuracy of a micrometer shown top right?

Measuring instruments

0,1 to 0,2 millimetres.
0,1 to 0,5 millimetres.
0,01 to 0,005 millimetres.
0,05 to 0,01 millimetres.
What is the measuring device shown at the bottom?

Measuring instruments

A tracing instrument.
A right angle plane tracer.
An angular tracer.
A 90 degree angle projector.
What is the measuring device shown in the top and what is it used for?

Measuring devices

A thread gauge. To measure thread size on bolts and studs.
A bolt thickness gauge. To measure the size of bolts.
Thread thickness gauge. Measure clearance of bolts and nuts.
Thread wear down gauge. Measures wear-down on bolts/nuts.
What measuring device is shown in the bottom left corner?

Measuring devices

A pipe calliper.
An inside tracer.
An adjustable inside calliper.
A bore calliper.
What is the purpose of the calliper shown in the bottom left corner?

Measuring devices

Measuring piston ring gaps.
Measuring fuel pump lifts.
Measuring inside diameters of hydraulic pipes.
Measuring inside diameters or gaps.
What is the measuring device shown in the right bottom corner?

Measuring devices

A flange calliper.
A pipe calliper.
An adjustable pipe calliper.
An adjustable outside calliper.
How will the tool shown at the top be powered if it is to be used on tankers?

Special devices

By battery power, 12 Volt maximum.
By AC power 110 Volt, 60 Hz maximum.
By compressed air 8,5 kg/cm2 maximum.
By compressed air 3,5 kg/cm2 maximum.
For what are RECOIL-LESS HAMMERS used?

Recoilless hammers

To assemble tight fitting parts.
To chisel deep grooves in metal.
To hammer on ring spanners.
To test the foundation bolts of engines.
What kind of tool is shown top left and for what is it used?

Special tools

A ratchet spanner/Used on main engine piston crowns.
A torque spanner/Used on foundation bolts.
A forged torque spanner/Used to hammer nuts.
A forged ring spanner/Used to be hammered by a sledgehammer.
What is the tool shown upper right?

Special tools

A bearing cap-wrench.
A purifier assembly wrench.
An orifice removal wrench.
A hydrant wrench.
What tool is shown bottom left and for what is it used?

Special tools

Articulated socket wrench/Out of centre extension.
Square ratchet wrench/45 degree out of line wrench.
Flexible socket spanner/For sunken nuts removal and fitting.
Flexible ratchet wrench/As extension for ratchets.
What kind of tool is shown right bottom and into what does it fit?

Special tools

A bar wrench/It fits into exhaust gas pipe fastening bolts.
An angle wrench/It fits into cylinder cover plugs.
A socket bolt wrench/It fits into Allen Bolts (Allen keys).
A torque wrench/It fits over nuts.
What kind of wrench is shown upper left?

Wrenches

An adjustable spanner.
A spring wrench.
A Stillwell adjustable wrench.
A Stilson wrench.
What kind of tool is shown upper right?

Wrenches

A Stilson wrench.
A pipe wrench.
An adjustable nut wrench.
An adjustable vice grip wrench.
What is the tool shown bottom left?

Wrenches

A ratchet spanner.
A flexible ring spanner.
A forged flexible star-spanner.
A torque ring spanner.
What kind of tool is shown top right?

Special tools

A star spanner, double forged.
A mechanic’s spanner.
A common bolt spanner, double forged.
A double ended open jaw spanner.
What is the tool shown top left?

Special tools

A flat mechanic’s double spanner.
A double ended ring spanner.
A double flat spanner.
A forked double spanner.
What kind of tool is shown bottom left? How can it be extended?

Special tools

A star spanner/Extended by torque bar.
An open spanner/Cannot be extended.
A double hexagon spanner/Extended by rod.
A single ended ring spanner/Extended by a pipe or tube.
What kind of tool is shown bottom right bottom?

Special tools

A combined open ended spanner and socket wrench.
A flat ratchet spanner.
A socket wrench forked spanner.
A single ended forked ratchet wrench.
What kind of assembly does the upper left piece and the upper centre piece make?

Assemblies

A socket wrench assembly.
A ratchet spanner.
A ratchet lever assembly.
A ratchet torque assembly.
What kind of tool is shown on the bottom left corner of the picture and when is it used?

Assemblies

A rod spanner/For cylinder cover tightening.
An extended spanner/When the nut is found frozen.
A hexagon fork spanner/To apply extra force when tightening.
A pinchbar spanner/When there is no side space available.
What kind of tool is shown bottom centre?

Assemblies

An adjustable pocket spanner.
A pipe wrench.
A shifting spanner.
A Stilson wrench.
On what equipment should the wrench shown bottom right be used?

Assemblies

On bolts and nuts.
On broken studs.
On large diameter pipes and shafts.
On electric motor couplings.
The tools shown here are …………….?

Special tools

Engineer’s tools.
Electrician’s tools.
Duty engineer’s and watchkeeper’s control room tools.
Welder’s tools.
What is the tool shown top left called and by whom is it mostly used?

Special tools

Welding rod pliers/fitters and welders.
Manometer curved pliers/engineers.
Instrument long nose pliers/Automation and control engineers.
Curved long nose pliers/Electricians.
What is the tool shown top right and by whom is it used?

Special tools

Combination pliers/For general use.
Electrician’s pliers/By the electrician.
Mechanical pliers/By the engineers and fitters.
Flat nose pliers/By the electrician.
What is the tool shown bottom left and by whom is it used?

Special tools

Inside circlip pliers/By engineers.
Outside circlip pliers/By engineers.
Round point pliers/By electricians.
Eye nose pliers/By the electrician.
What kind of tool is shown bottom left? What is its use?

Special tools

Mason’s chisel/To break up cement boxes.
Blacksmith’s chisel/To cut steel bars and rods.
Hot chisel/To cut bolts and nuts.
Cold chisel/A general purpose cutting and splitting tool.
If the welding torch and the oxygen/acetylene pressure regulators are fitted in the engine room workshop, to what should they be connected?

Welding torch

The oxygen and acetylene bottles.
Oxygen and acetylene pipe lines.
Gas bottles depending the material to weld.
Safety valves.
When igniting the welding torch, how would you proceed?

Welding torch

Open acetylene, ignite, than adjust flame with oxygen.
Open oxygen and acetylene, than ignite.
Open acetylene, ignite, open oxygen than adjust flame.
Ignite whilst controlling acetylene, open oxygen, adjust flame.
What is the gas welding equipment shown right side?

Welding torch

A heavy duty welding torch.
A blow-by torch.
A cutting torch.
An illumination torch.
How should oxygen and acetylene bottles be transported?

Welding torch

In a safety net, well secured.
In a special provided stand with clamps.
With the caps secured by gas-tight tape.
In an upright position.
Depending on the plate thickness to be cut you should increase …………….?

Welding torch

The acetylene flow.
The oxygen flow.
The oxygen and the acetylene flow.
The nozzle size.
If you are welding in the workshop, you must ensure in advance that the bridge is told and that:
The Chief Engineer is informed as well.
The emergency fire pump is started.
The fire extinguishers of the engine room platform are not expired.
The fire alarm for the workshop platform is switched off.
What is the function of this hydraulic stressing tool when fastening and unfastening bolts/nuts on an engine?

Hydraulic stressing tool

To fasten or unfasten the nut.
To press the part to be fastened together or down so that the nut can be tightened by hand.
To apply pressure on cylinder head or bearing so that the bolts/nuts can be tightened by hand.
To elongate the bolts at required stress value so that the nuts can be tightened to the position to ensure correct pre-tensioning.
The “scleroscope” is used to determining:
The existence of cracks in metal.
The “hardness” of a metal.
The “thickness” of a metal.
The “brittleness” of a metal.
Which of these four screws is a fillister head screw?

Screws

No 1.
No 2.
No 3.
No 4.
What type of screw is No. 2?

Screws

A hexagon head screw.
A button head screw.
A flat head screw.
A fillister head screw.
What type of screw is No. 3?

Screws

A hexagon head screw.
A button head screw.
A flat head screw.
A fillister head screw.
What type of screw is No. 4?

Screws

A hexagon head screw.
A button head screw.
A flat head screw.
A fillister head screw.
For cutting hard materials, metal saws with ……. blades should be used?
Large pitch.
Small pitch.
Sharp angle teeth.
Dual angle teeth.
When starting to tap a hole, how is the process checked for perpendicularity?
By sighting.
By spirit level.
By try square.
By straight edge.
What general name is given to files which remove maximum metal in the shortest time?
Single cut.
Draw file.
Double cut.
Bastard.
The figure shows welded tee joints. What preparation is required for No. 2?

Welded tee joints

Single bevel.
Double bevel.
Double V.
Double U.
When fitting new bottom ends to a small diesel engine, the bottom end bolts have no locking devices. Which of the following should be fitted.
Taper pins.
Bifurcated taper pins.
Parallel pins.
Split pins.
The sketch shows the rollers for a pyramid rolling machine. Which is the idler?

No. 1.
No. 2.
No. 3.
No. 4.
What device is fitted to prevent component gases mixing in hoses?
A relief valve.
A stop valve.
A by-pass valve.
A hose check valve.
The diagram shows four types of machine screws. Identify the cheese head screw.

Machine screws

No. 1.
No. 2.
No. 3.
No. 4.
Identify the powered hand tool No. 2?

Powered hand tools

Drill.
Grinder.
Screwdriver.
Input wrench.
Perspex is an example of a thermoplastic, how is this best heated prior to bending?
Heat in an oven.
Heat in boiling water.
Flame heat.
Hot air stream.
It is required to make a drip tray. What machine would be used?
Powered brake press.
Rolling machine.
Hand operated folding machine.
Nibbler.
In readiness for use, a good scraper would have it’s cutting edges?
Ground Oil stoned.
Honed Sand stoned.
Polished Sand stoned.
A method of joining two plastics together is by solvent welding. What is this process?
Application of a thin film of adhesive to joining surfaces.
Adhesive is applied and dissolves the plastic material being joined.
A heating tool is applied with pressure to required join.
A high frequency current is applied to clamps at the join.
When gas cutting a mild steel plate, what does the size of nozzle used depend upon?
Thickness the of plate.
The gases used.
Impurities in the material.
Gases remaining in the cylinder.
The sketch shows a partially completed knocked up joint made from 0,5 mm plate. Which direction of bending completes the joint?

Knocked up joint

No. 1.
No. 2.
No. 3.
No. 4.
A short box girder is fabricated from 8 mm steel plate. What edge preparation is required for No. 2?

Edge preparation

None.
Single bevel Closed corner.
Double bevel closed corner.
Double U.
Welding fumes can be dangerous. When welding in the workshop how is welding rendered safe?
By respirator.
By extraction.
By ventilation.
By extractor welding gun.
Which set of equipment is required to mark out the keyway of a 30 mm diameter shaft?
Porthole glass Slip gauges.
Dial gauge Vee block.
Polish flat bar Slip gauges.
Surface plate Vee block.
A blind hole in a valve casing requires to be tapped 12 mm. Which tap(s) would be used?
Plug.
Second and plug.
Taper and plug.
Taper, second and plug.
For the fillet weld shown, what is the throat length?

Fillet weld

ad.
ae.
Db.
af.
A crankcase weld requires detailed inspection while on passage. How would this be carried out?
By x-ray.
Visually.
By dye penetrant.
By magnetic particle.
Which gas is NOT commonly used as a fuel when cutting steel plate?
Propane.
Acetylene.
Natural gas.
Helium.
When bonding together two metal components, what is the correct sequence?
Clamp together. Add activator to epoxy resin.
Add activator to epoxy resin. Clamp together.
Clean and rough surfaces. Add activator to epoxy resin.
Clean and rough surfaces. Add activator to epoxy resin.
When gas welding, which is the most likely cause of a serious accident?
Touching hot metal.
Flying sparks.
Leaving torch on floor.
Not extinguishing when finished.
For the square pyramid float component shown, which is the correct development?

Square pyramid

No. 1.
No. 2.
No. 3.
No. 4.
Which of the materials listed can be cut using an oxygen fuel gas mixture?
Bronze.
Stainless steel.
Cast iron.
Mild steel.
What is the limiting factor of a visual inspection of a weld?
There is none.
It will not show if penetration is correct.
It will not indicate blow holes.
It gives an indication only.
When working with bonded resins what is their useable pot life?
2 to 3 minutes.
4 to 6 minutes.
9 to 10 minutes.
11 to 14 minutes.
What general name is given to files used for finishing?
Single cut.
Draw file.
Second cut.
Smooth.
Which column gives the correct factors for a clean cut edge preparation?
Flame adjustment. Speed of travel.
Flame adjustment. Speed of travel.
Flame adjustment. Speed of travel.
Flame adjustment. Angle of nozzle to plate.
Which of the following size nominations is most commonly used?
Actual size.
Basic size.
Nominal size.
Limit of size.
What is the plate thickness limit for hand-operated folding machines?
2,5 mm.
3,0 mm.
3,5 mm.
4,0 mm.
Which system uses a tungsten electrode, causing an arc between itself and the metal to be cut?
Electric arc cutting.
Molten arc cutting.
Arc cutting.
Plasma arc cutting.
A repair to a compressor requires a plate of the form illustrated to be designed. Which illustration is dimensioned to be the correct standard.

Correct standard

No. 1.
No. 2.
No. 3.
No. 4.
The speed and feed for a 20 mm diameter reamer would be?
Same as a drill.
75 % less than a drill.
50 % less than a drill.
25 % less than a drill.
A scriber should not be used for marking out?
When material is copper.
When material is to be bent.
When material is to be hot worked.
When material is plastic.
Hoses are easily damaged and require special care for long life, but what are they reinforced with?
Canvas.
Cotton.
Nylon.
Wire.
The diagram shows four types of socket head screws. Identify the socket shoulder screw.

Socket head screws

No. 1.
No. 2.
No. 3.
No. 4.
What dictates the size of drill hole required prior to cutting an internal thread?
The core diameter.
The outside diameter.
The thread form.
The thread pitch.
When welding at a bench, which list of equipment would be used?
Leather gloves. Leather apron.
Leather gloves. Boiler suit.
Leather gloves. Leather apron.
Leather gloves. Leather apron.
Which of the following effects could be reduced if hand powered tools were used?
Over familiarity. Use of safety glasses.
Fatigue. Loss of concentration.
Distraction. Use of hard hat.
Injury to hands. Tools correctly sharpened.
What effect will an undersized vee width have on the form produced?
Outside bend may fracture.
Inside bend may fracture.
Outside bend may be scuffed.
Inside bend may be polished.
Which correctly identifies a full acetylene cylinder?
170 bar right hand thread black colour.
170 bar right hand thread blue colour.
15 bar left hand thread maroon colour.
7,5 bar left hand thread red colour.
Which material is difficult to weld due to porosity?
Cast iron.
Low carbon steel.
Medium carbon steel.
High carbon steel.
When out of use temporarily, how should the workshop surface plate be stored?
Covered with grease.
Covered with a wooden cover.
Wiped with an oiled rag.
Covered with a cloth sheet.
A 1,3 m long slot is to be marked off on the floor plate but only a 300 mm straight edge is available. How is this overcome?
By using a cardboard template.
By using a piece of wood.
By using a length of tape.
By using a chalk line.
What is the softening temperature for PVC?
100 °C.
105 °C.
110 °C.
115 °C.
Which type of examination reveals pin holes, slag inclusion and lack of fusion?
Dye penetrant.
Visual.
Fluorescent penetrant.
Macroscopic.
What is a trammel used for?
For cutting out joints.
For scribing large circles.
Substitute if dividers are unavailable.
For marking off pipes.
A frustrum of a hexagonal pyramid is shown. Which drawing goes to the left of the figure in third angle projection?

Hexagonal pyramid

No. 1.
No. 2.
No. 3.
No. 4.
What is the effect of low pressure cutting oxygen?
Combustion will not occur.
Melting point will not be reached.
The melt will not be blown out.
The cut will be ragged at edges.
The Vernier protractor gives an angular accuracy of?
7 minutes of angle.
5 minutes of angle.
1 minute of angle.
3 minute of angle.
Dimensions are read from the bottom of the drawing but if this is not possible what is the next choice?
Turn drawing clockwise 45. reading from RH side.
Turn drawing anti-clockwise reading from RH side.
Turn drawing anti-clockwise reading from LH side.
Turn drawing clockwise reading from RH side.
After sharpening a twist drill, which points are the most important to check?
Web size. Rake angle.
Land. Overall length.
Clearance angle. Chisel edge angle.
Flute length. Face of drill.
When fitting a blade into a hacksaw, which direction should the teeth be pointing relative to the handle?
Towards the handle.
Towards if blade is fitted at 90 degrees to normal.
Towards if blade is fitted at 180 degrees to normal.
Away from the handle.
In the following gas flame temperatures, which is the oxy-acetylene?
1 880 °C.
2 770 °C.
2 820 °C.
3 200 °C.
During a plasma cutting process the workpiece was not totally penetrated. What would be the most likely problem?
Speed of cut too high.
Speed of cut too low.
Current is too high.
Metal is too porous.
What is shown in No. 1?

Spade guide

Small circle guide.
Roller guide.
Spade guide.
Radius bar.
How does the brake press differ from the other forming machines?
Uses rollers.
Uses male and female formers.
Can pierce only.
Can crop only.
When using third angle projection, viewing the component from x, which drawing will be above the front elevation?

3d shapes

A.
B.
C.
D.
A flashback arrester has been triggered. Which is the correct sequence to follow after this event?
Ascertain cause of activation. Clean, if necessary.
Clean, if necessary. Check equipment.
Ascertain cause of activation. Check equipment.
Check equipment. Open up flashback arrester.
When self-secured joints are to be made, which tool is most useful?
A press.
A folder.
Tin snips.
A rubber headed hammer.
Which table best describes the flexible hacksaw blade?
Only teeth hardened. Reasonably non-rigid.
Only teeth hardened. Easily broken if misused.
Only teeth hardened. Easily broken if misused.
Only teeth hardened. Reasonably non-rigid.
If a gas pressure gauge is over-pressured and bursts, what feature minimizes damage?
The flexible back.
A relief valve.
A bursting disc.
Auto shut off valve.
The sketch shows the two scales of a Vernier caliper. What degree of accuracy will a measurement have?

Vernier caliper

0,01.
0,02.
0,03.
0,04.
When two pieces of metal at right-angles are welded together, what weld is used?
Fillet.
Butt.
Bevel.
Lap.
What condition must exist in order to cut using an oxygen fuel gas mixture?
Slow oxidation.
Rapid oxidation.
Slow temperature rise.
Low velocity jet.
Why is a high pressure blow pipe unsuitable for use in a low pressure system?
The nozzle sizes are different.
The oxygen pressure differs.
The acetylene pressure differs.
Both gas pressures must be equal.
The engine room workshop carries different types of hacksaw blades. Which blade should be used to cut sheet metal?
Tooth pitch = 6/cm.
Tooth pitch = 8/cm.
Tooth pitch = 10/cm.
Tooth pitch = 14/cm.
A centre punch has a 60° point for?
Ease to see.
Use as scriber.
Long life.
Accurate marking.
What type of ball-bearing is shown in the illustration?

Ball-bearing

Shallow groove.
Two-way thrust.
Heavy duty.
Deep groove.
If two pieces of metal are welded together while laying in the same plane, this is known as?
A lap weld.
A corner weld.
A fillet weld.
A butt weld.
Which table would give the best checklist following an arc welding process, checking for:
Fusion. Undercutting.
Slag inclusion. Fusion.
Undercutting. Surface pin holes.
In the system of limits and fits shown, on what basis has the drawing been made?

Shapes

Interference fits.
Shaft basis fits.
Hole bases fits.
Clearance fits.
A white metal lined bearing is to be fitted on to a shaft. Which combination would be used?
Use a flat scraper with engineer’s blue on bearing.
Use a flat scraper with engineer’s blue on shaft.
Use a half-round scraper with engineer’s blue on shaft.
Use a half-round scraper with engineer’s blue on bearing.
For the fillet weld shown, what is the throat length?

Fillet weld

ab.
ac.
ad.
de.
What is the greatest danger when working with sheet metal?
Plate is too large.
Plate is too heavy.
Edges are sharp.
Space to manoeuvre is usually restricting.
A flat chisel requires tempering; which temperature and colour is correct for this process?
240 °C dark straw.
250 °C light brown.
260 °C dark brown.
280 °C purple.
Thick plates require a multi-run weld. Which type of runs are used?

Multi-run weld

No. 1.
No. 2.
No. 3.
No. 4.
Identify the powered hand tool in No. 1?

Powered hand tools

Drill.
Grinder.
Screwdriver.
Input wrench.
The square to round section shown requires a template. What forms the triangular base line from which the true lengths are obtained?

Triangle base line

ab a1.
a1 a2.
a2 ab.
ax ab.
How is the emergency stop button indented on workshop machinery, for example, the lathe?
Large round head with light emitting diode insert.
Large round head painted green.
Large round head painted red.
Large round head painted yellow.
In electric arc welding, what purpose does the the electrode coating serve?
It provides a gas shield. Reduces splatter.
Gives a variable arc. Reduces splatter.
Allows damp electrodes to be used. Gives a stable arc.
Controls the metallurgical properties. Assists penetration.
Which of the four bearings shown provides positive location?

Bearings

No. 1.
No. 2.
No. 3.
No. 4.
The figure shows welded tee joints. What preparation is required for No. 3?

Welded tee joints

Double U.
Double bevel.
Single bevel.
Single U.
All mechanical cutting devices have the same basic features. These are?
One moving blade.
One fixed blade.
Two moving blades.
One moving and one fixed blade.
The engine room workshop has a bench shear. What is the maximum thickness of mild steel it will cut?
1 mm.
3 mm.
5 mm.
7 mm.
For the cover shown, what length of plate is required?

Drawing of cover

350,2 mm.
348,4 mm.
345,1 mm.
343,7 mm.
How does a two-stage pressure regulator give precise control?
Both stages are adjustable.
First stage only is adjustable.
Second stage only is adjustable.
Automatical regulation of both stages.
When using a centre lathe what operation could a hacksaw be used for?
Cutting off.
Shaping.
Cutting threads.
Removing burrs.
A chisel is refurbished and requires the cutting end to be tempered after hardening. How is this achieved?
Heat to 230 °C. Quench in oil.
Heat to 280 °C. Quench in oil.
Heat to 260 °C. Quench in water.
Heat to 250 °C. Quench in water.
In the following, which gives advantages only for adhesive bonding?
Needs good surfaces/no protruding parts.
Poor electrical conductivity/may act as an insulator.
Toxic hazards/reduced galvanic action.
Weight reduction/may join thin sheet.
What is significant about the spring-back hacksaw blade?
It can be bent into a circle over its length.
It is a compromise between the flexible and all-hard blade.
It is only available with a large tooth pitch.
It is only suitable for use in a power saw.
The drawing of an engine mechanism component gives some surfaces as angles. How would these angles be marked out?
With a steel rule.
With dividers.
With odd leg callipers.
With a vernier protractor.
An acetylene welding cylinder is packed with charcoal and charged with acetone. At 15 bar by how many times will it absorb its own volume?
275 times.
325 times.
375 times.
425 times.
A short box girder is fabricated from 8 mm thick steel plate. What edge preparation is required for No. 1?

Short box girder

Double bevel 60°.
Double bevel 45°.
Single bevel 60°.
Single bevel 45°.
Which of the tables of defects would lead to porosity in a welded joint?
Welding current too low. Speed of travel too fast.
Damp electrode coating. Damaged electrode coating.
Wrong electrode angle. Incorrect joint set up.
Welding current too high. Incorrect root gap.
What feature of a good weld is indicated by No. 4?

Good weld

Good penetration.
Blend with parent metal.
Contour even and regular.
Backing bar has been used.
Mild steel plate 2 mm thick bent in vees would produce an approximate inside bend radius of?
1,0 mm.
1,5 mm.
2,0 mm.
2,5 mm.
What is the system called which gives explicit instructions on drawings which cannot be misinterpreted?
Cumulative effect.
Geometrical tolerancing.
Limits and fits.
Tolerances.
When carrying out a repair using a bonded resin what precautions should be observed?
Use gloves, do not smoke,use barrier cream and use safety goggles.
Use gloves, ensure below flash point of material, use brush and use safety goggles.
Use gloves, use stirrer, take care opening tins and use safety goggles.
Use gloves, use brush use barrier cream and use safety goggles.
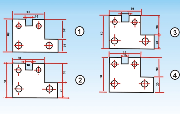
Looking at the drawing, can this component be made?

Shapes drawing

Yes.
No – material is not given.
No – scale is not given.
No – relevant dimensions are missing.
Which is the preferred table to be checked to ensure a sound weld is produced during an arc welding process?
Electrode. Arc length.
Arc length. Welding current.
Arc length. Electrode angle.
What presents the greatest danger when sharpening a chisel on a grinding machine?
Wrong grade of wheel.
Worn wheel.
Exsessive rest clearance.
Using too much force.
When tempering a cold chisel, at which part of the chisel is the flame directed?
The cutting edge.
The hammer end.
Mid-way.
The beginning of the tapered portion.
What may be done to improve the finished appearance of a self-secured joint?
Caulk.
Solder.
Burnish.
Fit edging wire.
What special care do an engineer’s dividers need:
Keep oiled.
Keep screw thread clean.
Always use same leg in centre pop.
Protect points when not in use.
Thermoplastic type adhesives soften when subject to heat, are fusible and soluble. They are not suitable for?
Leather.
Wood.
Aluminium.
Fabrics.
The ventilation trunk shown goes from square to round section. What does its development look like?

Ventilation trunk

No. 1.
No. 2.
No. 3.
No. 4.
To make a single grooved seam from 1 mm plate, in what order would the following operations be carried out?
Set to thickness. Hook together.
Fold. Hook together.
Flatten. Set to thickness.
Fold. Set to thickness.
In the method of datum dimensioning (sometimes known as parallel dimensioning), what is the advantage over conventional dimensioning?
Makes machining easier.
Improves positional accuracy.
Reduces the marking out time.
Ignores conventions.
What is the attachment shown in No. 2?

Roller guide

Small circle guide.
Roller guide.
Spade guide.
Radius bar.
The safety features for a welded acetylene gas cylinder are?
Spring load relief valve.
Bursting discs.
Fusible plugs.
Gas loaded relief valves.
The sketch shows the configuration of a pinch bending roll. How does this operate?

Pinch bending roll

Roller No. 2 rises.
Roller No. 1 is lower.
Rollers No. 2 and No. 3 rise.
Roller No. 3 rises.
A short box girder is fabricated from 18 mm thick steel plate. What edge preparation is necessary for No. 3?

A short box girder

Double bevel.
Single bevel.
None.
Single U.
A component with a working temperature of 325 °C is to be joined using epoxy resin. Which of the following is suitable?
Epoxy silicone.
Epoxy phenolic.
Epoxy nitrile.
Phenolic nitrile.
The figures show welded tee joints. What preparation is required for No. 1?

Welded tee joints

Single V.
Double V.
Double U.
None.
Prior to welding, plate edges are prepared to?
Allow filler to the flow.
Give economical use of the filler.
Give a flat surface to the filler.
Allow maximum penetration of the filler.
Which system of welding uses a shield of Argon and a non-consumable electrode?
Gas metal arc.
Metal inert gas.
Manual metal arc.
Tungsten inert gas.
For a particular welding arrangement, the decision is to use a manifold system. Why would this be chosen?
Because of the long time span of welding.
The discharge rate is too high from single bottle.
Better stability when using large bore nozzles.
Cost – two cylindersare cheaper than one.
Plates of less than 6 mm thickness (T) have no edge preparation but what ratio of (T) is the gap?
T/6.
T/4.
T/2.
T/1.
When tempering use is made of the microscopic oxide film formed on the surface, in what sequence does change occur?
Straw. Brown.
Straw. Purple.
Brown. Purple.
Purple. Straw.
A 90° centre punch is specifically designed to?
Act as a pin punch.
Pop mark for drilling.
To scribe.
Give long life.
Given a set of odd-leg calipers and a small cork, what use is the cork?
Cork is used as centre when marking out.
Cork is to protect the point.
Cork has the same properties as silica gel and prevents corrosion.
Cork is a sales gimmick.
In the sketches, which view is incomplete?

Shapes sketch

No. 1.
No. 2.
No. 3.
No. 4.
If a view is projected in a direction which is not horizontal or vertical, what name is given to the view?
An auxiliary view.
An isometric view.
An elevated view.
A pictorial view.
Sketch shows a gas cutting blowpipe. What is control No. 1 used for?

Gas cutting blowpipe

Acetylene control.
Pre-heat oxygen.
Mixing gases.
Cutting oxygen.
What does the geometrical tolerancing shown in the drawing refer to?

Geometrical tolerancing

Flatness.
Roundness.
Screw thread.
Squareness.

🤝 Support Our Work

To continue the project, we need your help!
700
130
🚀 Boosty ❤️ Patreon
⭐ Buy Premium 📄 Buy PDF-files with tests
👥 We are supported:
Vitaliy, Gennadiy, Reggae Denz, Elvin Cmi, Paul Jack, Pana
and 26 others
There are also transfers to the card • Thanks to everyone!

Did you find mistake? Highlight and press CTRL+Enter

Verified by
Vladimir Filatov
Chief Officer
About

Senior Mate with 12+ years of experience in the international merchant marine.

  • Development and implementation of navigation and on-board safety plans.
  • Supervising the work of the crew and assisting the captain in managing the vessel.
  • Participation in training of junior crew, ensuring compliance with safety standards.

All materials have been checked by our marine expert.

Personal data is not disclosed for security and contract confidentiality purposes.

September, 19, 2025 308 0
5/5 - (2 votes)
Social Telegram Vk Facebook OK Instagram

Add a comment