.
Site categories
1/ Help
:

SETS 6000 (Seafarer Evaluation Training System) Test Online for Seamen on EO7: Maintain Marine Engineering & Control Systems

Join Our Telegram (Seaman Community)

Welcome to the website where you can pass online the Seafarer Evaluation Training System (SETS) test on «Maintain Marine Engineering & Control Systems». Practice like this will help you as a marine specialist improve your knowledge with the help of online studying and appraisal practice. SETS based on practical information and marine specialists experience.

SETS tests developed for evaluating seaman basic knowledge by company “Naval Education Services” is an evaluating online-tool, used for revealing any professional preparation needed in specific fields of knowledge, defined by STCW Section A-V/1-2.

SETS tests have proven themselves as good tools for the selection and recruitment process, as well as advancing the level of knowledge of the current officers and crew.

Current test contains SETS questions in area «Maintain Marine Engineering & Control Systems». Those questions can be used for competence verification specialist capable of preventing accidental situations related with transporting safety, or also for self-examination.

«Maintain Marine Engineering & Control Systems» subject includes theoretical and practical information about advanced training for work on any type of vessel. This examination assesses a comprehensive understanding of the operation and maintenance of shipboard machinery and automated control systems. A significant portion of the test focuses on troubleshooting complex faults within marine power plants and associated auxiliary systems. Candidates will be required to demonstrate their knowledge of safety procedures and emergency protocols for engineering operations on various vessel types. The practical section evaluates the ability to calibrate and maintain critical control systems, including automation for the main engine and power generation. Theoretical questions cover the principles of marine electro-technology, from electrical distribution systems to bridge control interfaces. The test includes problem-solving scenarios related to the maintenance of fuel, lubrication and cooling systems for marine diesel engines. Proficiency in interpreting technical drawings, piping and instrumentation diagrams (P&IDs) and machinery specifications is essential for success. Ultimately, the examination validates the competencies needed to ensure the operational reliability and safety of a vessel’s entire engineering plant.

On this site SETS on the subject «Maintain Marine Engineering & Control Systems» contains 270 questions you need to answer with no possibility to go back to previous question. Therefore, we recommend carefully reading each question and making decision with no hurry. In case you have some difficulty answering, you have also possibility to request a hint.

Choose the regime, in which you want to pass SETS test:

Training - SETS test
Training

Exam - SETS test
Exam

Wild Mode
* Some questions may have more than 1 correct answer.

“SETS test” finished! Your result:
Correct answers:

Use the search below to find question.

Amount of questions: 270.

Right answers marked with this sign .

What is the purpose of the expansion tank?

Fresh water cooling system

To store extra water.
To take up the difference of water pressure with changes of temperature.
To act as a spare tank in case the pressure is dropping.
To take up the difference of water volume with changes of temperature.
Re-conditioning part 4 and part 7 of this valve using carborundum paste is called _____?

Valve scheme

Burnishing.
Re-packing.
Finishing.
Grinding.
If the valve wheel (5) is moving very freely, but you suspect that the valve is neither opening nor closing, what are you going to check first?

Valve wheel

Remove the complete valve assembly for overhaul.
Open gear box (4) and check if the sheer pin is broken.
Open gear box (4) and check if the valve is greased.
Open the valve wheel spindle and check that it is not broken.
Upon what is the movement of the rudder dependant, when a helm order is given?

Mechanical scheme

On the spring tension of spring “S“.
On the adjustment of the feedback rod connection “Y“.
On the distance the command rod “C” moves point “X“.
On the hydraulic pressure setting of the valves “PR“.
What part of a pneumatic control system is this?

A nozzle/flapper assembly

An integrator assembly.
A differentiator assembly.
An amplifier.
A nozzle/flapper assembly.
By what parts is the outlet pressure Pu of this pneumatic transmitter directly controlled?

Pneumatic transmitter

By spring tension in S.
By the stand of the valves V and B.
By the restriction R.
By slight fluctuation of supply pressure.
What would be the result if after period of time the tension of spring S should weaken on this pneumatic amplifier?

Pneumatic transmitter

It will not have any effect.
It would increase the output pressure Pu.
It would decrease the output pressure Pu.
It will destabilise the amplifier.
Which is the exhaust or air vent port to the atmosphere shown on this pneumatic transmitter?

Pneumatic transmitter

Air passage 12.
Air passage 13.
Air passage 14.
Air passage 15.
For what purpose is spring ball adjustment screw item No 2 fitted on the spring blade of this pneumatic amplifier?

Pneumatic amplifier

To adjust the valve stem distance.
To adjust the spring blade and output pressure Pu initially.
To control the nozzle back pressure.
To control the rate of amplification response.
Pneumatic instruments have an air filter fitted so that any impurity present is removed. Where is this filter fitted?

Pneumatic amplifier

In front of the nozzle item No 2.
In the main supply line to each individual instrument.
In the base of the amplifier, filter plug No 4.
In air connecting line, plug No 5.
What important periodical maintenance checks are required on nozzle/flapper assemblies of pneumatic instruments?

Cleaning of nozzle

Redrilling of the nozzle.
Exchange of nozzle and flapper.
Cleaning of the nozzle and the flapper.
Exchange packings on the nozzle and flapper.
What is the correct name of item No. 2 shown here?

Cleaning of nozzle

Restrictor nozzle.
Flapper nozzle.
Filter plug.
Connecting plug.
Between which values (expressed in psi) can setting of the Sv (set value or desired value) bellow of this pneumatic P controller be affected?

Pneumatic controller

Between 0 and 20 psi.
Between 2 and 2,75 psi.
Between 3 and 15 psi.
Between 0 and 15 psi.
Comparing this pneumatic control unit with the equivalent electrical amplifier. What takes the place of the air restrictor passage used in the pneumatic nozzle/flapper unit in the electrical equivalent?

Pneumatic control unit

Resistor R1.
Resistor R2.
Voltage U1.
Voltage U2.
What takes the place of the 20 psi input used by pneumatic nozzle/flapper units in this electrical amplifier equivalent?

Pneumatic control unit

Resistor R1.
Resistor R2.
Voltage U1.
Voltage U2.
What takes the place of the output pressure of the pneumatic nozzle/flapper unit in this electrical amplifier equivalent?

Pneumatic control unit

Resistor R1.
Resistor R2.
Voltage U1.
Voltage U2.
What does a thick articulated line represent in automation schematic diagrams? (the top articulated line shown here).

Automation schematic diagram

A process line.
A steering line.
A measuring line.
An instrument line.
What does a broken or dotted line represent in automation schematic diagrams? (the second line from top shown here).

Automation schematic diagram

An instrument line.
A pneumatic line.
A steering line.
A measuring line.
What does a non-articulated full line indicate in an automation schematic drawing? (the third line from top shown here).

Automation schematic diagram

An electric steering line.
A pneumatic steering line.
A measuring line.
An instrument line.
What does the symbol drawn on the fourth line form the top (a blank circle) indicate in an automation schematic diagram?

Automation schematic diagram

An instrument.
A transmitter.
An indicator.
A controller.
What does the symbol shown on the fifth line from the top (a circle with a horizontal line through it) of the drawing indicated an automation schematic diagram?

Automation schematic diagram

A pneumatic instrument.
An electronic instrument.
An instrument fitted in a central panel.
An instrument fitted in the main control console.
What do the letters “PT” shown in this instrument symbol (drawn on the bottom line) indicate if found in an automation schematic drawing?

Automation schematic diagram

First letter: Measuring function, Second letter: Working function.
First letter: Monitoring, Second letter: Controlling.
First letter: Measuring, Second letter: Steering.
First letter: Monitoring, Second letter: Working function.
As part of an automation schematic drawing, what kind of instrument might be fitted on the measuring line as indicated on the top right drawing?

Automation schematic drawing

A thermometer.
A manometer.
A temperature controller.
A temperature transmitter.
As part of an automation schematic drawing, what kind of instrument might be fitted on the measuring line as indicated on the top centre drawing?

Automation schematic drawing

A line capacitor.
A level controller.
A Low Pressure cut-out.
A limit control switch.
What kind of valve is valve A, shown in the left bottom?

Automation schematic drawing

An electric motor driven control valve.
A spring loaded solenoid valve, activation to close.
A pneumatic control valve, air to close.
An hydraulic control valve, pressure to open.
What components of the Lubricating Oil Control System are shown here?

Lubricating Oil Control System

Temperature recorder, transmitter, electronic control valve.
Temperature transmitter and controller, pneumatic control valve.
Cooler temp indicator, transmitter, electric control valve.
Temperature controller, indicator, pneumatic control valve.
The feedwater valve and the feedwater by-pass valves are:

Feedwater Valve

Electronic controlled valves working in tandem.
Electronic controlled valves working in opposition.
Pneumatic controlled valves working in opposition.
Pneumatic controlled valves working in reverse.
This drawing shows a simple mechanical controller controlling the water level in the tank. Level “L” is the DESIRED water level in the tank, in automation this is called the:

Mechanical Controller

Measured value.
Proportional point.
Set point.
Set level.
Suppose that in the system drawn the water inflow Q1 increases so that the float is pushed up by the water to level L’. The value of level L’ is called the:

Mechanical Controller

Actual value.
Increased value.
Level value.
Measured value.
The difference between the desired value (level L) and the measured value (level L’) is called:

Mechanical Controller

The measuring fault.
The differential value.
The offset.
The inclination.
In the top integrator drawing the bellows fill with air through the Restrictor Valve “R“. In the electrical equivalent:

Electrical scheme

The capacitor allows Voltage built up over the resistor.
The capacitor takes the place of the bellow.
The Voltage U2 represent the equivalent of the input air.
The current increases over time.
Explain the function of a capacitor that loads up compared with a bellow that fills up with air?

Electrical scheme

They have both the same function.
They perform opposite functions.
The capacitor is a differentiator, the bellow is an integrator.
The capacitor is an integrator, the bellow is a differentiator.
The measuring signal obtained to carry out flow measuring is a Differential pressure signal. This is obtained by a certain medium flowing through a:

Mechanical scheme

Nozzle system.
Capillary tube.
Oriface plate.
A right-angled nozzle system.
To which channel is the nitrogen-filled thermal bellow in this pneumatic temperature transmitter fitted?

Pneumatic temperature transmitter

Channel 10.
Below 8.
Channel 5.
Channel 8.
What is item No. 1 of this pneumatic temperature transmitter?

Pneumatic temperature transmitter

The pneumatic amplifier.
The compensator.
The equaliser block.
The range control setting.
Which is the filter of the instrument on this transmitter part drawing?

Pneumatic transmitter

Item No 1.
Item No 2.
Item No 3.
Item No 4.
On this pneumatic transmitter part drawing, which part is amplifying the signal?

Pneumatic transmitter

Part No 1.
Part No 2.
Part No 3.
Part No 4.
What is part No. 11 on this transmitter drawing?

Pneumatic transmitter

The transmitter bellow.
The feedback bellow.
The balance arm tensioner.
The regulating bellow.
Which part adjusts the proportional band of this pneumatic transmitter?

Pneumatic transmitter

Part No. 7.
Part No. 8.
Part No. 9.
Part No. 10.
On which part of this pneumatic transmitter does the pressure of the process (steam, oil, water) act?

Pneumatic transmitter

Item No. 1.
Item No. 2.
Item No. 3.
Item No. 4.
The span of this pneumatic transmitter is set by adjusting or tensioning:

Pneumatic transmitter

Part No. 10.
Part No. 11.
Part No. 9.
Part No. 15.
Where would you find this instrument on board a ship?

Transmitter

In the Engine Control Room.
In the Boiler Control Panel.
In the Manoeuvring Remote Panel.
Near the fuel, lubricating oil or water piping.
How is the zero setting of this temperature transmitter adjusted?

Transmitter

By item No. 1.
By item No. 2.
By item No. 3.
By calibration of items 1, 2 and 3.
How is the range of this instrument adjusted?

Transmitter

With item No. 1.
With item No. 2.
With item No. 3.
With items 1, 2 and 3.
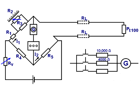
This is a:

Wheatstone bridge

Temperature compensation system.
Wheatstone bridge.
Rectifier bridge.
Temperature calibration system.
Compensation wires are electrical conductors made of special metal alloy and have as characteristics that:

Electrical scheme

The current is calibrated by a compensation system.
Between these and the metals of the thermoelement no thermocouple exists.
Thermal faults within the copper wires (connections E and F) are compensated for.
Minor thermocouples exist which can be compensated for by a regulator/compensator.
Control valves in a controlled process can be either pneumatic, electrically or hydraulically operated. What kind of medium is used to control this valve? When is it used?

Mechanical scheme

Pneumatic, when a big force or torque is required.
Pneumatic, when an accurate valve response is required.
Hydraulic, when a big force or torque is required.
Hydraulic, when an accurate valve response is required.
The two valves shown at the right of the picture are _____ type valves.

Valves

Flat shaped.
Stop flow.
Linear.
Equi-percentage.
The operating function of the valve on which this pneumatic valve motor is fitted will be:

Pneumatic valve motor

Air to open (bottom connection).
Air to close (top connection).
Pressure to open (positive manometer reading).
Vacuum to open (negative manometer reading).
This automatic control system shows one temperature controller steering two valve motors (fitted in different process components) by using different working ranges. This is called _____ control.

Automatic control system

Feedback.
Diverted.
Split range.
Separated range.
The valve positioner acts on the principle of the balance of forces. The tension of part __ (______) is to be in balance with the force of the controller pressure which acts on part __ (______).

Mechanical scheme

4 (relays), 12 (membrane).
9 (spring), 11 (supply valve).
12 (membrane), 6 (feedback lever).
9 (spring), 18 (membrane).
Why does the output (instrument supply) pressure of a reducer fluctuate?

Graph - pressure

Because the movement of the membrane follows the input pressure.
Because of the variation on the output pressure.
Because of the variation of the output capacity.
Because of the characteristic of the spring.
A pressure reducing valve works according to the principle of balance of forces, in this case the force P2 acting on the membrane is in balance with the force of the:

Pressure reducing valve

Inlet pressure P1.
The ball valve spring.
The ball valve.
The membrane spring.
This is the drawing of a Machinery Monitoring and Alarm System. What is the heart and brain of this Scanning Unit?

Machinery Monitoring and Alarm System

The LSU‘s.
The LAD‘s.
The CPU.
The MAD.
Which part of this machinery scanning system collects the incoming data from instruments and transducers?

Machinery Monitoring and Alarm System

The LSU‘s.
The CPU.
The MAD.
The TWM.
If the engine room is in UMS mode and one of the measuring points collected by a LSU and fed into the CPU exceeds its preset value parameter, the CPU will:

Machinery Monitoring and Alarm System

Activate the MAD (main Alarm Display) and Visible and Audible alarms will be activated.
Activate the LAD in operation and its visible and audible alarm will set off.
Activate the TWM (Type Writer Monitor) and print out the obtained error value, measuring point number and time.
Activates all of these.
The LSU‘s (Local Scanning Units) have to measure temperature, pressure, flow, level, RPM, torque, horsepower, circuit and salinity and do so via analog and digital tranducers. What is a digital transducer?

Digital transducer

A digital transducer gives a continue signal , example 0 – 100 mV.
A digital transducer is an electronic instrument opposed to an Analog tranducer which is pneumatic operated 3 to 15 psi.
A digital transducer works on AC voltage.
A Digital Transducer gives a direct “on” or “off” signal and involve logic transducers.
The latest obtained system values are fed into the computer and compared with previous ones. The analysis obtained before has to be compared with the latest analysis. This is called:

Scheme

Wear down and breakdown prediction.
Material fatigue and maintenance scheduling.
Trend analysis and maintenance prediction.
Wear down and maintenance scheduling.
If a fault occurs in this power supply system, the best and fastest way to locate this fault is by:

Electrical scheme

Calling the electrician.
Checking the fuses.
Checking the input voltage.
Checking supply volts, fuses then the Trouble Shooting Chart.
On this commonly used electric pressure transmitter, how will you adjust the range?

Electric pressure transmitter

With item No. 1.
With item No. 2.
With item No. 5.
With item No. 7.
How do you adjust the zero setting on this commonly used electrical pressure transmitter?

Electric pressure transmitter

By item No. 1.
By item No. 2.
By item No. 5.
By item No. 7.
Which important maintenance activity should you carry out on pre-tensioning hydraulic tools to ensure their continuous safe use?

Hydraulic stressing tool

Renew the hydraulic oil after every use.
Replace the O-rings of the tool components regularly, replacing particularly after frequent use.
Check that there are no metallic parts in the internals or in the oil.
Clean the hydraulic filter.
In an automated engine the center from which the ship’s engine room is controlled is called:
The control plant station (CPS).
The power plant station control station (PPCS).
The main engine nerve and control station (MENS).
The engineering control room (ECR).
The monitoring system that tests the plant for readings of the temperature, pressure etc. is called:
The demand display unit.
The comparing unit.
The scanning unit.
The loop back system.
In automation, RTD & CV stands for:
Return time delay.
Resistance temperature drop & control event.
Resistance temperature detector and control valve.
None of these.
Zinc rods in a refrigeration system are found in the:
Compressor crankcase.
Salt water side of the condenser.
Gas side of the condenser.
Evaporator.
What is part No. 1?

The Adjusting knob

The Pressure knob.
The Differentiator.
The Measuring scale.
The Adjusting knob.
What is Part No. 5?

The Differential adjusting nut

The Spring holder.
The Pressure adjuster.
The Pressure bearing.
The Differential adjusting nut.
A pressostat as well as a thermostat are sources of _____ type output signals?
Binary.
Impulse.
Analog.
Digital.
Bimetallic strips can be used in the measurement of _____ .
Flow.
Temperature.
Pressure.
Length.
What is a normal front clearance angle when cylindrical turning?
0-3°.
3-5°.
5-7°.
7-10°.
What is the sensing device in a pressure gauge using the Bourdon Principle?
Diaphragm.
Metal tube.
Corrugated cylinder.
Differential pressure cell.
When thread cutting on the centre lathe where is the top rake tool angle?
From the front of the tool.
From the angle apex of the tool.
From the leading edge of the tool.
Tool rake should not be used.
On a centre lathe how is the work piece secured to the faceplate?
Tee bolts into the faceplate and dogs.
Adjustable jaws.
Bolts screwed into the faceplate.
Centre bolt and securing plate.
What cross section is the front saddleway on a centre lathe?
Flat.
Stepped.
“V” shape.
Inverted “V” shape.
On a shaping machine where is the tool post fitted?
To the clapper box.
To the ram vertical head.
To the head slide.
To the back block.
What is the usual method of checking the tool height on a centre lathe?
Using a rule from the bedplate.
By eye against the work piece.
Against the tailstock centre.
Against a mark on the chuck.
On a centre lathe how can the chuck jaws be prevented from damaging the work piece?
Using softer strips under the jaw grippers.
Wrapping the work piece with protective tape.
Using a sleeve over the work piece.
Using special soft jaws.
What change is made for finish turning in a centre lathe?
Cutting speed increased.
Cutting speed decreased.
Feed rate increased.
Feed rate decreased.
What does the indexing dial indicate on a centre lathe?
Position of the cross slide.
Position of saddle/lead screw.
Speed of the lead screw.
Pitch of thread being cut.
When using a milling machine to reduce the thickness of a parallel key how is the material marked?
Using a special fine, indelible marker.
Using a scribed line on a chalked surface.
Using a scribed line and centre punch marks.
Using Engineer’s blue.
What provides auto feed on a shaping machine?
Ram lead screw.
Table vertical slide.
Head slide.
Table cross slide.
Why would the stroke length be adjusted on a shaping machine?
This is not necessary.
To increase the feed rate.
To accommodate varying lengths of work piece.
To alter cutting speed.
Which machine tool would be used to cut an internal keyway in a gearwheel?
Vertical milling machine.
Horizontal milling machine.
Centre line.
Slotting machine.
Why is the speed of rotation of the lead screw adjustable on a centre lathe?
To alter the cutting speed of the tool when facing.
To alter the cutting speed of the tool when cylindrical turning.
To alter the chuck speed.
To alter the feed rate of the saddle.
Which machine tool uses a magnetic bedplate?
Cylindrical grinder.
Surface grinder.
Horizontal milling machine.
Vertical milling machine.
When using a centre lathe why should short sleeves or close fitting sleeves be worn?
To avoid sleeves being snagged on gear change levers.
To prevent sleeves being caught on the tool post.
To avoid displacing loose equipment on the lathe saddle.
To prevent sleeves being caught up on work piece or chuck.
What is the difference between American pipe thread and BSP?
Both are the same.
Different TPI but same thread angle.
Different thread angle but same TPI.
Different thread angle and TPI.
How is a parallel surface achieved on a shaping machine?
Bolting work piece straight to table.
Dial gauge against the head slide.
Dial gauge attached to the tool post.
Dial gauge attached to the work piece.
How could an internal keyway be cut on a centre lathe?
This is not possible.
Using a milling tool.
Drilling and finishing with a file.
Locking the chuck and using the main slide in hand.
What is the advantage of the swan neck design of a shaping machine cutting tool?
Provides better cutting angle.
Easier access to work piece.
Prevents tool from digging in.
Increases rake angle.
What is the normal test for leaking heat exchanger tubes?
Fluorescent dye and ultra violet lamp.
Hydrostatic test.
Air pressure test and soap solution.
Fluorescent dye and halogen lamp.
What instrument uses a Venturi?
Pressure gauge.
Vacuum gauge.
Flow meter.
Differential pressure gauge.
What item must be regularly inspected in SW heat exchangers?
Condition of tubes.
Water box for corrosion.
Zinc anodes.
Tube plate for damage.
What type of cutter would be used on a vertical milling machine?
End mill.
Toothed cutting wheel.
Shanked single point tool.
Profiled milling wheel.
How is the cutting tool ground when thread cutting on the centre lathe?
With the cutting face at the thread angle.
With both faces at the thread angles.
With the cutting face at half the thread angle.
The tool matching the thread shape exactly.
What top rake angle would be used for turning Aluminium in the centre lathe?
40°.
35°.
25°.
45°.
How would a large flat area be cut on a vertical milling machine?
Using the largest available end mill.
Using repeated cuts across the work piece.
Using a “fly cutter“.
Using repeated cuts along the work piece.
What is a normal front clearance angle when boring?
8°.
10°.
12°.
Any of these options depending on internal diameter.
What is the most important measurement to check when overhauling centrifugal pumps?
Shaft axial clearance.
Impeller diameter.
Impeller/wear ring clearance.
Neck bush/shaft clearance.
Why are there several tool positions on a centre lathe tool post?
To accommodate different tools for different jobs.
For use when thread cutting.
To provide a fresh tool when one wears.
To carry out more than one operation at a time.
How is the work piece centred in a cantre lathe four-jaw chuck?
Using feeler gauges against the tool post.
By eye using the tool point.
Using a dial gauge against the work piece.
By measuring from the lathe bed.
What accounts for most inaccuracies in older centre lathes?
Wear in the lead screw.
Wear in bearings and guides.
Wear in the cross screw.
Wear in the headstock gears.
Which machine tool would be used to machine large flat surfaces?
Horizontal milling machine.
Shaping machine.
Centre lathe.
Planing machine.
On a centre lathe there is a drive shaft with keyway alongside the lead screw, what is its purpose?
Controlling the tool feed rate.
Thread cutting.
Auto feed operation of the cross slide screw.
Auto feed operation of the compound slide screw.
What is a gap bed lathe?
Gap in the bed at the headstock.
Gap in the bed at the tailstock.
Gap between the beds.
Gap in the cross slide bed.
Which component of a general service air compressor requires most maintenance?
Piston and rings.
Bearings.
Delivery valves.
Suction valves.
Which of these spanners is it preferable to use?
Adjustable.
Open Jaw.
Box.
Ring.
When would a collet chuck be used on a centre lathe?
When carrying out boring operations.
When using a standard diameter material.
When parting off.
During drilling.
When boring on the centre lathe, what is the most usual cause of chatter?
Incorrect tool angles.
Lack of rigidity afforded by the boring bar.
Incorrect cutting speed.
Incorrect feed rate.
Which machine tool would be used to machine the bore on a multi cylinder block?
Radial drilling machine.
Vertical boring machine.
Horizontal milling machine.
Horizontal boring machine.
Which machine tool would be used to drill and tap the end of a shaft?
Radial drilling machine.
Horizontal milling machine.
Centre lathe.
Horizontal boring machine.
How is the tool height adjusted on a centre lathe?
With the tool post securing screws.
By shimming under the tool.
Adjusting the saddle height.
Shimming under the tool post.
What is measured with a pyrometer?
Pressure.
Engine RPM.
Temperature.
Salinity.
When is it permissible to use a hand file on a lathe?
Never.
For removing sharp edges.
To improve the finish.
Producing chamfers.
Which of the following could be carried out in the shaping machine?
External shaft keyway.
Internal keyway.
Reducing shaft diameters.
Cutting a “T” slot.
Which of these requires the lowest cutting speed?
Mild steel.
Stainless steel.
Carbon steel.
What is the name of the tool-mounting shaft on a horizontal milling machine?
Cutting head.
Tool post.
Arbour.
Cutting shaft.
Vibration testing is an integral part of what type of maintenance?
Breakdown maintenance.
Planned maintenance.
Condition monitoring.
Intrinsic surveillance.
How is the shaping machine head slide checked to be square to the table?
Dial gauge against the table.
Engineers square on the table.
Dial gauge against the head slide.
Dial gauge attached to the tool post.
When tapping holes on the radial drill, how is the tap prevented from breaking?
By using a cutting fluid.
By using a very slow speed.
Using a slipping clutch chuck.
By advancing the tap very slowly.
When could a magnetic chuck be used on a centre lathe?
Never.
When facing.
When setting up the work piece.
When using the lathe for drilling.
At what temperatures would a pyrometer be used?
In excess of 500 °C.
In excess of 400 °C.
In excess of 200 °C.
In excess of 100 °C.
Why is one tube end a packed gland in tube coolers?
Ease of replacing the tubes.
Allow for expansion of the tubes.
To simplify assembly.
Tubes can easily be repacked if leaking.
What is a Grub Screw used for?
Fastening flanges.
Securing split cams.
Securing components to a shaft.
Clamping machined parts.
How is the surface gauge secured to the bed of a centre lathe?
Bolted down.
Not secured.
Magnetic base.
Flat base to sit on the bed.
How is an end mill secured in the chuck?
Morse taper.
Parallel shank and collet.
Left hand screw thread.
Adjustable jaws.
How is an angled face cut on the shaper?
Setting head angle.
Altering stroke position.
Setting tool angle.
Setting table angle.
On the centre lathe what is a collet chuck most suitable for?
Gripping large diameters.
Gripping uneven surfaces.
Gripping non-symmetrical work pieces.
Gripping small diameters.
What top rake angle would be used for turning Mild steel?
33°.
36°.
24°.
27°.
When using a straight tool on the shaping machine what effect does tool deflection have?
No effect.
Decreases cut depth.
Decreases tool clearance angle.
Increases depth of cut.
What adjusts the stroke length on a shaping machine?
Locking handle.
Ram lead screw.
Block slide.
Table slide.
When would a faceplate be used on a centre lathe?
When carrying out facing operations.
When boring an irregular shaped work piece.
Cylindrical turning an irregular shaped work piece.
Carrying out most operations on an irregular shaped work piece.
Which of the following would a simple dividing head be used for when using a milling machine?
Cutting a gear wheel.
Cutting threads.
Cutting a single keyway.
Cutting a flat on a shaft.
What is the most suitable tool for machining cast iron?
Carbon steel.
High-speed steel.
Ceramic tip tool.
Carbide tip tool.
On a centre lathe when must turning between centres be employed?
When turning a long work piece.
When taking large roughing cuts.
When turning a long taper with the tailstock offset.
When a fine finish is required.
Which of these is NOT a positive locking device?
Spring washer.
Castellated nut and split pin.
Tab washer.
Locking wire.
When change gears are fitted to the back of the centre lathe headstock what are these for?
Changing the chuck speed.
Changing the tool feed rate.
When thread cutting.
Change the speed of the lead screw.
Which machine tool would be used to finish machine crankpins?
Cylindrical grinding machine.
Vertical boring machine.
Radial drilling machine.
Vertical milling machine.
Which machine would be used to cut a blind keyway in a shaft?
Vertical milling machine.
Horizontal milling machine.
Centre lathe.
Shaping machine.
Which is the correct method for removing intact engineers studs?
Stud box.
Drill and use stud remover.
Pipe wrench.
Self grip wrench.
If cutting a mm thread on a non-metric centre lathe what gear wheel is required?
143 teeth.
117 teeth.
127 teeth.
254 teeth.
What is meant by a 6″ Centre Lathe?
6″ between centres.
6″ diameter chuck.
6″ swing for the work piece.
6″ from bed to centre.
What is the purpose of the clapper box on a shaping machine?
To relieve the tool cutting edge on the return stroke.
To securely hold the tool.
To adjust tool position.
To angle tool position.
Which machine tool would be used to cut straight gears?
Horizontal milling machine.
Vertical milling machine.
Vertical boring machine.
Centre lathe.
What jointing material is used on engine exhausts or superheated steam lines?
Solid copper joints.
General purpose asbestos joints.
Wire reinforced asbestos joints.
Preformed neoprene joints.
If a leak is suspected in a tube heat exchanger what should be checked first?
Tube plates for cracking.
Tightness of packed tube end.
Tubes for damage.
Fixed tube end for security in tube plate.
How would a “V” slot best be cut on a Universal milling machine?
Mount the work piece at an angle using horizontal arbour.
Using an end mill and setting the head at the appropriate angle.
Using an end mill with the work mounted at an angle.
Using a specially shaped cutter.
How is the radius put on thread crests?
Grinding the threading tool to the correct shape.
Using a hand-chasing tool.
Using a hand file.
Using a separate, correctly ground tool.
Which machine tool would be used to drill and tap an irregular casting?
Centre lathe.
Radial arm drilling machine.
Boring machine.
Shaping machine.
Why must a close fitting, buttoned up overall be worn when using a lathe?
To avoid catching on the tool post.
To avoid medallions getting caught on the work piece.
To prevent swarf chips flying inside the overall.
All of these.
What effect has setting the tool too high on a centre lathe?
Increased front clearance.
Reduced top rake angle.
Reduced front clearance angle.
Increased relief angle.
What method does a Pneumercator gauge use?
Compressed air.
Capacitor.
Diaphragm.
Pressure transducer.
Which machine tool would be used to cut male threads?
Vertical milling machine.
Horizontal milling machine.
Centre lathe.
Boring machine.
Why is the centre lathe the most popular onboard machine tool?
Easy to install.
Easy to operate.
Easy to maintain.
Most versatile.
How can vice jaws be checked for parallel on a shaping machine?
Dial gauge attached to tool post.
Engineer’s square on the table.
Engineer’s square against the head slide.
Engineer’s square against the vertical table slide.
When drilling what could account for an enlarged hole diameter?
Small clearance angle.
Too large clearance angle.
Unequal length edges.
Unequal drill point angle.
What is the main safety consideration when using the shaper?
Removal of the stroke-adjusting handle.
Projection of the ram slide behind the machine.
Flying swarf chips.
Dislodging work piece.
When using a parting tool in the centre lathe what prevents it from binding?
Increasing front clearance.
Providing side and body clearance.
Tool slightly angled to work piece.
Increasing top rake angle.
What tool fitting method is normally found in the tailstock of a centre lathe?
Threaded tool holder.
Parallel holder with camlock fitting.
Morse taper.
Three jaw chuck.
What could cause a taper when cylindrical turning on a centre lathe?
Worn lead screw.
Worn cross slide.
Worn headstock bearings.
Chuck not centred.
What does a thermistor rely upon?
Bi-metal strip.
Metallic conductor.
Semi conductor.
Inert gas.
What property must the work piece have to enable the use of a three-jaw chuck on the centre lathe?
Concentricity.
Small diameter.
Parallel length.
Not require the use of the tailstock.
What is the main advantage of one-piece working on the centre lathe?
Quicker processing.
One tool can carry out all operations.
All surfaces are guaranteed to be on the same axis.
No need for a centre.
What is the most important item in thread cutting on the centre lathe?
Compound slide.
Automatic cross slide feed.
Indexing dial.
Travelling work steady.
In which machinery can you not add oil when running?
Main Engine or Auxiliary Diesels.
Steering machinery or stern tube header tanks.
Hydraulic power packs.
Air compressors or refrigerant compressors.
When turning an irregular work piece in a centre lathe using a balance weight on the faceplate, what special precautions must be taken?
That the work piece or weight do not strike the bed or saddle.
That low speeds are used to prevent vibration due to dynamic imbalance.
That the tool or tool post do not strike the work piece as the cut progresses.
All of these.
How can concentricity be affected when using a three-jaw chuck in the centre lathe?
Tailstock out of line.
One of the jaws not moving.
Foreign body between jaws and work piece.
Chuck not properly secured.
When using the centre lathe to drill a blind hole how is the depth checked?
By marking a position on the drill.
By noting the position of the tailstock tool holder extension.
By measuring with a rule.
By marking the bedplate.
How should tight, cooler end covers be removed?
Using wedges in the joint.
Using a flat chisel behind the cover.
Using jacking bolts.
Using a chain block.
When cylindrical turning a 50 mm mild steel bar what would be the chuck speed?
125 rpm.
175 rpm.
225 rpm.
275 rpm.
On a centre lathe with a lead screw pitch of 5 mm it is required to cut a thread of pitch 2 mm, what is the required drive/driven gear ratio?
1:5.
1:2,5.
2,5:1.
5:1.
What is the purpose of the dividing head when used on a milling machine?
Obtaining angular movement of the work piece.
Cutting equal sized cuts.
Cutting a screw thread.
Using a milling machine for micro boring.
How can a bevel gear be cut on a milling machine?
Using a universal milling machine.
Using a universal dividing head.
Using a vertical miller with an end mill.
Using a specially profiled cutting tool.
Which can be varied on the shaping machine?
Cutting speed.
Stroke length.
Table height.
All of these.
If a short taper section is required how is this best achieved on the centre lathe?
Offsetting the tailstock.
Using a taper turning attachment.
Using the cross slide.
Using the compound slide.
Why is stainless steel swarf particularly hazardous?
It is a continuous piece and can become caught up in the workpiece.
It is very hot.
It has extremely sharp edges.
Breaks into chips that then fly off the work piece.
Which is the most suitable machine for boring a single cylinder bore?
Centre lathe.
Radial drill.
Slotting machine.
Horizontal milling machine.
When machining a work piece in the centre lathe, what is the purpose of centre drilling the end of the work piece?
To centre the end for use with the tailstock centre.
To centre the end for use with the headstock centre.
When turning between centres.
For any of these.
When should an adjustable spanner be used?
Any time.
Only on new nuts and bolts.
Only if the correct size spanner is unavailable.
Only when dis-assembling components.
When would a travelling steady be used on a centre lathe?
When turning between centres.
When cutting a taper.
When turning a long work piece.
When turning hard carbon steel.
What is the primary function of the cutting fluid when using a machine tool?
Produce a better finish.
Reduce friction between tool and work piece.
Cool the cutting tool.
Cool the swarf.
How is a centtre lathe chuck usually fastened to the headstock?
Morse taper.
Bolted to a faceplate.
With a right hand screw thread.
With a left hand screw thread.
When making heavy cuts on a milling machine how is the work piece secured?
Using the vice.
Using clamps.
Using magnetic base.
Using clamps, dogs and stops.
Where is the true rake angle measured on a centre lathe tool?
From tool cutting edge.
From tool front.
From tool point.
From tool trailing edge.
What jointing material is most suitable for high-pressure steam lines?
Rubber.
General purpose.
Neoprene.
Wire reinforced asbestos.
What effect has setting the tool too low on a centre lathe?
Increased top rake angle.
Reduced top rake angle.
Reduced front clearance angle.
Reduced wedge angle.
On a centre lathe what advantage is there in using a mandrel on a bored work piece?
Ease of centring.
Allows for one-piece working.
More solid fastening of work piece.
Prevents damage from jaws.
Which of the following operations would be carried out with a horizontal milling machine?
Cutting a spiral slot.
Cutting straight gear teeth.
Cutting a blind, shaft keyway.
Cutting a “T” slot.
Which of the following operations would be carried out with a vertical milling machine?
Internal keyway in a gear wheel.
Removing material from a large, flat surface.
Cutting straight gear teeth.
Cutting a blind, shaft keyway.
When cutting threads on the centre lathe how is the required pitch determined?
By the lead screw change gears.
By the chuck speed.
By the cross screw speed.
By the lead screw speed.
When turning a long work piece in the centre lathe what is the most frequent problem?
Differing diameters due to wear of the tool.
Differing diameters due to bed wear.
Deflection of the work piece in the centre.
Poor finish due to inconsistent saddle movement.
What instrument would be used for measuring fan suction pressure?
Pressure gauge.
Mercury manometer.
Water manometer.
Vacuum gauge.
Which of these materials is cut in a machine tool without cutting fluid?
Mild steel.
Cast iron.
Aluminium.
Carbon steel.
What is the relationship between cutting and return strokes on the shaping machine?
Cutting stroke is quicker than return stroke.
Both cutting and return strokes are same speed.
Depends upon the stroke length.
Return stroke is quicker than the cutting stroke.
What approximate diameter is the work piece machined to before external thread cutting?
To the outside thread diameter.
To slightly more than the outside thread diameter.
Slightly less than the outside thread diameter.
It doesn’t matter as long as it’s within 0,2 mm of the thread diameter.
What is the main purpose of maintaining a record of pressures & temperatures?
For the Chief Engineer’s Log Abstract records.
To operate the plant at it’s most efficient.
To reduce running costs.
To comply with Classification Society requirements.
When used in instrumentation what does a potentiometer record?
Small AC voltages.
Small AC current.
Small DC voltage.
Small DC current.
What should be adjusted if a taper is to be machined on a centre lathe?
The chuck jaws.
The tool height.
Depth of cut.
The tailstock.
How does a bolt differ from a Set Screw?
Shorter in length.
Metric thread.
Shorter plain portion.
Threaded right up to the head.
Which machine tool would be used for accurate machining of distance pieces?
Centre lathe.
Surface grinding machine.
Vertical milling machine.
Shaping machine.
When using a centre lathe, when would a driver be used?
When turning between centres.
When thread cutting.
When boring.
When facing.
When cutting a steep helix in the centre lathe, as in multi start threads, what tool angle must be altered?
The top rake angle must be increased.
The front clearance angle must be decreased.
No alteration in angles is required.
The side clearance angle must be increased.
What is the term when using multi tools on a single shaft on a horizontal milling machine?
Multi-tool milling.
Pattern milling.
Gang milling.
Process milling.
On a centre lathe, when turning without a centre, how much of the work piece may extend beyond the chuck?
Half the work piece diameter.
Twice the work piece diameter.
One and a half times the work piece diameter.
Three times the work piece diameter.
On a centre lathe what is a “live centre“?
Tailstock centre that revolves.
Tailstock used when drilling.
When using the tailstock for thread cutting.
Centre used in the headstock.
Where is the clapper box situated on the shaping machine?
Attached to the cross slide.
Attached to the table.
Attached to the back block.
Directly to the ram.
What top rake angle would be used for turning cast iron?
0°.
5°.
7°.
10°.
What is the purpose of a “chip breaker” on a centre lathe tool?
Break up the swarf.
Prevent the tool from chipping.
Avoid a chipped finish on the work piece.
Used when machining cast iron.
When using a milling machine to reduce the thickness of a parallel key how is the work piece set up once the material has been marked?
Marked line set parallel to the table using a surface gauge.
Marked line set up parallel to the vice jaws.
Set by eye and checked after the first cut.
Using a dial gauge on the work piece surface.
What is the system that monitors plant pressures, temperatures etc.
The demand display unit.
The comparing unit.
The scanning unit.
The loop-back system.
How can a thread be cut without a chasing dial?
Bring the saddle to the same start position every cut.
Marking the chuck and starting at this spot every cut.
By not disengaging the lead screw during the process.
Using the compound slide.
How could drilling and tapping be carried on the centre lathe with an irregular work piece?
With the work set up and bolted to a faceplate.
Setting up the work on the saddle.
Cannot be carried out on a centre lathe.
Using a four-jaw chuck.
When facing on a centre lathe, what controls the tool feed rate?
Lead screw.
Cross slide.
Compound slide.
Tailstock.
What would be the drill point angle for drilling aluminium?
120°.
140°.
110°.
100°.
What is a parting tool used for on the centre lathe?
Cutting finished work from the stock bar.
Face finishing.
Thread cutting.
Cutting chamfers.
What top rake angle would be used on a lathe tool for cutting medium carbon steel?
20°.
15°.
5°.
Which machine tool would be used to cut bevel gears?
Horizontal milling machine.
Vertical milling machine.
Shaping machine.
Slotting machine.
What alternative thread cutting procedure is available on the centre lathe?
Use of a whirling box.
Use of a burling tool.
Using a thread cutting chuck.
Using a die nut and spanner with slow chuck speed.
On a horizontal boring machine how is the work piece set up to the boring bar?
By eye using the tool.
Using a surface gauge on the tool holder.
By measuring from the bedplate.
By measuring from the tool holder.
What is an Engineer’s Stud?
Threaded rod bar.
Hex bolt threaded up to the head.
Threaded rod with plain section.
Bright steel threaded bar.
Which machine would be used to cut a worm shaft?
Horizontal milling machine.
Vertical milling machine.
Shaping machine.
Centre lathe.
What is the easiest method of turning a taper on the centre lathe?
Using the cross slide.
Using the compound slide.
Using a taper turning attachment.
Offsetting the tailstock.
In bolt sizes what does AF refer to?
Thread root diameter.
Hexagon size.
Thread outside diameter.
Bolt shank diameter.
When should tubes be plugged on a tube heat exchanger?
If the fixed tube end is leaking.
If the tube itself is cracked.
If the packed tube end is leaking.
Only if no spare tube is available.
When boring on the centre lathe how are tool angles affected?
Increase in wedge angle.
Decrease in side clearance angle.
Decrease in top rake. Increase in front clearance.
Increase in front clearance.
What best describes the tool movement on a shaping machine?
Horizontal reciprocating.
Vertical reciprocating.
Horizontal rotating.
Stationary with work piece moving.
What is the principle advantage of the three-jaw chuck on a centre lathe?
Lighter and easier to use.
Self-centering.
Can be used with any work piece.
Simple operation.
Which machine tool would be used to machine pump casing wear ring landings?
Centre lathe.
Horizontal milling machine.
Horizontal boring machine.
Shaping machine.
What is measured with a manometer?
Flow rate.
Water level.
Pressure differential.
Vacuum.
Which of these locking devices can be used more than once?
Self-locking nut.
Tab washer.
Lock nut.
Split pin.
What is the disadvantage of using clamps to secure work piece on the shaping machine?
Insufficient security.
Restricts tool travel.
Table too close to toolbox.
Clamps may prevent tool from traversing entire work surface.
When would a three-jaw chuck not be used on a centre lathe?
When thread cutting.
When facing.
When turning non-concentric work pieces.
When boring.
When using a drill in a centre lathe, how is this fixed to the tailstock?
With a three-jaw chuck.
With a quick locking chuck.
To use a drill requires a special tailstock.
With a Morse taper.
What is the name for a milling machine capable of both vertical and horizontal milling?
Dual purpose milling machine.
Multi miller.
Universal milling machine.
Switchable milling machine.
Which of these materials cannot be cut in a machine tool without cutting fluid?
Cast iron.
Stainless steel.
Mild steel.
Brass.
On which machine tool does the work piece not move?
Centre lathe.
Planing machine.
Surface Grinder.
Shaping machine.
What material is most commonly used for main sea water lines?
Mild steel.
Galvanised mild steel.
Copper.
Copper/Nickel alloy.
On the centre lathe what is the biggest advantage of turning between centres?
Tool can access both ends of the work piece.
Work piece can be removed and replaced without further setting up.
No chuck jaws to be aware of.
Faster speeds and feeds can be employed.
If on inspection, anodes are unworn what could be the reason?
Incorrect anodes fitted.
Cooler choked.
No electrical contact between anode and cooler body.
Coolant flow too high.
What safety shut-down devices will usually be found on modern air compressors?
High pressure and high temperature shut downs.
High temperature and low lub oil shut downs.
High and low-pressure shut downs.
Low suction pressure and low lub pressure shut downs.
When turning a taper on a centre lathe what could be adjusted?
Headstock.
Tailstock.
Cross slide.
Lead screw.
On a centre lathe, when turning between centres why may the tailstock centre require backing off?
To allow access for the tool to the end of the work piece.
For facing off the end of the work piece.
To allow for expansion of the work piece during machining.
To cool the centre bearing.
What is the most often used cutting fluid on machine tools?
Water.
Mineral oil.
Vegetable oil.
Soluble oil and water.
When should copper based anti-friction compound always be used?
Bottom end securing bolts.
Cylinder head holding down bolts.
Exhaust manifold securing bolts.
Fuel pump securing bolts.
When cylindrical turning a 50 mm brass bar what would be the chuck speed?
300 rpm.
450 rpm.
600 rpm.
750 rpm.
When using the machine vice on the shaper what determines work piece position?
Vice base.
Fixed vice jaw.
Moving vice jaw.
Worktable.
In what sequence do the unloader and automatic drain valves close on start-up of an automatic air start compressor?
Both close together.
Drain valve closes first and then unloader valve.
Unloader valve closes and drain valve remains open when running.
Unloader valve closes first, then the automatic drain valve.
What does the term “up milling” describe when using a horizontal milling machine?
When cutting a vertical surface.
When cutting a slot using a horizontal milling machine.
When cutting a chamfer.
When tool rotation direction opposes feed direction.
When machining a long length of raw material on the centre lathe how is this accommodated?
By projecting through the back of the headstock.
It can’t, the material has to be sawn into shorter lengths.
By removing the tailstock.
By using a steady.
What would be the drill point angle for drilling mild steel?
120°.
140°.
110°.
100°.
What is a hydrometer used to check?
Distilled water.
Battery electrolyte.
Sewage treatment plant discharge.
Chlorine content of drinking water.
What is the most common method for securing the work piece when using the shaping machine?
Bolted to table.
Clamped in a machine vice.
Clamped to table.
Dogs and stops.
In service, a pump shaft becomes overheated. What effect will this have on the ball-bearing?
The individual balls will distort.
The inner ring will expand.
The lubricating oil will burn.
The outer ring will contract.
How is stern tube wear down measured when in dry-dock?
By a poker gauge, inserted in the plugm above the stern tube boss.
By blade feelers inserted in the after seal.
By blade feelers inserted in the forward bush from the engine room.
By measuring the lift on the shaft.
When using the shaping machine what is the advantage in using the vice with jaws parallel to the tool travel?
Fixed jaw takes the tool thrust.
Guarantees parallel operation.
Easier access to work piece.
Usually allows a shorter stroke.
When using a parting tool on the centre lathe what is the most important consideration?
Tool is at right angles to the work piece.
Tool is the correct height.
Using a slow speed.
Using a slow feed rate.
What would a “round nose” centre lathe tool generally be used for?
Rough cutting.
Thread cutting.
Boring.
Light finishing cut.
What precaution may be necessary when using the faceplate with an irregular shaped work piece on a centre lathe?
Use very low chuck speeds.
Use hand feed.
Use a balance weight on the faceplate.
Disconnect the lead screw.
What would be a suitable feed speed when rough turning brass in a centre lathe?
0,1 mm/rev.
0,15 mm/rev.
0,25 mm/rev.
1,0 mm/rev.
What are hold down strips when used with the shaping machine?
For clamping work to table.
For checking parallel operation.
For securing work piece in vice.
For resting work piece on.
How is the tool set up when thread cutting on the centre lathe?
With the shank at right angles to the work piece.
Using a thread gauge against the work piece.
By eye and then adjusted before the final cut.
With the shank against the face of the work piece.
When repacking soft packed glands how should the joins be spaced?
45°.
60°.
90°.
180°.
What is the advantage of the four-jaw chuck on a centre lathe?
More positive grip on the work piece.
Can be used for facing and boring.
Jaws can grip internally and externally.
Independent jaws allow gripping of non-symmetrical work pieces.
What would be a suitable feed speed when rough turning alloy steel in a centre lathe?
0,5 mm/rev.
0,1 mm/rev.
0,01 mm/rev.
0,25 mm/rev.
What are lathe beds manufactured from?
Carbon steel.
Cast steel.
Mild steel.
Grey cast iron.
What would be measured with a tachometer?
Peak cylinder pressure.
Vibration levels.
Engine RPM.
Oil viscosity.
Which of these requires the highest cutting speed?
Aluminium.
Brass.
Bronze.
Cast iron.
When using a centtre lathe, what would be used for turning short tapers as in chamfers?
Cross slide.
Face plate.
Compound slide.
Suitable cutting tool.

🤝 Support Our Work

To continue the project, we need your help!
700
130
🚀 Boosty ❤️ Patreon
⭐ Buy Premium 📄 Buy PDF-files with tests
👥 We are supported:
Vitaliy, Gennadiy, Reggae Denz, Elvin Cmi, Paul Jack, Pana
and 26 others
There are also transfers to the card • Thanks to everyone!

Did you find mistake? Highlight and press CTRL+Enter

Verified by
Vladimir Filatov
Chief Officer
About

Senior Mate with 12+ years of experience in the international merchant marine.

  • Development and implementation of navigation and on-board safety plans.
  • Supervising the work of the crew and assisting the captain in managing the vessel.
  • Participation in training of junior crew, ensuring compliance with safety standards.

All materials have been checked by our marine expert.

Personal data is not disclosed for security and contract confidentiality purposes.

November, 17, 2025 450 0
5/5 - (1 vote)
Social Telegram Vk Facebook OK Instagram

Add a comment