.
Site categories
1/ Help
:

SETS 6000 (Seafarer Evaluation Training System) Test Online for Seamen on EO3: Operate Main Machinery and Control Systems

Join Our Telegram (Seaman Community)

Welcome to the website where you can pass online the Seafarer Evaluation Training System (SETS) test on «EO3: Operate Main Machinery and Control Systems». Practice like this will help you as a marine specialist improve your knowledge with the help of online studying and appraisal practice. SETS based on practical information and marine specialists experience.

SETS tests developed for evaluating seaman basic knowledge by company “Naval Education Services” is an evaluating online-tool, used for revealing any professional preparation needed in specific fields of knowledge, defined by STCW Section A-V/1-2.

SETS tests have proven themselves as good tools for the selection and recruitment process, as well as advancing the level of knowledge of the current officers and crew.

Current test contains SETS questions in area «EO3: Operate Main Machinery and Control Systems». Those questions can be used for competence verification specialist capable of preventing accidental situations related with transporting safety, or also for self-examination.

«EO3: Operate Main Machinery and Control Systems» subject includes theoretical and practical information about advanced training for work on any type of vessel. This comprehensive test evaluates both knowledge and understanding of marine engineering principles for operating main propulsion plants. A significant portion of the assessment focuses on the safe startup, monitoring, and shutdown procedures for marine diesel engines and associated auxiliary systems. Candidates will be required to demonstrate their ability to respond to simulated emergency scenarios, such as a main engine blackout or a sudden loss of cooling. The examination includes questions on the interpretation of machinery parameters and alarm systems to maintain optimal performance and ensure vessel safety. Practical knowledge of operating and controlling complex systems, including steering gear, bilge and ballast systems, is a key component of the test. Participants must prove their understanding of routine maintenance schedules and troubleshooting procedures for main machinery on various vessel types. A section of the test is dedicated to the operational principles of automation and control systems used in a modern ship’s engine room. Successfully passing this assessment verifies the competencies required for advanced watchkeeping and the responsible operation of a vessel’s main machinery.

On this site SETS on the subject «EO3: Operate Main Machinery and Control Systems» contains 360 questions you need to answer with no possibility to go back to previous question. Therefore, we recommend carefully reading each question and making decision with no hurry. In case you have some difficulty answering, you have also possibility to request a hint.

Choose the regime, in which you want to pass SETS test:

Training - SETS test
Training

Exam - SETS test
Exam

Wild Mode
* Some questions may have more than 1 correct answer.

“SETS test” finished! Your result:
Correct answers:

Use the search below to find question.

Amount of questions: 360.

Right answers marked with this sign .

What is component number 3?

Lubrication oil cooler

The cooling water inlet.
The lubricating oil outlet.
The cooling water outlet.
The air vent valve.
Which part is the valve guide?

Scheme of valve

Number 1.
Number 2.
Number 3.
Number 4.
Which part is the exhaust gas receiver?

Exhaust gas receiver

Number 1.
Number 6.
Number 7.
Number 8.
Which part is the exhaust valve?

Exhaust valve

Number 1.
Number 2.
Number 4.
Number 6.
What is part number 3?

The combustion chamber

The air chamber.
The combustion center.
The combustion chamber.
The piston glider.
What is part number 5?

The scavenging air box

The air receiver.
The scavenging air box.
The air filter.
The air cooler.
What is part number 8?

The air filter

The air box.
The air filter.
The cooler inlet.
The air cooler.
Which part is the turbine wheel?

The turbine wheel

Number 4.
Number 7.
Number 8.
Number 9.
Which part is the auxiliary fan?

The auxiliary fan

Number 6.
Number 7.
Number 9.
Number 10.
What is part number 11?

The blower

The turbine wheel.
The blower.
The turbine outlet.
The blower ring.
What is the most likely cause if the main engine exhaust temperature increases in one cylinder only?

Thermodynamics for diesel engine

The engine is overloaded.
The main engine RPM is too high.
Faulty fuel injector.
Cooling water restriction.
Pressure in the combustion chamber can be reduced by:

Thermodynamics for diesel engine

A piston ring failure.
A burnt piston top.
A leaking exhaust valve.
All of the other options.
Temperature in the combustion chamber will be reduced by:

Thermodynamics for diesel engine

A defective fuel valve.
A low air pressure.
Lubrication low pressure.
Not using the auxiliary fan.
What is likely the reason if the exhaust temperature is increasing in all cylinders of the main engine?

Thermodynamics for diesel engine

A faulty fuel valve.
A cracked liner.
Rising scavenging air temperature.
Broken piston ring.
Which of the following would most likely account for a decrease in main engine scavenging air temperature?

Thermodynamics for diesel engine

An increase in air volume.
A rising air temperature in the air cooler.
A dirty turbine wheel.
A decrease in air volume.
What does a pressure drop across the scavenge air cooler indicate?

Thermodynamics for diesel engine

Increased engine room temperature.
Fouling of cooler air side.
Fouling of the cooling water system.
A reduced cooling water flow.
Exhaust temperature increasing on all main engine cylinders indicates:

Thermodynamics for diesel engine

The air system is fouled.
The exhaust system is fouled.
The scavenging ports are fouled.
Any of the these faults.
The turbo charger turbine wheel is rotated by:

Thermodynamics for diesel engine

Pressured air supplied by blower number 10.
Inlet air coming from the inlet filter.
Exhaust gas from the exhaust manifold.
Any of the other options.
What is part number 5?

Fresh water cooling system

A double valve.
A three way valve.
A thermostat.
A controllable thermostat.
What part is the de-airating tank?

Fresh water cooling system

Number 1.
Number 4.
Number 6.
Number 7.
Pipe number 8 is connected to the salt water cooling system. Why?

Fresh water cooling system

To operate the cooling system with salt water during cleaning of the fresh water generator.
To back flush the cooling water system.
For use in an emergency only.
Any of the other options.
What liquid is used to clean the turbo charger of a large low speed main engine? (high speed air side, half speed gas side).
Oil.
Water.
A chemical mixture of oil and water.
A chemical mixture of acid and water.
What is the purpose of part number 6?

Fresh water cooling system

To prevent an increase in water pressure.
To be an extra expansion tank.
To prevent accumulation of air in the cooling system.
To measure difference of pressure before and after the cooler.
If the cooling water temperature goes below it’s recommended value, what can happen?

Fresh water cooling system

Condensation of sulphuric acid on the cylinder walls.
Condensation of lubricating oil on the cylinder walls.
The engine cannot be started again.
The fuel pumps may be clogged.
If the cooling water temperature exceeds its recommended value, what can happen?

Fresh water cooling system

Too much lubricating oil film will form on the cylinder walls which will create black exhaust smoke.
The blower will slow down.
A less effective lubricating oil film is formed on the cylinder walls.
The expansion tank will be emptied.
What is item “V“?

A viscometer

A flow control valve.
A viscometer.
A fine filter.
A steam trap.
What is item “M“?

A viscometer

The fuel flow meter.
The by-pass valve.
The magnetic filter.
The manometer.
What is the function of valve “PR” in this fuel circuit?

A viscometer

A safety blow-off valve in case of Emergency Stop.
A fuel drain valve in case of engine shut-down.
A de-gassing/HP gas release by very high fuel temperature.
A constant pressure regulating valve.
What are the parts marked “F“?

A viscometer

Fine filters.
Magnetic filters.
Automatic filters.
Any of the these.
What grade of fuel does the temperature of the daily tank suggest is in use?

A viscometer

Intermediate or heavy fuel oil (1 500-3 500 sec redwood 1).
Marine diesel.
Distillate diesel.
Gas oil.
When in UMS mode of engine room operation, at what intervals should the HFO daily tank be drained via valve “D“?

A viscometer

At 08.00 hr and 17.00 hr as well in last evening round prior UMS operation.
Every 4 hours.
Twice a day.
Once a day.
Fuel of 180 cst is in use on board. Fuel of 380 cst is now being bunkered. How will this affect the reading of thermometer “T“?

A viscometer

Temperature will increase when 380 cst fuel is used.
Temperature remains constant, same fuel pump viscosity.
Temperature will decrease when 380 cst fuel is used.
None of the other options.
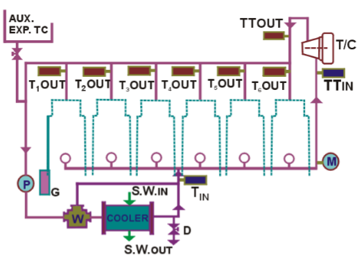
If the outlet temperature “Tout” is kept constant at 65 degrees C and during normal sea speed the inlet temperature “Tin“is 62 degree C, what would “Tin” show during engine slow down?

Mechanical scheme

Inlet temperature “Tin” will decrease.
Inlet temperature “Tin” will be kept constant by controller.
Inlet temperature “Tin” will fluctuate.
Inlet temperature “Tin” will increase.
What is item “J“?

Mechanical scheme

A Water Strainer.
The Jacket Cooling Water Pump.
The Piston Cooling Water Pump.
The Sea Water Cooling Pump.
If the Jacket Cooling Water expansion tank level drops rapidly whilst Full Ahead on passage, what could cause this?

Mechanical scheme

There is a leakage in the lube oil cooler.
There is an internal leakage on the engine.
Cracked cylinder head.
Malfunctioning thermostatic valve.
What kind of Jacket Cooling water system is shown here?

Mechanical scheme

An open circuit.
A free closed circuit.
A forced circuit.
None of the other options.
What absorbs the impact of the up-and-down movement of the piston telescopic pipes in this water flow system?

Water flow system

The expansion tank.
The construction of the buffer tank.
The air cushion in the buffer tank.
The up and downward movement of the indicating flaps.
If the system pressure is 3,5 kg/cm2, what will be the pressure in the buffer vessels?

Water flow system

Exactly the same, 3,5 kg/cm2.
Higher than 3,5 kg/cm2.
Lower than 3,5 kg/cm2.
Fluctuating around 3,5 kg/cm2.
Why is there an indicating flap “IF” (shown with arrow up and arrow down) fitted on the outlet of the piston cooling water buffer tank?

Water flow system

To indicate if the pump is running.
To indicate that the engine is running.
To indicate that the buffer air in the system is in order.
To indicate that buffer air and water flow are in order.
What will happen to the level of the expansion tank if the engine slows down or stops?

Water flow system

The level will decrease.
The level will increase.
The level will at first decrease but increases again.
Nothing will happen.
What are items “F“?

Mechanical scheme - filters

Flow controllers.
Thermostatic valves.
Filters.
Flow meters.
How are the crosshead bearings on this Diesel engine supplied with lubricating oil?

Mechanical scheme

Direct from the lub oil main line.
From the camshaft lub oil line.
Via the main bearing, crankshaft, bottom end bearing and connecting rod.
Independently.
How is the gear train lubricated on this Diesel engine?

Mechanical scheme

Via the crankshaft.
Via the camshaft system.
By its own independent lub oil cicuit.
Direct from the common lub oil circuit.
How is the thrust bearing lubricated on this Diesel engine?

Mechanical scheme

Via the crankshaft.
Via the camshaft system.
Direct via the main lub oil line.
By its own independent supply system.
Which of the following components is NOT directly lubricated by the lubricating inlet supply line?

Mechanical scheme

The crosshead bearing.
The main bearings.
The thrust bearing.
The gear train.
What is the function of the valve PR close to the lubrication oil pump?

Mechanical scheme

To keep the oil temperature constant.
To absorb pump vibrations.
To keep the oil pressure constant.
To act as a high pressure safety valve.
What kind of temperature control system is fitted in this lubrication oil system?

Mechanical scheme

Controlling the outlet by regulating the inlet.
Controlling the outlet by regulating the outlet.
Controlling the inlet by regulating the inlet.
Controlling the inlet by regulating the outlet.
What is the function of the lubrication oil sump tank?

Mechanical scheme

To collect the system oil in use.
To act as as buffer tank of the system oil in use.
As supply source of the system oil.
All of these.
What type of scavenge air system is applied to this diesel engine?

Scheme: diesel engine

Loop scavenging.
Uniflow scavenging.
Compounded scavenging.
None of the other options.
When does the exhaust valve “EV” open?

Scheme: diesel engine

When the piston is at bottom dead point.
When the piston moves upward.
At the end of the working stroke.
None of the other options.
Which type of exhaust manifold feeds this turbocharger?

Scheme: diesel engine

Constant pressure type.
Booster type.
Impulse type.
Split type.
What is the function of drain valve “D“?

Scheme: diesel engine

To release the air when the engine is stopped.
To drain the oil from the manifold.
To drain hydrocarbons and avoid explosion.
To drain the moisture from the manifold.
Which thermometer always indicates the highest temperature in the turbocharger?

Scheme: diesel engine

TEB.
TE.
TE1.
TE5.
What do you think would be a reasonable scavenge air pressure for this engine running at full speed?

Scheme: diesel engine

25 kg/cm2.
7,0 kg/cm2.
1,25 kg/cm2.
0,25 kg/cm2.
What might be a reasonable value for the scavenge air temperature of this diesel running at full speed?

Scheme: diesel engine

420 degrees C.
75 degrees C.
45 degrees C.
28 degrees C.
Under normal running conditions, what pressure is the exhaust gas entering the exhaust gas turbocharger “ET“?

Scheme: diesel engine

Under a vacuum.
Under high pressure.
Under slight overpressure.
Under atmospheric pressure.
What kind of fuel oil system is shown here?

Fuel oil system

A heavy fuel oil system.
A blend fuel oil system.
A marine diesel oil system.
A gas oil system.
What is the component marked “BUC“?

Fuel oil system

The Basic Unit Controller.
The Blend Unit Controller.
The Blend Unit Calorifier.
The Base Unit Calorifier.
Over which components does the Blending Unit Controller act in order to blend fuel of the required viscosity?

Fuel oil system

The diesel oil and heavy fuel oil booster pumps.
The diesel oil and fuel oil inlet valves of the blender.
The steam inlet and return by-pass valves of the fuel heater.
All of these.
Where does the blending of fuels take place in this system?

Fuel oil system

In units DP and FP.
In unit H.
In unit BU.
In unit BUC.
What are the components marked “M“?

Fuel oil system

Manometers.
Magnetic shut-off valves.
Microprocessors.
Flow meters.
What are the components marked “F“?

Fuel oil system

Flow meters.
Fuel filters.
Fuel pumps.
Fuel heaters.
Which part of this system is usually heated to 65 degree C? Study the picture.

Fuel oil system

The blending unit BU.
The blending unit controller BUC.
The unit H.
The HFO daily tank.
What is the component marked “P“?

Fresh water pump

The fresh water pump.
The lub oil pump.
The piston cooling pump.
The sea water pump.
On a small diesel engine how would pump “P” be driven?

Fresh water pump

By “V” belt from the crankshaft.
By an electric motor.
By gears driven from the crankshaft.
By gear drive from the main output shaft.
What is the component marked “W“?

Fresh water pump

A water strainer.
A WAX by-pass temperature controller.
A water by-pass buffer.
A manual 3-way water by-pass valve.
How is the exhaust gas turbocharger cooled in relation to the engine?

Fresh water pump

In series with the cylinders.
In line with the cylinders.
In parallel with the cylinders.
In tandem with the cylinders.
If the output of this auxiliary diesel increases, say by 30 %, how will the thermometer readings on the outlet side of engine and turbocharger change?

Fresh water pump

They will slightly decrease (by 10 to 30 degrees C).
They will remain the same.
They will slightly increase (by 20 to 50 degrees C).
They will greatly increase (by 80 to 100 degrees C).
For this auxiliary diesel fresh water system, what method of temperature control is used?

Fresh water pump

Controlling the outlet by regulating the inlet.
Controlling the outlet by regulating the outlet.
Controlling the inlet by regulating the inlet.
Controlling the inlet by regulating the outlet.
What is the purpose of the auxiliary diesel renovating lubrication oil tank?

Auxiliary diesel

To collect used auxiliary diesel lubrication oil and purify it for reuse.
To act as a purification stand-by tank for the auxiliary diesel sump tanks.
To store auxiliary diesel fresh lube oil.
To act as a collecting tank for non-reusable auxiliary diesel lube oils.
What is the purpose of the Main Engine Dirty Oil tank?

Auxiliary diesel

To act as collecting tank from Main Engine scavenge drains.
To act as collecting tank for dirty oil from the Main Engine intended for purification.
To act as a collecting tank for all non-reusable oils.
To act as a drain tank of the piston rod stuffing boxes.
What description best fits the Main Engine Lub. Oil sump tank?

Auxiliary diesel

A collecting and buffer tank of the Main Engine system oil.
A Main Engine system oil reserve tank.
A collecting tank for main engine dirty oil used by the Main Engine.
An overflow tank of the Main Engine system oil.
What do all the lubrication oil tanks that are connected the lubrication oil purifiers have in common?

Lubrication oil tanks

They all contain extremely dirty oils.
They all contain the same grade of oil.
They all contain in-service oils.
They all contain waste oils.
What is the usual inlet temperature of Main Engine lubricating oil to the purifier (Tin)?

Main Engine

70 degree C.
75 degree C.
85 degree C.
95 degree C.
Suppose Lubrication Oil Purifier No 2 is running MELO sump tank to MELO sump tank. Lubrication Oil Purifier No 1 is now to be set up for the other tank purification, which set up is not possible?

Lubrication Oil Purifier

Aux Diesel Renovating Tank to Renovating tank.
ME Dirty Oil Tank to Dirty Oil tank.
ME Dirty Oil tank to Lub. Oil sump tank.
ME Lub Oil sump tank to Dirty Oil Tank.
Where and how would you take sample of the oil from the Main Engine sump tank?

Lubrication Oil Purifier

At the sample cock on delivery side of the ME Lub Oil Pump.
From the suction filter drain of the ME Lub Oil Pumps.
After the purifier when running sump to sump and ME running.
In port when engine is stopped taken directly from the sump tank.
During manoeuvring with the main engine, what is the arrangement for starting air supply by the main air compressors?

Main engine

No 1 and No 2 compressors on “AUTO“.
One compressor on “AUTO“, the other on “MANUAL“.
No 1 and No 2 compressor on “MANUAL“.
Both compressors started at the local start position as required.
In what part shown on this scavenge air schematic diagram is heat converted into mechanical power?

Main engine

In part 2, the turboblower.
In the main engine.
In part 1, the exhaust gas turbine.
In part 5, the scavenge air blower.
In which part indicated on this scavenge air schematic is mechanical power converted to thermal power?

Main engine

In the main engine.
In the turboblower and scavenge air blower (no 2 and no 5).
In the exhaust gas turbine (no 1).
In the exhaust gas boiler.
In an “impulse type” exhaust gas turbocharger, the exhaust gases of the main engine:

Main engine

Are entering into a spacious exhaust gas manifold.
Are driving only one single turbocharger.
Are led in pipe groups directly and separately to the turbocharger.
Are led to two or three sections of the exhaust gas manifold.
On which unit of the scavenge air system is an automatic drain fitted?

Main engine

On the exhaust gas boiler.
On the turbo blower.
On the scavenge air blower.
On the scavenge air manifold.
Why can the temperature of the scavenge air after the scavenge air cooler not be lowered below a given temperature and why has the temperature to be regulated above this value?

Main engine

To avoid cracking of the cylinder liner.
To maintain the thermal efficiency of the diesel.
To avoid misfiring and starting problems.
To avoid condensate and water entering the engine.
In a constant pressure type turbocharger the exhaust gas enters the turbo charger via:

Main engine

The grids of the common exhaust gas manifold.
The grids of two or more exhaust piping groups.
A separate manifold for each turbocharger.
Nozzles on each individual exhaust pipe.
For a turbo charger is running at full speed, what would be a usual oil sump temperature on the turbine side?

Main engine

35 to 45 degrees C.
45 to 50 degrees C.
55 to 65 degrees C.
72 to 82 degrees C.
In the Main Engine sea water circuit why are the Lub Oil and the Scavenge air coolers fitted in front of the jacket and piston water coolers?

Main engine

They need more cooling water.
The Lub Oil and Scavenge air temperatures are lower.
The Scavenge air and Lub Oil coolers have by-pass valves fitted.
For ease of installation.
How frequently are the tanks (item number 3) of this fuel oil schematic diagram refilled?

Schematic diagram

They are constantly refilled by the fuel purifier.
They are refilled once per day.
They are refilled only when required.
They are refilled twice a week.
What would be the temperature of the oil in the settling tank (item number 3) shown in this fuel oil arrangement?

Schematic diagram

45 to 60 degree C.
30 to 45 degree C.
60 to 80 degree C.
Above 80 degree C.
What is item number 4 of this fuel oil arrangement drawing?

Schematic diagram

A fuel strainer.
A fuel transfer pump.
A heater.
A booster pump.
What is item number 5 of this fuel arrangement schematic drawing?

Schematic diagram

A fuel oil transfer pump.
A fuel oil booster pump.
A fuel oil ball filter.
A fuel oil purifier.
At sea, what should be the level in tank number 2 of this fuel arrangement schematic drawing?

Schematic diagram

Variable, depending time of the day.
Between 2/3 and 3/4 full.
Full.
Between 1/2 and 3/4 full.
Which of the following system set-ups are possible using the fuel arrangement shown here?

Schematic diagram

Settling to Daily, Daily to Daily tank.
Daily to Settling, Settling to Settling tank.
Settling to settling, Daily to Daily tank.
Settling to Daily, Settling to Settling tank.
What is the usual temperature of a fuel oil (HFO) daily tank?
40 to 50 degree C.
50 to 60 degree C.
60 to 75 degree C.
80 to 90 degree C.
Which of the following are not necessarily fitted on a HFO settling tank?

Mechanical scheme

A drain valve (Spring loaded).
Quick closing shut-off valves (remote operated).
A thermometer.
A remote tank gauging system.
Which of the following alarms on UMS operation are not necessarily provided on the Fuel Oil Daily Tank (HFO)?

Mechanical scheme

Daily tank low temperature.
Daily tank low level.
Daily tank high level.
Daily tank high temperature.
When you read a crankshaft deflection figure and the + sign is indicated, for example +4, this means that:

Mechanical scheme

The crankpin location is 4/100 mm out of centre.
The crankwebs have opened up by 4/100 mm.
The crankwebs have closed in by 4/100 mm.
The main bearing on one side is 4/100 mm greater than the other.
What are the two most important factors influencing the crankshaft deflection readings?

Mechanical scheme

Condition of ballast tanks and temperature of engine.
Bearing wear and bedplate alignment.
Bedplate alignment and condition of after peak.
Ballast tank condition and bedplate alignment.
A cylinder of a large diesel engine is 900 mm in diameter and the firing pressure is 80 bar. What is the force exerted on the piston at this firing pressure?
508,680 kg.
635850, kg.
487,334 kg.
299,074 kg.
What is the purpose of a safety valve fitted in the cylinder cover of a diesel engine?

Safety valve

To open in port so the engine cannot be started.
To drain off water and condensate from the cylinder.
To release gas from the cylinder by operating turning gear.
To release excessive gas pressure from the cylinder.
What force makes a safety valve of a diesel engine open?

Safety valve

The starting air pressure admitted in the cylinder.
The exhaust gas pressure.
The fuel pressure to the cylinder head.
The pressure inside the combustion space.
At which moment exactly does the safety valve of a diesel engine open?

Safety valve

At top dead point of the cylinder by max firing pressure.
When too much starting air is admitted.
When the gas pressure in the engine exceeds the spring pressure.
When fuel was retained previously in the cylinder.
In which stage of its working process is this two- stroke diesel engine?

Two stroke engine

Compressing.
Firing.
Gas expanding.
Scavenging.
What type of engine is shown here?

Two stroke engine

A two stroke diesel with loop scavenging.
A two stroke diesel with spiral scavenging.
A two stroke diesel with uniflow scavenging.
A two stroke diesel with piston underside scavenging.
If you are taking crankshaft deflections, for which position will you list the reading which was last taken if the engine turns counterclockwise? Right is PS, left is SB.

Two stroke engine

Zero.
P.
S.
TS.
What is the structural lay-out of this diesel engine?

Two stroke engine

Foundation, one-piece motor block.
Separate bedplate, columns, cylinder block for each cylinder.
Separate bedplate, one part crankcase and cylinder block.
One unit foundation and bedplate, separate cylinder block.
A piston of this type is composed of the following main parts:

Reciprocating gear

Piston body, piston flange, piston crown.
Piston crown, piston rod, piston skirt, intermediate piece.
Piston crown, piston body, piston rings.
Piston, piston rings, telescopic piping.
What would you call the assembly fitted on the piston rod, which fits into a flange on top of the crankcase block opening through which the piston rod moves in order to secure tightness?

Reciprocating gear

The piston underside valves.
The scavenging air valve box.
The piston rod stuffing box.
The crankcase sealing assembly.
During normal operation, the telescopic piping of this diesel engine’s piston are sliding up and down into:

Reciprocating gear

The crankcase cooling space.
Compressed air vessels.
Piston cooling water piping.
Telescopic buffer vessels.
What type of diesel engine is shown here?

Diesel engine

A four stroke supercharged engine.
A four stroke trunk type engine.
A two stroke crosshead type engine.
A two stroke trunk-piston type engine.
What type of scavenge system is in use in this diesel engine?

Diesel engine

A uniflow scavenge system.
Loop scavenging.
Diverted scavenging.
Combined scavenging.
What type of turbocharger would be fitted to this engine?

Diesel engine

An impulse type.
A constant pressure type.
A dual entry type.
A radial inlet type.
What type of diesel engine is shown here?

Diesel engine

A four stroke trunk type engine.
A four stroke flanged type engine.
A two stroke trunk type engine.
A two stroke suspended engine.
How are the inlet, exhaust valves and rocker arms actuated on this engine?

Diesel engine

Directly lifted by the cams acting on pushrods.
Hydraulically lifted by cam activated servo unit.
Pneumatically lifted via cam activated air booster.
Indirectly lifted by cam via tumbler lever.
In this diagram if left is portside and right is starboard and during the taking of crankshaft positions the rotation is counterclockwise, in what position is the engine crankshaft now shown?

Diesel engine

Between TP and P.
Between P and S.
Between S and TS.
Between TS and TP.
Which grade of fuel oil can be used in this kind of engine (built after 1990)?

Diesel engine

Marine diesel or distillate diesel oil.
Blend or intermediate fuel oil.
Heavy fuel oil.
Any of these fuels.
What is the purpose of the starting valve fitted on the cylinder head of a diesel engine?

Starting valve

To allow starting air of 25 kg/cm2 into the cylinder when starting.
To block the fuel and air supply unless in “START” position.
To allow air from the main air bottle to enter the cylinder directly.
To activate the main air starting valve fitted on the engine.
At what moment will the cylinder head starting air valve, shown here, open and allow 25 bar to flow into the cylinder?

Starting valve

When the control air on top is vented by the starting cam.
When control air is supplied to the top connection.
When the main starting air is opened from the bottle.
When 25 kg/cm2 air is supplied on top by manoeuvring.
How is the air-tightness of the sliding piston (moved by control air pressure and spring) ensured in starting air valves of this type?

Starting valve

Teflon seals are fitted.
O-ring seals are fitted.
Piston rings are fitted.
Labyrinth seals are fitted.
What kind of periodic activity needs to be carried out on the main engine prior to manoeuvering with regard to the starting air system:

Starting valve

Open up the main and cylinder head starting valve and clean pistons.
Check if the valves are moving freely with a torque spanner.
See that the cyinderl starting valve is moving by air hose connection.
Grease the valves by grease cup or grease gun, drain moisture.
How are starting air valves made gas tight in the cylinder heads of diesel engines?

Starting valve

By face to face, hydraulic pressure applied.
They are screwed into the cylinder head and asbestos sealed.
Teflon or Viton seal rings are fitted.
A copper gasket is fitted.
What kind of scavenging is shown on the top left drawing?

Scavenging system

Transversal scavenging.
Loop scavenging.
Cross scavenging.
Single valve uniflow.
What kind of diesel scavenging system is shown on the top centre drawing?

Scavenging system

Four-way uniflow.
Transversal.
Cross scavenging.
Loop scavenging.
What kind of diesel scavenging system is shown on the top right drawing?

Scavenging system

Loop scavenging.
Traverse scavenging.
Cross scavenging.
Uniflow scavenging.
What kind of scavenging system is shown on the bottom left drawing?

Scavenging system

Transverse scavenging.
Cross scavenging.
Loop scavenging.
Uniflow scavenging.
What kind of scavenge air system is shown on the right bottom drawing?

Scavenging system

Uniflow scavenging.
Cross scavenging.
Loop scavenging.
Balanced scavenging.
Loop scavenging, cross scavenging and traverse scavenging are called ____ scavenging, as opposed to UNIFLOW scavenging.

Scavenging system

MULTIFLOW.
DIVERSE FLOW.
REVERSE FLOW.
INVERSE FLOW.
What preparations are required regarding PISTONS and CYLINDER LINERS of a diesel engine prior to departure stand-by?
Preheat cylinders and pistons, turn engine, turn cylinder lubricators.
Close safety valve, put out turning gear, open air bottles.
Open starting air, start booster pump, start stern tube pump.
Open indicator cocks, close safety valve, turn lubricators.
What should be observed when you make a lubrication check of the engine forced lubrication oil system?
The level in the oil sump tank.
The condition of the oil in the sump tank by test kit.
Uniform oil flow from bearings, top ends, guides, gear train.
That the oil pressure on the top position manometer is correct.
At what times during the sea voyage is the main engine in state of readiness for manoeuvring?
In shallow waters.
By reduced visibility.
In all emergency situations.
All of these.
What determines the amount of fuel pumped per stroke with this fuel pump?

Fuel pump

The lifting height of the plunger.
The setting of the overflow valve.
The setting of suction and overflow valve.
The rotating angle of the plunger in the barrel.
How is the timing adjusted on this type fuel pump?

Fuel pump

By the suction valve setting.
By the delivery valve setting.
By the plunger rotation.
By the fuel cam setting.
How is the air-tightness of the sliding piston (moved by control air pressure and spring) ensured in starting air valves of this type?

Starting valve

Teflon seals are fitted.
O-ring seals are fitted.
Piston rings are fitted.
Labyrinth seals are fitted.
What kind of periodic activity needs to be carried out on the main engine prior to manoeuvering with regard to the starting air system:

Starting valve

Open up the main and cylinder head starting valve and clean pistons.
Check if the valves are moving freely with a torque spanner.
See that the cyinderl starting valve is moving by air hose connection.
Grease the valves by grease cup or grease gun, drain moisture.
How are starting air valves made gas tight in the cylinder heads of diesel engines?

Starting valve

By face to face, hydraulic pressure applied.
They are screwed into the cylinder head and asbestos sealed.
Teflon or Viton seal rings are fitted.
A copper gasket is fitted.
What kind of scavenging is shown on the top left drawing?

Scavenging system

Transversal scavenging.
Loop scavenging.
Cross scavenging.
Single valve uniflow.
What kind of diesel scavenging system is shown on the top centre drawing?

Scavenging system

Four-way uniflow.
Transversal.
Cross scavenging.
Loop scavenging.
What kind of diesel scavenging system is shown on the top right drawing?

Scavenging system

Loop scavenging.
Traverse scavenging.
Cross scavenging.
Uniflow scavenging.
What kind of scavenging system is shown on the bottom left drawing?

Scavenging system

Transverse scavenging.
Cross scavenging.
Loop scavenging.
Uniflow scavenging.
What kind of scavenge air system is shown on the right bottom drawing?

Scavenging system

Uniflow scavenging.
Cross scavenging.
Loop scavenging.
Balanced scavenging.
Loop scavenging, cross scavenging and traverse scavenging are called ____ scavenging, as opposed to UNIFLOW scavenging.

Scavenging system

MULTIFLOW.
DIVERSE FLOW.
REVERSE FLOW.
INVERSE FLOW.
What preparations are required regarding PISTONS and CYLINDER LINERS of a diesel engine prior to departure stand-by?
Preheat cylinders and pistons, turn engine, turn cylinder lubricators.
Close safety valve, put out turning gear, open air bottles.
Open starting air, start booster pump, start stern tube pump.
Open indicator cocks, close safety valve, turn lubricators.
What should be observed when you make a lubrication check of the engine forced lubrication oil system?
The level in the oil sump tank.
The condition of the oil in the sump tank by test kit.
Uniform oil flow from bearings, top ends, guides, gear train.
That the oil pressure on the top position manometer is correct.
At what times during the sea voyage is the main engine in state of readiness for manoeuvring?
In shallow waters.
By reduced visibility.
In all emergency situations.
All of these.
What determines the amount of fuel pumped per stroke with this fuel pump?

Fuel pump

The lifting height of the plunger.
The setting of the overflow valve.
The setting of suction and overflow valve.
The rotating angle of the plunger in the barrel.
How is the timing adjusted on this type fuel pump?

Fuel pump

By the suction valve setting.
By the delivery valve setting.
By the plunger rotation.
By the fuel cam setting.
The fuel delivery pipe between fuel pump and injector, is shown here as a red interrupted line. For “UMS” classed vessel, how is this pipe best described?

Fuel delivery pipe

It is manufactured from Austenit Steel and has flame/smoke detectors fitted in the vicinity.
It is manufactured of high tensile steel and has to have thermal insulation fitted.
It needs to be a shielded pipe so that in case of rupture the fuel leakage can be contained and the alarm sounded.
It must be provided with sensors so that the corresponding fuel pump cuts out in case of rupture.
What is the mechanism that moves the injection needle upwards in the injector and causes the injector to spray fuel under pressure into the cylinder?

Fuel delivery pipe

The lifting pressure of the pump plunger.
The mechanical force of the fuel cam.
The hydraulic pressure in the fuel line.
The balance pressure obtained by the injector spring.
If you want to obtain a higher lift-off pressure in the injector, you can:

Fuel delivery pipe

Tension the injector spring more.
Tension the fuel pump spring more.
Adjust the fuel pump cam to advance.
Adjust the fuel oil cam to retard.
The engine to which this fuel pump is fitted is:

Fuel delivery pipe

An auxiliary engine fuelled by heavy fuel oil and driving an alternator.
An auxiliary engine fuelled by diesel oil driving an alternator.
A main engine with direct coupled shaft and propeller.
A main engine with controllable-pitch propeller.
The upward movement caused by the fuel cam is transferred to the plunger via the ______ on the fuel pump.

Fuel delivery pipe

Plunger spring.
Roller.
Barrel.
Cam lever.
The injector seen in the drawing is best described as ______ type injector.

Fuel delivery pipe

A heavy fuel oil.
A diesel oil.
A forced circulation.
A water cooled.
The end of the pumping action of this fuel pump is determined by the position of the ______.

Fuel delivery pipe

Pipe plunger.
Suction valve.
Overflow valve.
Fuel cam.
Crankshaft distortions need to be measured and are referred to as _______.

Mechanical scheme

Crankshaft distortion readings.
Crankshaft deflection measurements.
Crankshaft misalignment calibrations.
Any of these answers.
In a trunk type piston, the gudgeon pin is subject to two forces. What are these forces?
Exhaust pressure and combustionl force.
Linear and and rotating motion.
Vertical force and horizontal force in line with crankshaft rotation.
Combustion pressure and crankshaft torque.
Which of the following refers to the distance between the piston top at BDC and TDC?
The cylinder distance.
The stroke.
The compression clearance.
Any of these.
In an engine operation, what is the effect called that describes the unstable operation of the governor that will not maintain a steady state condition?
Hunting.
Sensitivity.
Deadbeat.
Stability.
The fundamental difference between a 2-stroke and a 4-stroke engine is in the number of:
Piston strokes each one needs to complete a revolution.
Piston strokes each one needs to complete a combustion cycle.
Strokes in each combustion cycle.
Combustion events occurring in each stroke.
The force tending to twist the material such as the force on a shaft is called:
Tensile stress.
Compressive stress.
Bending stress.
Torsional stress.
What is the effect of temperature on the specific gravity of a fuel oil?
The higher the temperature the higher the specific gravity.
The lower the temperature the higher the specific gravity.
The higher the temperature the lower the specific gravity.
The lower the temperature the lower the specific gravity.
What part shown in this diagram?

A piston and rings

A crosshead bearing.
A piston and rings.
A piston filter.
A connecting rod.
In a 4 cycle engine the inlet valve begins to open when the piston is:
At BDC on the firing stroke.
After TDC on the suction stroke.
Just before BDC on the suction stroke.
Just before TDC on the exhaust stroke.
In a 4 cycle engine the exhaust valve opens when the piston is:
At BDC on the suction stroke.
Just before TDC on the exhaust stroke.
Just before BDC on the power stroke.
At BDC on the compression stroke.
In a naturally aspirated 4 cycle diesel engine the exhaust valve is open for a period of:
180 degrees.
200 degrees.
250 degrees.
160 degrees.
What is the purpose of counterbore in a cylinder?
To facilitate piston overhaul.
To have good an effective combustion.
To prevent the piston ring from wearing a shoulder in the cylinder.
To distribute the oil film evenly over the cylinder surface.
The ash content of a fuel oil is significant because it:
Indicates the quantity of energy released by burning a unit amount of the fuel.
Is useful for determining proper atomization temperatures.
Reflects the overall thermal efficiency of the fuel oil.
Is non-combustible and remains partly in the engine.
An engine’s fuel pump supplies fuel in excess of the fuel consumed and this excess fuel is returned to the pump suction via the:
Non-return valve.
Pressure regulating valve.
Fuel rack.
Plunger.
Clearing a cylinder of exhaust gases by forcing in a current of air which provides clean air for the next compression stroke is called:
Expansion.
Compression.
Scavenging.
Cycle.
Which part of the mechanical governor is manipulated by the servo-motor to increase or decrease engine speed?
The linkage to the fuel rack.
The sensitivity band.
The compensating spring.
The dashpot.
What do you call the gauge that measures the concentric position of the crankshaft or rotor shaft in its bearing?
A bridge gauge.
A slip gauge.
A shafting gauge.
A poker gauge.
What are the indications of excessive cylinder clearance in a small diesel engine? I Loss of power. II Misfiring. III White exhaust smoke. IV Excessive consumption of lube oil.
II, III and IV.
I, III and IV.
I, II and III.
I, II and IV.
In a four stroke cycle diesel engine, the four stroke of the piston required to complete one cycle which must take place in regular order. The second stroke:
Expels the burned gases.
Draws air into the cylinder.
Compresses the air.
Is the power stroke.
The narrow band of speed variation through which the governor makes no correction and refers to the sensitivity of the governor is known as the:
Speed droop.
Sensitive band.
Dead band.
Isochronous band.
The third stroke of four-stroke diesel engine is called the:
Compression stroke.
Power stroke.
Air stroke.
Expansion stroke.
The last stroke of two-stroke diesel engine is called the:
Compression stroke.
Power stroke.
Air stroke.
Expansion stroke.
What is pipe No 1?

Lubrication oil cooler

The cooling water outlet.
The cooling water inlet.
The lub oil inlet.
The lub oil outlet.
What is component No 5?

Lubrication oil cooler

The lub oil inlet.
The oil purging valve.
The fresh water purger.
The Sediment drain.
What is part No 4?

Lubrication oil cooler

The cooling water space.
The sacrificial anode.
The tubeplate.
The tubestack.
What is part No 7?

Lubrication oil cooler

The sediment tapping valve.
The cooling water drain valve.
The high pressure Lub oil inlet.
The water temperature gauge.
As a rule of thumb, the time interval for automatic desludging of lubricating oil purifiers fitted on sumps of trunk-type engines should be set at _____ hours.
1 to 2.
2 to 4.
4 to 6.
6 to 8.
In diesel engines, cylinder lubrication has the primary function of _____.
Forming a film between liner and rings, acting as a sealing barrier to prevent the escape of combustion gases and reducing friction between parts.
Ensuring that cylinder liner and piston are well oiled so that they will not overheat.
Cooling the piston which would otherwise overheat and ensure that the carbon between the piston rings is cleared away.
Flushing the carbon residue from the piston skirt and wash it down into the scavenge space.
A diesel engine block is made of ______ and does not permit welding.
Stainless steel.
Mild steel.
Cast iron.
Tempered steel.
Broken piston rings on diesel engines, if not visibly broken, can be identified because:
The ring or groove clearances have worn in excess.
The piston crowns have developed hot spots and burning marks over the surface.
The piston skirts show marks of burned oil.
They are darker in colour and lack elasticity when pushed towards the inside of their grooves.
Fire in the scavenging chambers of diesel engines may be caused by combustion of carbon deposits accumulated over an extended period due to:
Excessive lubrication of the cylinder liner.
Blocked stuffing box drain piping or worn stuffing box wear rings or sealing rings.
Slow combustion caused by poor injection.
Wrong grade fuel oils used for extended period in the engine.
When checking the tightness of nuts and bolts during a diesel engine crankcase and hold-down bolt inspection, the quickest and most effective method is:
Checking bold clearances with feeler gauges.
Tapping the nuts and bolts with a hammer.
Checking the stress on the locking plates or split pins.
Checking the tightness using torque spanners.
Diesel Engine crankcase oil mist detectors are designed to analyse:
The concentration of oil vapours in the crankcase.
The temperature of the bearings in the crankcase.
The temperature of the oil in the crankcase.
Fire risk in the crankcase.
The direction of flow of cooling water in an engine is always:
From top to bottom.
From left to right.
From bottom to top.
From right to left.
On all ships it is possible to cool the propulsion machinery directly by the:
Main fire pump.
Ballast pump.
After peak cooling water.
Salt water pump (main sea water pump).
Experience and feedback shows that excessive oil losses in an engine installation are most frequently caused by:
Losses in oil coolers.
Malfunctioning of the valves during the cleaning of the filters of the lubricating oil system.
Excessive oil in the cylinder being burned during combustion (defective piston/scraper rings).
Any of the other options.
Which part of a diesel engine keeps the engine speed constant regardless of the engine load?
The flywheel.
The manoeuvring controller.
The vibration damper.
The governor.
Automatic shutdown of the main diesel engine always acts on the:
Governor.
Control air supply.
Fuel supply.
Manoeuvring disc.
Putting additives into diesel engine cooling water is primarily designed to prevent:
Overheating.
Freezing.
Leakages.
Scaling.
If the main engine jacket cooling water expansion tank level drops rapidly, what could this indicate?
There is a leak in the jacket cooling water cooler.
There is an internal leak in the engine.
There is a leakage in external piping.
Any of these.
How is the exhaust gas turbocharger cooled in relation to the engine?
In series with the cylinders.
In line with the cylinders.
In parallel with the cylinders.
In tandem with the cylinders.
Why is it important to slow down the main engine RPM while water washing the turbocharger?
To protect the blower side.
To protect the bearings.
To protect rotor blades from damage.
To protect the exhaust gas economizer.
Your vessel is entering a tropical area and high humidity is expected. What should you do to avoid condensation in the main engine’s air cooler?
Operate the engine with slightly open drain cocks, scavenging to get rid of water.
Decrease the air temperature so proper draining can be achieved from the air cooler.
Increase scavenging air temperature to above dew point.
Reduce speed.
When all preparations have been made to ensure that the main engine is operational prior to departure, what will be the final test to be carried out?
Put out the turning gear and turn the lubricators.
Blow indicator cocks, test reversing of engine, short firing kick.
Close safety valves, blow indicator cocks, fill air bottles.
Open air to engine, drain air bottles, blow indicator cocks.
To avoid the possibility of a scavenge fire what important check is to be carried out every watch and more frequently if a damaged piston ring is suspected?
The cylinder lubrication.
The exhaust gas temperature.
The scavenge drain flow through.
Overhear the cylinder for noise.
The water cooling space on the turbocharger is damaged and you have no spares. The cooling water must be closed. What steps would you take to ensure least possible damage?
Run the engine at lower speed with the turbine drains open.
Open turbine drains and tell the duty engineer to pay special attention for abnormalities.
Remove rotor assembly and fit the sealing plate.
Shut off cooling water and run at reduced rpm.
Paint spraying has been carried out in the engine room while the engine was running and the turbocharger was not protected. This could cause which of the following?
Higher than normal scavenging air pressure.
Higher than normal revolutions on the turbocharger.
Lower than normal revolutions on the turbocharger.
Higher then normal exhaust gas temperatures.
After how many hours would you consider changing the turbocharger bearings, even though all appears to be normal?
4 000 hours.
12 000 hours.
25 000 hours.
30 000 hours.
The turbocharger (constant pressure) is making “whoofing” noises. What might be the cause?
A strong counter current.
Heavy seas from astern.
A faulty turbocharger bearing.
One or more leaking exhaust valves.
The revolutions on the turbocharger have increased during the night with an unmanned engine. This could be caused by:
The viscosity of the fuel being high.
The wind and current being favourable.
The wind and current holding the vessel back.
Poor combustion due to malfunction of fuel valves.
Which of these could cause a problem with surging in the turbocharger?
Dirty scavenging air cooler on the air side.
Worn bearings on the turbocharger.
Lubrication oil pump is malfunctioning.
Dirty rotor blades and nozzle ring.
Which of the following is the distance between the piston and the cylinder head when the piston is at bottom dead center?
Combustion clearance.
Cylinder clearance.
Compression clearance.
Any of these.
With full load on the main engine, the RPM of the turbocharger is too low. What may be the cause?
Dirty nozzle ring.
The lubricating oil pump is malfunctioning.
The diffuser ring is damaged.
Exhaust temperatures on the main engine are too high.
The lubricating oil on the exhaust side of the turbine blower gets dirty after only a few hours in service. What can the reason be?
The wrong type of oil used.
Cooling water leak into oil space.
Labrynth seal leaking exhaust gas into the oil.
Damaged/worn turbine side bearing.
After water washing the turbocharger exhaust side, the blower starts to vibrate. What has happened?
The foundation bolts for the blower unit are loose.
The rotor blades are damaged or the blades are not properly cleaned.
The inlet filer is partly clogged.
The water drain for washing system is clogged.
The charge air pressure is low, what is the most likely cause?
Dirty scavenge duct.
Dirty air inlet filter.
Leaking air inlet valves.
Cooling water temperature is too high.
If you want to obtain a higher spray-off pressure on the injector, what should you do?
Tension the injector spring more.
Tension the fuel pump spring more.
Adjust the fuel pump cam to advance.
Adjust the fuel pump cam to retard.
If you are going to enter the engine’s crankcase, how should you secure the engine after you have closed the main starting air valve?
Close absolutely all valves on the starting air bottle.
Engage the turning gear on the engine.
Close all starting air valves and post a warning notice on the start air bottle.
Keep a man posted in the control room to watch that nobody tries to start the engine.
Inspection of the crank bearing shows the bearing shell was black and hard with patches of black incrustations which had worn grooves in the journal. What could be the cause?
Water in the lubricating oil during service.
Dirt in the lubricating oil.
The wrong casting of bearing shell.
Bearing shell service time exceeded.
When carrying out piston overhaul, why it is important to clean the ring grooves properly?
To make the ring fit in the groove.
All rings must be changed to make a perfect sealing.
So that the piston rings can move freely in the grooves.
To make sure gas pressure can enter freely on top of and behind the piston ring.
During operation of the main engine, the exhaust temperature increases on one of the cylinders. The turbocharger starts surging and smoke is coming from the inlet air filter. What is the probable cause?
Scavenge box fire.
High back pressure in the exhaust system.
Turbocharger failure.
Fuel valve seized in open position.
You are experiencing blow-by on the main engine but, due to operational circumstances, it is impossible to stop and carry out a piston overhaul. What is the correct action to take?
No action is necessary.
Reduce speed and closely monitor exhaust temperature on the affected unit.
Increase cylinder oil consumption.
Reduce speed temporarily and increase cylinder oil supply.
You have installed a new bearing in the main engine. What is the necessary action to take during the running in period?
No action is required to be taken.
Allow for one hour running with appropriate temperature monitoring of the bearing.
Allowance must be made for a running in period with reduced speed and careful temperature monitoring.
Stop after 30 minutes running and hand feel the bearing.
You are experiencing major surging in the fresh water cooling system. What could be the reason?
The cooling water temperature is too low.
You have a cracked liner, or cover.
The expansion tank is empty.
The fresh water-circulating pump is malfunctioning.
Why is it important to check the timing on the cylinder oil lubricators?
To get the right amount of oil into the cylinder.
To avoid excess lubrication.
To avoid high temperature in the combustion chamber.
To get the oil into the cylinder when the piston is in the correct position.
Why is the tightening of the timing chain important?
To get the right timing on the chain.
To reduce vibration in the chain.
To avoid wear down of chain and chain wheel teeth and a potential breakdown.
To reduce the noise level.
What will the effect be if a fuel injector valve is dripping after completion of injection?
Better combustion.
Damage to piston & liner.
Less carbonizing.
Greater output of the engine.
How is the opening pressure (setpoint) adjusted in a fuel injector valve?
By length of stroke.
By camshaft regulation.
By oil pressure.
By spring adjustment.
Why blow the engine over on starting air before a start?
To be sure that water has not collected in the fire cylinders.
To be sure that no parts are loose, or that the engine is blocked from rotation.
To get fresh air into cylinders ensuring a safe start of the engine.
To be sure that all indicator cocks are closed and there is no passage into the combustion chamber.
You have a cylinder liner with 8 outlet holes for cylinder lubrication, how many clogged holes can you tolerate?
0.
1.
2.
3.
What do you consider to be the most important task on completion of maintenance work on the piston?
Starting the auxiliary blower to ventilate the scavenging belt, the cylinder liners, to ensure that the engine has sufficient fresh air to start.
Starting the engine to see that it rotates.
A search inside the crankcase for tools and rags.
Patching up destroyed paintwork on the crankcase doors.
A clogged or dirty lubrication oil filter can best be detected by:
Visual inspection of the filter elements.
A decrease in oil viscosity.
The pressure drop across the filter.
High lube oil temperature.
What can happen with lubrication oil cooled pistons if you stop the lubricating oil pump immediately after you stop the engine?
Nothing will happen.
Overheating of the piston and oil coke deposits in the cooling chambers.
The oil flashpoint will change.
You preserve the oil sealings in the piston.
You have checked the oil viscosity in an auxiliary engine with the viscosity test kit. The result shows that the viscosity is high. What will you do?
Decrease the cooling water temperature for the oil.
Increase the cooling temperature for the oil.
Increase the lubrication oil pressure.
Clean the system and change the oil.
You have checked the oil viscosity in an auxiliary engine with the viscosity test kit. The result shows that the viscosity is low. What will you do?
Clean the system and change the oil.
Increase the lubrication oil temperature.
Start to purify the oil.
Decrease the lubrication oil temperature.
What could cause engine oil to turn a “milky” colour?
Overheating.
Water contamination.
Fuel contamination.
The oil is old.
If you have a fuel injector nozzle with 10 holes, how many clogged holes are acceptable?
0.
1.
2.
3.
Lapping a valve and valve seat together means:
Adjusting the overlapping of the inlet and exhaust valves.
Grinding the valve against the valve seat to obtain a uniform sealing surface.
Machining the valve in a lathe.
Repairing by welding.
Why do diesel engine manufacturers recommend grinding the valve seating surface with a half degree difference to the valve seat?
To prevent pitting of the valve seat.
To minimize heat transfer between seat and housing.
To improve sealing between valve and seat.
To avoid sticking between valve and seat during high load operation.
What steps are to be taken in chronological order to stabilise a governor of a diesel engine after overhaul?
Adjust speed (P) setting, than integrating, next differentiating from zero.
Set integrating to MAX, then adjust speed (P) and differential D.
Set integrating to MAX, differentiating to MIN, adjust speed (P) upward.
Set integrating and differentiating to MAX, set speed (P) from zero upwards.
You notice the sump level in an engine has increased and no new oil has been added. What action would you take?
Drain some oil from the engine.
Reduce the load and start the purifier.
Stop the engine and check for fuel or water leaks.
Check the level regularly.
The timing of the engine is delayed and the exhaust temperatures are high. How would you expect this to affect the turbocharger?
Cause increased turbocharger revolutions.
Cause surging of turbocharger.
Cause higher air and gas temperatures after the turbocharger.
Cause decreased turbocharger revolutions.
Why is a slow speed two stroke diesel the most suitable for a single fixed pitch propeller vessel?
Less complicated than medium speed engines.
More fuel-efficient.
Affords a better engine layout.
Easier to reverse and no propulsion gearbox required.
What is the best way of preventing scavenge fires in a slow speed two stroke diesel?
Keep scavenge spaces clean.
Ensure fuel injectors are maintained.
Maintain correct cylinder lubrication.
Burn only the specified grade of fuel.
What determines delivery pressure on a Bosch type fuel pump?
The spring setting on the fuel injector.
The length of stroke of the fuel pump.
The position of the fuel pump control rack.
The fuel cam profile.
What is the most likely cause of reduction in Diesel engine compression pressure?
Piston scraper ring wear.
Worn valve rocker gear.
Leaking exhaust valve.
Build-up of carbon deposits.
In a trunk piston Diesel engine how is the piston cooled?
Separate piston cooling oil supply.
By a dedicated piston supply line.
By jacket cooling water.
By the crankcase oil spraying on the underside of the piston.
What is the main purpose of turning gear on a large slow speed diesel engine?
For inspection and overhaul of engine components.
To prevent the engine turning.
To position the engine for starting.
To check ease of turning before starting.
What is the effect on the fuel injector atomisation if the oil temperature is too high?
Carbon forming on the burner tips distorting flame shape.
Insufficient excess air.
Smoke at uptake.
Damage to refractory and overheating.
During regular manned watch keeping in the engine room how often should the daily service tank drain be checked?
At beginning of the watch.
At the end of the watch.
At beginning of the watch and if water is evident, every hour.
Every two hours.
What calibrations are taken to determine piston ring wear on a Diesel engine?
Radial thickness of ring and butt gap in unworn cylinder.
Radial and axial thickness of ring.
Internal diameter when positioned in unworn cylinder.
Ring/groove clearance and butt gap in unworn cylinder.
What operates on an Otto cycle?
Steam power plant.
Two stroke diesel engine.
Petrol engine.
Gas turbine.
On a medium speed four-stroke engine what is an indicator of engine performance?
Peak cylinder pressure.
Exhaust temperature.
Maximum engine rpm.
Compression pressure.
What is an indication of a leaking heat exchanger on the jacket cooling water system?
High jacket water temperature.
Inadequate coolant flow.
Low alkalinity readings.
High chloride readings in the jacket water.
What seal is used between turbo charger turbine and bearings?
Gaco type lip seal.
Mechanical seal.
Labyrinth with charge air seal.
Plain shaft sleeve.
What is meant by the MEP of a Diesel engine?
Maximum cylinder pressure.
Mechanical efficiency.
Average cylinder pressure.
Compression pressure.
An auxiliary diesel Engine cylinder head valve guide is shown. Which are the correct guide dimensions for the nominal sizes shown?

Auxiliary diesel engine

00 : 27,00.
12,00 : 27,04; 11,96 : 26,96.
11,92 : 27,05; 11,81 : 27,04.
11,65 : 27,21; 11,60 : 27,23.
What would you do if the engine OIL MIST DETECTOR alarm goes off indicating abnormal oil vapour in the crankcase?
Slow down then stop engine and cool down for at least half an hour.
Investigate the oil pressure under slow down condition of engine.
Feel all crankcase doors and camshaft block for hot spot.
Stop engine at once and open crankcase doors to vent vapour.
What is the distance between the piston and the cylinder head when the piston is at bottom dead centre?
The combustion clearance.
The cylinder clearance.
The compression clearance.
The valve clearance.
How is the gudgeon pin removed on a trunk piston engine?
Heat the piston with a soft flame.
Heat the piston using water or oil.
Hammer using brass dolly and supporting piston.
Force out with an extractor.
In what area of the scavenge air system is heat converted into mechanical power?
The charge air compressor.
In the main engine.
The exhaust gas turbine.
The scavenge air cooler.
Where will the Diesel engine exhaust temperature be the highest?
Before the turbo blower.
At the cylinder head.
At the turbo blower outlet.
At the exhaust port manifold.
What simple crack test can be applied to bottom end bolts?
Dye penetrant test.
Ultra sonic test.
Suspend and ring with hammer.
Tensile test.
What is the most usual damage caused by a broken timing chain on a Diesel engine?
Broken valve stems.
Broken connecting rods.
Bent push rods.
Broken camshaft.
What is the purpose of the injector leak-off connection?
To relieve excess fuel pressure.
For fuel leaking past the delivery valve.
For fuel leaking past the injector needle valve.
To prevent water-cooling entering the fuel space.
Why must the scavenge air temperature be maintained above a low temperature limit?
To avoid cracking of the cylinder liner.
To maintain the thermal efficiency of the diesel.
To avoid misfiring and starting problems.
To avoid condensate and water entering the engine.
If jacket water alkalinity keeps dropping what could be the cause?
More chemical additive required.
Possible cracked liner/head or leaking head joint.
Circulating pump not providing sufficient flow.
Jacket water temperature is too high.
For “UMS” classed vessels, how must the HP fuel delivery pipe be constructed?
It is manufactured from Austenitic Steel and has flame/smoke detectors fitted in the vicinity.
It is manufactured of high tensile steel and has to have thermal insulation fitted.
It needs to be a shielded pipe and in case of rupture the fuel leakage must be contained and the alarm sounded.
It must be provided with sensors so that the corresponding fuel pump cuts out in case of rupture.
When taking a set of Diesel engine crankshaft deflections why are two reading taken at BDC position?
The second is taken to check the accuracy of the first reading.
The position of the con rod makes a single reading at BDC impossible.
It is not possible to read the dial gauge accurately in one position.
During the rotating of the crankshaft the reading may vary.
A ship makes an observed speed of 17 knots. The engine speed is calculated to be 17,5 knots. What is the propeller slip?
28,5 %.
285 %.
,0285 %.
2,85 %.
What is the first indication of a broken exhaust valve spring on a Diesel engine?
Low exhaust temperature.
Smoking exhaust.
Blow back through the turbo charger.
High exhaust temperature.
What is the normal material used for Diesel engine cylinder liners?
Cast steel. Cast iron.
Mild steel. Alloy steel.
Mild steel.
Alloy steel.
What is the main function of the lub oil priming pump on a Diesel engine?
Stand-by lub oil pressure pump.
Circulate oil system for starting.
Circulate oil after overhaul.
Priming lub oil filters after cleaning.
What is referred to as “masking” of Diesel engine inlet and exhaust valve heads?
When the valve edge becomes very thin.
When the valve seat becomes recessed into the head.
Build up of carbon on valve seats.
Build up of carbon on the valve stems.
What could be the purpose of checking the fuel pump spill position on a 4 stroke Diesel engine?
To check the amount of fuel the pump will deliver.
To check the position the fuel pump ceases delivery.
To check the start point of injection.
To check the tightness of the pump delivery valve.
What can affect the TBN of diesel lub oil?
Wear of bearings.
Wear of liner and rings.
Fuel dilution.
Wear of valves and rocker gear.
What determines a Diesel engine’s mechanical efficiency?
IHP/BHP.
BHP/IHP.
BHP – IHP.
IHP – BHP.
Why is it so important to maintain air start lines clear of oil?
Air start valves could jam.
Air start distributor valve could seize.
Increased risk of fire in compressed air.
Joints could be damaged.
In the formula for calculating engine power, PLAN, what does N represent?
Number of power strokes per second.
Engine revolutions per minute.
Number of engine cylinders.
Number of the indicator spring.
How is the timing (degrees advance) adjusted on a Bosch type fuel pump?
By the suction valve setting.
By the delivery valve setting.
By the plunger rotation.
By the fuel cam setting.
What is the narrow band of speed variation through which the Diesel engine governor makes no correction to fuel setting?
Speed droop.
Sensitive band.
Dead band.
Isochronous band.
What is the final engine test before starting the main engine for departure?
Put out the turning gear and turn the lubricators.
Blow indicator cocks, test reversing of engine, short firing kick.
Close safety valves, blow indicator cocks, fill air bottles.
Open air to engine, drain air bottles, blow indicator cocks.
What will happen to the level of the expansion tank if the engine slows down or stops?
The level will decrease.
The level will increase.
The level will at first decrease but increases again.
Nothing will happen.
On a trunk piston engine how are the connecting rod side thrusts absorbed?
By the gudgeon pin bearing.
By the crankpin bearing.
By the piston and cylinder liner.
By the crosshead bearing.
Why is the charge air cooled after leaving the charger?
To lower the exhaust temperatures.
To remove water vapour.
To allow more air to enter the combustion space.
To prevent overheating of the turbocharger.
In a constant pressure type turbocharger how does the exhaust gas enter the turbo charger?
Via a single, common exhaust gas manifold.
Via two or more exhaust manifold groups.
A separate manifold for adjacent exhausts.
Via separate individual cylinder exhaust pipes.
Where is the fuel injector leak-off connection fed?
Into the oily bilge collection tank.
Into the ‘in use’ daily service tank.
Into the fuel bunker tanks.
Into the fuel oil separator suction.
Why would a check on Diesel engine cylinder compression pressure be made?
To check the mechanical condition of valves and piston rings.
To assess the engine efficiency.
To enable the engine power to be calculated.
To check the efficiency of the turbo charger.
Why is the ash content of a fuel oil significant?
Indicates the quantity of energy released by burning a unit amount of the fuel.
Is useful for determining proper atomisation temperatures.
Reflects the overall thermal efficiency of the fuel oil service system.
Is non-combustible and remains partly in the engine.
What is the fundamental difference between a 2-stroke and a 4-stroke engine?
Number of piston strokes each one needs to complete a revolution.
Number of piston strokes required to complete a combustion cycle.
Number of power strokes each combustion cycle.
Number of exhaust strokes each combustion cycle.
The best way to ensure engine speed governor stability is to allow a given ratio of what?
Stability.
Sensitivity.
Speed droop.
Compensation.
What is the largest source of energy loss in a diesel engine?
Mechanical loss in bearings and piston.
Heat loss through the cooling water.
Heat loss through the exhaust gas.
Radiated heat loss from the engine.
What is the purpose of the crosshead bearing?
To transmit piston power more directly to the crankshaft.
To prevent con rod side thrust being transmitted to the piston.
To assist in lubricating the top end bearing.
To prevent lub oil being deposited on the cylinder liner walls.
What could cause jacket water contamination of lub oil in a trunk piston engine?
Cracked cylinder head.
Damaged piston rings.
Cracked piston.
Leaking liner sealing rings.
What is the main advantage of a CP propeller installation?
More efficient propeller coefficient.
Engine can be run at constant, uni-directional speed.
Higher engine rpm.
Less starting air consumption.
When in UMS mode of engine room operation, at what intervals should the HFO daily tank drain be checked?
At 0800, 1700 and in the final check round prior to closing for UMS operation.
Every 4 hours.
Twice a day.
As required.
Where is the temperature sensor fitted for the jacket water temperature controller?
Cooler outlet.
Engine inlet.
Pump outlet.
Engine outlet.
What is the simplest method of checking the fuel injection point on a 4 stroke Diesel engine?
Checking fuel pump plunger movement with dial gauge.
Checking fuel pump plunger movement with depth gauge.
Remove “D” valve and use spill method.
Direct from the fuel pump cam position.
What is the purpose of the Main Engine Dirty Oil tank?
Collecting tank from Main Engine scavenge drains.
Collecting tank for dirty oil of Main Engine intended for purification.
Collecting tank for all non-reusable oils.
Drain tank for the piston rod stuffing boxes.
Under what condition is the scavenge air cooled in the scavenge air cooler?
Constant volume (Isochoric condition).
Constant pressure (Isobaric condition).
Adiabatic condition.
Isothermal condition.
What important contribution does Nitrogen have to the combustion process in a Diesel engine?
Acts as a catalyst to the combining of oxygen and the hydrocarbons.
Assists in the cooling process during combustion.
Prevents the deposition of damaging elements on valves and seats.
Assists in mixing the charge air with the atomised fuel.
What should be the first action on discovering a main engine malfunction?
Inform the Chief Engineer.
Inform the Bridge watch keeper.
Stop the engine and attempt to rectify the fault.
Slow the engine, check pressures & temperatures.
How is expansion allowed for in large diesel engine exhausts?
By sliding securing mounts.
By sliding section of piping.
By the selection of materials and construction to minimize expansion.
By the fitting of steel bellows pieces.
Where does maximum wear take place on the cylinder liner of a Diesel engine?
Mid position.
At the bottom of the piston stroke.
At the top where the top ring changes direction.
At the top where the scraper ring changes direction.
After work on the fuel system what must be carried out?
Filters renewed.
Injectors changed.
System bled through at the injectors.
System bled through at main filters.
Why is a by-pass fitted to the cooling water line of the charge air cooler?
To prevent the air temperature going too high.
To maintain the jacket water temperature.
To prevent overcooling of the charge air.
To allow increased Jacket water flow to the water spaces.
What does a decreasing scavenging air temperature mean?
An increase in air volume.
A rising air temperature in the air cooler.
A dirty turbine wheel.
A decrease in air volume.
How can crankcase overpressure be checked?
Inspecting the crankcase relief valves.
Checking the crankcase breather outlet.
Checking the crankshaft seals.
Checking fuel pump tappet seals.
How is expansion of the Diesel engine cylinder liner allowed for?
Liner and entablature expand together.
Liner absorbs stresses caused by expansion.
Liner is free to expand at its lower end.
Entablature absorbs expansion stresses.
When taking performance figures on a 4 stroke Diesel engine, how is the quantity of fuel delivered by each pump determined?
By the governor position.
By the position of each fuel rack.
By the position of the fuel control lever.
By the cylinder peak pressure.
After fitting a new cylinder liner to a 2-stroke engine which of the following steps should be taken?
Run the unit on no load for 24 hours.
Reduce the cylinder oil flow.
Reduce the cylinder load.
Bring up to full load as soon as possible.
What does the Jacket Cooling Water expansion tank level dropping rapidly indicate?
There is a leakage in the jacket cooling water system.
Jacket water cooling pump failure.
Cracked cylinder liner.
Sudden change of engine load.
On a Bosch type fuel injection pump how does the rack adjust the fuel delivery?
By altering the effective stroke of the plunger.
By increasing the delivery pressure.
By altering the opening and closing of the delivery valve.
By altering the length of time the fuel pump roller contacts the cam.
In a 4-stroke diesel what is referred to as valve overlap?
The total opening period of inlet and exhaust valves.
Period when injection and inlet valve are open together.
Period when both inlet and exhaust valves are open together.
Period when injection and exhaust valve are open together.
A Main Engine revolution counter reads 69 980 at 0800; at noon the counter reads 90,932, if the clocks are advanced 20 mins. during the watch what was the average rpm during the 8-12 watch?
115,6 rpm.
87,3 rpm.
98,4 rpm.
77,2 rpm.
If water is detected in the generator crankcase what is the most likely source?
Leakage from the transfer passage between cylinder block and heads.
Leakage from cylinder head outlet connections.
Leaking tubes in oil cooler.
Leakage from cracked cylinder liner or perished liner sealing rings.
Upon what cycle is the modern diesel engine based?
Rankine.
Dual combustion.
Ideal cycle.
Otto cycle.
What test would indicate turbo blower condition?
Analysis of lub oil sample.
Low charge air pressure.
High charge air temperature.
Turbo run down time after stopping engine.
What is the most likely causeof a low exhaust temperature on one cylinder of a Diesel engine?
A defective fuel valve.
Low air pressure.
Charge air pressure too high.
Cooling water temperature too low.
On a large, slow speed diesel engine what would best describe the bottom end bearings?
Direct lined.
Wrapped bushes.
Solid insert liner.
Thick walled.
How does the turbo-charger improve engine efficiency?
Increasing the charge air pressure.
Improving the scavenging of the combustion space.
Deliver more volume of air to the combustion space.
Utilize exhaust gas energy.
What is the term for the volume taken up during piston travel on a 4 stroke Diesel engine?
Compression volume.
Piston volume.
Swept volume.
Scavenge volume.
On a set of crankshaft deflection readings, what would a reading of +4 signify?
The crankpin location is 4/100 mm out of centre.
The crank webs have opened up by 4/100 mm.
The crank webs have closed in by 4/100 mm.
The main bearing on one side is 4/100 mm greater than the other.
What is specific fuel consumption?
Fuel consumption per hour.
Fuel consumption for specific speeds.
Fuel consumption per kilowatt-hour.
Fuel consumption at specific power.
What is the most likely reason for high exhaust temperatures in all cylinders of a Diesel engine?
A faulty fuel valve.
A cracked liner.
Rising scavenge air temperature.
Broken piston ring.
What fuel contaminant is potentially most damaging to a Diesel engine?
Water.
Sludge.
Bacterial growth.
Suspended solids.
How are starting air valves made gas tight in the cylinder heads of diesel engines?
By face to face, hydraulic pressure applied.
They are screwed into the cylinder head and asbestos sealed.
Teflon or Viton seal rings are fitted.
A copper gasket is fitted.
If slight water contamination of lub oil is confirmed what action should you take?
Run the purifier, checking the water outlet and submit a further sample for analysis.
Locate the water leak and renew the oil charge.
Run the purifier continuously.
Submit a further sample for analysis after one months running.
What do we determine from the indicator card to calculate IHP of a Diesel engine?
Compression pressure.
Firing pressure.
Mean effective pressure.
Mean height of the diagram.
How is temperature controlled in a jacket water heat exchanger?
Seawater bypassing the heat exchanger.
Jacket water bypassing the heat exchanger.
Regulating the sea water inlet valve.
Regulating the sea water outlet valve.
What percentage excess air would you expect with good combustion in a Diesel engine?
None.
0-10 %.
10-20 %.
30-50 %.
What would result from high charge air temperatures?
All exhaust temperatures would rise.
Charge pressure would increase.
Cylinder head relief valves would lift.
Jacket water temperature would rise.
Why should anti-friction greases not be used on cylinder head nuts?
Enables them to be over tightened.
Contaminates the engine lub oil.
Increases the actual pressure exerted at the set torque reading.
Allows them to loosen in use.
What is the purpose of the Main Thrust bearing?
To absorb axial engine thrust.
To transmit propeller thrust to the ship’s hull.
To provide forward and aft location for the propeller shaft.
To prevent propeller thrust damaging engine bearings.
What could indicate a cracked cylinder head or liner?
Increased fuel consumption.
Increased lub oil consumption.
Presence of water in the lub oil.
Sudden overheating of the jacket water expansion tank.
What is the purpose of the starting valve fitted on the cylinder head of a diesel engine?
To allow starting air of 25 bar into the cylinder if applicable.
To block the fuel and air supply unless in “START” position.
To allow air from the main air bottle to enter the cylinder directly.
To activate the main air starting valve fitted on the engine.
How are bottom end bearing clearances taken on a large Diesel engine?
With feeler gauges.
Taking leads.
Measure crankpin and bearing diameters.
Compare thickness to new bearing.
Which part of the mechanical governor does the servomotor actuate to alter engine speed?
The linkage to the fuel rack.
The sensitivity band.
The compensating spring.
The dashpot.
What is the most important step on detecting a scavenge fire?
Increase coolant flow to engine.
Increase cylinder lubrication to affected unit.
Stop engine.
Reduce engine revs, shut off fuel to affected unit.
During overhaul what two piston ring dimensions are taken?
Butt gap and radial depth.
Axial thickness and radial depth.
Axial thickness and butt gap.
Butt gap and axial clearance.
What formula gives engine efficiency?
P.L.A.N.
Engine power/fuel energy.
Fuel energy/P.L.A.N.
Calorific value/B.H.P.
In an “IMPULSE TYPE” exhaust gas turbocharger, how do the exhaust gases enter the turbine?
Via a spacious, single exhaust gas manifold.
From both sides of the turbine.
Via manifold groups led directly and separately to the turbine.
Via manifolds into a common entry chamber.
What is the original power that moves the injection needle upwards in the injector and causes the injector to spray fuel under pressure into the cylinder?
The lifting pressure of the pump plunger.
The mechanical force of the fuel cam.
The hydraulic pressure in the fuel line.
The balance pressure obtained by the injector spring.
How does the cooling water flow through the engine?
Inlet the lower liner and outlet at the cylinder heads.
Inlet at the cylinder heads and out let at the liners.
Inlet at the turbo charger and outlet at the cylinder heads.
Inlet at the cylinder heads and outlet at the turbo blower.
What is meant by an engine’s critical speed?
Maximum allowable engine rpm.
Engine rpm at which the engine must not be operated for long periods.
Minimum allowable engine rpm.
Engine rpm that must be attained before the engine will fire.
What material are Diesel engine cylinder blocks and covers normally constructed from?
Fabricated steel.
Cast iron.
Cast steel.
Gunmetal.
What should be carried out before starting a Diesel engine that has been stopped for a period?
Check the reversing mechanism.
Turn over on air with indicator cocks open.
Check the governor operation.
Bar over by hand for several revolutions.
What is the most commonly used fuel injection pump on large diesel engines?
An M.A.N. type fuel pump.
A Ricardo type fuel pump.
A Bosch type fuel pump.
A Curtis type fuel pump.
How is the fuel injection timing altered on a Diesel engine?
By altering the injector setting.
By altering the fuel pump lift.
By moving the camshaft position.
By adjusting the camshaft drive chain.
In the formula for calculating engine power, P.L.A.N., what does P represent?
Maximum cylinder pressure.
Compression pressure.
Pressure at mid power stroke.
Mean cylinder pressure.
What determines the amount of fuel delivered by a Bosch type fuel pump?
The stroke length of the fuel pump.
The fuel cam profile.
The rotational position of the fuel pump plunger.
Mean cylinder pressure.
For how long is the exhaust valve open in a 4-stroke turbo charged engine?
150 degree.
280 degree.
200 degree.
320 degree.
What could indicate a choked heat exchanger on the jacket water system?
Low jacket water flow.
High jacket water temperature.
High exhaust temperatures.
Low seawater pressure.
What could cause the turbo inlet exhaust temperature to be higher than cylinder exhaust temperature?
Poor combustion.
Incorrect injection timing.
Engine overloaded.
This is normal.
What is the most significant effect of fuel oil contamination of the lub oil?
Increases viscosity.
Increases flashpoint.
Removes additives from the lub oil.
Decreases flashpoint.
What type of compression takes place in a 4-stroke diesel engine?
Isothermal.
Isobaric.
Adiabatic.
Polytropic.
In a 2 stroke engine what controls the admission of charge air?
Upper edge of piston.
Camshaft position.
Position of lower piston skirt.
Air inlet valve operation.
What percentage of Nitrogen is present in the engine intake air?
75,5 %.
70,5 %.
60,5 %.
65,5 %.
In a fuel oil service system where would the relief valves discharge?
Re-circulating line or pump suction.
Simplex fuel oil strainer.
Settling tanks.
Slop retention tanks.
What would indicate a cracked cylinder liner or head?
High exhaust temperature.
Low exhaust temperature.
High lub oil consumption.
High jacket water temperature.
Should water be circulated through the main engine during port stay, and if so, why?
No, as this would result in extra water consumption.
Yes, as the engine has to be ready to start at any time.
Yes, to maintain the engine temperature.
No, in case of a leak developing in the system.
What could be the consequence of inadequate valve tappet clearance?
Exhaust valve leaking causing possible damage to seat and valve.
Accelerated valve gear wear.
High exhaust temperatures.
High jacket water temperatures.
What is the purpose of the injection pump delivery valve?
To meter the delivery rate.
To adjust the injection pressure.
To adjust the injection timing.
To maintain injection pressure in the HP fuel line.
What would represent an average specific fuel consumption for a four-stroke diesel?
0,15 kg/kW hour.
0,30 kg/kW hour.
0,25 kg/kW hour.
0,20 kg/kW hour.
What is the purpose of the expansion tank in a Diesel engine jacket cooling water system?
To allow for leakage in the system.
To take up the difference of water pressure with changes of temperature.
To act as a spare tank in case the pressure is dropping.
To take up the difference of water volume with changes of temperature.
In the case of a serious main engine malfunction what would be your course of action?
Slow down the engine and attempt to rectify the fault.
Attempt to rectify the fault.
Inform the bridge watch keeper before taking any action.
Stop the engine immediately and investigate the cause.
What part of the 4-stroke diesel cycle is adiabatic?
Compression stroke.
Combustion period.
Exhaust stroke.
Suction stroke.
What is the maximum allowable for Diesel engine cylinder liner wear?
2 % of liner diameter.
0,2 % of liner diameter.
1,5 % of liner diameter.
0,8 % of liner diameter.
What are the main constituents in Diesel engine exhaust gas?
Carbon monoxide, Nitrogen and Sulphur Dioxide.
Nitrogen, Carbon Dioxide and water vapour.
Nitrogen, Carbon Monoxide and Sulphur Dioxide.
Carbon Dioxide and un-burnt Oxygen.
For a turbo charger running at full speed, what would be a usual oil sump bath temperature on the turbine side?
35 to 45 deg C.
45 to 50 deg C.
55 to 65 deg C.
72 to 82 deg C.
If fuel contamination of lub oil is confirmed what action must you take?
Change the complete lub oil charge.
Rectify the fuel leak and purify the oil.
Purify the oil and send off another sample for analysis.
Rectify the source of contamination and change the oil.
What material are Diesel engine piston rings manufactured from?
Cast iron.
Carbon steel.
Cast steel.
Alloy steel.
What represents the available energy in a fuel?
Flash point.
Octane rating.
Calorific value.
Cetane number.
How should diesel engine exhaust temperatures change?
Remain steady under fluctuating load.
Alter according to engine load.
Rise as engine rpm rises.
All remain the same.
In the formula P.L.A.N. how is “N” derived for a double acting two stroke?
Eng rpm/60.
Eng rpm/30.
Eng rpm/120.
Eng rpm/240.
What is the effect that describes unstable operation of the engine governor?
Dead band.
Insensitivity.
Hunting.
Oscillation.
Which of the following records the cylinder pressure existing at various positions throughout the engine cycle?
A Timing diagram.
An Indicator diagram.
A Temperature diagram.
A Cycle diagram.
Under what engine conditions are indicator cards taken?
Low power.
At normal full load.
At 75 % full load.
At any engine loading.
During a crankcase inspection what check should be made on the lub oil?
The level in the oil sump tank.
The condition of the oil in the sump tank by test kit.
Uniform oil flow from bearings, top ends, guides, and gear train.
That the oil cooler inlet is clear.
What item is always found on diesel engine lub oil systems?
Low lub oil pressure shutdown.
Centrifugal oil filters.
Stand-by lub oil pump.
Reduced pressure feed to rocker gear.
If lub oil analysis results indicate fuel dilution what should be the first action?
Renew the lub oil charge.
Operate the lub oil purifier.
Locate and rectify source of contamination.
Take another set of samples and send off immediately.
The relief valve is fitted in the position shown to prevent overpressure:

Relief valve

if the main air start valve jams in the closed position.
should the actuating piston leak.
if astern is selected when the engine is moving ahead.
if the cylinder head air start valve jams in the open position.

🤝 Support Our Work

To continue the project, we need your help!
700
20
🚀 Boosty ❤️ Patreon
⭐ Buy Premium 📄 Buy PDF-files with tests
👥 We are supported:
Vitaliy, Gennadiy, Reggae Denz, Elvin Cmi, Paul Jack, Pana
and 26 others
There are also transfers to the card • Thanks to everyone!

Did you find mistake? Highlight and press CTRL+Enter

Verified by
Vladimir Filatov
Chief Officer
About

Senior Mate with 12+ years of experience in the international merchant marine.

  • Development and implementation of navigation and on-board safety plans.
  • Supervising the work of the crew and assisting the captain in managing the vessel.
  • Participation in training of junior crew, ensuring compliance with safety standards.

All materials have been checked by our marine expert.

Personal data is not disclosed for security and contract confidentiality purposes.

Октябрь, 08, 2025 577 0
5/5 - (2 голоса)
Social Telegram Vk Facebook OK Instagram

Add a comment