Насосы являются неотъемлемой частью любой судовой системы, обеспечивая перемещение жидкостей для выполнения широкого спектра задач: от балластных и осушительных операций до циркуляции охлаждающей воды и подачи топлива. Среди многообразия типов насосов осевые насосы занимают особое место, демонстрируя высокую производительность при сравнительно низком напоре, что делает их идеальным выбором для систем, требующих перекачивания больших объемов жидкости, например, в главной системе охлаждения или для нужд водометных движителей.
Понимание устройства и принципа работы осевых насосов, их конструктивных особенностей и эксплуатационных характеристик – это ключ к обеспечению надежности и эффективности судовых механизмов. В отличие от центробежных насосов, где жидкость движется преимущественно в радиальном направлении, в осевых насосах поток проходит параллельно оси вращения рабочего колеса, подобно работе гребного винта.
Общее устройство и принцип действия
В данном пункте рассмотрим принцип работы осевого насоса на судне. В осевых насосах, в отличие от центробежных, жидкость движется в осевом направлении, поэтому они и получили такое название. В этих насосах отсутствуют радиальные перемещения потока и, следовательно, совершенно исключена работа центробежных сил. Приращение давления происходит исключительно за счет преобразования кинетической энергии в потенциальную, т. е. за счет использования диффузорного эффекта. Но диффузорные потоки, как известно, устойчивы лишь при соблюдении определенных условий, нарушение которых ведет к отрыву пограничного слоя от поверхностей межлопастных каналов и в результате – к полному переформированию потока. Поэтому к проектированию и изготовлению осевых насосов предъявляются более высокие требования, чем это делается в отношении Основные параметры центробежных насосов и принцип действия на суднецентробежных насосов.
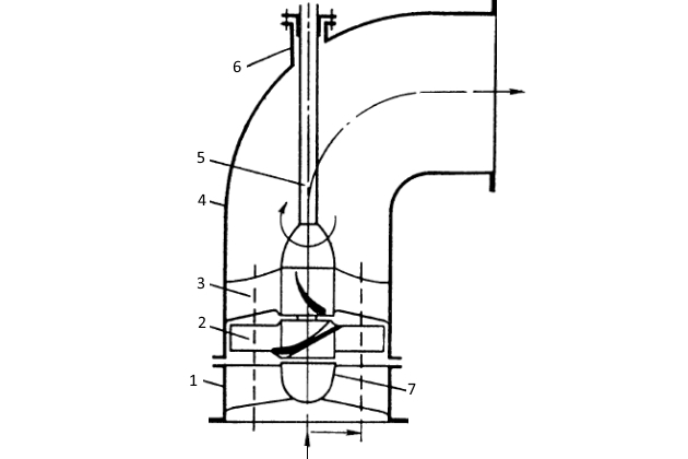
Осевые (пропеллерные) насосы по своей конструкции просты. Основными элементами осевого насоса (рис. 1) являются:
- подвод 1;
- рабочее колесо 2;
- лопаточный отвод (выправляющий аппарат) 3;
- корпус 4.
Проточная часть насоса по существу представляет собой участок цилиндрической изогнутой трубы, и насос может быть легко встроен в общий трубопровод, к которому он подключен. Рабочее колесо, напоминающее гребной винт, получает вращение от электродвигателя (не показан) через вал 5. Подвод с обтекателем 7 и выправляющий аппарат неподвижные. Обтекатель обеспечивает плавный подвод жидкости к лопастям. В месте выхода вала из корпуса установлен сальник 6.

Выправляющий аппарат раскручивает поток и направляет его по оси насоса. Иногда перед рабочим колесом устанавливают направляющий аппарат, служащий для устранения закручивания потока, которое может возникнуть вследствие асимметрии потока перед входом в насос.
Судовые насосы и их эксплуатационные характеристикиСудовые насосы выполняют вертикальными и горизонтальными, причем одноступенчатыми (с одним рабочим колесом). По способу закрепления лопастей рабочего колеса на втулке различают насосы:
- жестколопастные,
- поворотно-лопастные.
У первого типа насосов лопасти жестко закреплены на втулке, а у второго – могут поворачиваться. Благодаря повороту лопастей изменяется угол их установки и существенно расширяется область работы насоса. Однако наличие устройства для поворота лопастей сильно усложняет конструкцию насоса.
Область использования осевых насосов – большие подачи при малых напорах. Обычно их строят на подачи Q от 500 м3/ч и более, при напоре H – около 4-7 м. Выпуск промышленных образцов осевых насосов регламентирован ГОСТ 9366-80.
Применение осевых насосов на флоте является весьма специфичным и охватывает задачи, требующие перемещения большого объема жидкости. Основные области их использования включают:
- балластные системы крупных судов, таких как ледоколы и плавучие доки;
- обеспечение работы подруливающих устройств судов;
- прокачку забортной воды через главные конденсаторы на морских паротурбинных судах.
Осевые насосы на судах не обладают сухим всасыванием и имеют малую допустимую вакуумметрическую высоту всасывания. Для обеспечения бескавитационной работы эти насосы размещают ниже свободного уровня перекачиваемой жидкости.
Поток в осевом насосе и решетка профилей
При изучении течения в лопастной системе осевого насоса принимают допущение, что во всей области радиальные проекции скоростей отсутствуют (vr = 0). Это равносильно предположению о том, что течение в насосе происходит по цилиндрическим слоям и движение в каждом из них не оказывает влияния на остальные.
В основу расчета осевых насосов положено предположение о потенциальном (безвихревом) движении жидкости в проточной части. Применение схемы потенциального потока, который для меридианных составляющих абсолютных скоростей является одновременно и равноскоростным, вполне оправдывается практикой проектирования насосов.
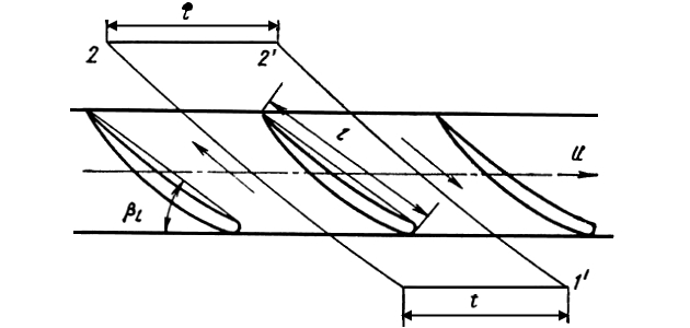
Принятие гипотезы о цилиндричности течения позволяет, развернув на плоскость соответствующий элементарный слой, перейти к рассмотрению плоской задачи. Развернув цилиндрическое (произвольного радиуса r) сечение лопастей колеса на плоскость (см. рис. 1), получим плоскую прямую бесконечную решетку профилей (рис. 2).

Решетка характеризуется формой профиля, шагом:
где:
- z – число лопастей в колесе,
длиной хорды профилей l, густотой решетки l/t, углом установки профиля в решетке β2.
Рекомендуется к прочтению: Общие сведения о судовых насосах и расчетные параметры
В соответствии с вращением колеса решетка профилей на рис. 2 движется вправо вдоль своей оси со скоростью переносного движения:
Скорости переносного движения до решетки и за ней одинаковы:
В силу сплошности потока осевые составляющие скоростей до решетки и за решеткой также равны между собой:
Это позволяет совместить треугольники скоростей до решетки и за ней (рис. 3).

Скоростные треугольники осевого насоса являются ключевым инструментом для анализа течения. Относительная скорость w∞ равна среднему геометрическому значению относительных скоростей до решетки w1 и за ней w2. Она играет в теории решеток ту же роль, что и скорость на бесконечности в случае обтекания единичного профиля. Значение и направление этой скорости определяются из треугольников скоростей:
Так как поток в области колеса является потенциальным, то циркуляция Гл скорости по любому контуру, охватывающему лопасть, будет постоянной. Для определения циркуляции составим контур, охватывающий лопасть и образованный двумя линиями тока 1-2 и 1′-2′, расположенными на расстоянии шага t, и двумя линиями 1-1′ и 2-2′, параллельными оси решетки профилей (см. рис. 2). Так как значения циркуляции скорости по каждой из линий тока равны между собой и противоположны по направлению, то циркуляция скорости по контуру, охватывающему лопасть, будет:
где:
- vu2 и vu1 – средние значения окружных составляющих абсолютной скорости при выходе из колеса и входе в него на радиусе r.
Силы, действующие на профиль в решетке
На профиль в решетке при обтекании его потоком идеальной жидкости действует сила P (рис. 4, а), которую можно разложить на две составляющие:
- Pu, параллельную оси решетки;
- Pz, перпендикулярную ей.
Рассмотрим некоторый объем жидкости вокруг профиля по контуру 1, 2, 2′, 1′ (см. рис. 2), приняв ширину объема перпендикулярно плоскости чертежа равной единице. На этом контуре значения скорости и давления в одноименных точках на расстоянии шага одинаковы.

а – идеальной; б – реальной
Для определения составляющей Pu применим к выделенному объему теорему об изменении количества движения в проекции на ось u. Силы, действующие на элементы контура 1, 2 и 1′, 2′, равны по значению, но обратны по знаку вследствие противоположного направления нормали к этим поверхностям. Силы, действующие по элементам контура 1′, 1 и 2′, 2 перпендикулярны оси и их проекции на эту ось равны нулю. То же относится и к проекции силы тяжести. Таким образом, из внешних сил, действующих на выделенный объем, остается только сила Pu с обратным знаком. Приравняем ее секундному изменению количества движения:
Заменив разность окружных составляющих относительных скоростей разностью тех же составляющих абсолютных скоростей (см. рис. 3), получим:
так как wz = wz∞.
Выражение для составляющей Pz, которое мы приводим, опуская вывод, имеет вид:
Полная сила, действующая на профиль:
Направление ее действия определяется углом, который она составляет с осью:
Откуда:
т. е.
Формула 6 и условие 7 являются выражением теоремы Н. Е. Жуковского: подъемная сила P, с которой поток действует на обтекаемый им профиль, равна произведению плотности ρ жидкости, циркуляции угловой скорости вокруг профиля Гл и угловой скорости на бесконечности ω∞.
Читайте также: Основные характеристики судовых насосов и систем
На рис. 4, б показаны силы, действующие на профиль в решетке при обтекании его реальной жидкостью. Здесь:
- R – равнодействующая сила реакции потока;
- Yр – подъемная сила, нормальная к направлению w∞;
- xр – лобовое сопротивление, направленное по скорости w∞;
- λ – угол, образованный силой R и нормалью N к направлению скорости w∞;
- Ru – окружная сила;
- Rz – осевая сила.
Отношение xр/Yр = tg λ называется обратным качеством профиля.
В случае вязкой жидкости:
где:
- hр – потеря напора в решетке.
Таким образом:
Как видно из рис. 4, б, подъемная сила Yр и лобовое сопротивление xр являются проекциями силы R на соответствующие направления. Лобовое сопротивление возникает в результате потерь напора hр, обусловленного вязкостью жидкости.
Для определения значений Yр и xр можно пользоваться зависимостями:
где:
- Cy р и Cx р – безразмерные коэффициенты подъемной силы и лобового сопротивления профиля в решетке;
- b – размер решетки по нормали к чертежу, равный единице.
Теоретический напор и гидравлический КПД решетки
В данном пункте приведен расчет теоретического напора осевого насоса. Выразим теоретический напор решетки Hт как работу окружной составляющей Ru на пути u, проходимом профилем в единицу времени. Эта работа будет Ru u. Количество жидкости, проходящей в единицу времени через участок решетки между двумя линиями тока, расположенными на расстоянии шага t (при b = 1), составит ρgtwz. Напор решетки:
Потеря напора hр равна работе силы лобового сопротивления xр, отнесенной к единице веса жидкости, на пути, проходимом профилем относительно жидкости в единицу времени, т. е. w∞. Работа силы xр будет xрw∞, а расход жидкости в единицу времени ρgtwz∞, следовательно:
Гидравлический КПД решетки в общем виде:
Подставив в это уравнение вместо hр и Hт их значения, получают:
Формулу 11 можно представить в следующем виде:
Эту формулу широко используют при расчете осевых насосов. Ее можно переписать так:
Последняя формула позволяет определить коэффициент подъемной силы для профиля в решетке. Этот коэффициент можно выразить также через коэффициент подъемной силы Cy единичного профиля:
где:
- L – отношение коэффициентов подъемных сил профиля решетки и единичного профиля, определяется по данным, приводимым в атласах профилей.
Принцип расчета рабочего колеса
Расчет колеса обычно выполняют по заданным подаче Q, напору H и принятой частоте вращения n, выбираемой исходя из условий работы насоса и места его установки. Вычисляют коэффициент быстроходности ns, который должен находиться в указанных ранее пределах.
Наружный диаметр рабочего колеса определяют из условия сплошности потока по формуле:
где:
- vz о – осевая скорость без учета стеснения потока лопастями;
- dвт – диаметр втулки колеса.
Осевую скорость вычисляют по известной формуле:
Отношение диаметров втулки и колеса выбирают в пределах:
причем меньшие отношения соответствуют большим значениям ns.
Число лопастей z принимают 3-5. При расчете лопастей используют основное уравнение для напора – формула 11. Расчет лопастей ведут для нескольких, обычно пяти цилиндрических сечений (позиции 1-5), отстоящих один от другого на равных расстояниях по радиусу r (рис. 5).

Напор Hт должен быть одинаков для всех участков лопастей.
Для каждого данного сечения окружная скорость u = rω. Осевую скорость определяют по выражению:
где:
- k – коэффициент стеснения, который предварительно выбирают, а затем уточняют расчетом.
Пользуясь треугольниками скоростей (см. рис. 3), находят w∞ и tg β∞:
Из формулы 15 определяют коэффициент подъемной силы Cy р. Он необходим для подбора профилей решетки и выражается также формулой 16.
Приняв центральный угол лопасти в плане θ, находят длину хорды профиля:
Входящее в формулу 15 отношение l/t находят по выражению:
причем принимают βl = β∞.
Как уже отмечалось, выправляющий аппарат раскручивает поток и направляет его по оси, преобразуя при этом кинетическую энергию вращательного движения в давление. Так как совершаемая при этом работа по существу аналогична работе рабочего колеса, закручивающего поток, то расчет выправляющего аппарата ведется аналогично расчету рабочего колеса.
Мы рассмотрели сущность гидравлического расчета рабочего колеса осевого насоса методом подъемных сил.
Что такое метод Вознесенского-Пекина?
Метод Вознесенского-Пекина – это метод расчета с помощью интегральных уравнений обтекания решеток тонких дужек, который принципиально был создан в 1930-1935 гг и получил широкое распространение в насосостроении. В этом методе в качестве эквивалентной профилю дужки принимается часть дуги окружности, т. е. дужка круга. Затем эквивалентные дужки, принимая их за средние линии, «одевают» профилями, причем большое внимание уделяется выбору формы профиля.
Метод интегральных уравнений сводится к решению задачи обтекания потоком заданной решетки. Такая задача называется прямой. При расчете же лопастных машин обычно ставится обратная задача: определение геометрических параметров решетки по заданным характеристикам потока. Для удобства использования метода интегральных уравнений при расчете новых машин В. Ф. Пекин под руководством И. Н. Вознесенского провел серию систематических расчетов решеток тонких дужек, и результаты расчетов свел в графики. Несколько позднее эта работа была продолжена Н. А. Колокольцовым. Полученные в результате этих расчетов графики позволяют решать обратную задачу.
Метод Вознесенского-Пекина получил широкое распространение благодаря простоте конечного вида расчета и высоким качествам созданных на его основе насосов.
Потери КПД и характеристики осевых насосов
Потери энергии в осевых насосах разделяют на те же категории, что и у центробежных насосов.
Гидравлические потери энергии (потери напора) обусловлены гидравлическими сопротивлениями в проточной части насоса:
- подводе;
- рабочем колесе;
- лопаточном отводе (выправляющем аппарате);
- в отливном патрубке насоса (в колене корпуса).
Гидравлический КПД
Объемные потери у осевых насосов имеются только в виде протечки жидкости через радиальный зазор между корпусом насоса и концами лопастей. Эти потери по отношению к подаче насоса малы, поэтому объемный КПД этих насосов высокий, а именно:
Механические потери энергии, являющиеся следствием трения в подшипниках и сальниках, у осевых насосов также малы. Они оцениваются механическим КПД:
Полный КПД осевых насосов, учитывающий все потери энергии:
Мощность насоса, кВт, вычисляется по формуле:
Характеристики осевых насосов обладают некоторыми особенностями. Как видно из рис. 6, основная характеристика H – Q насоса имеет седловатость.

Рабочей частью характеристики является ветвь ее, расположенная справа от седловатости.
Насос целесообразно использовать в области наибольших значений КПД (выпуклая ветвь кривой η).
Будет интересно: Судовые центробежные насосы – конструкция, характеристики и основы эксплуатации
Участок кривой H слева от седловатости характеризуется резким возрастанием напора, при этом мощность N также интенсивно возрастает. При нулевой подаче напор и мощность достигают максимальных значений.
Конструкции и особенности эксплуатации осевых насосов
Как было сказано, осевые насосы выполняются вертикальными и горизонтальными. Ниже приведены две конструкции этих насосов.
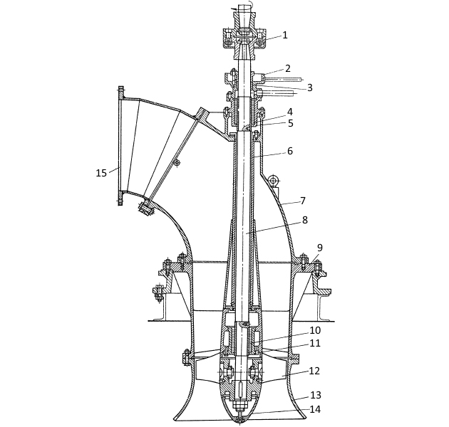
На рис. 7 показан вертикальный осевой насос типа О (ГОСТ 9366-80).

Он состоит из:
- обтекателя 14, насаженного на вал 8;
- входного патрубка 13, внутри которого установлено рабочее колесо 12.
В пределах корпуса вал имеет 2 опоры 11 и 5 с лигнофолевыми (или резиновыми) вкладышами 4 и 10. Нижняя опора 11 смазывается перекачиваемой жидкостью, верхняя 5 – жидкостью, подаваемой специальным насосом. Верхняя часть вала находится в защитной трубе 6. Сальник 2 снабжен мягкой набивкой 3. Из рабочего колеса поток поступает в выправляющий аппарат 9, а затем в отводы 7 и 15. В рассматриваемой конструкции предусмотрен вал, состоящий из основного 8 в пределах насоса и промежуточного, который соединяется с валом электродвигателя. В свою очередь основной вал соединяется с промежуточным жесткой муфтой 1. Промежуточный вал имеет опору с радиально-упорным подшипником, воспринимающим массу ротора и осевую силу. Насосы типа О целесообразно использовать для откачивания водяного балласта у Прочность плавучих доков и общие характеристики внешних силплавучих доков.
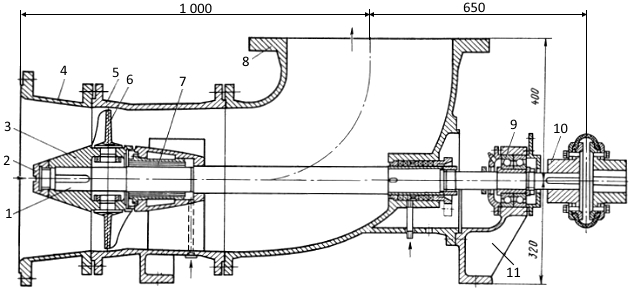
На рис. 8 представлена конструкция осевого насоса горизонтального исполнения.

Устанавливается насос данного типа на ледоколах в качестве балластного и имеет подачу 1 900 м3/ч при напоре 5 м и частоте вращения 980 об/мин. Корпус насоса состоит из трех частей:
- собственно корпуса 5;
- входного патрубка 4;
- отвода (колена) 8.
Вал 1 опирается на опорный резиновый подшипник 7 и опорно-упорный шариковый подшипник 9. Резиновый подшипник расположен внутри корпуса и омывается водой, подаваемой специальным небольшим насосом. Шариковый подшипник опирается на кронштейн 11, который крепится к колену корпуса. Рабочее колесо расположено на валу консольно. Оно состоит из ступицы 3 и закрепленных на ней четырех лопастей 6 симметричного профиля. Изменяя направление вращения вала насоса, можно менять направление движения жидкости.
Рабочее колесо сидит на валу на шпонке и удерживается от осевого смещения гайкой 2.
Вал насоса соединяется с валом электродвигателя (не показан) с помощью эластичной муфты 10.
Относительно особенностей эксплуатации осевых насосов можно отметить следующее. Общие правила эксплуатации центробежных насосов, изложенные в п. «Судовые центробежные насосы – конструкция, характеристики и основы эксплуатацииКонструкции центробежных насосов», в равной мере относятся и к осевым насосам, за исключением правил пуска.
Для предотвращения перегрузки двигателя, особенно электродвигателя, осевого насоса пуск его в работу должен осуществляться при полностью открытых задвижках на подводящем и отводящем трубопроводах.
Регулирование режимов работы осевых насосов обычно сводится к изменению подачи в тех пределах, которые диктуются обслуживаемым объектом.
Регулировать подачу можно двумя способами:
- изменением частоты вращения вала насоса;
- изменением угла установки лопастей рабочего колеса.
Для регулирования подачи по первому способу необходимо иметь двигатель с переменной частотой вращения (паровая или газовая турбина, электродвигатель постоянного тока или гидромуфта для электродвигателя переменного тока).
Для регулирования подачи изменением угла установки лопасти необходимо иметь рабочее колесо с поворотными лопастями и специальный механизм для их поворачивания.
Регулирование подачи таким способом состоит в том, что при n = const путем изменения угла установки лопасти изменяется угол набегания потока β∞, что вызывает изменение осевой скорости vz, а следовательно, и подачи Q.
При регулировании режима работы осевого насоса путем поворота лопастей рабочего колеса с изменением подачи можно поддерживать неизменный напор, что нельзя сделать при регулировании изменением частоты вращения вала.
Указанное обстоятельство наряду с экономической равноценностью рассмотренных способов регулирования является причиной широкого распространения в стационарной практике второго способа регулирования.
