Насосы на судах являются сердцем любой гидравлической системы, обеспечивая перемещение жидкостей, жизненно важных для безопасности, эксплуатации и комфорта. От систем охлаждения главных двигателей до балластных и осушительных систем – невозможно представить работу современного морского транспорта без этих ключевых агрегатов.
Понимание многообразия и рабочих характеристик судовых насосов критически важно для эффективной эксплуатации и технического обслуживания. В данном материале мы рассмотрим основные подходы к классификации, а также детально проанализируем расчётные и эксплуатационные параметры (подача, напор и КПД), которые определяют их выбор и режим работы.
Классификация
Что такое судовые насосы?
Судовые насосы – это гидравлические машины, преобразующие механическую энергию двигателя в механическую энергию перемещаемой жидкости.
На судах применяются насосы различных типов и конструктивных форм. По принципу действия их подразделяют на 2 группы:
- динамические,
- объемные.
Динамические насосы – это насосы, в которых жидкость приобретает энергию преимущественно в кинетической форме. К ним относятся насосы:
- лопастные,
- вихревые,
- струйные.
В Виды лопастных насосов – устройство и принципы работы на суднелопастных насосах передача механической энергии от двигателя жидкости происходит в процессе силового взаимодействия лопастей рабочего органа (колеса) с обтекающим их потоком жидкости. По характеру движения жидкости в колесе, которое называется рабочим, различают 2 основных типа лопастных насосов:
- центробежные,
- осевые.
В центробежных насосах поток жидкости в области рабочего колеса имеет радиальное направление, в осевых – поток жидкости параллелен оси вращения рабочего колеса.
Вихревые насосы являются динамическими насосами трения. Приращение энергии в них достигается в результате воздействия лопастей (лопаток) колеса на поток, совершающий вихревое движение.
В струйных насосах приращение энергии перекачиваемой жидкости происходит за счет кинетической энергии струи рабочей жидкости, выходящей из сопла. Струйные насосы не имеют движущихся частей и к ним не подходит определение насоса как машины, преобразующей энергию двигателя в энергию жидкости.
Объемные судовые насосы (гидростатические) действуют по принципу вытеснения. К ним относятся:
- поршневые,
- роторные,
- поворотные насосы.
В Поршневые насосы морских судов – классификация, устройство и принцип работыпоршневых насосах жидкость получает энергию от поршня (плунжера), совершающего периодическое возвратно-поступательное движение в цилиндре. В роторных насосах передача энергии перемещаемой жидкости происходит вследствие воздействия на нее рабочего органа, совершающего вращательное или вращательно-поступательное движение. К насосам с вращательным движением вытеснителей относятся:
- шестеренные,
- винтовые,
а с вращательно-поступательным движением:
- роторно-поршневые,
- роторно-пластинчатые.
У поворотных насосов вытеснитель совершает возвратно-поворотное движение. На судах они имеют ограниченное применение в качестве насосов с ручным приводом.
Классификация судовых насосов по принципу действия является весьма удобной, поскольку она упрощает объединение, а следовательно, и изучение однородных свойств этих машин.
Насосы на судах различают также по ряду конструктивных признаков.
В судовой практике широко используется классификация насосов по их назначению. В соответствии с этим различают насосы:
- судовых систем (осушительные, балластные, санитарные, пожарные и др.);
- систем судовых энергетических установок (топливные, масляные-охлаждающие);
- специального назначения (грузовые танкеров, грунтовые дноуглубительных снарядов и т. д.);
- гидроприводов.
Будет интересно: Насосы вытеснения и основные принципы действия на судне
Насос и двигатель, приводящий его в действие, образуют насосный агрегат:
- если в качестве двигателя насоса используется электродвигатель, то агрегат называется электронасосным;
- если двигателем насоса является дизель, то имеем дизель-насосный агрегат;
- насос, приводимый в действие турбиной, называется турбонасосным агрегатом и т. д.
На судах речного флота в качестве двигателей насосов применяются в основном электродвигатели.
Основные параметры судовых насосов
Работа любого насоса характеризуется несколькими параметрами. Основными из них являются:
- подача,
- напор,
- мощность,
- коэффициент полезного действия (КПД),
- частота вращения.
Подача
Различают объемную подачу, под которой понимают отношение объема подаваемой жидкой среды ко времени и массовую подачу насоса – отношение массы подаваемой жидкой среды ко времени.
В судовой практике объемная подача Q обычно выражается в кубических метрах в час или секунду. Массовая подача Qм связана с объемной соотношением:
где:
- ρ – плотность жидкости, кг/м3.
Плотность ρ для разных жидкостей различна и зависит от температуры. Для пресной воды при температуре до 30 °С ее принимают равной 1 000 кг/м3. В практических расчетах для минеральных масел можно брать ρ = 900 кг/м3. У мазутов плотность обычно несколько выше, чем у масел, например у мазута марки 40 она при температуре 20 °С составляет 940-960 кг/м3. Плотность жидкости зависит также от давления; она возрастает с увеличением последнего. Расчет Классификация судовых насосов и принципы работысудовых насосов обычно пренебрегает зависимостью плотности от давления.
Напор
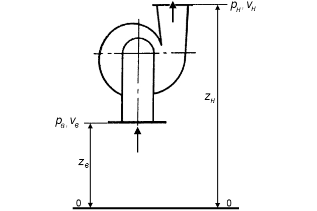
Напор в гидравлике – это высота, на которую способна подняться жидкость под действием статического давления, разности высот и внешней кинетической энергии жидкости. Он определяется через удельную (отнесенную к единице веса) энергию жидкости, проходящей через насос, и выражается в метрах (м).
Если удельная энергия жидкости на выходе из насоса (рис. 1):
а энергия жидкости на входе в него:
то напор насоса:
где:
- pн, pв – давления жидкости на выходе из насоса и на входе в него, Па;
- g – ускорение свободного падения, м/с2;
- zн, zв – расстояния от плоскости сравнения 0-0 до выходного и входного сечений потока, м;
- vн, vв – скорости жидкости на выходе из насоса и на входе в него, м/с.

Напор H насоса состоит из статического Hст и динамического Hдин напоров:
Статический напор:
Динамический напор:
Для насосов объемного типа в качестве основного параметра обычно указывают не напор H, а создаваемое ими полное давление ρ. Между давлением и напором существует зависимость:
Мощность и КПД
В данном пункте мы рассмотрим, как найти КПД насоса по гидравлической и механической мощности. Энергия, подводимая к насосу от двигателя в единицу времени, представляет его мощность N. Часть этой энергии теряется в насосе в виде потерь. Другая часть энергии, получаемая насосом от двигателя в единицу времени, есть полезная мощность насоса (кВт), которая определяется из выражения:
Потери энергии в насосе характеризуются его КПД η, представляющим собой отношение:
Мощность насоса, кВт:
Коэффициент полезного действия насоса можно представить в виде произведения трех КПД – гидравлического, объемного и механического, т. е.:
Что такое гидравлический КПД?
Гидравлический КПД – это отношение полезной мощности насоса к сумме полезной мощности и мощности, затраченной на преодоление гидравлических сопротивлений в насосе, т. е. он характеризует Основы гидравлики и насосы судовых системгидравлические потери в насосе и его находят по выражению:
где:
- Hт – теоретический напор насоса (напор без учета потерь);
- hг – гидравлические потери внутри насоса.
Объемный КПД характеризует объемные потери, обусловленные утечками жидкости внутри насоса:
где:
- q0 – утечки жидкости в насосе;
- – расчетная подача насоса.
Механический КПД насоса:
где:
- Nтр – мощность, затрачиваемая на преодоление механического трения в насосе.
Частота вращения
В качестве данного параметра принимается частота вращения n вала насоса в минуту (об/мин). Влияние частоты вращения на напор и подачу судового насоса является ключевым при его выборе и он зависит от ряда условий, таких, как:
- тип насоса и его двигателя;
- ограничения по массе и габаритным размерам;
- требования в отношении экономичности и др.
Для некоторых судовых насосов, например для осушительных, важным параметром является вакуумметрическая высота всасывания Hв, измеряемая вакуумметром.
Рекомендуется к прочтению: Судовые струйные насосы – виды и эксплуатационные параметры
Под вакуумметрической высотой всасывания понимают разность между атмосферным давлением pа и давлением pв на входе в насос, т. е.:
Высота всасывания ограничивается минимальным абсолютным давлением pв min, возникающим в области входа в насос, которое должно быть больше давления pп насыщенного пара перекачиваемой жидкости, т. е.:
В противном случае жидкость в местах возникновения минимального давления вскипит, и нормальная работа насоса нарушится.
В процессе эксплуатации вакуумметрическая высота всасывания может изменяться, однако она не должна превышать допустимого значения Hв. доп, приводимого в паспорте насоса или в технических условиях на его поставку.
Рабочий режим
В данном пункте приведена методика определения рабочего режима судового насоса. Под рабочим режимом насоса понимается установившийся режим работы его в данной системе. При работе насоса его подачу Q и напор H устанавливают по необходимым для Трубопроводы, арматура и устройство судовых системтрубопровода системы расходу Qс и напору Hс. При установившемся режиме Q = Qс и H = Hс.
Для определения рабочего режима насоса пользуются его характеристикой и характеристикой трубопровода. Под характеристикой насоса понимается графическая зависимость между его напором H и подачей Q. Характеристикой трубопровода системы называется графическая зависимость между напором Hс и расходом Qс. Если совместить на одном графике характеристику трубопровода системы Hс – Qс и характеристику насоса H – Q (рис. 2), то точка А пересечения этих характеристик определит рабочий режим насоса (точка А называется рабочей).

Для определения характеристики судовых насосов их подвергают испытаниям на стенде при постоянной частоте вращения n. Характеристику трубопровода системы можно построить по формуле:
где:
- hст – статическая высота подачи, равная сумме геометрической и манометрической высот; под последней подразумевается высота, соответствующая избыточному давлению в системе (пневмоцистерне, магистрали водотушения и др.);
- kс – постоянная для каждого данного трубопровода.
Формула 14 выводится следующим образом. Потери напора в трубопроводе системы можно выразить зависимостью:
где:
- λ – коэффициент гидравлического трения;
- l – длина прямого трубопровода, м;
- d – внутренний диаметр трубопровода, м;
- ζ – коэффициент местного сопротивления;
- 1 – учитывает потерю с выходной скоростью в случае концевой трубы.
Так как при расходе жидкости Q через трубопровод ее скорость:
то:
Обозначив выражение:
через kс получим формулу 14.
При изменении характеристики трубопровода системы рабочая точка А переместится по характеристике насоса и, следовательно, режим его работы изменится.
Параметры, соответствующие рабочему режиму насоса, называются рабочими. В том случае, когда рабочие параметры совпадают с номинальными (спецификационными), насос работает наиболее экономично. Это учитывают проектировщики при подборе насосов для Судовые системы и трубопроводысудовых систем.
Характеристика H – Q зависит от типа насоса. На рис. 2 изображена характеристика лопастного насоса.
При эксплуатации насоса необходимо стремиться к тому, чтобы он возможно больше времени работал в оптимальном режиме, т. е. обеспечивал нормальные подачу и напор. Всякие отклонения от номинального режима при неизменной частоте вращения вызывают снижение экономичности работы насоса.
Условия работы
В судовых системах применяют насосы:
- центробежные,
- вихревые,
- поршневые,
- водокольцевые,
- водоструйные.
Рассмотрим условия, в которых работают эти насосы на судах.
Осушительные насосы работают в сложных и разнообразных условиях. Так как уровень откачиваемой трюмной воды, как правило, находится ниже насоса, то осушительный насос должен обладать способностью к самовсасыванию или иметь самовсасывающее устройство.
Во всасывающую магистраль осушительной системы может проникать воздух через различные неплотности, что снижает подачу воды и делает неустойчивой работу насоса. Очень большое содержание воздуха во всасывающей магистрали приводит к срыву работы насоса. Поэтому важно, чтобы просочившийся воздух непрерывно удалялся самовсасывающим устройством или самим насосом.
Следует отметить, что осушительный насос после откачивания воды из льял продолжает работать на режиме сухого всасывания, если не предусмотрено его автоматическое отключение. Такая работа, если ее возможность не учтена в конструкции, неблагоприятно отражается на надежности действия насоса. При достаточной подаче осушительные насосы используют в качестве балластных для приема и выкачки балласта.
Балластные насосы могут откачивать балласт из бортовых и междудонных цистерн. Насосы, откачивающие балластную воду из междудонных цистерн, должны быть способны к самовсасыванию или иметь самовсасывающее устройство. Балластные насосы на судах часто используют в качестве осушительных.
Читайте также: Судовые насосы и их эксплуатационные характеристики
Пожарные насосы через магистраль и отростки подают воду к пожарным кранам. В обычных условиях пожарные насосы снабжают рабочей водой эжекторы осушения и эжекторы водоотливных установок, а также подают воду для мытья палуб.
При работе пожарного насоса на общую магистраль высокого давления подача может достигать даже нулевого значения, когда нет потребителей воды. Так как при отсутствии расхода вода в корпусе насоса может сильно нагреться, то предусматривают в насосе или в системе устройство, исключающее работу насоса с нулевой подачей.
Пожарные насосы устанавливают ниже ватерлинии, поэтому они работают с подпором или с небольшой высотой всасывания. Только аварийные насосы с дизельным или другим приводом работают с высотой всасывания до 5 м, поскольку их устанавливают на палубе.
Санитарные насосы по условиям работы выполняют самовсасывающими. Обычно насос подает воду в пневмоцистерну (гидрофор), откуда она под давлением сжатого воздуха поступает к потребителям. Насос включается и выключается автоматически. При такой схеме обеспечивается подача воды к потребителям в любое время при минимальной затрате насосом мощности.
Водоотливные насосы могут работать как с подпором, так и с высотой всасывания. В общем случае они работают с:
- переменными подачей;
- напором;
- давлением на всасывании;
- мощностью.
Условия работы насосов учитывают при их проектировании и эксплуатации. Для нормальной эксплуатации насосов от Обучение и подготовка персоналаобслуживающего персонала требуются знания:
- их конструктивных особенностей;
- правил пуска;
- остановки;
- обслуживания во время работы и бездействия.
Эксплуатация судовых насосов должна проводиться в полном соответствии с инструкцией.
