Судовые системы вентиляции и Системы общесудовой вентиляции и кондиционирования воздухакондиционирования воздуха в качестве основного элемента всегда включают специализированные вентиляторы. В отличие от общепромышленных аналогов, вентиляторы на судне работают в специфических условиях: постоянная вибрация, высокая влажность, воздействие морской соли и ограниченность монтажных пространств. Это накладывает особые требования к их конструкции, аэродинамическим качествам и методам подбора.
Для грамотного проектирования и безаварийной эксплуатации систем вентиляции инженер должен четко представлять физические процессы, происходящие при перемещении воздушных масс. В данном материале будет рассмотрена классификация судовых вентиляторов по назначению и конструкции. Опираясь на фундаментальную теорию лопастных машин, проанализируем их рабочие характеристики и определим методику расчета параметров, необходимую для оптимального выбора оборудования. Особое внимание будет уделено вопросам практического обслуживания, которое позволяет поддерживать заданный КПД установки в течение всего срока службы.
Основные параметры, устройство и классификация
Вентиляторами называют воздуходувные машины, предназначенные для перемещения и подачи воздуха по вентиляционным трубопроводам к потребителям. Их применяют:
- в системах вентиляции, кондиционирования воздуха, воздушного отопления;
- для подачи воздуха в топки котлов, создания воздушной подушки судов и т. д.
К основным параметрам вентиляторов относятся:
- подача Q;
- полное давление p;
- мощность N;
- КПД η.
За нормальные атмосферные условия принимают:
- барометрическое давление B = 101,3 кПа;
- температуру t = 20 °С;
- относительную влажность 50 %;
- плотность воздуха ρ0 = 1,2 кг/м3.
Мощность вентилятора, кВт:
Плотность воздуха при произвольных значениях B и t:
Очевидно, что КПД судового вентилятора:
где:
- Nп – полезная мощность вентилятора.
Рекомендуется к прочтению: Вентиляция и отопление на судах морского флота
Для вентиляторов часто используют еще 2 параметра:
- статическое давление pст;
- статический КПД ηст.
Статическое давление, Па:
где:
- pдин – динамическое давление, обычно определяемое по среднерасходной скорости vвых потока, выходящего из вентилятора; .
Статический КПД вентилятора представляет собой отношение полезной статической мощности Nст к мощности N вентилятора, т. е.:
Вентиляторы бывают:
- осевые,
- центробежные (радиальные).
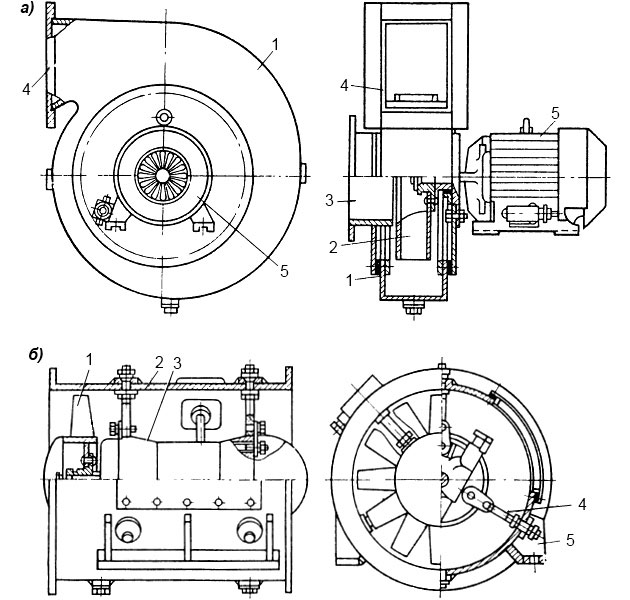
В судовых системах наибольшее распространение получили Вентиляторы – классификация и принцип работы на суднецентробежные вентиляторы. В металлическом корпусе 1 (кожухе) центробежного электровентилятора (рис. 1, а) размещается рабочее колесо 2, приводимое во вращение электродвигателем 5.

При вращении колеса воздух засасывается через приемный патрубок 3, проходит между лопатками от оси к периферии и затем по спиральному каналу направляется в нагнетательный патрубок 4. Корпус вентилятора крепится к торцовой части электродвигателя, имеющего лапы для крепления к судовому фундаменту. В месте сопряжения спиральной камеры с напорным патрубком находится язык.
Радиальные вентиляторы на судне могут иметь лопасти, загнутые вперед, назад и радиальные. Число лопастей z обычно составляет 20-60.
Осевой электровентилятор (рис. 1, б) состоит из цилиндрического корпуса 2 и рабочего колеса (пропеллера) 1, приводимого во вращение электродвигателем 3, который закреплен в корпусе на установочных винтах 4. Удобство такой конструкции заключается в том, что вентилятор не изменяет направления движения нагнетаемого им воздуха и поэтому может быть установлен на любом прямолинейном участке воздухопровода, а при необходимости укреплен и на фундаменте с помощью лап 5.
Что такое осевой вентилятор?
Осевой вентилятор – это тип вентилятора, в котором движение частиц воздуха при обтекании лопастей рабочего колеса происходит параллельно оси его вращения.
Центробежные вентиляторы на судне благодаря использованию работы центробежных сил обеспечивают большие давления по сравнению с осевыми вентиляторами.
Часто осевые судовые вентиляторы снабжаются спрямляющим аппаратом (рис. 2) и состоят из:
- цилиндрического корпуса 3;
- рабочего колеса 4;
- спрямляющего аппарата 5 с лопатками 7, которые закреплены на втулках 6.
Воздух входит в вентилятор через подвод 2, в котором установлен обтекатель 1.

Стрелка у вала указывает направление вращения рабочего колеса. Спрямляющий аппарат применяют в том случае, когда относительное значение скорости закручивания велико. Это позволяет значительно повысить давление, создаваемое вентилятором. Иногда перед рабочим колесом устанавливают направляющий аппарат, который служит для устранения возможного закручивания потока перед входом в рабочее колесо.
Судовые вентиляторы можно классифицировать по различным признакам. По принципу действия они делятся на:
- радиальные (центробежные);
- осевые (см. рис. 1).
В судовой практике широко используется классификация судовых вентиляторов по их назначению. Различают вентиляторы:
- машинных отделений;
- систем общесудовой вентиляции;
- систем кондиционирования воздуха;
- для котельных установок;
- судов на воздушной подушке.
Судовые вентиляторы, как и Лопастные насосы и их эксплуатация на суднелопастные насосы, классифицируют также по коэффициенту быстроходности, который определяется по выражению:
где:
- p – давление воздуха, при ρ0 = 1,2 кг/м3.
Для центробежных (радиальных) вентиляторов характерны значения 10 < ns < 80 и для осевых – 80 < ns < 500.
По значению полного давления, создаваемого на расчетном режиме, вентиляторы бывают:
- низкого давления – до 1 кПа;
- среднего давления – до 3 кПа;
- высокого давления – свыше 3 кПа.
Вентиляторы классифицируют также по ряду других признаков, например:
- по расположению оси рабочего колеса – на горизонтальные и вертикальные;
- по роду привода – на электрические, турбинные и т. д.
На судах внутреннего плавания применяют исключительно электрические вентиляторы как горизонтальные, так и вертикальные.
Приложение теории лопастных насосов к теории вентиляторов и основы их расчета
Сопоставление принципиальных конструктивных схем центробежных и осевых вентиляторов и схем центробежных и осевых насосов показывает, что они имеют много общего. В большинстве судовых вентиляторов создается давление до 4 кПа, а у некоторых вентиляторов оно достигает 15 кПа. Эти давления без особых погрешностей позволяют пренебрегать сжимаемостью воздуха при рассмотрении рабочих процессов в вентиляторах. Отсюда следует, что положения теории центробежных и осевых насосов практически полностью применимы к вентиляторам. Так, например, при рассмотрении рабочего процесса осевых вентиляторов пользуются теорией решетки профилей и основными уравнениями по определению сил, действующих на лопасть (см. «Осевые насосы – устройство и принцип работы на судах»). Вместе с тем, условия работы и конструктивные особенности вентиляторов делают более удобным при их расчете применение зависимостей, отличных от тех, которые применяются в лопастных насосах. Мы ограничимся рассмотрением основ расчета центробежных вентиляторов как наиболее распространенных на судах.
Центробежные судовые вентиляторы в своей теоретической основе опираются на фундаментальное уравнение напора, заимствованное из теории центробежных насосов («Конструкция и рабочие характеристики судовых центробежных насосовОпределение напора рабочего колеса с бесконечным числом лопастей») при бесконечном числе лопастей. Сохраняя принятые ранее обозначения для напора вентилятора, можно написать:
В целях удобства напор в вентиляторах заменяется эквивалентным давлением (Па):
Теоретическое давление центробежного вентилятора при конечном числе лопастей:
где:
- kz = p/p∞ = vu2/vu2∞ – коэффициент, учитывающий конечное число лопастей вентилятора.
Для определения действительного давления необходимо учесть гидравлический КПД вентилятора:
Обозначим отношение:
тогда:
где:
- ψ – коэффициент закручивания потока на выходе, принимаемый в ориентировочных расчетах для лопастей, загнутых вперед – 1,1-1,6; радиальных – 0,85-0,95; загнутых назад – 0,5-0,8.
Гидравлический КПД при лопастях:
- загнутых назад, составляет 0,7-0,9;
- при радиальных – 0,65-0,8;
- загнутых вперед – 0,6-0,75.
Из формулы 4 следует, что окружная скорость на наружном диаметре колеса:
По u2 определяем наружный диаметр колеса D2 (рис. 3) по формуле:
где:
- n – частота вращения вентилятора, которой задаются.
Для электровентиляторов n равна частоте вращения электродвигателя.

По заданной подаче Q и принятой n находят коэффициент быстроходности по формуле 3.
Скорость входа потока в колесо можно принять:
где:
- η0 ≈ 0,99 – коэффициент подачи;
- ω – угловая скорость.
По скорости v0 находят диаметр входа D0 в вентилятор. Внутренний диаметр рабочего колеса D1 ≈ D0.
Читайте также: Рефрижерация, кондиционирование воздуха и вентиляция
Число лопастей центробежных вентиляторов рекомендуется вычислять по следующим зависимостям:
- для колес с лопастями, загнутыми назад:
- для колес с радиальными и загнутыми вперед лопастями:
где:
- β2 – угол установки лопасти на выходе.
Шаг лопастей:
Ширину канала колеса на входе определяют из выражения:
где:
- e – толщина лопасти;
- vm – меридианная составляющая абсолютной скорости воздуха.
Ширину канала колеса на выходе b2 обычно делают меньше b1. Угол γ = 10-30° (см. рис. 3).
Площадь выходного сечения диффузора:
где:
- vвых ≈ v0 – скорость выхода; очевидно, Fвых = A · B.
Спиральная камера обычно очерчивается по логарифмической спирали согласно уравнению:
где:
- ρсп – радиус спирали;
- r2 – наружный радиус рабочего колеса;
- e – основание натурных логарифмов;
- θ – угол обхвата;
- k – коэффициент, определяемый по выражению .
Значение A определяется из соотношения:
причем:
- ;
- .
Мощность вентилятора определяется по формуле 1. Коэффициент полезного действия вентилятора:
Характеристики вентиляторов
Различают аэродинамические и акустические характеристики вентиляторов. В данном пункте рассмотрим, как построить аэродинамические характеристики судовых вентиляторов.
Аэродинамический расчет вентилятора тесно связан с его характеристиками, которые представляют собой графические зависимости давления, мощности и КПД его от подачи. Вид характеристики зависит от типа вентилятора. Характеристики строят по результатам аэродинамических испытаний вентилятора.
На рис. 4 показаны типичные аэродинамические характеристики центробежного и осевого вентиляторов.

Как видно, характеристики осевого вентилятора (рис. 4, а) существенно отличаются от характеристик центробежного вентилятора (рис. 4, б). У осевого вентилятора наблюдается четко выраженный седлообразный характер кривой p – Q при малых подачах. В соответствии с таким характером кривой давления мощность осевых вентиляторов изменяется в меньших пределах, чем центробежных.
Сравнение характеристик N – Q показывает, что при нулевой подаче осевой вентилятор потребляет максимальную, а центробежный вентилятор – минимальную мощность. Следовательно, подобно соответствующим насосам пуск центробежных вентиляторов следует осуществлять при закрытых заслонках, а осевых – при открытых.
Будет интересно: Санитарные системы – типы и принцип действия на судне
Для вентиляторов, как и для насосов, строят также универсальные характеристики, которые здесь не приводятся.
Для унификации расчета и характеристик геометрически подобных вентиляторов принято пользоваться безразмерными коэффициентами:
- подачи
- – плоскость диска колеса по концам лопастей;
- давления
- мощности
Удобство пользования этими коэффициентами состоит в том, что для одной и той же серии геометрически подобных вентиляторов коэффициенты пропорциональности будут иметь одну и ту же величину при различных режимах работы. Поэтому вместо индивидуальных характеристик (см. рис. 4) каждого вентилятора можно иметь для всех только одну характеристику в безразмерных координатах
Акустические характеристики оценивают шум и вибрацию вентилятора при нормальной его работе. Шум вентиляторов имеет главным образом аэродинамическое происхождение и для его уменьшения используют различные средства, а именно:
- хорошо балансируют ротор;
- изготовляют спиральную камеру без языка;
- устанавливают вентиляторы на амортизаторах;
- применяют глушители шума и др.
Для оценки уровня шума в децибелах существует ряд опытных формул, которые указаны в соответствующей литературе. Там же приводятся различные графические зависимости, например, уровней шума от частоты вращения вентилятора и др.
Обслуживание вентиляторов
Вентиляторы и их двигатели, как и насосные агрегаты, требуют квалифицированного обслуживания.
При подготовке вентилятора к пуску необходимо:
- осмотреть весь агрегат снаружи;
- убрать посторонние предметы, оставленные на нем (инструмент, обтирочный материал и т. п.);
- проверить крепеж и подсоединения трубопроводов;
- подготовить к пуску электродвигатель.
Убедившись в том, что вентилятор исправен и пуску его ничего не препятствует, пускают в действие электродвигатель согласно инструкции по его обслуживанию. Пуск центробежных вентиляторов следует осуществлять при закрытых заслонках, а осевых – при открытых.
Особо тщательную подготовку к пуску необходимо выполнять для вентиляторов котельных установок морских судов и судов на Суда на подводных крыльях и воздушной подушкевоздушной подушке. Если предусмотрено охлаждение подшипников вентиляторов, то необходимо убедиться в поступлении охлаждающей среды к подшипникам. При подготовке вентилятора к работе после монтажа или ремонта необходимо по возможности проверить отсутствие на лопастях:
- трещин,
- вмятин,
- прогиба,
- ослабления заклепок на них.
Регулируют вентиляторы на судне только для изменения подачи путем дросселирования воздуха на входе или на выходе.
Во время работы вентиляторов нельзя допускать ударов и толчков по кожуху вентилятора во избежание вмятин и перекосов, которые могут привести к заеданию рабочего колеса за кожух и выводу его из строя. При появлении стуков и ударов, а также при заметном увеличении вибрации вентилятор останавливают.
После аварийной остановки вентилятора следует выяснить причины его ненормальной работы, проверив крепление вентилятора, состояние амортизаторов и муфт, крепление рабочего колеса и его балансировку, отсутствие посторонних предметов внутри вентилятора. Причинами малой подачи воздуха могут быть:
- неправильное положение заслонок;
- засорение и неплотности в воздуховодах;
- недостаточная частота вращения или неправильное направление вращения вентилятора.
Неплотности в соединениях корпуса вентилятора устраняются заменой поврежденных прокладок и обжатием соединений.
В момент остановки следует прослушивать механизм вентилятора, чтобы убедиться в отсутствии шумов, стуков и заедания. На судне должен быть комплект запасных частей к вентиляторам.
Вентиляторы общесудовых систем и систем кондиционирования воздуха обычно работают надежно и мало приносят хлопот обслуживающему персоналу.
