Современные рыбодобывающие и рыбоперерабатывающие суда – это плавучие производственные предприятия, которые являются одновременно местом длительного пребывания моряков-промысловиков. В частности, ключевым элементом, обеспечивающим комфорт, гигиену и соответствие экологическим стандартам, являются санитарные системы судов. Их эффективная работа критически важна для здоровья экипажа и соблюдения норм охраны окружающей среды.
Министерством здравоохранения РФ разработаны специальные санитарные правила, регламентирующие оборудование жилых, служебных и общественных судовых помещений. Создание нормальных бытовых условий на судне невозможно без специальных санитарных систем. К судовым санитарным системам относятся:
- системы кондиционирования воздуха;
- система отопления судна;
- системы водоснабжения;
- сточно-фановые системы;
- системы вентиляции судовых помещений.
Системы кондиционирования воздуха и системы отопления
В данном пункте рассмотрим принципы работы судовых систем кондиционирования воздуха. Для поддержания нормальной температуры в жилых, служебных и производственных помещениях судно оборудуется отопительной системой.
В судовых условиях применяют Системы общесудовой вентиляции и кондиционирования воздухасистему кондиционирования воздуха, а также паровое, водяное и электрическое отопление.
Независимо от рода отопительной системы и района плавания в зимнее время года в судовых помещениях должна поддерживаться следующая температура:
- в жилых, общественных помещениях, умывальниках 20 °С;
- в гальюнах 16 °С;
- в душевых, ваннах, банях 25 °С;
- в хозяйственных помещениях 16 °С.
В соответствии с санитарными правилами Минздрава РФ при плавании в южных и тропических широтах температура в жилых и общественных помещениях не должна превышать 25 °С независимо от температуры наружного воздуха. Относительная влажность воздуха в помещениях должна находиться в пределах 40-60 %.
Судовая система кондиционирования воздуха является основным видом отопления, применяемого на большинстве крупных морских судов. Система кондиционирования наряду с отопительными и вентиляционными функциями охлаждает наружный воздух при плавании в тропиках и поддерживает постоянную влажность воздуха, подаваемого в судовые помещения.
В современной практике судостроения применяют установки полного комфортного кондиционирования и частичного кондиционирования. Установки полного комфортного кондиционирования должны обеспечивать:
- подогрев воздуха при плавании в северных широтах с возможностью индивидуальной регулировки температуры воздуха, поступающего в судовые помещения;
- увлажнение нагретого воздуха до определенной степени влажности;
- охлаждение воздуха, подаваемого в судовые помещения, при плавании в тропических водах;
- поддержание нормальной влажности подаваемого воздуха при плавании в районах с влажным климатом;
- поддержание постоянного давления в системе подачи воздуха независимо от числа включаемых каютных кондиционеров.
Система полного комфортного кондиционирования относится к категории дорогостоящего судового оборудования, и применение ее на судах должно быть достаточно обоснованным.
Если судно предназначено для плавания в северных и умеренных широтах, то в охлаждении воздуха нет необходимости, и может быть применена система неполного кондиционирования. В тех случаях, когда индивидуальная регулировка температуры поступающего воздуха для каждой каюты не предусматривается, система кондиционирования также получается значительно проще и дешевле.
На части судов флота Рыбопромысловый флотрыбной промышленности (транспортные рефрижераторы типа «Прибой», производственные рефрижераторы типа «Рембрандт») применены установки неполного кондиционирования воздуха, а на судах, предназначенных для работы в тропиках (тунцеловные базы типа «Ленинский луч», плавбазы типа «Спасск»), приняты установки полного комфортного кондиционирования.
Установки кондиционирования воздуха выполняются с рециркуляцией и без рециркуляции воздуха. В установках с рециркуляцией часть воздуха, прошедшего через судовые помещения, возвращается на центральную станцию, где смешивается с частью свежего воздуха, поступившего из атмосферы, затем проходит через центральную станцию и нагнетается снова в судовые помещения.
В установках без рециркуляции весь воздух поступает на центральную станцию только из атмосферы. Установки с рециркуляцией воздуха более экономичны, но зато более сложны и дороги, чем установки без рециркуляции воздуха.
Для упрощения установок с рециркуляцией воздуха часто применяют схему, при которой воздух из кают выходит в коридор, а из коридора всасывается вентилятором центральной станции. В этом случае наружные двери из коридоров рекомендуется держать закрытыми.
На рис. 1 приведена принципиальная схема системы полного кондиционирования воздуха, состоящая из центральной станции, воздуховодов и каютных кондиционерных аппаратов.

На рис. 2 показан общий вид одной из конструкций центральной станции и два типа каютных кондиционерных аппаратов.

Рассмотрим принцип работы судового кондиционера. Центральная станция (см. рис. 1) включает:
- смесительную секцию 1 с воздушным фильтром, в которой воздух, поступающий из атмосферы, смешивается с рециркулирующим воздухом;
- секцию 2 предварительного подогрева воздуха;
- секцию 3 увлажнения воздуха;
- вентиляторную камеру 4 с центробежным вентилятором;
- охлаждающую секцию 5;
- напорную камеру 6, к которой присоединяются воздуховоды 7.
В некоторых конструкциях станций вентилятор устанавливается перед камерой предварительного подогрева воздуха. Воздуховод 7 обычно разветвляется на отдельные каналы 8, от которых отходят отростки к каютным кондиционерам 9.
В каждый кондиционер встроена небольшая нагревающая батарея, к которой по трубопроводам 10 подводится горячая вода от водоподогревателя. Вместо водонагревательной батареи в каютных кондиционерах часто применяют электрический подогрев воздуха.
Воздух, предварительно подогретый в центральной станции, приобретает окончательную температуру в каютных кондиционерах при проходе через батареи, встроенные в кондиционеры. Каютные кондиционеры снабжены регуляторами, с помощью которых можно регулировать количество воздуха, проходящего через нагревательную батарею кондиционера, а следовательно, и температуру выходящего воздуха.
Рекомендуется к прочтению: Судовые системы бытового водоснабжения
В кондиционерах с электрическим подогревом температура выходящего воздуха может зависеть от числа включенных ступеней электронагревательной батареи. В тех случаях, когда каютные кондиционеры не имеют индивидуальной регулировки температуры воздуха, центральная станция обычно снабжается ступенью вторичного подогрева, в которой автоматически поддерживается оптимальная температура воздуха.
Число центральных станций на судне зависит от его размерений, числа и расположения кают; на крупных судах, как правило, устанавливаются две или даже четыре центральные станции.
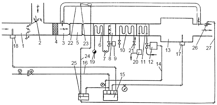
Рассмотрим принципиальную схему установки кондиционирования воздуха, примененной на плавбазах типа «Рыбацкая слава» (рис. 3).

При плавании в северных широтах установка кондиционирования воздуха работает только на нагрев; охлаждающая камера при этом отключается путем прекращения подачи охлаждающего рассола к змеевикам охлаждающей камеры.
Наружный воздух по каналу 1 и циркулирующий воздух по каналу 2 поступают в смесительную камеру 3 и через пылеочистительный фильтр 4 засасываются Вентиляторы – классификация и принцип работы на суднецентробежным вентилятором 5.
Очищенный воздух прогоняется через секцию первичного подогрева 6, которая рассчитана на подогрев воздуха от -20 °С до +10 °С. Количество пара, поступающего в батарею первичного подогрева, регулируется вручную клапаном 7. Если наружный воздух имеет температуру 5 °С и выше, первичный подогрев воздуха можно не производить. Для подогрева обычно используется пар давлением не выше 3 кГ/см2. После первичного подогрева воздух поступает в увлажнительную камеру 8, в которой через сопла распыливается пар от системы первичного подогрева. Открытие пара на увлажнитель производится электромагнитным клапаном 9, открывающимся автоматически при пуске вентилятора. Пройдя через бездействующую охладительную секцию 10, увлажненный воздух попадает в секцию 11 вторичного подогрева воздуха.
Секция вторичного подогрева воздуха обеспечивает автоматическое поддержание заданной температуры воздуха, подаваемого в судовые помещения, в диапазоне от 10 до 45 °С. Количество пара, поступающего в батарею секции вторичного подогрева, регулируется автоматическим клапаном 12 в зависимости от температуры наружного воздуха и температуры воздуха в напорной камере 13.
Регулирующий клапан 12 пневматически управляется воздухом, поступающим по трубопроводу 14 от регуляторного блока 15, к которому по трубопроводу 16 подводится воздух от судовой системы под давлением 1,2-1,3 кГ/см2 (12-13 кH/м2).
В блоке 15 предусмотрены дросселирующие устройства, которые в соответствии с импульсами, получаемыми от термостатических датчиков 17, 18, установленных в напорной камере и в наружном канале, изменяют количество воздуха, поступающего от блока 15 к регулирующему клапану 12.
В зависимости от количества воздуха изменяется давление на регулирующий клапан и соответственно меняется проходное сечение, пропускающее пар в батарею секции вторичного подогрева.
На регуляторном блоке 15 имеется шкала с делениями и установочная головка, положение которой по отношению к шкале определяется по графику в зависимости от температуры наружного воздуха и температуры в напорной камере.
Такой график должен быть приложен к инструкции по эксплуатации установок кондиционирования воздуха.
Допустим, что температура наружного воздуха равна 6 °С; по графику определяют требуемую температуру воздуха в напорной камере (предположим 30 °С) и положение установочной головки на шкале блока 15 (предположим деление 25). Если в этом случае стрелку установочной головки установить против деления 25 на шкале блока 15, то в судовые помещения будет подаваться воздух с постоянной температурой 30 °С.
При повышении температуры наружного воздуха датчик 18 воздействует на дросселирующее устройство в блоке 15, которое уменьшает давление воздуха в регулирующем клапане 12, клапан при этом прикрывается и уменьшает количество пара, поступающего в секцию вторичного подогрева.
То же самое происходит при повышении температуры воздуха в напорной камере, но в этом случае датчик 17 воздействует на отдельное дросселирующее устройство в блоке 15.
При понижении температуры наружного воздуха или температуры его в напорной камере происходит обратное явление, сопровождающееся увеличением подачи пара в секцию вторичного нагрева. Для более экономичного использования пара на отводе его из секции вторичного и первичного подогрева устанавливаются конденсационные горшки 19, 20. Во время плавания в умеренных широтах подогрев, увлажнение и охлаждение воздуха обычно не производятся, и установка выполняет функции нагнетательной Вентиляция и отопление на судах морского флотаискусственной вентиляции.
При плавании в тропическом климате включается только охлаждающая секция, обеспечивающая одновременно с охлаждением воздуха его осушение. Регулирование температуры воздуха при охлаждении производится вручную путем изменения количества рассола, поступающего через клапан 21 в охлаждающую батарею секции.
Рассол при температуре 2-3 °С поступает от судовой холодильной установки, предназначенной для охлаждения трюмов, или от специальной холодильной установки. Сконденсировавшаяся в охлаждающей секции влага из поддона по трубе отводится в цистерну мытьевой воды.
Для поддержания постоянного давления воздуха в системе независимо от числа включенных каютных кондиционеров предусматривается выравнивающий канал 22 с пневматически управляемым шибером 23. Воздух к приводу управления шибером поступает по трубопроводу 24 от статического регулятора давления 25, который управляется от задающей насадки 26 типа «Пито», установленной в напорном канале.
При нормальном давлении воздуха в напорном канале шибер 23 закрыт, и весь воздух уходит к судовым потребителям. При повышении давления воздуха в случае выключения нескольких каютных кондиционеров это повышение давления передается по трубопроводу 27 на статический регулятор 25, который открывает воздух на пневматический привод шибера 23, шибер при этом открывается, пропуская часть воздуха из напорного канала в полость перед вентилятором.
Если число отключенных каютных кондиционеров увеличится, шибер открывается на большую величину и пропускает большее количество воздуха из напорного канала на всасывание вентилятором.
Необходимо отметить, что рассмотренная система применяется в основном для судовых помещений, требующих особо комфортных условий.
Для ввода установки кондиционирования воздуха в отопительный режим необходимо:
- открыть пар на секцию первичного подогрева воздуха;
- пустить вентилятор установки;
- открыть запорный клапан на трубопроводе подвода пара к автоматическому регулирующему клапану на секции вторичного подогрева воздуха;
- отрегулировать температуру воздуха не выше 10 °С на выходе из первой нагревающей секции;
- по графику в инструкции определить необходимую температуру воздуха в секции вторичного подогрева и положение установочной головки на регуляторном блоке;
- через 30-40 мин проверить по контрольным термометрам правильность режима работы установки.
Как часто очищать фильтр каютных кондиционеров?
Очищать противопылевой фильтр и батареи каютных кондиционеров необходимо не реже одного раза в месяц.
Паровое отопление в соответствии с санитарными правилами для морских судов допускается только для служебных помещений (машинное отделение, кладовые, гальюны, раздевалки, душевые и т. д.). В жилых и Уход за судовыми помещениямиобщественных помещениях паровое отопление использовать не рекомендуется из-за неприятного запаха, шума и быстрой пересушки воздуха.
Положительными качествами систем парового отопления являются небольшие габариты, вес и способность быстро прогревать помещения. Паровое отопление может быть выполнено по двухпроводной и однопроводной системе. При двухпроводной системе все грелки параллельно подключаются к трубопроводам свежего и отработанного пара, а при однопроводной системе грелки включаются в один трубопровод последовательно.
Давление пара в системах парового отопления не должно превышать 3 кГ/см2.
Водяное отопление на флоте рыбной промышленности применяется главным образом на небольших добывающих судах, шхунах, буксирах и т. д. В качестве теплоносителя в этой системе применяется пресная вода, которая нагревается в специальном водогрейном котле до температуры 80-90 °С.
Судовые системы могут быть с естественной и искусственной циркуляцией нагревающей воды.
Системы водяного отопления проще по конструкции, чем паровые, более гигиеничны, обладают способностью аккумулировать тепло и работают совершенно бесшумно. К недостаткам этой системы следует отнести медленный нагрев помещений, большой вес и большую опасность размораживания в зимних условиях.
Электрическое отопление применяется в основном на маломерных судах и как дополнение к основному отоплению для части помещений на крупных судах. Принцип действия электрического отопления основан на использовании теплового эффекта, получающегося при прохождении электрического тока через проводник большого сопротивления. Система электрического отопления состоит из:
- специальной электросети;
- параллельно присоединенных грелок;
- выключателей;
- контрольно-измерительных приборов;
- релейно-защитных приборов.
Система электрического отопления имеет малые габариты и вес, гигиенична, удобна в эксплуатации и имеет невысокую начальную стоимость. Недостатком электрического отопления является большое потребление электроэнергии и высокие эксплуатационные расходы.
Системы водоснабжения
Санитарные системы судна включают в себя, помимо прочего, и системы водоснабжения, к которым относятся:
- система забортной воды;
- система мытьевой воды;
- система питьевой пресной воды.
Система забортной воды предназначена для подачи морской воды:
- к унитазам гальюнов;
- к ваннам;
- в камбуз;
- в души и т. д.
Она состоит из:
- автоматически включаемого специального насоса;
- пневмоцистерны;
- сети трубопроводов;
- автоматических самозапорных кранов, устанавливаемых на подводе воды к унитазам.
Прием Системы охлаждения пресной и забортной водой на морских судахзабортной воды насосом в систему рекомендуется производить от кингстона, расположенного на борту, противоположном тому, с которого производится сток нечистот и льяльной воды.
Система водоснабжения судна требует особой защиты: трубопровод забортной воды необходимо прокладывать так, чтобы он был защищен от размораживания в зимнее время. Для этой системы обычно применяются стальные трубы с двусторонней оцинковкой на фланцевых или муфтовых соединениях. Для морской воды рекомендуется применять арматуру из антикоррозионных материалов.
В зарубежном судостроении для подачи забортной воды широко применяются трубы из специальных пластмасс. Необходимо отметить, что, например, трубы из пластмассы типа «Хиталекс» в 8-10 раз легче стальных, обладают достаточной прочностью, нетоксичны и совершенно не подвержены коррозии.
К серьезным недостаткам пластмассовых труб следует отнести потерю прочности при температурах выше 100 °С.
Система мытьевой воды служит для подвода пресной воды из запасных цистерн:
- к умывальникам,
- к ваннам,
- к душам,
- в баню,
- в прачечную,
- в камбуз и т. п.
Система мытьевой воды включает:
- два насоса (один резервный);
- пневмоцистерну;
- подогреватель с термостатическим клапаном;
- трубопроводы холодной и горячей воды;
- смесительные краны на местах потребления.
Для быстрого поступления горячей воды при открытии крана в трубопровод горячей воды включается циркуляционный насос. У пневмоцистерны обычно устанавливают коллектор холодной воды, от которого отходят трубы по группам помещений; у подогревателя устанавливают коллектор горячей воды.
В соответствии с санитарными требованиями мытьевая вода, поступающая к умывальникам, душам, в посудомойку, не должна содержать болезнетворных бактерий. Поэтому перед поступлением к потребителям воду на крупных судах обычно подвергают бактериологической обработке хлорированием или облучением ультрафиолетовыми лучами. Трубопровод мытьевой воды должен обеспечивать прием пресной воды с берега и выдачу ее на добывающие суда. Цистерны хранения пресной воды должны быть покрыты антикоррозионным покрытием, одобренным органами санитарного надзора Министерства здравоохранения РФ. В исключительных случаях допускается покрытие их пищевым цементом.
Система питьевой воды служит для подачи пресной воды в:
- пищеблок,
- кипятильники,
- медблок,
- сатураторные установки,
- к питьевым фонтанчикам, если они имеются на судне.
Запас питьевой воды следует хранить во вкладных цистернах, не соприкасающихся с:
- забортной водой;
- цистернами топлива и масла;
- сточно-фекальными цистернами.
Набор цистерн рекомендуется выполнять наружным, а внутренняя поверхность цистерн должна быть покрыта защитным составом, разрешенным органами здравоохранения. Трубопровод питьевой воды должен быть автономным, не связанным с другими судовыми системами. Трубы, пневмоцистерны и другие элементы системы должны иметь антикоррозионное покрытие, допускаемое санитарной инспекцией.
Вода, получаемая из Конструкция, эксплуатация и основы расчета испарительных установокиспарительных установок, может быть использована для питьевых целей только после предварительного насыщения минеральными солями и тщательной бактериологической обработки.
На рис. 4 показана схема водоподготовки питьевой и мытьевой воды, примененная на плавбазах типа «Профессор Баранов».

Дистиллят из вакуумного испарителя по трубе 1 проходит через специальный водомер 2 в цистерну питьевой воды 3. От водомера приводится в действие автоматический дозирующий насос 4, засасывающий из бака 5 разведенный концентрат солей и нагнетающий его в трубопровод 6 дистиллята. Количество подаваемого концентрата автоматически регулируется насосом 4 в зависимости от количества дистиллята, протекающего через водомер 2.
Для минерализации 100 т дистиллята необходимо равномерно подать в него концентрат, состоящий из 200 л воды и 10,8 кг солевой смеси, включающей:
- 6,9 кг хлористого кальция (CaCl2 · 6H2O);
- 2,4 кг хлористого магния (MgCl2 · 6H2O);
- 1 кг хлористого натрия (NaCl);
- 0,5 кг хлористого калия (KCl).
Периодически необходимо брать пробы насыщенного дистиллята и определять показатель жесткости и водородный показатель.
При показателе жесткости 2,5 °Н и водородном показателе, равном 7,3-7,5, считается, что дистиллят насыщен необходимым количеством минеральных солей. Дистиллят, насыщенный солями, засасывается транспортным насосом 7 питьевой воды из цистерны 3 и через бактериологически обеззараживающее устройство 8 ультралучевого типа нагнетается в расходную цистерну питьевой воды или через палубные раздаточные станции на добывающие суда.
В случае приготовления мытьевой воды дистиллят из испарителя не насыщается минеральными солями, а направляется по трубопроводу 9 в цистерны мытьевой воды. Для бактериологической обработки мытьевой воды служит хлоратор 10, состоящий из бака 11 с 1 %-ным раствором гипохлорита натрия и дозирующего насоса 12.
Мытьевая вода из запасных цистерн насосом 13 нагнетается к гидрофорной цистерне 14; часть воды из этой цистерны идет на подогреватель, а часть – потребителям. Одновременно с пуском насоса 13 автоматически включается дозирующий насос 12, который подает раствор гипохлорита натрия в мытьевую воду.
Читайте также: Судовые газоотводные системы танкеров
Количество свободного хлора в воде, определяемое по хлориметру, должно быть не менее 0,3 и не более 0,5 мг/л.
Количество хлора в воде можно регулировать винтом 15 на дозирующем насосе.
Насос 16 является резервным для мытьевой и питьевой воды.
На судах (траулеры «Наталия Ковшова», транспортные рефрижераторы «Остров Русский») для бактериологической обработки воды применяется более эффективный метод обработки воды ультрафиолетовыми лучами.
Кроме химического способа вкусовой обработки воды, на судах также находит применение электрохимический метод.
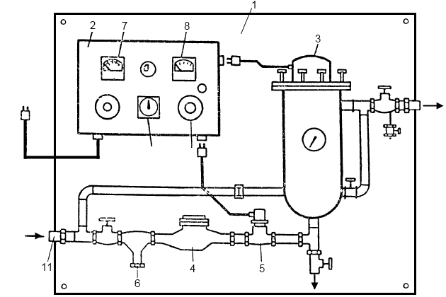
На рис. 5 показана электрохимическая установка типа «Катадин» производительностью 2,5 т/сутки высококачественной питьевой воды.

На плите 1 смонтированы:
- электрощиток 2;
- катадиновый фильтр 3;
- счетчик 4 поступления воды;
- автоматический запорный электромагнитный клапан 5;
- необходимые трубопроводы с запорной арматурой.
Перед счетчиком предусмотрен фильтр механической очистки 6. На электрощитке установлен:
- вольтметр 7;
- амперметр 8;
- выключатель установки 9;
- выключатель 10 электромагнитного клапана.
Катадиновый фильтр представляет собой баллон, внутри которого помещаются мелкопористые керамические стаканы, или так называемые свечи. Число свеч, а следовательно и пропускная способность фильтра, определяется потребностью в питьевой воде.
Свеча (рис. 6) состоит из керамического пористого цилиндра 1, закрытого с торцов крышками 2 из нержавеющей стали.

Под крышками находятся фибровые прокладки 3. Заодно с верхней крышкой выполнен стержень 4, проходящий внутри керамического цилиндра и имеющий на нижнем конце резьбу, на которую наворачивается стяжная гайка 5.
Внутренняя полость керамического стакана заполняется кристаллами серебряной руды 6, располагающимися вокруг стержня 4.
Нарезной патрубок 7, выходящий наружу через уплотнение в крышке катадинового фильтра, служит для крепления свечи к крышке фильтра при помощи гайки и является одновременно электрическим контактом, присоединяемым к электрической сети.
Пресная вода от испарителя по трубе 11 (см. рис. 5) через механический фильтр, счетчик, открытый электромагнитный клапан заполняет пространство вокруг свечей в корпусе катадинового фильтра 3. При пропускании электрического тока через свечи возникает явление электрохимической диффузии, в результате которой вода насыщается ионами серебра и одновременно ионами солей, выделяющихся из керамического цилиндра.
В результате ионизации серебром в воде уничтожаются все болезнетворные бактерии, одновременно она насыщается необходимыми солями.
Указанный метод обработки питьевой воды, одобренный санитарными органами многих стран, нашел широкое распространение на морских судах.
На судах с небольшим экипажем целесообразно применять единую систему пресной санитарной воды. В этом случае она должна целиком удовлетворять требованиям, предъявляемым к системе питьевой воды.
Сточно-фановые системы
В данном пункте рассмотрим методы очистки судовых сточно-фановых трубопроводов. Для удаления загрязненной воды из:
- умывальников,
- раковин,
- моек,
- ванн,
- прачечных,
а также для отвода воды, скапливающейся на палубе помещений (гальюны, бани, душевые, ванные, камбуз, буфетные, кладовые и т. д.), предусматривается система Судовые системы и трубопроводыспециальных трубопроводов, образующих сточную систему.
Для удаления фекальных вод от унитазов и писсуаров предусматривается фановая система.
Трубопроводы сточной и фановой систем рекомендуется выполнять раздельными, но в случае их объединения сточные трубы из помещений должны быть оборудованы гидравлическими затворами. Обычно сточные трубы из отдельных помещений присоединяются к одной или двум объединяющим трубам достаточного сечения, которые в районе переменной ватерлинии выводятся за борт. Сточные и фановые трубы в местах прохода через наружную обшивку должны быть снабжены невозвратными захлопками. Расположение и соединение трубопроводов сточно-фановых систем должны исключать перетекание воды из одного водонепроницаемого отсека судна в другой отсек.
На трубах сточно-фановых систем должно быть предусмотрено достаточное количество пробок и горловин для очистки систем при засорении.
Все спускные отверстия для фекальных и сточных вод рекомендуется располагать на том борту, где нет отверстий для приема забортной воды для судовых нужд.
Подавляющее большинство судов оборудовано фановой системой закрытого типа. При закрытой системе фекальные воды от унитазов и писсуаров можно спускать как в специальную фекальную цистерну, так и за борт. Сток в цистерну производится при стоянке в порту и при плавании в водах со строгим санитарным режимом. При плавании в открытом море сток производится непосредственно за борт, помимо фекальной цистерны.
Емкость фекальной цистерны определяется из расчета трехсуточной стоянки в порту при норме фекальных вод не менее 25 л на каждого человека. Расположение фекальной цистерны в машинном отделении допускается при условии размещения ее в газонепроницаемой выгородке. В этой же выгородке должен быть установлен фекальный насос или водяной эжектор для опорожнения фекальной цистерны.
Фекальная цистерна должна быть оборудована сигнализацией верхнего уровня.
Очистка фекальной цистерны производится забортной водой, подаваемой от пожарной магистрали, и паром.
Воздушную трубу от фекальной цистерны обычно выводят в кожух дымовой трубы.
Сточно-фановая система судна обычно использует стальные оцинкованные трубы на фланцах и муфтах. Эти трубы не разрешается прокладывать через медицинские помещения, пищеблок, провизионные кладовые и цистерны питьевой воды. Также следует избегать прокладки данных трубопроводов через жилые и общественные помещения. Если трубы все-таки необходимо провести через жилые и общественные помещения, они должны иметь противозвуковую изоляцию.
Системы вентиляции судовых помещений
При нахождении людей в закрытых помещениях в результате выделения ими углекислого газа, водяных паров, тепла и продуктов распада белков химический состав воздуха ухудшается и увеличивается его влажность. В связи с этим возникает необходимость периодической замены некачественного воздуха свежим, т. е. вентиляция жилых и общественных помещений.
В служебных помещениях, помимо создания нормальных условий для работы Обучение и подготовка персоналаобслуживающего персонала, вентиляция должна обеспечить подвод необходимого количества воздуха для работы механизмов и отвод тепла, выделяемого механизмами при их работе. При плавании судов в тропических широтах отвод тепла с помощью вентиляции должен быть достаточно интенсивным для поддержания температуры в производственных помещениях не выше 28 °С. Температура в жилых и общественных помещениях в зависимости от района плавания должна находиться в пределах 20-25 °С, а относительная влажность 40-60 %.
В соответствии с санитарными правилами для морских судов интенсивность вентиляции для жилых и общественных помещений определяется по количеству подаваемого воздуха на одного человека в час, а для служебных помещений интенсивность вентиляции обычно характеризуется числом воздухообменов в течение часа.
В жилых помещениях в зависимости от расположения их по палубам количество подаваемого воздуха на одного человека составляет 30-70 м3/ч.
Для общественных помещений (кинозалы, салоны, кают-компании, читальни и т. д.) эта величина лежит в пределах 20-30 м3/ч, а для медицинских – 40-50 м3/ч.
В камбузе, прачечном блоке, сушилках вентиляция должна обеспечивать 30-50 воздухообменов в час, а в подсобных помещениях (посудомойки, буфетные, парикмахерские и т. д.) не менее 10 воздухообменов в час.
Для судовых помещений применяется естественная и искусственная вентиляция.
Естественная вентиляция применяется на маломерных судах и для судовых помещений, расположенных на открытых палубах. Естественная вентиляция осуществляемая через:
- иллюминаторы,
- световые люки,
- двери и т. п.,
не может обеспечить требуемый воздухообмен внутри судовых помещений. Для повышения эффективности естественной вентиляции судовые помещения оборудуют вентиляционными трубами с дефлекторными головками. Благодаря дефлекторным головкам, которые выполняются поворотными и имеют довольно разнообразную конструкцию, можно использовать скорость ветра и судна для создания вдувных или вытяжных потоков воздуха. Для вентиляции жилых кубриков, не имеющих достаточного количества иллюминаторов, устанавливают не менее двух дефлекторных головок.
Будет интересно: Судовые устройства и системы
Иногда естественную вентиляцию применяют для грузовых трюмов, предназначенных для перевозки несамовозгорающихся грузов. Дефлекторные головки в этом случае рекомендуется устанавливать по концам трюмов, причем вдувные головки нужно располагать в носовой части трюма, а вытяжные – в кормовой с обеспечением свободного доступа ветра с различных направлений.
При искусственной вентиляции перемещение воздуха производится с помощью механических вентиляторов. На судах применяется:
- вдувная,
- вытяжная,
- приточно-вытяжная искусственная вентиляция.
Система вентиляции судна может быть организована по вдувному принципу. При такой схеме свежий воздух нагнетается в помещения вентилятором, а использованный и загрязненный удаляется через:
- иллюминаторы,
- двери,
- люки и т. п.
При вытяжной системе вентиляции загрязненный воздух отсасывается из помещений вентилятором, а свежий поступает через иллюминаторы, люки и т. п.
В системе приточно-вытяжной вентиляции подача свежего воздуха в помещение и удаление его из помещений производятся отдельными механическими вентиляторами.
Вентиляционные системы жилых и общественных помещений не следует объединять с системами вентиляции:
- машинно-котельных отделений;
- рефрижераторных отделений;
- медблока;
- санблока и других помещений,
в которых возможно выделение вредных газов и специфических запахов.
На большинстве современных судов, предназначенных для плавания в различных широтах, жилые и общественные помещения оборудуют системой кондиционирования воздуха, которая в умеренных климатических условиях используется как обычная вентиляционная система. Обычная вентиляционная система для судов, предназначенных для плавания в северных и средних широтах, состоит из одного или нескольких центробежных вентиляторов, от которых отходят магистральные каналы с отростками в отдельные помещения. Забор воздуха нагнетательными вентиляторами из мест, исключающих засасывание дыма, выхлопных газов, паров Топлива, смазочные масла и их обработкатоплива и масла, рекомендуется производить через пылезадерживающие фильтры.
В местах прохождения магистральных вентиляционных каналов через противопожарные переборки должны быть установлены отсечные противопожарные заслонки. Для уменьшения шума и вибрации вентилятор обычно соединяют с магистральными каналами через эластичные вставки. Вентиляционные каналы прямоугольного или круглого сечения изготовляют из оцинкованного железа. Отдельные участки соединяются фланцами или «труба в трубу». В последнем случае во избежание вихреобразований выступ внутренней трубы располагается по ходу потока воздуха.
Для систем кондиционирования широко применяются пластмассовые и алюминиевые каналы с наружной тепловой изоляцией.
Присоединение отростков к магистральным каналам рекомендуется выполнять по плавному закруглению или под углом не более 30°.
Концы вентиляционных отростков, входящие в помещение, должны быть оборудованы устройством для регулирования количества поступающего воздуха.
В жилые помещения воздух обычно нагнетается и отводится из них через жалюзи в дверях в коридоры. Из коридоров воздух выходит наружу или засасывается на рециркуляцию при кондиционировании, благодаря этому в жилых помещениях постоянно создается небольшой подпор воздуха, исключающий проникновение запахов из смежных помещений.
В санитарных помещениях (гальюны, умывальники, души) применяется вытяжная искусственная вентиляция, создающая в этих помещениях некоторое разрежение, что также препятствует проникновению запахов из этих помещений в смежные помещения.
В общественных помещениях (кинозалы, столовые, кают-компании, курительные), а также в камбузе, прачечных применяется приточно-вытяжная вентиляция, но при этом производительность вытяжного вентилятора принимается на 20-30 % выше, чем у нагнетательного.
В зависимости от конструктивных особенностей и расположения механизмов машинно-котельные отделения и отделения Выбор вспомогательных механизмов для комплектации суднавспомогательных механизмов оборудуют либо объединенными, либо независимыми системами искусственной вентиляции нагнетательного или приточно-вытяжного типа.
Приток воздуха в машинно-котельное отделение должен полностью возмещать технические потребности двигателей, котлов, компрессоров и т. д., а вытяжка воздуха – обеспечивать отвод всех тепловыделений от механизмов, не допуская в теплое время года образования в отсеках машинного отделения температур, превышающих более чем на 8-12° температуру наружного воздуха.
Свежий воздух должен подводиться ко всем рабочим местам в машинно-котельных отделениях:
- постам управления;
- ремонтным площадкам;
- мастерским и т. д.
Воздух, предназначенный непосредственно для обдува людей на рабочих местах, в зимнее время необходимо подогревать, а при плавании в тропиках – охлаждать. Всасывающие патрубки рекомендуется располагать в местах скопления наиболее нагретого воздуха. В случае использования приточно-вытяжной вентиляции общее количество воздуха, нагнетаемого в отсеки машинного отделения, должно быть несколько больше суммарного количества отсасываемого воздуха и воздуха, потребляемого механизмами.
Если имеется специальное насосное отделение, то оно должно быть в обязательном порядке оборудовано отдельной приточновытяжной вентиляцией. Нагнетательные отверстия должны быть расположены в верхней части насосного отделения, а приемные – в нижней части и под плитами настила для отсоса паров топлива и масла.
Рефрижераторные отделения аммиачных установок оборудуют приточно-вытяжной вентиляцией с не менее чем двадцатикратным обменом по нагнетаемому воздуху. Производительность вытяжного вентилятора принимается на 50 % выше, чем нагнетательного, а в аварийных случаях она должна вдвое превышать производительность нагнетательной вентиляции.
Предлагается к прочтению: Трюмные системы – виды и принцип действия на судне
Помещения по переработке рыбы на судах флота рыбной промышленности также оборудуют приточно-вытяжной искусственной вентиляцией.
На судах, предназначенных для работы в тропических условиях (тунцеловные базы, консервные траулеры), на рабочие места в рыбцехи подается охлажденный воздух.
Во избежание распространения неприятного запаха и рыбной муки вытяжная вентиляция из помещений по выработке рыбной муки выводится через пустотелые колонки и мачты выше уровня верхних надстроек судна.
Для искусственной вентиляции в судовых условиях применяются центробежные и осевые вентиляторы. В зависимости от создаваемого напора они делятся на:
- низконапорные,
- средненапорные,
- высоконапорные,
создающие напор соответственно до 100, 300 и 1 500 мм вод. ст.
На рис. 7 показаны общие виды наиболее распространенных судовых вентиляторов.

Вентилятор осевого типа (рис. 7, а) крепится непосредственно на переборках или отфланцовках магистральных каналов и применяется для вентиляции небольших судовых помещений. Для центральной вентиляции большого количества жилых помещений, как правило, используют вентиляторы центробежного типа (рис. 7, в). Осевые вентиляторы, встраиваемые непосредственно в магистральный канал (рис. 7, б), находят применение в основном для вентиляции производственных помещений.
Вентиляторы жилых и производственных помещений должны иметь дистанционное выключение из рулевой рубки, а вентиляторы машинно-котельных отделений – с места, расположенного вне машинного отделения. Пуск и остановка вентиляторов, установленных в помещения аммиачных холодильных установок, производятся вне рефрижераторного отделения.
