В мире морских технологий, где надёжность и эффективность оборудования играют ключевую роль, насосы поршневого типа занимают особое место. Эти устройства, несмотря на кажущуюся простоту, являются сердцем многих жизненно важных систем на борту судна, обеспечивая бесперебойную подачу различных жидкостей в самых разнообразных условиях.
Данный материал призван дать комплексное представление о поршневых насосах, начиная с фундаментальных принципов их работы и различных типов. Мы проанализируем ключевые параметры поршневых насосов (производительность, мощность, габариты), а также рассмотрим типовые конструктивные решения. Кроме того, будет затронута интересная тема обратимости Электрические и электрогидравлические рулевые машиныгидравлических машин, позволяющая использовать поршневые насосы и как высокоэффективные гидромоторы.
Принцип действия и классификация поршневых насосов
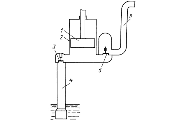
На рис. 1 представлена схема насосной установки с поршневым насосом, который перемещает жидкость за счет возвратно-поступательного движения поршня 1 в цилиндре 2.

При перемещении поршня вверх внутри цилиндра 2 создается разрежение. Под действием разности давлений открывается приемный клапан 3 и жидкость через него по приемной трубе 4 поступает внутрь цилиндра. При обратном ходе поршня жидкость из цилиндра выталкивается через нагнетательный клапан 5 в нагнетательный трубопровод 6.
Рекомендуется к прочтению: Судовые насосы и их эксплуатационные характеристики
Рассмотрим преимущества и недостатки судовых поршневых насосов. К их преимуществам относится:
- хорошее всасывание, готовность к действию – свойства, весьма важные для некоторых судовых систем; насосы поршневого типа могут обеспечить сухое всасывание и не нуждаются в предварительной заливке водой;
- отсутствие обратной зависимости между производительностью и напором, развиваемым насосом, что позволяет при наличии резерва мощности перекачивать жидкости с сильно изменяющейся вязкостью; это свойство особенно важно для нефтеперекачивающих и зачистных насосов;
- исключительная простота регулирования, что для питательных и некоторых других судовых систем весьма ценное качество.
Основные недостатки поршневых насосов:
- громоздкость и большая масса (особенно насосов большой производительности);
- малая экономичность вследствие высокого удельного расхода пара (специфическая особенность паровых поршневых прямодействующих насосов);
- возникновение сил инерции в результате неравномерного движения поршня и связанный с этим повышенный износ деталей насоса.
Поршневые насосы для судов подразделяются по ряду признаков:
- малой (до 20 м3/ч) производительности;
- средней (от 20 до 60 м3/ч) производительности;
- и большой (более 60 м3/ч) производительности.
- низкого до 0,5 МПа (5 кгс/см2) давления;
- среднего от 0,5 до 5 МПа (от 5 до 50 кгс/см2) давления;
- высокого более 5 МПа (50 кгс/см2) давления.
- паровой машины;
- электродвигателя;
- турбины (паровой, газовой, гидравлической);
- двигателя внутреннего сгорания, а также с ручным приводом.
- поршневые приводные (с мотылевым, эксцентриковым или балансирным механизмом);
- и прямодействующие, имеющие на одном штоке поршни парового и гидравлического цилиндров (рис. 2).

а – приводного; б – прямодействующего
- тихоходные (до 80 об/мин);
- нормальные (до 150 об/мин);
- быстроходные (до 350 об/мин);
- и особо быстроходные насосы с коротким ходом поршня – до 750 об/мин.
- водяные,
- масляные,
- нефтяные и т. п.
Читайте также: Топливные насосы распределительного типа
- с проходным поршнем;
- с дисковым поршнем;
- и с плунжером.
Конструкция плунжерного насоса для судов простого действия приведена на рис. 3.

- одинарные,
- сдвоенные,
- и строенные.
- вертикальные,
- горизонтальные,
- и наклонные.
- одинарного действия (простые, скальчатые и дифференциальные);
- двойного действия;
- тройного действия;
- и четверного действия.
Определение производительности, мощности и основных размеров поршневого насоса
Теоретическая подача насоса простого действия, м3, за 1 оборот кривошипного вала, равна:
где:
- F – площадь поршня, м2;
- S – ход поршня, м.
Теоретическая подача насоса двойного действия за 1 оборот равна сумме подач обеих его полостей:
где:
- f – площадь сечения штока поршня, м2.
Теоретическая подача за 1 оборот насоса, имеющего k1 рабочих полостей без проходящего штока и k2 со штоком:
Можно условно представить любой насос как имеющий только рабочие полости без проходящего штока; тогда условное число рабочих полостей такого насоса определится зависимостью:
Секундная теоретическая Основные характеристики судовых насосов и системпроизводительность насоса одинарного действия при частоте вращения n в минуту, м3/с:
Для насоса двойного действия:
Для любого насоса (с условным числом рабочих полостей a):
Фактическая подача насоса меньше теоретической из-за влияния утечек жидкости и подсоса воздуха через неплотности, а также вследствие того, что клапаны закрываются не мгновенно. По этой причине в начале хода нагнетания часть жидкости из рабочей камеры насоса возвращается во всасывающую линию через всасывающий клапан, а в начале хода всасывания часть жидкости, поданной в нагнетательную линию, возвращается в рабочую камеру через нагнетательный клапан. Потери подачи учитываются объемным КПД насоса ηо, который всегда меньше единицы. Тогда из формулы «Определение Основы гидравлики и насосы судовых системобъемной потери» следует:
Мощность, Вт, затрачиваемая на привод поршневого насоса с условным числом рабочих полостей a, определяется с учетом формул:
- «Основы гидравлики и насосы судовых системопределение мощности на валу насоса»;
- «теоретической производительности для любого насоса (с условным числом рабочих полостей a)»,
по формуле:
где:
- Q – производительность, м3/с;
- Hн – полезный напор насоса, м;
- ηн – КПД судового поршневого насоса (см. формулу «Основы гидравлики и насосы судовых системКоэффициент полезного действия насоса»);
- для поршневых насосов ηн = 0,6-0,9;
- γ – удельный вес жидкости, Н/м3.
Схемы и конструкции поршневых насосов
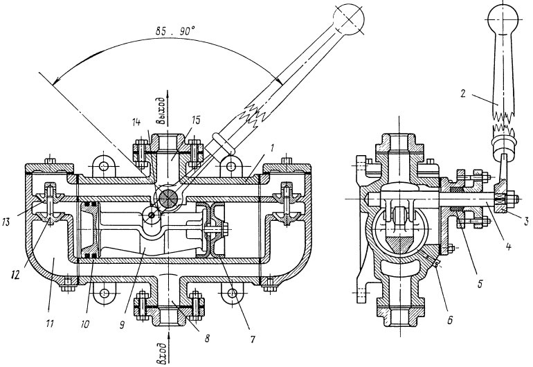
В данном пункте рассмотрим конструктивные особенности поршневых насосов для судов. Для подкачивания небольших количеств воды, топлива и масла часто применяются ручные судовые поршневые насосы. Конструкция такого насоса двукратного действия типа HP показана на рис. 4.

Чугунный корпус 1 отлит совместно с патрубками 8 и 15. К корпусу на фланцах присоединены две клапанные коробки с всасывающими 12 и нагнетательными 13 клапанами. В горизонтально расположенном цилиндре 10 перемещается фигурный шток 9, к которому с обеих сторон прикреплены два стальных поршня 7 с уплотнительными кольцами или кожаными манжетами. Поршни начинают перемещаться при повороте рукоятки 2, которая соединена со стержнем 3, сидящим на правом конце приводного вала 4. Левый конец вала имеет приливы, между приливами размещен ролик 14, входящий в прорезь штока 9. Выход приводного валика уплотнен сальником 5. Жидкость всасывается из полостей 11 и нагнетается при каждом перемещении поршней поочередно. В цилиндре имеются спускные пробки 6.
Характеристики насосов типа HP приведены в табл. 1.
| Таблица 1. Основные характеристики ручных насосов типа HP | |||||||||
|---|---|---|---|---|---|---|---|---|---|
| Типоразмер насоса | Диаметр цилиндра, мм | Ход поршня, мм | Число двойных ходов в минуту | Подача, л/мин | Манометрический напор нагнетания, МПа (м вод. ст) | Вакуумметрическая высота всасывания, МПа (м вод. ст) | Масса, кг | ||
| при работе с напором | при работе на слив | при работе с напором | при работе на слив | ||||||
| HP-20 | 65 | 50 | 48 | 80 | 12 | 20 | 0,3 (30) | 0,05 (5) | 16 |
| HP-25 | 78 | 64 | 40 | 70 | 20 | 35 | 26 | ||
| HP-40 | 100 | 86 | 28 | 52 | 35 | 65 | 38 | ||
В качестве рабочих жидкостей насосы HP перекачивают Системы охлаждения пресной и забортной водой на морских судахпресную и морскую воду с температурой до 100 °С, а также светлые и темные нефтепродукты условной вязкостью до 110 °Е и температурой не выше 65 °С.
Что такое роторно-поршневой насос?
Роторно-поршневой насос – это бескривошипный поршневой насос. В силу присущей им высокой равномерности подачи они широко применяются в судовых гидравлических системах с давлением до 40 МПа (400 кгс/см2).
В роторно-поршневом насосе рабочие органы выполнены в виде поршней (плунжеров), а вытесняемые объемы замыкаются вытеснителями в цилиндрических полостях вращающегося ротора (цилиндрового блока). Различают:
- радиальный роторно-поршневой насос – с радиальным относительно оси вращения ротора расположением цилиндров;
- и аксиальный роторно-поршневой насос – с аксиальным относительно оси вращения цилиндрового блока расположением цилиндров, движение поршней в которых обусловлено наличием наклонной относительно ротора шайбы.
В радиально-поршневых насосах поршни движутся в одной плоскости, а цилиндры расположены звездообразно (рис. 5), причем их оси пересекаются в одной точке.

Цилиндры такого насоса можно разместить в несколько рядов (от двух до шести), благодаря чему можно получить высокую производительность. Радиально-поршневые насосы изготовляют как в регулируемых, так и нерегулируемых по производительности вариантах.
Будет интересно: Насосы и системы трубопроводов
Для изменения производительности такого насоса смещают блок цилиндров относительно оси статора на величину e (см. рис. 5 выше). Изменением знака эксцентриситета e осуществляется реверс подачи жидкости насосом.
Принципиальная схема аксиально-поршневого насоса представлена на рис. 6.

На валу Z-Z под углом α к горизонтали жестко закреплен наклонный диск 1, который может вращаться вокруг оси Z-Z. Невращающаяся шайба 2 своими концами охватывает диск на периферии. Если диск 1 вращается вокруг оси Z-Z, шайба 2 будет совершать колебательные движения, все время оставаясь в плоскости вращающегося диска. Колеблющаяся шайба пространственными шарнирами 3 соединена со штоками поршней цилиндров 4, расположенных вокруг оси Z-Z и параллельно ей. Так как шайба лишена возможности вращаться, то, совершая колебательные движения, она заставляет штоки поршней через шарниры совершать возвратно-поступательные движения. Число цилиндров принципиально может быть каким угодно большим, а ход поршня будет определяться диаметром шайбы и углом наклона α. Для изменения производительности такого насоса изменяют угол наклона α путем поворота блока цилиндров или шайбы. Изменением знака угла α осуществляется реверс подачи жидкости насосом.
Расчетная производительность радиально-поршневого насоса, м3/мин, определяется как объем, описываемый его поршнями за единицу времени:
где:
- q – рабочий объем насоса, м3/об;
- d – диаметр цилиндра, м;
- h – ход поршня, м;
- z – число поршней (цилиндров);
- e – эксцентриситет насоса, м;
- n – частота вращения, об/мин.
Расчетную производительность аксиально-поршневого насоса Qт, м3/мин, можно вычислить с некоторым приближением по выражению:
где:
- D – диаметр окружности, на которой расположены центры цилиндров, м.
Приведенное выражение будет справедливым лишь в случае, когда угол α равен нулю; в остальных случаях оси шатунов (между шайбой и штоком поршня) будут находиться по отношению к осям цилиндров под некоторым углом. Однако, принимая во внимание, что угол α обычно не превышает 30°, ошибка, вызываемая этим допущением, относительно невелика.
В отношении определения мощности бескривошипные насосы ничем не отличаются от насосов остальных типов и здесь сохраняются все положения, изложенные в пункте «Основы гидравлики и насосы судовых системОсновные параметры, характеризующие работу насоса».
Радиально-поршневые насосы выполняют для давлений 20-30 МПа (200-300 кгс/см2) и применяют в гидросистемах рулевых машин. Аксиально-поршневые насосы имеют по сравнению с радиальными преимущество: их масса при прочих равных условиях меньше массы радиальных примерно в два раза. Особенностью этих насосов является малый момент инерции, что имеет существенное значение при использовании их в качестве гидродвигателей (об обратимости гидромашин см. ниже).
В современном Технологическая подготовка производства в судостроениироссийском судостроении применяют унифицированные аксиально-поршневые насосы (регулируемые и нерегулируемые). Гидромашины данного типизированного ряда являются примером наиболее полной и совершенной унификации. В табл. 2 приведены основные технические характеристики насосов типа НК.
| Таблица 2. Основные характеристики регулируемых насосов типа HK | |||||||
|---|---|---|---|---|---|---|---|
| Типоразмер (диаметр поршня, мм) | Объемная постоянная, л/об | Номинальная частота вращения, об/мин | Напор, МПа (кгс/см2) | Производительность при номинальной частоте вращения, л/мин | Мощность при номинальных параметрах, кВт | Масса, кг | |
| номинальный | максимальный | ||||||
| 20 | 0,0548 | 1 450 | 20 (200) | 32 (320) | 80 | 26 | 66 |
| 25 | 0,107 | 1 450 | 20 (200) | 32 (320) | 155 | 51 | 125 |
| 32 | 0,225 | 970 | 20 (200) | 32 (320) | 218 | 71 | 232 |
| 40 | 0,468 | 970 | 32 (320) | 35 (350) | 454 | 235 | 625 |
| 50 | 0,915 | 730 | 32 (320) | 35 (350) | 668 | 350 | 1 420 |
| 63 | 1,830 | 560 | 32 (320) | 35 (350) | 1 025 | 540 | 3 200 |
Указанные гидромашины аксиально-поршневые, бескарданные, их регулирование осуществляется изменением наклона блока цилиндров (рис. 7).

а – регулируемых; б – нерегулируемых.
1 – корпус; 2 – крышка
Приводной вал вращается в массивных радиально-упорных сдвоенных шарикоподшипниках и заканчивается фланцем. Вращение блока цилиндров и возвратно-поступательное движение поршней в осевом направлении осуществляется с помощью штоков. Каждый шток имеет две сферические головки, одна из которых закреплена во вкладыше фланца приводного вала, а другая завальцована в поршне. Блок цилиндров, в котором расположены семь поршней, опирается на сферический распределитель на центральной оси, сферическая головка которой закреплена во фланце приводного вала. Другой конец оси вращается во втулке распределителя, где размещена пружина, обеспечивающая предварительное поджатие блока цилиндров к распределителю. Блок цилиндров гидростатически сбалансирован так, что между ним и распределителем постоянно сохраняется масляная пленка. Смазка поршней и головок штоков осуществляется непосредственно из рабочих камер по сверлениям в донышке поршней и штоках.
Регулируемые насосы поршневого типа выпускаются в корпусном исполнении (НК), т. е. в виде отдельного Монтаж агрегатированных механизмов на суднеавтономного агрегата, для которого корпус с отдельным подпитывающим баком служит масляной емкостью, и встраиваемыми (НВ), когда регулируемая часть насоса встроена в отдельный бак торцевым фланцем (обычно ее крепят вертикально на крышку бака). Гидромашины с постоянным рабочим объемом (МГ) изготовляют с углом наклона блока цилиндров 25° (рис. 7, б). Их используют как насосы постоянной производительности и как нерегулируемые гидродвигатели. Они имеют компактный корпус, используемый для сбора и отвода дренажных утечек.
Обратимость гидравлических машин. Гидромоторы
Объемные насосы, или насосы вытеснения, преобразуют механическую энергию, приложенную к их приводному валу, в энергию движения жидкости под давлением. В объемном насосе вытеснение жидкости из рабочих камер и заполнение ею всасывающих камер происходит в результате уменьшения и соответственно увеличения геометрического объема этих камер, герметически отделенных одна от другой.
Что такое объемный гидродвигатель?
Объемный гидродвигатель – это объемный насос, который используется для преобразования энергии потока жидкости в механическую работу на валу или штоке. В общем случае под объемным гидродвигателем понимают гидродвигатель кругового или прямолинейного движения, в котором преобразование энергии потока жидкости осуществляется в процессе перемещения под действием сил давления жидкости герметизирующего рабочего элемента (поршня, пластины и пр.) при заполнении жидкостью рабочей камеры.
Различают две группы объемных гидродвигателей:
- силовые цилиндры, развивающие механическую энергию поступательного движения;
- и гидромоторы, в которых энергия потока жидкости преобразуется в механическую энергию вращательного движения вала.
Благодаря обратимости в качестве объемных насосов и гидромоторов могут использоваться одни и те же агрегаты.
Предлагается к прочтению: Топливные насосы клапанного типа
Гидромоторам, в отличие от насосов, свойственны некоторые специфические характеристики, такие как:
- крутящий момент на валу;
- расход рабочей жидкости.
Расход рабочей жидкости у гидромотора равен производительности этой же гидромашины, работающей в режиме насоса, и определяется из формул 10 и 11.
Теоретический момент на валу гидромотора, Н·м, выражается зависимостью:
или
где:
- ∆p – рабочая разность давлений в гидромоторе, Па;
- Qт – расчетный расход рабочей жидкости, м3/мин;
- n – частота вращения, об/мин;
- q – рабочий объем гидромотора, м3/об.
Для привода большинства гидрофицированных Технические характеристики судовых палубных механизмовпалубных механизмов применяют радиально-поршневые гидромоторы типа ГРП с расходящимися поршнями. Их выполняют как с вращающимся корпусом, так и с вращающимся валом.
На рис. 8 приведена схема радиально-поршневого гидромотора с вращающимся корпусом.

Благодаря специальной конфигурации копира 4 давление рабочей жидкости на поршни 6 вызывает появление тангенциальных усилий в корпусе гидромотора.
Поршни воздействуют на копиры через шатуны, снабженные игольчатыми подшипниками 3. Для разгрузки цилиндров от боковых усилий установлены специальные направляющие 5. Подвод и отвод рабочей жидкости из канала 1 к поршням осуществляется распределителем 2, позволяющим отключать половину поршней и увеличивать скорость вдвое при соответствующем снижении крутящего момента.
В табл. 3 приведены основные технические характеристики радиально-поршневых гидромоторов типизированного ряда.
| Таблица 3. Основные характеристики радиально-поршневых гидромоторов | |||||||
|---|---|---|---|---|---|---|---|
| Индекс гидромотора | Объемная постоянная, л/об | Номинальная частота вращения, об/мин | Напор, МПа (кгс/см2) | Номинальный крутящий момент, Н·м | Номинальная мощность на выходе, кВт | Масса, кг | |
| номинальный | максимальный | ||||||
| С вращающимся валом | |||||||
| 12,5 (125) | 17,5 (175) | 10 | 200 | ||||
| 12,5 (125) | 17,5 (175) | 25 | 370 | ||||
| 12,5 (125) | 17,5 (175) | 24 | 530 | ||||
| 12,5 (125) | 17,5 (175) | 37 | 650 | ||||
| 12,5 (125) | 17,5 (175) | 58 | 1 390 | ||||
| 12,5 (125) | 17,5 (175) | 93 | 1 600 | ||||
| С вращающимся корпусом | |||||||
| 4 070 | 12,5 (125) | 17,5 (175) | 48 | 546 | |||
| 6 070 | 12,5 (125) | 17,5 (175) | 48 | 768 | |||
| 12,5 (125) | 17,5 (175) | 135 | 1 635 | ||||
Аксиально-поршневые гидромоторы МГ описаны выше (см. рис. 7, б). Благодаря малому моменту инерции вращающихся масс эти гидромоторы применяются в качестве быстроходных гидроприводов на ряде Свойства и испытания материалов для судовых механизмовсудовых механизмов. Основные технические характеристики гидромоторов МГ приведены в табл. 4.
| Таблица 4. Основные характеристики нерегулируемых насосов и гидромоторов типа МГ | ||||||||
|---|---|---|---|---|---|---|---|---|
| Типоразмер (диаметр поршня, мм) | Объемная постоянная, л/об | Частота вращения, об/мин | Напор, МПа (кгс/см2) | Расход при номинальной частоте вращения, л/мин | Мощность при номинальных параметрах, кВт | Масса, кг | ||
| номинальная | максимальная | номинальный | максимальный | |||||
| 12 | 0,016 | 1 450 | 5 000 | 20 (200) | 32 (320) | 17 | 5,5 | 5,5 |
| 16 | 0,0281 | 1 450 | 4 000 | 20 (200) | 32 (320) | 41 | 14 | 12,5 |
| 20 | 0,0548 | 1 450 | 3 150 | 20 (200) | 32 (320) | 80 | 26 | 23 |
| 25 | 0,107 | 1 450 | 2 500 | 20 (200) | 32 (320) | 155 | 51 | 44 |
| 32 | 0,225 | 970 | 2 000 | 20 (200) | 32 (320) | 218 | 71 | 88 |
| 40 | 0,468 | 970 | 1 600 | 32 (320) | 35 (350) | 454 | 235 | 215 |
| 50 | 0,915 | 730 | 1 250 | 32 (320) | 35 (350) | 668 | 350 | 408 |
| 63 | 1,830 | 560 | 1 000 | 32 (320) | 35 (350) | 1 025 | 540 | 800 |
